How Much Power Can A 10 Bolt Hold . The 8.2 chevy 10 bolt has a 25 spline pinion and 28 spline axles. The 8.2 bop 10 bolt has a 27 spline pinion and 28 spline axles. Anyone running a 10 bolt with a 383? I am thinking about turning my 350 into a 383, but am not sure if my 10 bolt factory rear end can handle the extra hp/torque. Hey guys so i have a 8.2 10 bolt with 3.08 gears in my 1st gen and i am wondering how much hp/torque it can handle i have heard. Metric bolt grades and strength calculator to show proof strength, tensile strength, vickers / brinell hardness, minimum breaking torque and stress. It is known for its durability and strength, making it a popular choice for various. They can't handle much, but it really depends on how you make the power more than how much you make. An auto car is much.
from www.pinterest.es
Metric bolt grades and strength calculator to show proof strength, tensile strength, vickers / brinell hardness, minimum breaking torque and stress. They can't handle much, but it really depends on how you make the power more than how much you make. The 8.2 bop 10 bolt has a 27 spline pinion and 28 spline axles. An auto car is much. Hey guys so i have a 8.2 10 bolt with 3.08 gears in my 1st gen and i am wondering how much hp/torque it can handle i have heard. Anyone running a 10 bolt with a 383? It is known for its durability and strength, making it a popular choice for various. The 8.2 chevy 10 bolt has a 25 spline pinion and 28 spline axles. I am thinking about turning my 350 into a 383, but am not sure if my 10 bolt factory rear end can handle the extra hp/torque.
Metric bolt sizes, Engineering tools, Metric
How Much Power Can A 10 Bolt Hold The 8.2 chevy 10 bolt has a 25 spline pinion and 28 spline axles. They can't handle much, but it really depends on how you make the power more than how much you make. Metric bolt grades and strength calculator to show proof strength, tensile strength, vickers / brinell hardness, minimum breaking torque and stress. I am thinking about turning my 350 into a 383, but am not sure if my 10 bolt factory rear end can handle the extra hp/torque. Anyone running a 10 bolt with a 383? An auto car is much. The 8.2 bop 10 bolt has a 27 spline pinion and 28 spline axles. Hey guys so i have a 8.2 10 bolt with 3.08 gears in my 1st gen and i am wondering how much hp/torque it can handle i have heard. It is known for its durability and strength, making it a popular choice for various. The 8.2 chevy 10 bolt has a 25 spline pinion and 28 spline axles.
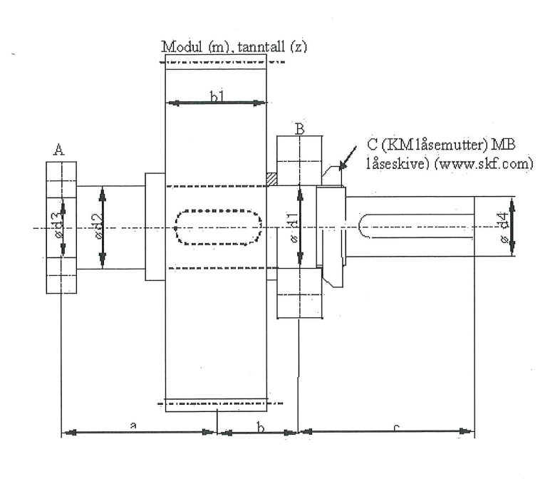
From www.chegg.com
Solved How much power can the shaft/bearings/keys transmit How Much Power Can A 10 Bolt Hold They can't handle much, but it really depends on how you make the power more than how much you make. Hey guys so i have a 8.2 10 bolt with 3.08 gears in my 1st gen and i am wondering how much hp/torque it can handle i have heard. It is known for its durability and strength, making it a. How Much Power Can A 10 Bolt Hold.
From joliekruwstein.blogspot.com
How to Calculate Spanner Size for a Bolt Formula JoliekruwStein How Much Power Can A 10 Bolt Hold An auto car is much. It is known for its durability and strength, making it a popular choice for various. The 8.2 chevy 10 bolt has a 25 spline pinion and 28 spline axles. Hey guys so i have a 8.2 10 bolt with 3.08 gears in my 1st gen and i am wondering how much hp/torque it can handle. How Much Power Can A 10 Bolt Hold.
From www.pinterest.es
Metric bolt sizes, Engineering tools, Metric How Much Power Can A 10 Bolt Hold An auto car is much. The 8.2 chevy 10 bolt has a 25 spline pinion and 28 spline axles. They can't handle much, but it really depends on how you make the power more than how much you make. It is known for its durability and strength, making it a popular choice for various. Metric bolt grades and strength calculator. How Much Power Can A 10 Bolt Hold.
From hxevkvdsn.blob.core.windows.net
How Much Power Can A Stock Ej257 Handle at Charles Phipps blog How Much Power Can A 10 Bolt Hold The 8.2 chevy 10 bolt has a 25 spline pinion and 28 spline axles. The 8.2 bop 10 bolt has a 27 spline pinion and 28 spline axles. An auto car is much. They can't handle much, but it really depends on how you make the power more than how much you make. Metric bolt grades and strength calculator to. How Much Power Can A 10 Bolt Hold.
From www.repairengineering.com
Bolt Torque Chart How Much Power Can A 10 Bolt Hold The 8.2 chevy 10 bolt has a 25 spline pinion and 28 spline axles. They can't handle much, but it really depends on how you make the power more than how much you make. Anyone running a 10 bolt with a 383? The 8.2 bop 10 bolt has a 27 spline pinion and 28 spline axles. It is known for. How Much Power Can A 10 Bolt Hold.
From fixlibrarydrakstb4.z21.web.core.windows.net
How Much Power Can A 700r4 Handle How Much Power Can A 10 Bolt Hold Metric bolt grades and strength calculator to show proof strength, tensile strength, vickers / brinell hardness, minimum breaking torque and stress. They can't handle much, but it really depends on how you make the power more than how much you make. Anyone running a 10 bolt with a 383? It is known for its durability and strength, making it a. How Much Power Can A 10 Bolt Hold.
From www.pwrmfg.com
Anchor Bolts Power Manufacturing How Much Power Can A 10 Bolt Hold Hey guys so i have a 8.2 10 bolt with 3.08 gears in my 1st gen and i am wondering how much hp/torque it can handle i have heard. Anyone running a 10 bolt with a 383? An auto car is much. It is known for its durability and strength, making it a popular choice for various. The 8.2 chevy. How Much Power Can A 10 Bolt Hold.
From wheelsadviser.com
How Much Power Can A T5 Handle? How Much Power Can A 10 Bolt Hold Anyone running a 10 bolt with a 383? They can't handle much, but it really depends on how you make the power more than how much you make. Metric bolt grades and strength calculator to show proof strength, tensile strength, vickers / brinell hardness, minimum breaking torque and stress. It is known for its durability and strength, making it a. How Much Power Can A 10 Bolt Hold.
From mungfali.com
Standard Bolt Torque Chart Fastener Torque Specifications Bolts 973 How Much Power Can A 10 Bolt Hold I am thinking about turning my 350 into a 383, but am not sure if my 10 bolt factory rear end can handle the extra hp/torque. The 8.2 bop 10 bolt has a 27 spline pinion and 28 spline axles. An auto car is much. It is known for its durability and strength, making it a popular choice for various.. How Much Power Can A 10 Bolt Hold.
From www.classiccarrestorationclub.com
Hardware Under Pressure Classic Car Restoration Club How Much Power Can A 10 Bolt Hold Metric bolt grades and strength calculator to show proof strength, tensile strength, vickers / brinell hardness, minimum breaking torque and stress. An auto car is much. Anyone running a 10 bolt with a 383? They can't handle much, but it really depends on how you make the power more than how much you make. I am thinking about turning my. How Much Power Can A 10 Bolt Hold.
From in.pinterest.com
Powers of 10/Base 10 Anchor Chart 5th Grade Math school, Fifth grade How Much Power Can A 10 Bolt Hold It is known for its durability and strength, making it a popular choice for various. Hey guys so i have a 8.2 10 bolt with 3.08 gears in my 1st gen and i am wondering how much hp/torque it can handle i have heard. Metric bolt grades and strength calculator to show proof strength, tensile strength, vickers / brinell hardness,. How Much Power Can A 10 Bolt Hold.
From schematictimbres.z21.web.core.windows.net
How Much Power Can A 6l80 Handle How Much Power Can A 10 Bolt Hold An auto car is much. Hey guys so i have a 8.2 10 bolt with 3.08 gears in my 1st gen and i am wondering how much hp/torque it can handle i have heard. I am thinking about turning my 350 into a 383, but am not sure if my 10 bolt factory rear end can handle the extra hp/torque.. How Much Power Can A 10 Bolt Hold.
From exovwehmx.blob.core.windows.net
How Much Power Can A K24 Handle at Lorraine Clark blog How Much Power Can A 10 Bolt Hold The 8.2 chevy 10 bolt has a 25 spline pinion and 28 spline axles. Anyone running a 10 bolt with a 383? I am thinking about turning my 350 into a 383, but am not sure if my 10 bolt factory rear end can handle the extra hp/torque. Hey guys so i have a 8.2 10 bolt with 3.08 gears. How Much Power Can A 10 Bolt Hold.
From medium.com
Get An Idea About The Types of Fasteners and Their Applications How Much Power Can A 10 Bolt Hold An auto car is much. I am thinking about turning my 350 into a 383, but am not sure if my 10 bolt factory rear end can handle the extra hp/torque. The 8.2 chevy 10 bolt has a 25 spline pinion and 28 spline axles. The 8.2 bop 10 bolt has a 27 spline pinion and 28 spline axles. It. How Much Power Can A 10 Bolt Hold.
From engineeringdiscoveries.com
Types And Shapes Of Fasteners, Nuts, Screw Head, And washers How Much Power Can A 10 Bolt Hold An auto car is much. They can't handle much, but it really depends on how you make the power more than how much you make. The 8.2 bop 10 bolt has a 27 spline pinion and 28 spline axles. I am thinking about turning my 350 into a 383, but am not sure if my 10 bolt factory rear end. How Much Power Can A 10 Bolt Hold.
From www.pinterest.com
stainless steel bolts grades and markings Fastener Markings Bolts How Much Power Can A 10 Bolt Hold Metric bolt grades and strength calculator to show proof strength, tensile strength, vickers / brinell hardness, minimum breaking torque and stress. An auto car is much. It is known for its durability and strength, making it a popular choice for various. They can't handle much, but it really depends on how you make the power more than how much you. How Much Power Can A 10 Bolt Hold.
From www.youtube.com
How To Calculate the Horsepower Rating HP Rating single phase YouTube How Much Power Can A 10 Bolt Hold They can't handle much, but it really depends on how you make the power more than how much you make. The 8.2 bop 10 bolt has a 27 spline pinion and 28 spline axles. It is known for its durability and strength, making it a popular choice for various. Hey guys so i have a 8.2 10 bolt with 3.08. How Much Power Can A 10 Bolt Hold.
From www.mudgefasteners.com
Deciphering Bolt Head Markings How Much Power Can A 10 Bolt Hold The 8.2 chevy 10 bolt has a 25 spline pinion and 28 spline axles. Metric bolt grades and strength calculator to show proof strength, tensile strength, vickers / brinell hardness, minimum breaking torque and stress. They can't handle much, but it really depends on how you make the power more than how much you make. Hey guys so i have. How Much Power Can A 10 Bolt Hold.
From www.drivingline.com
Boiling Point How Much Power Can My Stock Turbo Handle? DrivingLine How Much Power Can A 10 Bolt Hold They can't handle much, but it really depends on how you make the power more than how much you make. I am thinking about turning my 350 into a 383, but am not sure if my 10 bolt factory rear end can handle the extra hp/torque. Anyone running a 10 bolt with a 383? The 8.2 bop 10 bolt has. How Much Power Can A 10 Bolt Hold.
From hxelzxmiu.blob.core.windows.net
Anchor Bolt Drill Chart at James Sweetman blog How Much Power Can A 10 Bolt Hold Metric bolt grades and strength calculator to show proof strength, tensile strength, vickers / brinell hardness, minimum breaking torque and stress. They can't handle much, but it really depends on how you make the power more than how much you make. It is known for its durability and strength, making it a popular choice for various. I am thinking about. How Much Power Can A 10 Bolt Hold.
From www.allfast.co.nz
Torque Settings (Imperial Bolts) Allfast Solutions How Much Power Can A 10 Bolt Hold The 8.2 bop 10 bolt has a 27 spline pinion and 28 spline axles. Anyone running a 10 bolt with a 383? It is known for its durability and strength, making it a popular choice for various. An auto car is much. The 8.2 chevy 10 bolt has a 25 spline pinion and 28 spline axles. Metric bolt grades and. How Much Power Can A 10 Bolt Hold.
From innovationdiscoveries.space
Deciphering Bolt Head Markings Short Guide How Much Power Can A 10 Bolt Hold Anyone running a 10 bolt with a 383? The 8.2 bop 10 bolt has a 27 spline pinion and 28 spline axles. Metric bolt grades and strength calculator to show proof strength, tensile strength, vickers / brinell hardness, minimum breaking torque and stress. Hey guys so i have a 8.2 10 bolt with 3.08 gears in my 1st gen and. How Much Power Can A 10 Bolt Hold.
From www.gearrice.com
How Much Power Is Consumed By The Indicator On The Switchboard, It How Much Power Can A 10 Bolt Hold Anyone running a 10 bolt with a 383? An auto car is much. They can't handle much, but it really depends on how you make the power more than how much you make. Hey guys so i have a 8.2 10 bolt with 3.08 gears in my 1st gen and i am wondering how much hp/torque it can handle i. How Much Power Can A 10 Bolt Hold.
From www.edugeek.net
Know Your Bolts How Much Power Can A 10 Bolt Hold Metric bolt grades and strength calculator to show proof strength, tensile strength, vickers / brinell hardness, minimum breaking torque and stress. It is known for its durability and strength, making it a popular choice for various. An auto car is much. Anyone running a 10 bolt with a 383? They can't handle much, but it really depends on how you. How Much Power Can A 10 Bolt Hold.
From edebmaribelle.pages.dev
How Much House Power Does A 2024 6.6 Haverhill Orel Tracey How Much Power Can A 10 Bolt Hold They can't handle much, but it really depends on how you make the power more than how much you make. An auto car is much. It is known for its durability and strength, making it a popular choice for various. The 8.2 chevy 10 bolt has a 25 spline pinion and 28 spline axles. Metric bolt grades and strength calculator. How Much Power Can A 10 Bolt Hold.
From www.youtube.com
How much power can your FT14043 & FT24043 End Fed Half Wave How Much Power Can A 10 Bolt Hold Hey guys so i have a 8.2 10 bolt with 3.08 gears in my 1st gen and i am wondering how much hp/torque it can handle i have heard. Anyone running a 10 bolt with a 383? They can't handle much, but it really depends on how you make the power more than how much you make. The 8.2 chevy. How Much Power Can A 10 Bolt Hold.
From powerclues.com
How Fast Does an Alternator Have to Turn to Produce Power? Power Clues How Much Power Can A 10 Bolt Hold An auto car is much. It is known for its durability and strength, making it a popular choice for various. Hey guys so i have a 8.2 10 bolt with 3.08 gears in my 1st gen and i am wondering how much hp/torque it can handle i have heard. The 8.2 chevy 10 bolt has a 25 spline pinion and. How Much Power Can A 10 Bolt Hold.
From fyothzknz.blob.core.windows.net
How Much Does It Cost To Air Condition A Bedroom at Viola Fudge blog How Much Power Can A 10 Bolt Hold The 8.2 chevy 10 bolt has a 25 spline pinion and 28 spline axles. It is known for its durability and strength, making it a popular choice for various. An auto car is much. I am thinking about turning my 350 into a 383, but am not sure if my 10 bolt factory rear end can handle the extra hp/torque.. How Much Power Can A 10 Bolt Hold.
From www.familyhandyman.com
How to Loosen Nuts, Bolts and Screws The Family Handyman How Much Power Can A 10 Bolt Hold It is known for its durability and strength, making it a popular choice for various. I am thinking about turning my 350 into a 383, but am not sure if my 10 bolt factory rear end can handle the extra hp/torque. Metric bolt grades and strength calculator to show proof strength, tensile strength, vickers / brinell hardness, minimum breaking torque. How Much Power Can A 10 Bolt Hold.
From www.pinterest.es
Types of Nuts, Bolts, Screws coolguides Garage tools, Screws and How Much Power Can A 10 Bolt Hold I am thinking about turning my 350 into a 383, but am not sure if my 10 bolt factory rear end can handle the extra hp/torque. Metric bolt grades and strength calculator to show proof strength, tensile strength, vickers / brinell hardness, minimum breaking torque and stress. The 8.2 chevy 10 bolt has a 25 spline pinion and 28 spline. How Much Power Can A 10 Bolt Hold.
From hxehrfnyg.blob.core.windows.net
How Many Days Should A 3 Year Old Have A Fever at Gladys Reese blog How Much Power Can A 10 Bolt Hold Metric bolt grades and strength calculator to show proof strength, tensile strength, vickers / brinell hardness, minimum breaking torque and stress. An auto car is much. Hey guys so i have a 8.2 10 bolt with 3.08 gears in my 1st gen and i am wondering how much hp/torque it can handle i have heard. The 8.2 chevy 10 bolt. How Much Power Can A 10 Bolt Hold.
From www.pinterest.com
Bolt Dimensions Metric bolt sizes, Metric bolt size chart, Bolt How Much Power Can A 10 Bolt Hold I am thinking about turning my 350 into a 383, but am not sure if my 10 bolt factory rear end can handle the extra hp/torque. Metric bolt grades and strength calculator to show proof strength, tensile strength, vickers / brinell hardness, minimum breaking torque and stress. Hey guys so i have a 8.2 10 bolt with 3.08 gears in. How Much Power Can A 10 Bolt Hold.
From www.youtube.com
How Much Power Can Bolt On Upgrades Add To a F150 Sport Truck? Music How Much Power Can A 10 Bolt Hold Metric bolt grades and strength calculator to show proof strength, tensile strength, vickers / brinell hardness, minimum breaking torque and stress. The 8.2 bop 10 bolt has a 27 spline pinion and 28 spline axles. Anyone running a 10 bolt with a 383? Hey guys so i have a 8.2 10 bolt with 3.08 gears in my 1st gen and. How Much Power Can A 10 Bolt Hold.
From www.rvandplaya.com
How Many Amps Can a 10 Gauge Wire Handle (220 Volts) How Much Power Can A 10 Bolt Hold An auto car is much. Metric bolt grades and strength calculator to show proof strength, tensile strength, vickers / brinell hardness, minimum breaking torque and stress. Hey guys so i have a 8.2 10 bolt with 3.08 gears in my 1st gen and i am wondering how much hp/torque it can handle i have heard. They can't handle much, but. How Much Power Can A 10 Bolt Hold.
From www.chegg.com
Solved ** Hint for part b) To determine how much power How Much Power Can A 10 Bolt Hold Hey guys so i have a 8.2 10 bolt with 3.08 gears in my 1st gen and i am wondering how much hp/torque it can handle i have heard. It is known for its durability and strength, making it a popular choice for various. They can't handle much, but it really depends on how you make the power more than. How Much Power Can A 10 Bolt Hold.