Yamaha Ys624 Parts Diagram . The manual also details more. In the chart below, the parts are connected by arrow marks in the order of disassembly. Our snowblower service manual for the ys624 and ys828 will walk you through the basic service procedures. Yamaha ys624t exploded view parts lookup by model. It is easy and free You can see at a glance what parts will have to be. Complete exploded views of all the major manufacturers. All parts are genuine yamaha factory replacement parts. Official yamaha parts list easy repairs with oem diagrams free acccess to parts fiches for yamaha ys624t snow thrower 1988.
from www.cmsnl.com
In the chart below, the parts are connected by arrow marks in the order of disassembly. The manual also details more. It is easy and free All parts are genuine yamaha factory replacement parts. Complete exploded views of all the major manufacturers. Our snowblower service manual for the ys624 and ys828 will walk you through the basic service procedures. Yamaha ys624t exploded view parts lookup by model. You can see at a glance what parts will have to be. Official yamaha parts list easy repairs with oem diagrams free acccess to parts fiches for yamaha ys624t snow thrower 1988.
Yamaha Ys624tm Snow Blower 1988 Transmission 1 schematic partsfiche
Yamaha Ys624 Parts Diagram Official yamaha parts list easy repairs with oem diagrams free acccess to parts fiches for yamaha ys624t snow thrower 1988. Yamaha ys624t exploded view parts lookup by model. All parts are genuine yamaha factory replacement parts. Our snowblower service manual for the ys624 and ys828 will walk you through the basic service procedures. The manual also details more. You can see at a glance what parts will have to be. Official yamaha parts list easy repairs with oem diagrams free acccess to parts fiches for yamaha ys624t snow thrower 1988. In the chart below, the parts are connected by arrow marks in the order of disassembly. It is easy and free Complete exploded views of all the major manufacturers.
From www.cmsnl.com
Yamaha Ys624tm Snow Blower 1988 Track Suspension 1 schematic partsfiche Yamaha Ys624 Parts Diagram You can see at a glance what parts will have to be. Yamaha ys624t exploded view parts lookup by model. It is easy and free Complete exploded views of all the major manufacturers. The manual also details more. In the chart below, the parts are connected by arrow marks in the order of disassembly. Our snowblower service manual for the. Yamaha Ys624 Parts Diagram.
From blog.yamahagenuineparts.com
Yamaha YS828 YS624 Snowblower Fuel Petcock Assembly Yamaha Ys624 Parts Diagram Our snowblower service manual for the ys624 and ys828 will walk you through the basic service procedures. You can see at a glance what parts will have to be. Yamaha ys624t exploded view parts lookup by model. It is easy and free In the chart below, the parts are connected by arrow marks in the order of disassembly. Complete exploded. Yamaha Ys624 Parts Diagram.
From www.jackssmallengines.com
Yamaha YS624TEN Parts Diagram for TRANSMISSION 1 Yamaha Ys624 Parts Diagram Yamaha ys624t exploded view parts lookup by model. You can see at a glance what parts will have to be. Our snowblower service manual for the ys624 and ys828 will walk you through the basic service procedures. In the chart below, the parts are connected by arrow marks in the order of disassembly. The manual also details more. Complete exploded. Yamaha Ys624 Parts Diagram.
From www.cmsnl.com
Yamaha Ys624w Snow Thrower 1988 Fuel Tank schematic partsfiche Yamaha Ys624 Parts Diagram All parts are genuine yamaha factory replacement parts. Official yamaha parts list easy repairs with oem diagrams free acccess to parts fiches for yamaha ys624t snow thrower 1988. You can see at a glance what parts will have to be. It is easy and free The manual also details more. Yamaha ys624t exploded view parts lookup by model. Complete exploded. Yamaha Ys624 Parts Diagram.
From www.jackssmallengines.com
Yamaha YS624TEC Parts Diagram for TRANSMISSION 2 Yamaha Ys624 Parts Diagram The manual also details more. Official yamaha parts list easy repairs with oem diagrams free acccess to parts fiches for yamaha ys624t snow thrower 1988. All parts are genuine yamaha factory replacement parts. Our snowblower service manual for the ys624 and ys828 will walk you through the basic service procedures. In the chart below, the parts are connected by arrow. Yamaha Ys624 Parts Diagram.
From www.jackssmallengines.com
Yamaha YS624T Parts Diagram for AIR SHROUDSTARTER Yamaha Ys624 Parts Diagram You can see at a glance what parts will have to be. The manual also details more. In the chart below, the parts are connected by arrow marks in the order of disassembly. All parts are genuine yamaha factory replacement parts. Yamaha ys624t exploded view parts lookup by model. It is easy and free Our snowblower service manual for the. Yamaha Ys624 Parts Diagram.
From www.cmsnl.com
Yamaha YS624T SNOW THROWER 1988 GENERATOR buy original GENERATOR Yamaha Ys624 Parts Diagram Yamaha ys624t exploded view parts lookup by model. You can see at a glance what parts will have to be. Official yamaha parts list easy repairs with oem diagrams free acccess to parts fiches for yamaha ys624t snow thrower 1988. In the chart below, the parts are connected by arrow marks in the order of disassembly. All parts are genuine. Yamaha Ys624 Parts Diagram.
From www.cmsnl.com
Yamaha Ys624tm Snow Blower 1988 Transmission 1 schematic partsfiche Yamaha Ys624 Parts Diagram All parts are genuine yamaha factory replacement parts. Our snowblower service manual for the ys624 and ys828 will walk you through the basic service procedures. Official yamaha parts list easy repairs with oem diagrams free acccess to parts fiches for yamaha ys624t snow thrower 1988. Complete exploded views of all the major manufacturers. The manual also details more. You can. Yamaha Ys624 Parts Diagram.
From www.cmsnl.com
Yamaha YS624TM SNOW BLOWER 1988 STEERINGLINK buy original STEERING Yamaha Ys624 Parts Diagram It is easy and free Our snowblower service manual for the ys624 and ys828 will walk you through the basic service procedures. Official yamaha parts list easy repairs with oem diagrams free acccess to parts fiches for yamaha ys624t snow thrower 1988. Complete exploded views of all the major manufacturers. You can see at a glance what parts will have. Yamaha Ys624 Parts Diagram.
From www.cmsnl.com
Yamaha YS624TC/TEC 1994 INTAKE buy original INTAKE spares online Yamaha Ys624 Parts Diagram Complete exploded views of all the major manufacturers. It is easy and free Official yamaha parts list easy repairs with oem diagrams free acccess to parts fiches for yamaha ys624t snow thrower 1988. All parts are genuine yamaha factory replacement parts. The manual also details more. Our snowblower service manual for the ys624 and ys828 will walk you through the. Yamaha Ys624 Parts Diagram.
From www.cmsnl.com
Yamaha Ys624tm Snow Blower 1988 Chute Control Lever schematic partsfiche Yamaha Ys624 Parts Diagram Our snowblower service manual for the ys624 and ys828 will walk you through the basic service procedures. Official yamaha parts list easy repairs with oem diagrams free acccess to parts fiches for yamaha ys624t snow thrower 1988. Yamaha ys624t exploded view parts lookup by model. It is easy and free In the chart below, the parts are connected by arrow. Yamaha Ys624 Parts Diagram.
From www.cmsnl.com
Yamaha YS624T SNOW THROWER 1988 STEERINGLINK buy original STEERING Yamaha Ys624 Parts Diagram Complete exploded views of all the major manufacturers. Yamaha ys624t exploded view parts lookup by model. In the chart below, the parts are connected by arrow marks in the order of disassembly. Official yamaha parts list easy repairs with oem diagrams free acccess to parts fiches for yamaha ys624t snow thrower 1988. All parts are genuine yamaha factory replacement parts.. Yamaha Ys624 Parts Diagram.
From www.cmsnl.com
Yamaha Ys624t Snow Thrower 1988 Vbeltpulley schematic partsfiche Yamaha Ys624 Parts Diagram Official yamaha parts list easy repairs with oem diagrams free acccess to parts fiches for yamaha ys624t snow thrower 1988. Our snowblower service manual for the ys624 and ys828 will walk you through the basic service procedures. The manual also details more. In the chart below, the parts are connected by arrow marks in the order of disassembly. Complete exploded. Yamaha Ys624 Parts Diagram.
From www.cmsnl.com
Yamaha YS624T SNOW THROWER 1988 CONTROL BOX (79N700101) buy original Yamaha Ys624 Parts Diagram All parts are genuine yamaha factory replacement parts. The manual also details more. Complete exploded views of all the major manufacturers. Our snowblower service manual for the ys624 and ys828 will walk you through the basic service procedures. You can see at a glance what parts will have to be. Official yamaha parts list easy repairs with oem diagrams free. Yamaha Ys624 Parts Diagram.
From www.cmsnl.com
Yamaha YS624T SNOW THROWER 1988 BODY(79N700101) buy original BODY Yamaha Ys624 Parts Diagram In the chart below, the parts are connected by arrow marks in the order of disassembly. Official yamaha parts list easy repairs with oem diagrams free acccess to parts fiches for yamaha ys624t snow thrower 1988. It is easy and free Our snowblower service manual for the ys624 and ys828 will walk you through the basic service procedures. The manual. Yamaha Ys624 Parts Diagram.
From www.jackssmallengines.com
Yamaha YS624WM Parts Diagram for CONTROL CABLE Yamaha Ys624 Parts Diagram Complete exploded views of all the major manufacturers. You can see at a glance what parts will have to be. Yamaha ys624t exploded view parts lookup by model. It is easy and free Our snowblower service manual for the ys624 and ys828 will walk you through the basic service procedures. In the chart below, the parts are connected by arrow. Yamaha Ys624 Parts Diagram.
From www.cmsnl.com
Yamaha YS624T SNOW THROWER 1988 CAMSHAFTVALVE buy original CAMSHAFT Yamaha Ys624 Parts Diagram Official yamaha parts list easy repairs with oem diagrams free acccess to parts fiches for yamaha ys624t snow thrower 1988. In the chart below, the parts are connected by arrow marks in the order of disassembly. Our snowblower service manual for the ys624 and ys828 will walk you through the basic service procedures. Yamaha ys624t exploded view parts lookup by. Yamaha Ys624 Parts Diagram.
From www.cmsnl.com
Yamaha Ys624t Snow Thrower 1988 Carburetorair Filter schematic Yamaha Ys624 Parts Diagram You can see at a glance what parts will have to be. In the chart below, the parts are connected by arrow marks in the order of disassembly. Complete exploded views of all the major manufacturers. The manual also details more. All parts are genuine yamaha factory replacement parts. Our snowblower service manual for the ys624 and ys828 will walk. Yamaha Ys624 Parts Diagram.
From www.partzilla.com
Yamaha Power Equipment YS624TEC OEM Parts Diagram for Cylinder Yamaha Ys624 Parts Diagram Our snowblower service manual for the ys624 and ys828 will walk you through the basic service procedures. In the chart below, the parts are connected by arrow marks in the order of disassembly. You can see at a glance what parts will have to be. The manual also details more. Complete exploded views of all the major manufacturers. It is. Yamaha Ys624 Parts Diagram.
From www.cmsnl.com
Yamaha Ys624tm Snow Blower 1988 Air Filtercarburetor schematic Yamaha Ys624 Parts Diagram Complete exploded views of all the major manufacturers. Our snowblower service manual for the ys624 and ys828 will walk you through the basic service procedures. All parts are genuine yamaha factory replacement parts. You can see at a glance what parts will have to be. In the chart below, the parts are connected by arrow marks in the order of. Yamaha Ys624 Parts Diagram.
From www.cmsnl.com
Yamaha Ys624tm Snow Blower 1988 Cylindercrankcase schematic partsfiche Yamaha Ys624 Parts Diagram Official yamaha parts list easy repairs with oem diagrams free acccess to parts fiches for yamaha ys624t snow thrower 1988. Complete exploded views of all the major manufacturers. You can see at a glance what parts will have to be. Yamaha ys624t exploded view parts lookup by model. In the chart below, the parts are connected by arrow marks in. Yamaha Ys624 Parts Diagram.
From www.cmsnl.com
Yamaha Ys624tm Snow Blower 1988 Air Filtercarburetor schematic Yamaha Ys624 Parts Diagram Yamaha ys624t exploded view parts lookup by model. You can see at a glance what parts will have to be. All parts are genuine yamaha factory replacement parts. Official yamaha parts list easy repairs with oem diagrams free acccess to parts fiches for yamaha ys624t snow thrower 1988. It is easy and free The manual also details more. In the. Yamaha Ys624 Parts Diagram.
From www.cmsnl.com
Yamaha YS624T SNOW THROWER 1988 CONTROLCABLE (79N700100) buy Yamaha Ys624 Parts Diagram It is easy and free Our snowblower service manual for the ys624 and ys828 will walk you through the basic service procedures. Complete exploded views of all the major manufacturers. All parts are genuine yamaha factory replacement parts. Official yamaha parts list easy repairs with oem diagrams free acccess to parts fiches for yamaha ys624t snow thrower 1988. You can. Yamaha Ys624 Parts Diagram.
From www.jackssmallengines.com
Yamaha YS624TEA Parts Diagram for STEERING LINK Yamaha Ys624 Parts Diagram Complete exploded views of all the major manufacturers. Yamaha ys624t exploded view parts lookup by model. You can see at a glance what parts will have to be. All parts are genuine yamaha factory replacement parts. Our snowblower service manual for the ys624 and ys828 will walk you through the basic service procedures. It is easy and free Official yamaha. Yamaha Ys624 Parts Diagram.
From www.cmsnl.com
Yamaha Ys624tm Snow Blower 1988 Fuel Tank schematic partsfiche Yamaha Ys624 Parts Diagram All parts are genuine yamaha factory replacement parts. Yamaha ys624t exploded view parts lookup by model. Complete exploded views of all the major manufacturers. Our snowblower service manual for the ys624 and ys828 will walk you through the basic service procedures. The manual also details more. You can see at a glance what parts will have to be. In the. Yamaha Ys624 Parts Diagram.
From www.cmsnl.com
Yamaha Ys624tm Snow Blower 1988 Body schematic partsfiche Yamaha Ys624 Parts Diagram It is easy and free Official yamaha parts list easy repairs with oem diagrams free acccess to parts fiches for yamaha ys624t snow thrower 1988. Yamaha ys624t exploded view parts lookup by model. All parts are genuine yamaha factory replacement parts. Our snowblower service manual for the ys624 and ys828 will walk you through the basic service procedures. In the. Yamaha Ys624 Parts Diagram.
From www.cmsnl.com
Yamaha Ys624tm Snow Blower 1988 Vbeltpulley schematic partsfiche Yamaha Ys624 Parts Diagram All parts are genuine yamaha factory replacement parts. You can see at a glance what parts will have to be. In the chart below, the parts are connected by arrow marks in the order of disassembly. Our snowblower service manual for the ys624 and ys828 will walk you through the basic service procedures. Yamaha ys624t exploded view parts lookup by. Yamaha Ys624 Parts Diagram.
From workshopjackson123.z19.web.core.windows.net
Yamaha Ys624 Snowblower Parts Yamaha Ys624 Parts Diagram All parts are genuine yamaha factory replacement parts. It is easy and free Official yamaha parts list easy repairs with oem diagrams free acccess to parts fiches for yamaha ys624t snow thrower 1988. Our snowblower service manual for the ys624 and ys828 will walk you through the basic service procedures. The manual also details more. In the chart below, the. Yamaha Ys624 Parts Diagram.
From www.cmsnl.com
Yamaha YS624T SNOW THROWER 1988 CRANKSHAFTPISTON buy original Yamaha Ys624 Parts Diagram Official yamaha parts list easy repairs with oem diagrams free acccess to parts fiches for yamaha ys624t snow thrower 1988. Yamaha ys624t exploded view parts lookup by model. In the chart below, the parts are connected by arrow marks in the order of disassembly. All parts are genuine yamaha factory replacement parts. It is easy and free Complete exploded views. Yamaha Ys624 Parts Diagram.
From www.cmsnl.com
Yamaha YS624T SNOW THROWER 1988 CHUTE CONTROL LEVER buy original Yamaha Ys624 Parts Diagram The manual also details more. Complete exploded views of all the major manufacturers. Our snowblower service manual for the ys624 and ys828 will walk you through the basic service procedures. All parts are genuine yamaha factory replacement parts. Yamaha ys624t exploded view parts lookup by model. Official yamaha parts list easy repairs with oem diagrams free acccess to parts fiches. Yamaha Ys624 Parts Diagram.
From www.cmsnl.com
Yamaha Ys624tm Snow Blower 1988 Governor schematic partsfiche Yamaha Ys624 Parts Diagram In the chart below, the parts are connected by arrow marks in the order of disassembly. Yamaha ys624t exploded view parts lookup by model. It is easy and free You can see at a glance what parts will have to be. Our snowblower service manual for the ys624 and ys828 will walk you through the basic service procedures. Official yamaha. Yamaha Ys624 Parts Diagram.
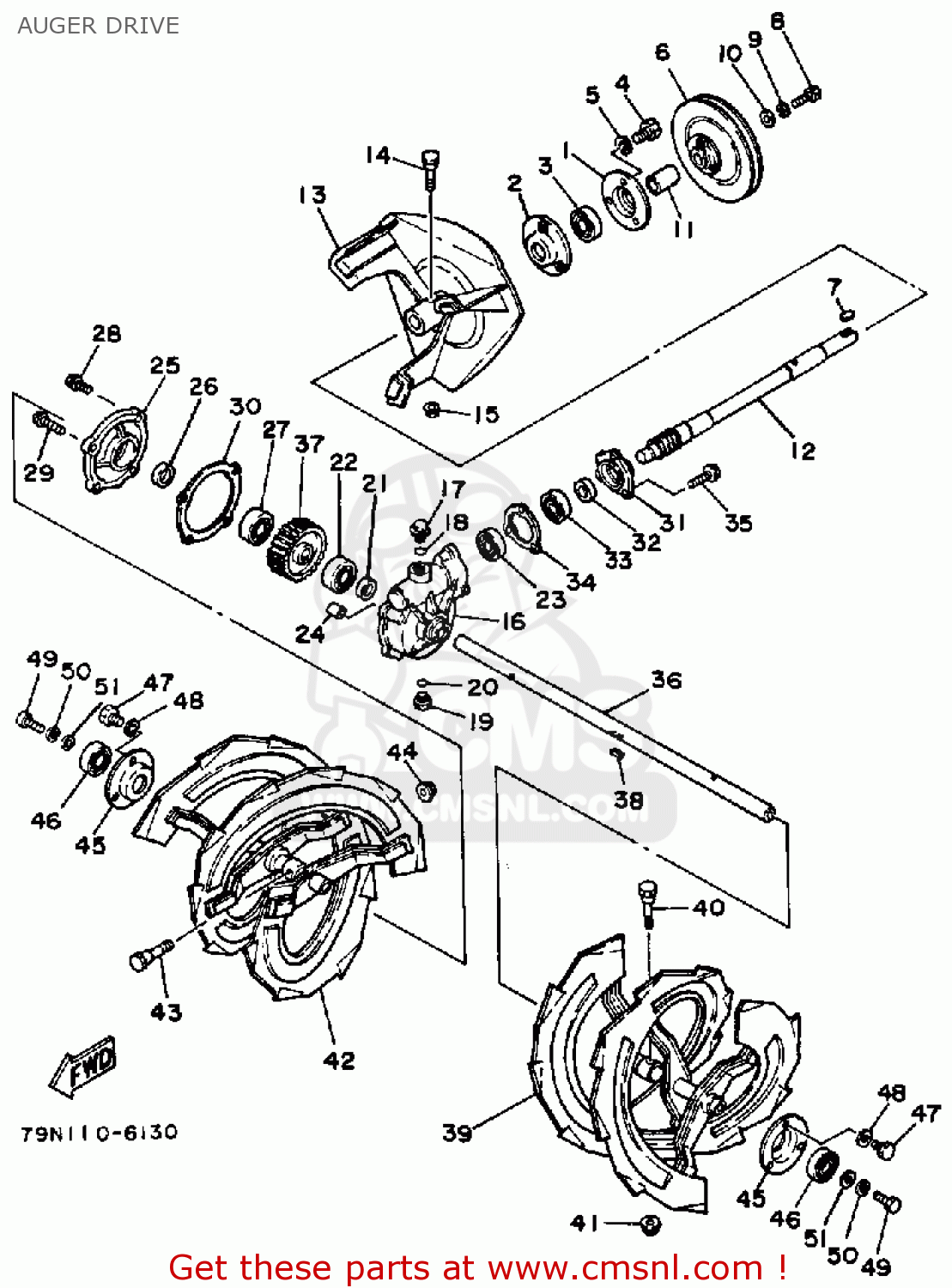
From www.cmsnl.com
Yamaha YS624W SNOW THROWER 1988 AUGER DRIVE buy original AUGER DRIVE Yamaha Ys624 Parts Diagram Official yamaha parts list easy repairs with oem diagrams free acccess to parts fiches for yamaha ys624t snow thrower 1988. Yamaha ys624t exploded view parts lookup by model. Our snowblower service manual for the ys624 and ys828 will walk you through the basic service procedures. In the chart below, the parts are connected by arrow marks in the order of. Yamaha Ys624 Parts Diagram.
From www.cmsnl.com
Yamaha YS624W SNOW THROWER 1988 TRANSMISSION 1 buy original Yamaha Ys624 Parts Diagram The manual also details more. Official yamaha parts list easy repairs with oem diagrams free acccess to parts fiches for yamaha ys624t snow thrower 1988. Our snowblower service manual for the ys624 and ys828 will walk you through the basic service procedures. All parts are genuine yamaha factory replacement parts. You can see at a glance what parts will have. Yamaha Ys624 Parts Diagram.
From www.cmsnl.com
Yamaha YS624TM SNOW BLOWER 1988 TRANSMISSION 2 buy original Yamaha Ys624 Parts Diagram In the chart below, the parts are connected by arrow marks in the order of disassembly. All parts are genuine yamaha factory replacement parts. It is easy and free Our snowblower service manual for the ys624 and ys828 will walk you through the basic service procedures. The manual also details more. Official yamaha parts list easy repairs with oem diagrams. Yamaha Ys624 Parts Diagram.