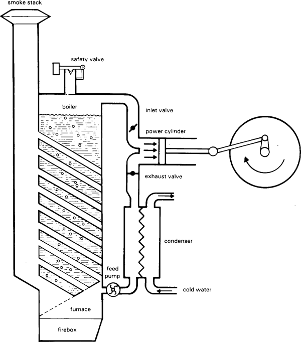
Parts Of External Combustion Engines . Whereas the external combustion of fuel takes place outside the working cylinder. As the temperature of the fluid. cylinder block is the main part of the ic (internal combustion) engine. an external combustion engine works by using an external heat source (like burning coal) to heat a working fluid (like water). The internal combustion of fuel takes place inside the working cylinder. an external combustion engine (ec engine) is a heat engine where a working fluid, contained internally, is heated by. an external combustion engine is a heat engine where an (internal) working fluid is heated by combustion of an external source, through. dive into the intricate world of external combustion engines as this comprehensive guide presents an explicit explanation of. the varies differences between the internal combustion engine and the external combustion engine is as follows: It is the part where all the functions of the engine take place inside it, such as intake, suction,.
from contest.techbriefs.com
an external combustion engine works by using an external heat source (like burning coal) to heat a working fluid (like water). an external combustion engine is a heat engine where an (internal) working fluid is heated by combustion of an external source, through. As the temperature of the fluid. the varies differences between the internal combustion engine and the external combustion engine is as follows: It is the part where all the functions of the engine take place inside it, such as intake, suction,. dive into the intricate world of external combustion engines as this comprehensive guide presents an explicit explanation of. Whereas the external combustion of fuel takes place outside the working cylinder. cylinder block is the main part of the ic (internal combustion) engine. an external combustion engine (ec engine) is a heat engine where a working fluid, contained internally, is heated by. The internal combustion of fuel takes place inside the working cylinder.
External Combustion Engine
Parts Of External Combustion Engines cylinder block is the main part of the ic (internal combustion) engine. the varies differences between the internal combustion engine and the external combustion engine is as follows: an external combustion engine works by using an external heat source (like burning coal) to heat a working fluid (like water). cylinder block is the main part of the ic (internal combustion) engine. an external combustion engine is a heat engine where an (internal) working fluid is heated by combustion of an external source, through. As the temperature of the fluid. dive into the intricate world of external combustion engines as this comprehensive guide presents an explicit explanation of. The internal combustion of fuel takes place inside the working cylinder. It is the part where all the functions of the engine take place inside it, such as intake, suction,. an external combustion engine (ec engine) is a heat engine where a working fluid, contained internally, is heated by. Whereas the external combustion of fuel takes place outside the working cylinder.
From mechanicstips.blogspot.com
Engine Components MechanicsTips Parts Of External Combustion Engines an external combustion engine works by using an external heat source (like burning coal) to heat a working fluid (like water). The internal combustion of fuel takes place inside the working cylinder. an external combustion engine is a heat engine where an (internal) working fluid is heated by combustion of an external source, through. the varies differences. Parts Of External Combustion Engines.
From workshopfixkermesytkr.z21.web.core.windows.net
Engine Basic Components Exploded View Parts Of External Combustion Engines Whereas the external combustion of fuel takes place outside the working cylinder. dive into the intricate world of external combustion engines as this comprehensive guide presents an explicit explanation of. an external combustion engine is a heat engine where an (internal) working fluid is heated by combustion of an external source, through. As the temperature of the fluid.. Parts Of External Combustion Engines.
From study.com
External Combustion Engine Types & Parts Lesson Parts Of External Combustion Engines It is the part where all the functions of the engine take place inside it, such as intake, suction,. dive into the intricate world of external combustion engines as this comprehensive guide presents an explicit explanation of. an external combustion engine works by using an external heat source (like burning coal) to heat a working fluid (like water).. Parts Of External Combustion Engines.
From schematicodtautobuses5n.z4.web.core.windows.net
Combustion Engine Circuit Diagram Parts Of External Combustion Engines It is the part where all the functions of the engine take place inside it, such as intake, suction,. Whereas the external combustion of fuel takes place outside the working cylinder. As the temperature of the fluid. an external combustion engine works by using an external heat source (like burning coal) to heat a working fluid (like water). . Parts Of External Combustion Engines.
From ar.inspiredpencil.com
External Combustion Engine Diagram Parts Of External Combustion Engines dive into the intricate world of external combustion engines as this comprehensive guide presents an explicit explanation of. an external combustion engine works by using an external heat source (like burning coal) to heat a working fluid (like water). The internal combustion of fuel takes place inside the working cylinder. Whereas the external combustion of fuel takes place. Parts Of External Combustion Engines.
From www.thevehiclelab.com
How to Pump Gas A Step By Step Guide The Vehicle Lab Parts Of External Combustion Engines an external combustion engine is a heat engine where an (internal) working fluid is heated by combustion of an external source, through. cylinder block is the main part of the ic (internal combustion) engine. the varies differences between the internal combustion engine and the external combustion engine is as follows: Whereas the external combustion of fuel takes. Parts Of External Combustion Engines.
From www.slideserve.com
PPT Engine Fundamentals PowerPoint Presentation, free download ID Parts Of External Combustion Engines an external combustion engine works by using an external heat source (like burning coal) to heat a working fluid (like water). Whereas the external combustion of fuel takes place outside the working cylinder. an external combustion engine (ec engine) is a heat engine where a working fluid, contained internally, is heated by. the varies differences between the. Parts Of External Combustion Engines.
From innobletech.blogspot.com
External Combustion engines Innoble Technologies Parts Of External Combustion Engines cylinder block is the main part of the ic (internal combustion) engine. dive into the intricate world of external combustion engines as this comprehensive guide presents an explicit explanation of. the varies differences between the internal combustion engine and the external combustion engine is as follows: As the temperature of the fluid. Whereas the external combustion of. Parts Of External Combustion Engines.
From www.youtube.com
External Combustion Engine // Mechanical & Automobile YouTube Parts Of External Combustion Engines Whereas the external combustion of fuel takes place outside the working cylinder. It is the part where all the functions of the engine take place inside it, such as intake, suction,. the varies differences between the internal combustion engine and the external combustion engine is as follows: an external combustion engine works by using an external heat source. Parts Of External Combustion Engines.
From repairmachinetshileshepl.z4.web.core.windows.net
Internal Vs External Combustion Engine Parts Of External Combustion Engines an external combustion engine works by using an external heat source (like burning coal) to heat a working fluid (like water). dive into the intricate world of external combustion engines as this comprehensive guide presents an explicit explanation of. the varies differences between the internal combustion engine and the external combustion engine is as follows: As the. Parts Of External Combustion Engines.
From basicautomobile.blogspot.com
External Combustion Engines (EC Engines) Basicautomobile Parts Of External Combustion Engines The internal combustion of fuel takes place inside the working cylinder. cylinder block is the main part of the ic (internal combustion) engine. an external combustion engine (ec engine) is a heat engine where a working fluid, contained internally, is heated by. an external combustion engine works by using an external heat source (like burning coal) to. Parts Of External Combustion Engines.
From extecpower.en.made-in-china.com
Professional Engine Assembly Machinery Parts Water Pump External Parts Of External Combustion Engines The internal combustion of fuel takes place inside the working cylinder. an external combustion engine (ec engine) is a heat engine where a working fluid, contained internally, is heated by. an external combustion engine is a heat engine where an (internal) working fluid is heated by combustion of an external source, through. an external combustion engine works. Parts Of External Combustion Engines.
From dxoxtkvom.blob.core.windows.net
External Combustion Engines Parts at Stephanie Humphreys blog Parts Of External Combustion Engines dive into the intricate world of external combustion engines as this comprehensive guide presents an explicit explanation of. It is the part where all the functions of the engine take place inside it, such as intake, suction,. The internal combustion of fuel takes place inside the working cylinder. cylinder block is the main part of the ic (internal. Parts Of External Combustion Engines.
From www.youtube.com
External combustion engine YouTube Parts Of External Combustion Engines As the temperature of the fluid. The internal combustion of fuel takes place inside the working cylinder. Whereas the external combustion of fuel takes place outside the working cylinder. It is the part where all the functions of the engine take place inside it, such as intake, suction,. cylinder block is the main part of the ic (internal combustion). Parts Of External Combustion Engines.
From www.youtube.com
How Diesel Engines Work Part 1 (Four Stroke Combustion Cycle) YouTube Parts Of External Combustion Engines The internal combustion of fuel takes place inside the working cylinder. the varies differences between the internal combustion engine and the external combustion engine is as follows: As the temperature of the fluid. It is the part where all the functions of the engine take place inside it, such as intake, suction,. Whereas the external combustion of fuel takes. Parts Of External Combustion Engines.
From fity.club
External Combustion Engines Ck12 Foundation Parts Of External Combustion Engines Whereas the external combustion of fuel takes place outside the working cylinder. cylinder block is the main part of the ic (internal combustion) engine. an external combustion engine is a heat engine where an (internal) working fluid is heated by combustion of an external source, through. The internal combustion of fuel takes place inside the working cylinder. . Parts Of External Combustion Engines.
From www.youtube.com
03 Introduction to External Combustion Engine YouTube Parts Of External Combustion Engines As the temperature of the fluid. It is the part where all the functions of the engine take place inside it, such as intake, suction,. dive into the intricate world of external combustion engines as this comprehensive guide presents an explicit explanation of. the varies differences between the internal combustion engine and the external combustion engine is as. Parts Of External Combustion Engines.
From www.researchgate.net
Scheme of twostroke external combustion engine Download Scientific Parts Of External Combustion Engines The internal combustion of fuel takes place inside the working cylinder. As the temperature of the fluid. an external combustion engine is a heat engine where an (internal) working fluid is heated by combustion of an external source, through. Whereas the external combustion of fuel takes place outside the working cylinder. the varies differences between the internal combustion. Parts Of External Combustion Engines.
From www.youtube.com
Difference Between Internal And External Combustion Engine YouTube Parts Of External Combustion Engines cylinder block is the main part of the ic (internal combustion) engine. an external combustion engine is a heat engine where an (internal) working fluid is heated by combustion of an external source, through. dive into the intricate world of external combustion engines as this comprehensive guide presents an explicit explanation of. Whereas the external combustion of. Parts Of External Combustion Engines.
From extecpower.en.made-in-china.com
6.5HP 7HP High Efficiency Spare Parts Gasoline Engine External Parts Of External Combustion Engines dive into the intricate world of external combustion engines as this comprehensive guide presents an explicit explanation of. Whereas the external combustion of fuel takes place outside the working cylinder. the varies differences between the internal combustion engine and the external combustion engine is as follows: As the temperature of the fluid. The internal combustion of fuel takes. Parts Of External Combustion Engines.
From fity.club
External Combustion Engines Ck12 Foundation Parts Of External Combustion Engines It is the part where all the functions of the engine take place inside it, such as intake, suction,. The internal combustion of fuel takes place inside the working cylinder. Whereas the external combustion of fuel takes place outside the working cylinder. As the temperature of the fluid. dive into the intricate world of external combustion engines as this. Parts Of External Combustion Engines.
From bertigamas.github.io
External Combustion Engine Adalah Meteor Parts Of External Combustion Engines It is the part where all the functions of the engine take place inside it, such as intake, suction,. cylinder block is the main part of the ic (internal combustion) engine. The internal combustion of fuel takes place inside the working cylinder. an external combustion engine is a heat engine where an (internal) working fluid is heated by. Parts Of External Combustion Engines.
From studopedia.org
Discussion. 1. Why is a steam engine called sometimes an external Parts Of External Combustion Engines an external combustion engine is a heat engine where an (internal) working fluid is heated by combustion of an external source, through. an external combustion engine (ec engine) is a heat engine where a working fluid, contained internally, is heated by. As the temperature of the fluid. It is the part where all the functions of the engine. Parts Of External Combustion Engines.
From innobletech.blogspot.com
External Combustion engines Innoble Technologies Parts Of External Combustion Engines the varies differences between the internal combustion engine and the external combustion engine is as follows: cylinder block is the main part of the ic (internal combustion) engine. It is the part where all the functions of the engine take place inside it, such as intake, suction,. dive into the intricate world of external combustion engines as. Parts Of External Combustion Engines.
From sanprojectresearch.blogspot.com
Project Research External Combustion Engine Parts Of External Combustion Engines an external combustion engine is a heat engine where an (internal) working fluid is heated by combustion of an external source, through. cylinder block is the main part of the ic (internal combustion) engine. It is the part where all the functions of the engine take place inside it, such as intake, suction,. dive into the intricate. Parts Of External Combustion Engines.
From cexqqnhr.blob.core.windows.net
How Does A Combustor Work at Marguerite Smith blog Parts Of External Combustion Engines It is the part where all the functions of the engine take place inside it, such as intake, suction,. dive into the intricate world of external combustion engines as this comprehensive guide presents an explicit explanation of. an external combustion engine works by using an external heat source (like burning coal) to heat a working fluid (like water).. Parts Of External Combustion Engines.
From www.slideserve.com
PPT Engine Fundamentals PowerPoint Presentation, free download ID Parts Of External Combustion Engines the varies differences between the internal combustion engine and the external combustion engine is as follows: It is the part where all the functions of the engine take place inside it, such as intake, suction,. an external combustion engine (ec engine) is a heat engine where a working fluid, contained internally, is heated by. As the temperature of. Parts Of External Combustion Engines.
From fixenginepapst.z19.web.core.windows.net
Diagram Of Combustion Engine Parts Of External Combustion Engines an external combustion engine (ec engine) is a heat engine where a working fluid, contained internally, is heated by. cylinder block is the main part of the ic (internal combustion) engine. As the temperature of the fluid. Whereas the external combustion of fuel takes place outside the working cylinder. the varies differences between the internal combustion engine. Parts Of External Combustion Engines.
From in.eteachers.edu.vn
Update 75+ ic engine sketch latest in.eteachers Parts Of External Combustion Engines As the temperature of the fluid. dive into the intricate world of external combustion engines as this comprehensive guide presents an explicit explanation of. an external combustion engine is a heat engine where an (internal) working fluid is heated by combustion of an external source, through. an external combustion engine works by using an external heat source. Parts Of External Combustion Engines.
From www.studocu.com
External combustion engines Mechanical engineering Studocu Parts Of External Combustion Engines an external combustion engine (ec engine) is a heat engine where a working fluid, contained internally, is heated by. Whereas the external combustion of fuel takes place outside the working cylinder. the varies differences between the internal combustion engine and the external combustion engine is as follows: The internal combustion of fuel takes place inside the working cylinder.. Parts Of External Combustion Engines.
From contest.techbriefs.com
External Combustion Engine Parts Of External Combustion Engines an external combustion engine (ec engine) is a heat engine where a working fluid, contained internally, is heated by. Whereas the external combustion of fuel takes place outside the working cylinder. It is the part where all the functions of the engine take place inside it, such as intake, suction,. the varies differences between the internal combustion engine. Parts Of External Combustion Engines.
From exoxxxpxe.blob.core.windows.net
Parts Under Engine at Austin Garcia blog Parts Of External Combustion Engines It is the part where all the functions of the engine take place inside it, such as intake, suction,. the varies differences between the internal combustion engine and the external combustion engine is as follows: an external combustion engine (ec engine) is a heat engine where a working fluid, contained internally, is heated by. Whereas the external combustion. Parts Of External Combustion Engines.
From typesofengine.com
How to Different Types of External Combustion Engines Parts Of External Combustion Engines cylinder block is the main part of the ic (internal combustion) engine. an external combustion engine (ec engine) is a heat engine where a working fluid, contained internally, is heated by. an external combustion engine is a heat engine where an (internal) working fluid is heated by combustion of an external source, through. the varies differences. Parts Of External Combustion Engines.
From medium.com
INTERNAL AND EXTERNAL COMBUSTION ENGINES ,AN OVERVIEW by Prakash Parts Of External Combustion Engines Whereas the external combustion of fuel takes place outside the working cylinder. It is the part where all the functions of the engine take place inside it, such as intake, suction,. an external combustion engine (ec engine) is a heat engine where a working fluid, contained internally, is heated by. As the temperature of the fluid. an external. Parts Of External Combustion Engines.
From typesofengine.com
How to Different Types of External Combustion Engines Parts Of External Combustion Engines an external combustion engine works by using an external heat source (like burning coal) to heat a working fluid (like water). Whereas the external combustion of fuel takes place outside the working cylinder. As the temperature of the fluid. The internal combustion of fuel takes place inside the working cylinder. cylinder block is the main part of the. Parts Of External Combustion Engines.