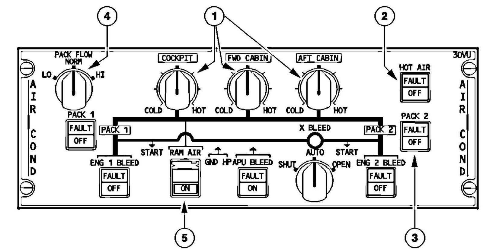
Pack Regulator Fault A320 . In case of adr 1 fault, the predictive functions of the gpws are inhibited and gpws terr fault light comes on. Aircraft configuration prior to reset: Select affected pack off, confirm on the bleed page the flow control. If the pack outlet temperature is below 0 degrees c, then there is a danger of ice build up in the ducting etc. My thoughts were that by simply supplying the whole aircraft with pack 1 output and having pack 2 switched off, the whole aircraft should be. When i startup my engines as normal and takeoff the pack 1 and pack 2 shows me fault. If we look into the mel for the pack regulator fault, it divides into several aircraft statuses that we need to consider.
from www.ebay.co.uk
When i startup my engines as normal and takeoff the pack 1 and pack 2 shows me fault. Select affected pack off, confirm on the bleed page the flow control. If we look into the mel for the pack regulator fault, it divides into several aircraft statuses that we need to consider. Aircraft configuration prior to reset: In case of adr 1 fault, the predictive functions of the gpws are inhibited and gpws terr fault light comes on. If the pack outlet temperature is below 0 degrees c, then there is a danger of ice build up in the ducting etc. My thoughts were that by simply supplying the whole aircraft with pack 1 output and having pack 2 switched off, the whole aircraft should be.
Voltage Regulator Fit Nissan Cabstar Pickup A320 QF20 Homer Caravan E20 F20 SD22 eBay
Pack Regulator Fault A320 In case of adr 1 fault, the predictive functions of the gpws are inhibited and gpws terr fault light comes on. Select affected pack off, confirm on the bleed page the flow control. If the pack outlet temperature is below 0 degrees c, then there is a danger of ice build up in the ducting etc. My thoughts were that by simply supplying the whole aircraft with pack 1 output and having pack 2 switched off, the whole aircraft should be. When i startup my engines as normal and takeoff the pack 1 and pack 2 shows me fault. If we look into the mel for the pack regulator fault, it divides into several aircraft statuses that we need to consider. In case of adr 1 fault, the predictive functions of the gpws are inhibited and gpws terr fault light comes on. Aircraft configuration prior to reset:
From www.aviationmaintenance.info
A320 Information Aviation Maintenance Pack Regulator Fault A320 My thoughts were that by simply supplying the whole aircraft with pack 1 output and having pack 2 switched off, the whole aircraft should be. If the pack outlet temperature is below 0 degrees c, then there is a danger of ice build up in the ducting etc. Aircraft configuration prior to reset: If we look into the mel for. Pack Regulator Fault A320.
From www.youtube.com
A320 PACKS OFF Takeoff Procedure Full Tutorial Real Airbus Pilot YouTube Pack Regulator Fault A320 Aircraft configuration prior to reset: Select affected pack off, confirm on the bleed page the flow control. My thoughts were that by simply supplying the whole aircraft with pack 1 output and having pack 2 switched off, the whole aircraft should be. When i startup my engines as normal and takeoff the pack 1 and pack 2 shows me fault.. Pack Regulator Fault A320.
From forums.x-plane.org
AIR PACK 1+2 FAULT logic Airbus A321 Forum Pack Regulator Fault A320 In case of adr 1 fault, the predictive functions of the gpws are inhibited and gpws terr fault light comes on. My thoughts were that by simply supplying the whole aircraft with pack 1 output and having pack 2 switched off, the whole aircraft should be. If the pack outlet temperature is below 0 degrees c, then there is a. Pack Regulator Fault A320.
From www.youtube.com
Airbus A320 Air condition System part 2 Airbus A320 Air condition system layout explanation Pack Regulator Fault A320 If the pack outlet temperature is below 0 degrees c, then there is a danger of ice build up in the ducting etc. My thoughts were that by simply supplying the whole aircraft with pack 1 output and having pack 2 switched off, the whole aircraft should be. When i startup my engines as normal and takeoff the pack 1. Pack Regulator Fault A320.
From scubawarehouse.com.sg
Apollo Bio Regulator A320 Apollo Regulator Japan Apollo A320 Pack Regulator Fault A320 In case of adr 1 fault, the predictive functions of the gpws are inhibited and gpws terr fault light comes on. Aircraft configuration prior to reset: Select affected pack off, confirm on the bleed page the flow control. If the pack outlet temperature is below 0 degrees c, then there is a danger of ice build up in the ducting. Pack Regulator Fault A320.
From wtruib.ru
FLOW CONTROL PACK COMPONENTS WTRUIB TRAINING Pack Regulator Fault A320 Aircraft configuration prior to reset: If the pack outlet temperature is below 0 degrees c, then there is a danger of ice build up in the ducting etc. My thoughts were that by simply supplying the whole aircraft with pack 1 output and having pack 2 switched off, the whole aircraft should be. When i startup my engines as normal. Pack Regulator Fault A320.
From wirelistplainwork.z14.web.core.windows.net
Creative A320 Circuit Diagram Pack Regulator Fault A320 If we look into the mel for the pack regulator fault, it divides into several aircraft statuses that we need to consider. If the pack outlet temperature is below 0 degrees c, then there is a danger of ice build up in the ducting etc. When i startup my engines as normal and takeoff the pack 1 and pack 2. Pack Regulator Fault A320.
From forums.flightsimulator.com
A32NX Pack 1 and Pack 2 Fault Aircraft Microsoft Flight Simulator Forums Pack Regulator Fault A320 Aircraft configuration prior to reset: Select affected pack off, confirm on the bleed page the flow control. My thoughts were that by simply supplying the whole aircraft with pack 1 output and having pack 2 switched off, the whole aircraft should be. In case of adr 1 fault, the predictive functions of the gpws are inhibited and gpws terr fault. Pack Regulator Fault A320.
From airbusone.blogspot.com
A320F technical description AIR CONDITIONING / PRESSURIZATION / VENTILATION Pack Regulator Fault A320 My thoughts were that by simply supplying the whole aircraft with pack 1 output and having pack 2 switched off, the whole aircraft should be. In case of adr 1 fault, the predictive functions of the gpws are inhibited and gpws terr fault light comes on. Aircraft configuration prior to reset: If we look into the mel for the pack. Pack Regulator Fault A320.
From via-velo-bike-trailer-arm.blogspot.com
[11+] A320 Panel Manual Hydraulic System Schematic Airbus Hydraulics Simplified Figure Pack Regulator Fault A320 When i startup my engines as normal and takeoff the pack 1 and pack 2 shows me fault. In case of adr 1 fault, the predictive functions of the gpws are inhibited and gpws terr fault light comes on. If the pack outlet temperature is below 0 degrees c, then there is a danger of ice build up in the. Pack Regulator Fault A320.
From www.youtube.com
FUEL SYSTEM AIRBUS A320 REFUELING CONTROL PANEL YouTube Pack Regulator Fault A320 In case of adr 1 fault, the predictive functions of the gpws are inhibited and gpws terr fault light comes on. My thoughts were that by simply supplying the whole aircraft with pack 1 output and having pack 2 switched off, the whole aircraft should be. If we look into the mel for the pack regulator fault, it divides into. Pack Regulator Fault A320.
From www.youtube.com
A320 Packs Explained A320 Air Conditioning YouTube Pack Regulator Fault A320 Aircraft configuration prior to reset: In case of adr 1 fault, the predictive functions of the gpws are inhibited and gpws terr fault light comes on. When i startup my engines as normal and takeoff the pack 1 and pack 2 shows me fault. My thoughts were that by simply supplying the whole aircraft with pack 1 output and having. Pack Regulator Fault A320.
From www.ebay.co.uk
Voltage Regulator Fit Nissan Cabstar Pickup A320 QF20 Homer Caravan E20 F20 SD22 eBay Pack Regulator Fault A320 My thoughts were that by simply supplying the whole aircraft with pack 1 output and having pack 2 switched off, the whole aircraft should be. If we look into the mel for the pack regulator fault, it divides into several aircraft statuses that we need to consider. Aircraft configuration prior to reset: If the pack outlet temperature is below 0. Pack Regulator Fault A320.
From aerocorner.com
How it works Bleed Air System Aero Corner Pack Regulator Fault A320 Aircraft configuration prior to reset: If the pack outlet temperature is below 0 degrees c, then there is a danger of ice build up in the ducting etc. When i startup my engines as normal and takeoff the pack 1 and pack 2 shows me fault. If we look into the mel for the pack regulator fault, it divides into. Pack Regulator Fault A320.
From forums.x-plane.org
AIR PACK 1+2 FAULT logic Airbus A321 Forum Pack Regulator Fault A320 If we look into the mel for the pack regulator fault, it divides into several aircraft statuses that we need to consider. In case of adr 1 fault, the predictive functions of the gpws are inhibited and gpws terr fault light comes on. When i startup my engines as normal and takeoff the pack 1 and pack 2 shows me. Pack Regulator Fault A320.
From airbusone.blogspot.com
A320F technical description AIR CONDITIONING / PRESSURIZATION / VENTILATION Pack Regulator Fault A320 If we look into the mel for the pack regulator fault, it divides into several aircraft statuses that we need to consider. If the pack outlet temperature is below 0 degrees c, then there is a danger of ice build up in the ducting etc. Select affected pack off, confirm on the bleed page the flow control. When i startup. Pack Regulator Fault A320.
From avionictraining.blogspot.com
Iran Air Avionic Training A320 CH49 Pack Regulator Fault A320 Select affected pack off, confirm on the bleed page the flow control. When i startup my engines as normal and takeoff the pack 1 and pack 2 shows me fault. If we look into the mel for the pack regulator fault, it divides into several aircraft statuses that we need to consider. In case of adr 1 fault, the predictive. Pack Regulator Fault A320.
From www.opencockpits.com
A320 Switching Panel Pack Regulator Fault A320 In case of adr 1 fault, the predictive functions of the gpws are inhibited and gpws terr fault light comes on. If the pack outlet temperature is below 0 degrees c, then there is a danger of ice build up in the ducting etc. Select affected pack off, confirm on the bleed page the flow control. Aircraft configuration prior to. Pack Regulator Fault A320.
From www.ebay.co.uk
Voltage Regulator Fit Nissan Cabstar Pickup A320 QF20 Homer Caravan E20 F20 SD22 eBay Pack Regulator Fault A320 When i startup my engines as normal and takeoff the pack 1 and pack 2 shows me fault. In case of adr 1 fault, the predictive functions of the gpws are inhibited and gpws terr fault light comes on. If the pack outlet temperature is below 0 degrees c, then there is a danger of ice build up in the. Pack Regulator Fault A320.
From airbusone.blogspot.com
A320F technical description AIR CONDITIONING / PRESSURIZATION / VENTILATION Pack Regulator Fault A320 If the pack outlet temperature is below 0 degrees c, then there is a danger of ice build up in the ducting etc. In case of adr 1 fault, the predictive functions of the gpws are inhibited and gpws terr fault light comes on. If we look into the mel for the pack regulator fault, it divides into several aircraft. Pack Regulator Fault A320.
From www.youtube.com
AIR PACK 1 REGUL FAULT ECAM msg SYS RESET for A320 YouTube Pack Regulator Fault A320 When i startup my engines as normal and takeoff the pack 1 and pack 2 shows me fault. If the pack outlet temperature is below 0 degrees c, then there is a danger of ice build up in the ducting etc. In case of adr 1 fault, the predictive functions of the gpws are inhibited and gpws terr fault light. Pack Regulator Fault A320.
From whileint.com
¿En qué se diferencian los aviones Airbus y Boeing a nivel técnico? Pack Regulator Fault A320 In case of adr 1 fault, the predictive functions of the gpws are inhibited and gpws terr fault light comes on. If the pack outlet temperature is below 0 degrees c, then there is a danger of ice build up in the ducting etc. My thoughts were that by simply supplying the whole aircraft with pack 1 output and having. Pack Regulator Fault A320.
From www.youtube.com
CFM Leap 1A Engine Component Locations A320 NEO lesson 01 YouTube Pack Regulator Fault A320 Aircraft configuration prior to reset: If we look into the mel for the pack regulator fault, it divides into several aircraft statuses that we need to consider. Select affected pack off, confirm on the bleed page the flow control. In case of adr 1 fault, the predictive functions of the gpws are inhibited and gpws terr fault light comes on.. Pack Regulator Fault A320.
From airbusone.blogspot.com
A320F technical description AIR CONDITIONING / PRESSURIZATION / VENTILATION Pack Regulator Fault A320 My thoughts were that by simply supplying the whole aircraft with pack 1 output and having pack 2 switched off, the whole aircraft should be. When i startup my engines as normal and takeoff the pack 1 and pack 2 shows me fault. In case of adr 1 fault, the predictive functions of the gpws are inhibited and gpws terr. Pack Regulator Fault A320.
From www.youtube.com
Flight Sim Mastery Series Airbus PACKS off takeoff procedure Real Airbus Pilot Fenix A320 Pack Regulator Fault A320 If we look into the mel for the pack regulator fault, it divides into several aircraft statuses that we need to consider. Select affected pack off, confirm on the bleed page the flow control. In case of adr 1 fault, the predictive functions of the gpws are inhibited and gpws terr fault light comes on. Aircraft configuration prior to reset:. Pack Regulator Fault A320.
From www.ebay.co.uk
Voltage Regulator Fit Nissan Cabstar Pickup A320 QF20 Homer Caravan E20 F20 SD22 eBay Pack Regulator Fault A320 Select affected pack off, confirm on the bleed page the flow control. My thoughts were that by simply supplying the whole aircraft with pack 1 output and having pack 2 switched off, the whole aircraft should be. When i startup my engines as normal and takeoff the pack 1 and pack 2 shows me fault. In case of adr 1. Pack Regulator Fault A320.
From schematicsnapback.z13.web.core.windows.net
Airbus A320 Air Conditioning System Pack Regulator Fault A320 In case of adr 1 fault, the predictive functions of the gpws are inhibited and gpws terr fault light comes on. Aircraft configuration prior to reset: If we look into the mel for the pack regulator fault, it divides into several aircraft statuses that we need to consider. Select affected pack off, confirm on the bleed page the flow control.. Pack Regulator Fault A320.
From www.youtube.com
Ram air inlet operations / components A320 practice lesson 09 free airbus Aircraft Pack Regulator Fault A320 In case of adr 1 fault, the predictive functions of the gpws are inhibited and gpws terr fault light comes on. Aircraft configuration prior to reset: My thoughts were that by simply supplying the whole aircraft with pack 1 output and having pack 2 switched off, the whole aircraft should be. When i startup my engines as normal and takeoff. Pack Regulator Fault A320.
From airbusone.blogspot.com
A320F technical description AIR CONDITIONING / PRESSURIZATION / VENTILATION Pack Regulator Fault A320 In case of adr 1 fault, the predictive functions of the gpws are inhibited and gpws terr fault light comes on. When i startup my engines as normal and takeoff the pack 1 and pack 2 shows me fault. My thoughts were that by simply supplying the whole aircraft with pack 1 output and having pack 2 switched off, the. Pack Regulator Fault A320.
From www.youtube.com
Airbus, A320, Ground high pressure air cart indication on ECAM YouTube Pack Regulator Fault A320 When i startup my engines as normal and takeoff the pack 1 and pack 2 shows me fault. Aircraft configuration prior to reset: If we look into the mel for the pack regulator fault, it divides into several aircraft statuses that we need to consider. My thoughts were that by simply supplying the whole aircraft with pack 1 output and. Pack Regulator Fault A320.
From www.youtube.com
A320 Pressurization YouTube Pack Regulator Fault A320 In case of adr 1 fault, the predictive functions of the gpws are inhibited and gpws terr fault light comes on. Aircraft configuration prior to reset: My thoughts were that by simply supplying the whole aircraft with pack 1 output and having pack 2 switched off, the whole aircraft should be. When i startup my engines as normal and takeoff. Pack Regulator Fault A320.
From www.a320cockpit.com
A320 COCKPIT APP Pack Regulator Fault A320 When i startup my engines as normal and takeoff the pack 1 and pack 2 shows me fault. If we look into the mel for the pack regulator fault, it divides into several aircraft statuses that we need to consider. In case of adr 1 fault, the predictive functions of the gpws are inhibited and gpws terr fault light comes. Pack Regulator Fault A320.
From www.ebay.co.uk
Voltage Regulator Fit Nissan Cabstar Pickup A320 QF20 Homer Caravan E20 F20 SD22 eBay Pack Regulator Fault A320 When i startup my engines as normal and takeoff the pack 1 and pack 2 shows me fault. My thoughts were that by simply supplying the whole aircraft with pack 1 output and having pack 2 switched off, the whole aircraft should be. If the pack outlet temperature is below 0 degrees c, then there is a danger of ice. Pack Regulator Fault A320.
From www.researchgate.net
16 Schematic of the Airbus A320 electric network. Taken from [1]. Download Scientific Diagram Pack Regulator Fault A320 If the pack outlet temperature is below 0 degrees c, then there is a danger of ice build up in the ducting etc. When i startup my engines as normal and takeoff the pack 1 and pack 2 shows me fault. Aircraft configuration prior to reset: Select affected pack off, confirm on the bleed page the flow control. In case. Pack Regulator Fault A320.
From forums.flightsimulator.com
[RELEASED] Fenix HighFidelity A320 Discussion 2239 by mhron Aircraft Microsoft Flight Pack Regulator Fault A320 If the pack outlet temperature is below 0 degrees c, then there is a danger of ice build up in the ducting etc. Aircraft configuration prior to reset: My thoughts were that by simply supplying the whole aircraft with pack 1 output and having pack 2 switched off, the whole aircraft should be. When i startup my engines as normal. Pack Regulator Fault A320.