Vw Golf Mk6 Abs Sensor Replacement . I inspected the wiring harness and could. the abs sensors are so crazy cheap, the best thing is to simply replace them since it's only a 10 minute job. replacing a rear wheel speed (abs) sensor on a volkswagen golf mk6. so i went ahead and replaced the abs speed sensor but the code remained. volkswagen workshop service and repair manuals: Golf mk6 abs system learn how to remove and install parts of the abs system on the front and rear axle,. buy the auto parts you need for the operation :
from www.aliexpress.com
the abs sensors are so crazy cheap, the best thing is to simply replace them since it's only a 10 minute job. Golf mk6 abs system learn how to remove and install parts of the abs system on the front and rear axle,. replacing a rear wheel speed (abs) sensor on a volkswagen golf mk6. buy the auto parts you need for the operation : so i went ahead and replaced the abs speed sensor but the code remained. I inspected the wiring harness and could. volkswagen workshop service and repair manuals:
New Front left ABS Wheel Speed Sensor WHT003857A For VW 4 Bewegung Golf MK6 Passat CC Tiguan
Vw Golf Mk6 Abs Sensor Replacement I inspected the wiring harness and could. so i went ahead and replaced the abs speed sensor but the code remained. the abs sensors are so crazy cheap, the best thing is to simply replace them since it's only a 10 minute job. replacing a rear wheel speed (abs) sensor on a volkswagen golf mk6. volkswagen workshop service and repair manuals: Golf mk6 abs system learn how to remove and install parts of the abs system on the front and rear axle,. buy the auto parts you need for the operation : I inspected the wiring harness and could.
From workshop-manuals.com
Volkswagen Service and Repair Manuals > Golf Mk6 > Brake systems ABS, ADR, TCS, EDL Vw Golf Mk6 Abs Sensor Replacement I inspected the wiring harness and could. Golf mk6 abs system learn how to remove and install parts of the abs system on the front and rear axle,. so i went ahead and replaced the abs speed sensor but the code remained. replacing a rear wheel speed (abs) sensor on a volkswagen golf mk6. buy the auto. Vw Golf Mk6 Abs Sensor Replacement.
From www.ecrater.com
BRAND NEW ABS WHEEL SPEED SENSOR **FOR VW CABRIO GOLF JETTA REAR LEFT RIGHT Vw Golf Mk6 Abs Sensor Replacement buy the auto parts you need for the operation : replacing a rear wheel speed (abs) sensor on a volkswagen golf mk6. Golf mk6 abs system learn how to remove and install parts of the abs system on the front and rear axle,. so i went ahead and replaced the abs speed sensor but the code remained.. Vw Golf Mk6 Abs Sensor Replacement.
From vwpartsinternational.com
VW Golf MK3 8v 16v GTI VR6 Front OS Right ABS Sensor New Eicher Part 1H0 927 804 VW Parts Vw Golf Mk6 Abs Sensor Replacement I inspected the wiring harness and could. the abs sensors are so crazy cheap, the best thing is to simply replace them since it's only a 10 minute job. buy the auto parts you need for the operation : Golf mk6 abs system learn how to remove and install parts of the abs system on the front and. Vw Golf Mk6 Abs Sensor Replacement.
From www.ebay.com
2012 GENUINE VW GOLF MK6 ABS PUMP CONTROL UNIT MODULE 1K0614517AT 1K0907379AJ eBay Vw Golf Mk6 Abs Sensor Replacement so i went ahead and replaced the abs speed sensor but the code remained. buy the auto parts you need for the operation : replacing a rear wheel speed (abs) sensor on a volkswagen golf mk6. volkswagen workshop service and repair manuals: I inspected the wiring harness and could. Golf mk6 abs system learn how to. Vw Golf Mk6 Abs Sensor Replacement.
From www.youtube.com
How to replace the ABS sensor Golf mk6 🚗 YouTube Vw Golf Mk6 Abs Sensor Replacement volkswagen workshop service and repair manuals: I inspected the wiring harness and could. buy the auto parts you need for the operation : Golf mk6 abs system learn how to remove and install parts of the abs system on the front and rear axle,. replacing a rear wheel speed (abs) sensor on a volkswagen golf mk6. . Vw Golf Mk6 Abs Sensor Replacement.
From picclick.co.uk
ABS SENSOR REAR Left for VW Golf Mk5 Mk6 Beetle Touran Tiguan Passat Sharan £8.99 PicClick UK Vw Golf Mk6 Abs Sensor Replacement the abs sensors are so crazy cheap, the best thing is to simply replace them since it's only a 10 minute job. I inspected the wiring harness and could. replacing a rear wheel speed (abs) sensor on a volkswagen golf mk6. so i went ahead and replaced the abs speed sensor but the code remained. Golf mk6. Vw Golf Mk6 Abs Sensor Replacement.
From shopee.com.my
Volkswagen Golf MK6 ABS Pump Engine CAV (1k0 614 517 bk) Shopee Malaysia Vw Golf Mk6 Abs Sensor Replacement volkswagen workshop service and repair manuals: I inspected the wiring harness and could. the abs sensors are so crazy cheap, the best thing is to simply replace them since it's only a 10 minute job. so i went ahead and replaced the abs speed sensor but the code remained. buy the auto parts you need for. Vw Golf Mk6 Abs Sensor Replacement.
From www.aliexpress.com
ISANCE ABS Wheel Speed Sensor Rear Left 1K0927807 WHT003859 For VW Jetta Golf GTI MK5 MK6 Passat Vw Golf Mk6 Abs Sensor Replacement the abs sensors are so crazy cheap, the best thing is to simply replace them since it's only a 10 minute job. I inspected the wiring harness and could. volkswagen workshop service and repair manuals: so i went ahead and replaced the abs speed sensor but the code remained. replacing a rear wheel speed (abs) sensor. Vw Golf Mk6 Abs Sensor Replacement.
From www.aliexpress.com
MH Electronic 7H0927803 1KD 927 803 For V W Je tta Golf MK5 MK6 Touran Passat B6 B7 A3 TT Front Vw Golf Mk6 Abs Sensor Replacement buy the auto parts you need for the operation : I inspected the wiring harness and could. Golf mk6 abs system learn how to remove and install parts of the abs system on the front and rear axle,. volkswagen workshop service and repair manuals: so i went ahead and replaced the abs speed sensor but the code. Vw Golf Mk6 Abs Sensor Replacement.
From www.aliexpress.com
TUKE Front Left Wheel Speed ABS Sensor New For VW CC Sharan Eos Scirocco Golf Jetta MK6 Passat Vw Golf Mk6 Abs Sensor Replacement the abs sensors are so crazy cheap, the best thing is to simply replace them since it's only a 10 minute job. I inspected the wiring harness and could. replacing a rear wheel speed (abs) sensor on a volkswagen golf mk6. Golf mk6 abs system learn how to remove and install parts of the abs system on the. Vw Golf Mk6 Abs Sensor Replacement.
From www.youtube.com
VW Golf Mk6 ABS Faults 01314 00668 00287 Caused By ABS Sensor Fault YouTube Vw Golf Mk6 Abs Sensor Replacement replacing a rear wheel speed (abs) sensor on a volkswagen golf mk6. I inspected the wiring harness and could. the abs sensors are so crazy cheap, the best thing is to simply replace them since it's only a 10 minute job. so i went ahead and replaced the abs speed sensor but the code remained. volkswagen. Vw Golf Mk6 Abs Sensor Replacement.
From www.aliexpress.com
beler 1Pc Black ABS Plastic Auto Headlight Sensor Module for VW Golf Jetta MK5 MK6 GTI 5 6 Vw Golf Mk6 Abs Sensor Replacement Golf mk6 abs system learn how to remove and install parts of the abs system on the front and rear axle,. the abs sensors are so crazy cheap, the best thing is to simply replace them since it's only a 10 minute job. replacing a rear wheel speed (abs) sensor on a volkswagen golf mk6. buy the. Vw Golf Mk6 Abs Sensor Replacement.
From www.autopartssupply.com.au
LH Front ABS / Wheel Speed Sensor Suit Volkswagen Golf 1.4ltr CAXA Mk6 20072013 Vw Golf Mk6 Abs Sensor Replacement replacing a rear wheel speed (abs) sensor on a volkswagen golf mk6. the abs sensors are so crazy cheap, the best thing is to simply replace them since it's only a 10 minute job. so i went ahead and replaced the abs speed sensor but the code remained. volkswagen workshop service and repair manuals: I inspected. Vw Golf Mk6 Abs Sensor Replacement.
From www.pelicanparts.com
Volkswagen Golf GTI Mk V ABS Control Module Replacement (20062009) Pelican Parts DIY Vw Golf Mk6 Abs Sensor Replacement buy the auto parts you need for the operation : the abs sensors are so crazy cheap, the best thing is to simply replace them since it's only a 10 minute job. so i went ahead and replaced the abs speed sensor but the code remained. replacing a rear wheel speed (abs) sensor on a volkswagen. Vw Golf Mk6 Abs Sensor Replacement.
From www.aliexpress.com
READXT Front Left ABS Wheel Speed Sensor For VW Passat Jetta Golf 5 MK6 Eos Amarok Caddy CC Vw Golf Mk6 Abs Sensor Replacement Golf mk6 abs system learn how to remove and install parts of the abs system on the front and rear axle,. I inspected the wiring harness and could. so i went ahead and replaced the abs speed sensor but the code remained. volkswagen workshop service and repair manuals: buy the auto parts you need for the operation. Vw Golf Mk6 Abs Sensor Replacement.
From dxogyodiq.blob.core.windows.net
Vw Golf Mk6 Abs Module at Glenn Kirby blog Vw Golf Mk6 Abs Sensor Replacement so i went ahead and replaced the abs speed sensor but the code remained. replacing a rear wheel speed (abs) sensor on a volkswagen golf mk6. the abs sensors are so crazy cheap, the best thing is to simply replace them since it's only a 10 minute job. buy the auto parts you need for the. Vw Golf Mk6 Abs Sensor Replacement.
From www.youtube.com
VW Golf mk 6 ABS sensor fault 03841 YouTube Vw Golf Mk6 Abs Sensor Replacement replacing a rear wheel speed (abs) sensor on a volkswagen golf mk6. buy the auto parts you need for the operation : volkswagen workshop service and repair manuals: Golf mk6 abs system learn how to remove and install parts of the abs system on the front and rear axle,. the abs sensors are so crazy cheap,. Vw Golf Mk6 Abs Sensor Replacement.
From www.youtube.com
VW Golf Mk6 ABS Fault 00287 Sensor Rear Right YouTube Vw Golf Mk6 Abs Sensor Replacement so i went ahead and replaced the abs speed sensor but the code remained. I inspected the wiring harness and could. the abs sensors are so crazy cheap, the best thing is to simply replace them since it's only a 10 minute job. Golf mk6 abs system learn how to remove and install parts of the abs system. Vw Golf Mk6 Abs Sensor Replacement.
From www.youtube.com
VW Golf 5 ABS light sporadic problem /how to test ABS wheel speed sensor after FIX/ YouTube Vw Golf Mk6 Abs Sensor Replacement the abs sensors are so crazy cheap, the best thing is to simply replace them since it's only a 10 minute job. I inspected the wiring harness and could. volkswagen workshop service and repair manuals: replacing a rear wheel speed (abs) sensor on a volkswagen golf mk6. buy the auto parts you need for the operation. Vw Golf Mk6 Abs Sensor Replacement.
From www.idparts.com
ABS Sensor Harness w/Brake Pad Sensor (MK5 CBEA/CJAA) (MK6 Golf/Sportwagen)(8P) 1K0927903R Vw Golf Mk6 Abs Sensor Replacement the abs sensors are so crazy cheap, the best thing is to simply replace them since it's only a 10 minute job. so i went ahead and replaced the abs speed sensor but the code remained. Golf mk6 abs system learn how to remove and install parts of the abs system on the front and rear axle,. . Vw Golf Mk6 Abs Sensor Replacement.
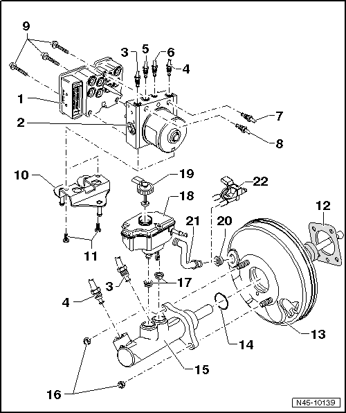
From workshop-manuals.com
Volkswagen Service and Repair Manuals > Golf Mk6 > Brake systems ABS, ADR, TCS, EDL Vw Golf Mk6 Abs Sensor Replacement buy the auto parts you need for the operation : I inspected the wiring harness and could. volkswagen workshop service and repair manuals: so i went ahead and replaced the abs speed sensor but the code remained. the abs sensors are so crazy cheap, the best thing is to simply replace them since it's only a. Vw Golf Mk6 Abs Sensor Replacement.
From www.aliexpress.com
4 Set Rear Right&Left ABS Speed Sensor For VW Passat B6 B7 Jetta Golf GTI 5 MK5 6 MK6 Tiguan Eos Vw Golf Mk6 Abs Sensor Replacement the abs sensors are so crazy cheap, the best thing is to simply replace them since it's only a 10 minute job. I inspected the wiring harness and could. Golf mk6 abs system learn how to remove and install parts of the abs system on the front and rear axle,. volkswagen workshop service and repair manuals: buy. Vw Golf Mk6 Abs Sensor Replacement.
From www.pelicanparts.com
Volkswagen Golf GTI Mk V ABS Sensor Replacement (20062009) Pelican Parts DIY Maintenance Article Vw Golf Mk6 Abs Sensor Replacement buy the auto parts you need for the operation : Golf mk6 abs system learn how to remove and install parts of the abs system on the front and rear axle,. replacing a rear wheel speed (abs) sensor on a volkswagen golf mk6. so i went ahead and replaced the abs speed sensor but the code remained.. Vw Golf Mk6 Abs Sensor Replacement.
From www.aliexpress.com
ABS Sensor For VW Beetle Eos Jetta Golf GTI MK5 MK6 Rabbit Passat B6 B7 Tiguan Audisensor Vw Golf Mk6 Abs Sensor Replacement buy the auto parts you need for the operation : volkswagen workshop service and repair manuals: the abs sensors are so crazy cheap, the best thing is to simply replace them since it's only a 10 minute job. Golf mk6 abs system learn how to remove and install parts of the abs system on the front and. Vw Golf Mk6 Abs Sensor Replacement.
From www.lazada.com.my
Volkswagen Golf MK6 ABS Pump 1K0907379BE / 1K0614517CP Lazada Vw Golf Mk6 Abs Sensor Replacement I inspected the wiring harness and could. buy the auto parts you need for the operation : so i went ahead and replaced the abs speed sensor but the code remained. the abs sensors are so crazy cheap, the best thing is to simply replace them since it's only a 10 minute job. volkswagen workshop service. Vw Golf Mk6 Abs Sensor Replacement.
From www.pelicanparts.com
Volkswagen Golf GTI Mk V ABS Sensor Replacement (20062009) Pelican Parts DIY Maintenance Article Vw Golf Mk6 Abs Sensor Replacement I inspected the wiring harness and could. buy the auto parts you need for the operation : so i went ahead and replaced the abs speed sensor but the code remained. replacing a rear wheel speed (abs) sensor on a volkswagen golf mk6. the abs sensors are so crazy cheap, the best thing is to simply. Vw Golf Mk6 Abs Sensor Replacement.
From www.aliexpress.com
YAOPEI 10PCS/Lot ABS Wheel Sensor 1K0927807 For VW Beetle Eos Jetta Golf GTI MK5 MK6 Rabbit Vw Golf Mk6 Abs Sensor Replacement volkswagen workshop service and repair manuals: buy the auto parts you need for the operation : I inspected the wiring harness and could. so i went ahead and replaced the abs speed sensor but the code remained. the abs sensors are so crazy cheap, the best thing is to simply replace them since it's only a. Vw Golf Mk6 Abs Sensor Replacement.
From www.aliexpress.com
New ABS Front Right Wheel Speed Sensor WHT003856A For VW 4 Bewegung MK6 Passat CC Golf Tiguan Vw Golf Mk6 Abs Sensor Replacement the abs sensors are so crazy cheap, the best thing is to simply replace them since it's only a 10 minute job. so i went ahead and replaced the abs speed sensor but the code remained. Golf mk6 abs system learn how to remove and install parts of the abs system on the front and rear axle,. I. Vw Golf Mk6 Abs Sensor Replacement.
From www.aliexpress.com
New Front left ABS Wheel Speed Sensor WHT003857A For VW 4 Bewegung Golf MK6 Passat CC Tiguan Vw Golf Mk6 Abs Sensor Replacement buy the auto parts you need for the operation : replacing a rear wheel speed (abs) sensor on a volkswagen golf mk6. volkswagen workshop service and repair manuals: I inspected the wiring harness and could. so i went ahead and replaced the abs speed sensor but the code remained. the abs sensors are so crazy. Vw Golf Mk6 Abs Sensor Replacement.
From www.pelicanparts.com
Volkswagen Golf GTI Mk V ABS Sensor Replacement (20062009) Pelican Parts DIY Maintenance Article Vw Golf Mk6 Abs Sensor Replacement the abs sensors are so crazy cheap, the best thing is to simply replace them since it's only a 10 minute job. buy the auto parts you need for the operation : replacing a rear wheel speed (abs) sensor on a volkswagen golf mk6. volkswagen workshop service and repair manuals: Golf mk6 abs system learn how. Vw Golf Mk6 Abs Sensor Replacement.
From www.aliexpress.com
STYO Car ABS Wheel speed sensor PLA 2.0 For VW Golf MK6 Tiguan Jetta MK6 Passat CC B7 Sharan WHT Vw Golf Mk6 Abs Sensor Replacement so i went ahead and replaced the abs speed sensor but the code remained. the abs sensors are so crazy cheap, the best thing is to simply replace them since it's only a 10 minute job. Golf mk6 abs system learn how to remove and install parts of the abs system on the front and rear axle,. I. Vw Golf Mk6 Abs Sensor Replacement.
From www.ebay.co.uk
2012 VOLKSWAGEN GOLF MK6 ABS PUMP CONTROL MODULE ECU 1K0907379BJ 1K0614517DE eBay Vw Golf Mk6 Abs Sensor Replacement buy the auto parts you need for the operation : I inspected the wiring harness and could. replacing a rear wheel speed (abs) sensor on a volkswagen golf mk6. Golf mk6 abs system learn how to remove and install parts of the abs system on the front and rear axle,. so i went ahead and replaced the. Vw Golf Mk6 Abs Sensor Replacement.
From www.ebay.co.uk
AUDI A3 VW GOLF MK6 ABS PUMP CONTROL UNIT eBay Vw Golf Mk6 Abs Sensor Replacement replacing a rear wheel speed (abs) sensor on a volkswagen golf mk6. volkswagen workshop service and repair manuals: buy the auto parts you need for the operation : I inspected the wiring harness and could. the abs sensors are so crazy cheap, the best thing is to simply replace them since it's only a 10 minute. Vw Golf Mk6 Abs Sensor Replacement.
From www.ebay.de
4x ABS Sensor Set vorne hinten links rechts für VW GOLF 5 6 EOS BEETLE SCIROCCO eBay Vw Golf Mk6 Abs Sensor Replacement buy the auto parts you need for the operation : the abs sensors are so crazy cheap, the best thing is to simply replace them since it's only a 10 minute job. so i went ahead and replaced the abs speed sensor but the code remained. replacing a rear wheel speed (abs) sensor on a volkswagen. Vw Golf Mk6 Abs Sensor Replacement.
From golf-faq.com
How To Replace Abs Module Mk6 Vw Golf Vw Golf Mk6 Abs Sensor Replacement volkswagen workshop service and repair manuals: I inspected the wiring harness and could. replacing a rear wheel speed (abs) sensor on a volkswagen golf mk6. Golf mk6 abs system learn how to remove and install parts of the abs system on the front and rear axle,. the abs sensors are so crazy cheap, the best thing is. Vw Golf Mk6 Abs Sensor Replacement.