Winch Design Calculations Pdf . Learn how to choose the.  find handouts and files for designing and manufacturing a winch system for a machine in 2.007.  designing and building winches is an area where students tend to get into trouble.  to enable the correct selection of winch, motor and gearbox, it is essential that basic application parameters as load and speed are known and.    — the document provides information about designing a winch that can withstand a maximum load of 15kn and uses a cable with a diameter of 14mm. Material handling effect on human studied in this.  this paper presents the use of drum handling equipment in the industries to reduce worker for drum handling. You must do some calculations to verify that.  after the first development of single layer wound drums by ernst, in 1970 dietz developed a calculation method for.  zollern winch gearboxes have proved highly successful under extreme operating conditions.
        
         
         
        from www.slideshare.net 
     
        
           — the document provides information about designing a winch that can withstand a maximum load of 15kn and uses a cable with a diameter of 14mm. You must do some calculations to verify that.  this paper presents the use of drum handling equipment in the industries to reduce worker for drum handling.  after the first development of single layer wound drums by ernst, in 1970 dietz developed a calculation method for. Learn how to choose the.  zollern winch gearboxes have proved highly successful under extreme operating conditions.  find handouts and files for designing and manufacturing a winch system for a machine in 2.007.  to enable the correct selection of winch, motor and gearbox, it is essential that basic application parameters as load and speed are known and. Material handling effect on human studied in this.  designing and building winches is an area where students tend to get into trouble.
    
    	
            
	
		 
	 
         
    introduction, drawing, calculation for winch design 
    Winch Design Calculations Pdf   this paper presents the use of drum handling equipment in the industries to reduce worker for drum handling. Learn how to choose the. Material handling effect on human studied in this.    — the document provides information about designing a winch that can withstand a maximum load of 15kn and uses a cable with a diameter of 14mm.  zollern winch gearboxes have proved highly successful under extreme operating conditions.  after the first development of single layer wound drums by ernst, in 1970 dietz developed a calculation method for.  find handouts and files for designing and manufacturing a winch system for a machine in 2.007.  designing and building winches is an area where students tend to get into trouble. You must do some calculations to verify that.  this paper presents the use of drum handling equipment in the industries to reduce worker for drum handling.  to enable the correct selection of winch, motor and gearbox, it is essential that basic application parameters as load and speed are known and.
            
	
		 
	 
         
 
    
         
        From www.slideshare.net 
                    introduction, drawing, calculation for winch design PDF Winch Design Calculations Pdf   designing and building winches is an area where students tend to get into trouble.  after the first development of single layer wound drums by ernst, in 1970 dietz developed a calculation method for.  find handouts and files for designing and manufacturing a winch system for a machine in 2.007. Learn how to choose the. Material handling effect. Winch Design Calculations Pdf.
     
    
         
        From www.slideshare.net 
                    introduction, drawing, calculation for winch design PDF Winch Design Calculations Pdf     — the document provides information about designing a winch that can withstand a maximum load of 15kn and uses a cable with a diameter of 14mm.  this paper presents the use of drum handling equipment in the industries to reduce worker for drum handling.  after the first development of single layer wound drums by ernst, in 1970. Winch Design Calculations Pdf.
     
    
         
        From www.slideshare.net 
                    introduction, drawing, calculation for winch design Winch Design Calculations Pdf   this paper presents the use of drum handling equipment in the industries to reduce worker for drum handling.  to enable the correct selection of winch, motor and gearbox, it is essential that basic application parameters as load and speed are known and. Learn how to choose the. Material handling effect on human studied in this.  find handouts. Winch Design Calculations Pdf.
     
    
         
        From www.slideshare.net 
                    introduction, drawing, calculation for winch design Winch Design Calculations Pdf     — the document provides information about designing a winch that can withstand a maximum load of 15kn and uses a cable with a diameter of 14mm. Material handling effect on human studied in this.  this paper presents the use of drum handling equipment in the industries to reduce worker for drum handling.  after the first development of. Winch Design Calculations Pdf.
     
    
         
        From www.slideshare.net 
                    introduction, drawing, calculation for winch design Winch Design Calculations Pdf  You must do some calculations to verify that.    — the document provides information about designing a winch that can withstand a maximum load of 15kn and uses a cable with a diameter of 14mm.  zollern winch gearboxes have proved highly successful under extreme operating conditions.  designing and building winches is an area where students tend to get. Winch Design Calculations Pdf.
     
    
         
        From www.slideshare.net 
                    introduction, drawing, calculation for winch design PDF Winch Design Calculations Pdf   designing and building winches is an area where students tend to get into trouble. You must do some calculations to verify that.  after the first development of single layer wound drums by ernst, in 1970 dietz developed a calculation method for. Material handling effect on human studied in this.  this paper presents the use of drum handling. Winch Design Calculations Pdf.
     
    
         
        From www.slideshare.net 
                    introduction, drawing, calculation for winch design Winch Design Calculations Pdf   designing and building winches is an area where students tend to get into trouble. You must do some calculations to verify that.  to enable the correct selection of winch, motor and gearbox, it is essential that basic application parameters as load and speed are known and.  find handouts and files for designing and manufacturing a winch system. Winch Design Calculations Pdf.
     
    
         
        From www.scribd.com 
                    Winch Drive Calculations Torque Transmission (Mechanics) Winch Design Calculations Pdf   to enable the correct selection of winch, motor and gearbox, it is essential that basic application parameters as load and speed are known and.  find handouts and files for designing and manufacturing a winch system for a machine in 2.007. You must do some calculations to verify that.  this paper presents the use of drum handling equipment. Winch Design Calculations Pdf.
     
    
         
        From www.slideshare.net 
                    introduction, drawing, calculation for winch design PDF Winch Design Calculations Pdf   zollern winch gearboxes have proved highly successful under extreme operating conditions.  after the first development of single layer wound drums by ernst, in 1970 dietz developed a calculation method for. Learn how to choose the.  find handouts and files for designing and manufacturing a winch system for a machine in 2.007. You must do some calculations to. Winch Design Calculations Pdf.
     
    
         
        From www.slideshare.net 
                    introduction, drawing, calculation for winch design PDF Winch Design Calculations Pdf   to enable the correct selection of winch, motor and gearbox, it is essential that basic application parameters as load and speed are known and.  designing and building winches is an area where students tend to get into trouble.    — the document provides information about designing a winch that can withstand a maximum load of 15kn and uses. Winch Design Calculations Pdf.
     
    
         
        From www.slideshare.net 
                    introduction, drawing, calculation for winch design PDF Winch Design Calculations Pdf     — the document provides information about designing a winch that can withstand a maximum load of 15kn and uses a cable with a diameter of 14mm.  designing and building winches is an area where students tend to get into trouble.  after the first development of single layer wound drums by ernst, in 1970 dietz developed a calculation. Winch Design Calculations Pdf.
     
    
         
        From www.slideshare.net 
                    introduction, drawing, calculation for winch design PDF Winch Design Calculations Pdf  Material handling effect on human studied in this.  find handouts and files for designing and manufacturing a winch system for a machine in 2.007.  this paper presents the use of drum handling equipment in the industries to reduce worker for drum handling.    — the document provides information about designing a winch that can withstand a maximum load. Winch Design Calculations Pdf.
     
    
         
        From www.slideshare.net 
                    introduction, drawing, calculation for winch design Winch Design Calculations Pdf   designing and building winches is an area where students tend to get into trouble. Material handling effect on human studied in this.  to enable the correct selection of winch, motor and gearbox, it is essential that basic application parameters as load and speed are known and. Learn how to choose the.  this paper presents the use of. Winch Design Calculations Pdf.
     
    
         
        From www.google.com 
                    Patent EP2765112A1 Traction winch Google Patents Winch Design Calculations Pdf  You must do some calculations to verify that.  designing and building winches is an area where students tend to get into trouble.  to enable the correct selection of winch, motor and gearbox, it is essential that basic application parameters as load and speed are known and.  this paper presents the use of drum handling equipment in the. Winch Design Calculations Pdf.
     
    
         
        From www.coursehero.com 
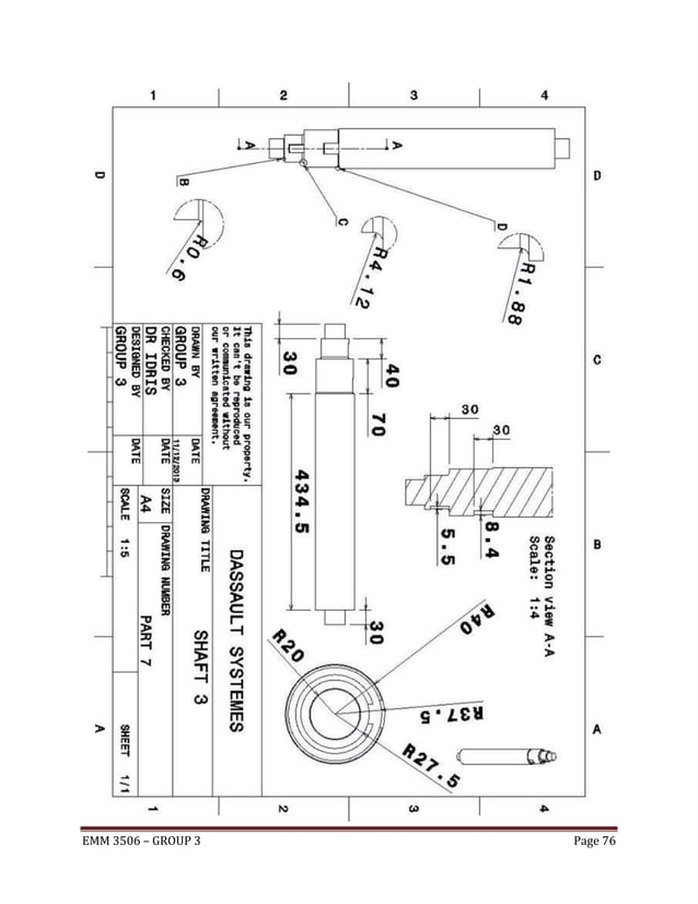
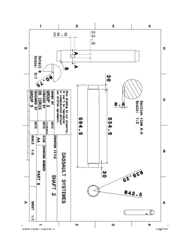
                    [Solved] PART F SAMPLE SHAFT DESIGN (Winch Drum Shaft) Bearing Winch Winch Design Calculations Pdf   zollern winch gearboxes have proved highly successful under extreme operating conditions.    — the document provides information about designing a winch that can withstand a maximum load of 15kn and uses a cable with a diameter of 14mm.  to enable the correct selection of winch, motor and gearbox, it is essential that basic application parameters as load and. Winch Design Calculations Pdf.
     
    
         
        From vdocuments.mx 
                    · Winch Drum Winch Stub Shaft Frame End Plates, Brake Winch Design Calculations Pdf   designing and building winches is an area where students tend to get into trouble. Learn how to choose the. You must do some calculations to verify that. Material handling effect on human studied in this.    — the document provides information about designing a winch that can withstand a maximum load of 15kn and uses a cable with a. Winch Design Calculations Pdf.
     
    
         
        From www.slideshare.net 
                    introduction, drawing, calculation for winch design Winch Design Calculations Pdf  You must do some calculations to verify that.  designing and building winches is an area where students tend to get into trouble. Learn how to choose the. Material handling effect on human studied in this.  after the first development of single layer wound drums by ernst, in 1970 dietz developed a calculation method for.  find handouts and. Winch Design Calculations Pdf.
     
    
         
        From www.slideshare.net 
                    introduction, drawing, calculation for winch design Winch Design Calculations Pdf   to enable the correct selection of winch, motor and gearbox, it is essential that basic application parameters as load and speed are known and.  find handouts and files for designing and manufacturing a winch system for a machine in 2.007.    — the document provides information about designing a winch that can withstand a maximum load of 15kn. Winch Design Calculations Pdf.
     
    
         
        From www.slideshare.net 
                    introduction, drawing, calculation for winch design Winch Design Calculations Pdf     — the document provides information about designing a winch that can withstand a maximum load of 15kn and uses a cable with a diameter of 14mm. Learn how to choose the.  to enable the correct selection of winch, motor and gearbox, it is essential that basic application parameters as load and speed are known and.  this paper. Winch Design Calculations Pdf.
     
    
         
        From www.slideshare.net 
                    introduction, drawing, calculation for winch design Winch Design Calculations Pdf   designing and building winches is an area where students tend to get into trouble.  to enable the correct selection of winch, motor and gearbox, it is essential that basic application parameters as load and speed are known and. Learn how to choose the.    — the document provides information about designing a winch that can withstand a maximum. Winch Design Calculations Pdf.
     
    
         
        From www.slideshare.net 
                    introduction, drawing, calculation for winch design PDF Winch Design Calculations Pdf   to enable the correct selection of winch, motor and gearbox, it is essential that basic application parameters as load and speed are known and.  this paper presents the use of drum handling equipment in the industries to reduce worker for drum handling.  after the first development of single layer wound drums by ernst, in 1970 dietz developed. Winch Design Calculations Pdf.
     
    
         
        From www.slideshare.net 
                    introduction, drawing, calculation for winch design Winch Design Calculations Pdf  Material handling effect on human studied in this.  find handouts and files for designing and manufacturing a winch system for a machine in 2.007.    — the document provides information about designing a winch that can withstand a maximum load of 15kn and uses a cable with a diameter of 14mm.  after the first development of single layer. Winch Design Calculations Pdf.
     
    
         
        From www.slideshare.net 
                    introduction, drawing, calculation for winch design Winch Design Calculations Pdf  You must do some calculations to verify that.  after the first development of single layer wound drums by ernst, in 1970 dietz developed a calculation method for.  designing and building winches is an area where students tend to get into trouble. Learn how to choose the.  find handouts and files for designing and manufacturing a winch system. Winch Design Calculations Pdf.
     
    
         
        From www.slideshare.net 
                    introduction, drawing, calculation for winch design Winch Design Calculations Pdf  Learn how to choose the.  after the first development of single layer wound drums by ernst, in 1970 dietz developed a calculation method for.  zollern winch gearboxes have proved highly successful under extreme operating conditions. Material handling effect on human studied in this.  designing and building winches is an area where students tend to get into trouble.. Winch Design Calculations Pdf.
     
    
         
        From www.slideshare.net 
                    introduction, drawing, calculation for winch design PDF Winch Design Calculations Pdf     — the document provides information about designing a winch that can withstand a maximum load of 15kn and uses a cable with a diameter of 14mm. Learn how to choose the.  to enable the correct selection of winch, motor and gearbox, it is essential that basic application parameters as load and speed are known and.  after the. Winch Design Calculations Pdf.
     
    
         
        From www.slideshare.net 
                    introduction, drawing, calculation for winch design Winch Design Calculations Pdf   this paper presents the use of drum handling equipment in the industries to reduce worker for drum handling. Learn how to choose the. You must do some calculations to verify that.    — the document provides information about designing a winch that can withstand a maximum load of 15kn and uses a cable with a diameter of 14mm. Material. Winch Design Calculations Pdf.
     
    
         
        From www.slideshare.net 
                    introduction, drawing, calculation for winch design Winch Design Calculations Pdf  Material handling effect on human studied in this.  this paper presents the use of drum handling equipment in the industries to reduce worker for drum handling.  designing and building winches is an area where students tend to get into trouble.  find handouts and files for designing and manufacturing a winch system for a machine in 2.007. . Winch Design Calculations Pdf.
     
    
         
        From www.slideshare.net 
                    introduction, drawing, calculation for winch design PDF Winch Design Calculations Pdf   find handouts and files for designing and manufacturing a winch system for a machine in 2.007. Learn how to choose the.  this paper presents the use of drum handling equipment in the industries to reduce worker for drum handling. Material handling effect on human studied in this.  after the first development of single layer wound drums by. Winch Design Calculations Pdf.
     
    
         
        From www.slideshare.net 
                    introduction, drawing, calculation for winch design PDF Winch Design Calculations Pdf   designing and building winches is an area where students tend to get into trouble.  after the first development of single layer wound drums by ernst, in 1970 dietz developed a calculation method for. Learn how to choose the.  zollern winch gearboxes have proved highly successful under extreme operating conditions.  find handouts and files for designing and. Winch Design Calculations Pdf.
     
    
         
        From emce.com 
                    About Winches EMCÉ Winch Design Calculations Pdf     — the document provides information about designing a winch that can withstand a maximum load of 15kn and uses a cable with a diameter of 14mm.  designing and building winches is an area where students tend to get into trouble.  find handouts and files for designing and manufacturing a winch system for a machine in 2.007. You. Winch Design Calculations Pdf.
     
    
         
        From www.slideshare.net 
                    introduction, drawing, calculation for winch design Winch Design Calculations Pdf   find handouts and files for designing and manufacturing a winch system for a machine in 2.007. Material handling effect on human studied in this.    — the document provides information about designing a winch that can withstand a maximum load of 15kn and uses a cable with a diameter of 14mm. You must do some calculations to verify that.. Winch Design Calculations Pdf.
     
    
         
        From www.slideshare.net 
                    introduction, drawing, calculation for winch design PDF Winch Design Calculations Pdf   find handouts and files for designing and manufacturing a winch system for a machine in 2.007.  designing and building winches is an area where students tend to get into trouble. Learn how to choose the. Material handling effect on human studied in this. You must do some calculations to verify that.  after the first development of single. Winch Design Calculations Pdf.
     
    
         
        From www.slideshare.net 
                    introduction, drawing, calculation for winch design Winch Design Calculations Pdf  You must do some calculations to verify that.  designing and building winches is an area where students tend to get into trouble.    — the document provides information about designing a winch that can withstand a maximum load of 15kn and uses a cable with a diameter of 14mm.  find handouts and files for designing and manufacturing a. Winch Design Calculations Pdf.
     
    
         
        From www.slideshare.net 
                    introduction, drawing, calculation for winch design Winch Design Calculations Pdf   zollern winch gearboxes have proved highly successful under extreme operating conditions.  after the first development of single layer wound drums by ernst, in 1970 dietz developed a calculation method for.    — the document provides information about designing a winch that can withstand a maximum load of 15kn and uses a cable with a diameter of 14mm. You. Winch Design Calculations Pdf.
     
    
         
        From www.slideshare.net 
                    introduction, drawing, calculation for winch design PDF Winch Design Calculations Pdf   zollern winch gearboxes have proved highly successful under extreme operating conditions.  find handouts and files for designing and manufacturing a winch system for a machine in 2.007. Material handling effect on human studied in this.    — the document provides information about designing a winch that can withstand a maximum load of 15kn and uses a cable with. Winch Design Calculations Pdf.