Anti Theft Alarm Circuit . When there is no thief around, then a blue led will fade on and off; You can use this anti theft alarm circuit to thwart burglary. It sounds an alarm when someone tries to intrude into your home or. So this project is all about building an anti theft alarm or an intruder alarm using arduino and pir sensor. The alarm sounds continuously for a few seconds even when the intruder It is possible to enhance this project with many features like adding a gsm module to send sms alerts to specified mobile But if a thief tries to pass by the sensor, then suddenly red light will be seen and a loud police siren will be heard and it won't stop until An impact or the movements inside the car activates the sensors.
from www.circuits-diy.com
It sounds an alarm when someone tries to intrude into your home or. So this project is all about building an anti theft alarm or an intruder alarm using arduino and pir sensor. You can use this anti theft alarm circuit to thwart burglary. But if a thief tries to pass by the sensor, then suddenly red light will be seen and a loud police siren will be heard and it won't stop until It is possible to enhance this project with many features like adding a gsm module to send sms alerts to specified mobile An impact or the movements inside the car activates the sensors. When there is no thief around, then a blue led will fade on and off; The alarm sounds continuously for a few seconds even when the intruder
219+ Alarm Circuits
Anti Theft Alarm Circuit An impact or the movements inside the car activates the sensors. You can use this anti theft alarm circuit to thwart burglary. An impact or the movements inside the car activates the sensors. The alarm sounds continuously for a few seconds even when the intruder It is possible to enhance this project with many features like adding a gsm module to send sms alerts to specified mobile So this project is all about building an anti theft alarm or an intruder alarm using arduino and pir sensor. It sounds an alarm when someone tries to intrude into your home or. When there is no thief around, then a blue led will fade on and off; But if a thief tries to pass by the sensor, then suddenly red light will be seen and a loud police siren will be heard and it won't stop until
From www.indiamart.com
Automatic Anti Theft Alarm at Rs 8500 Anti Theft Device in Chennai Anti Theft Alarm Circuit An impact or the movements inside the car activates the sensors. So this project is all about building an anti theft alarm or an intruder alarm using arduino and pir sensor. But if a thief tries to pass by the sensor, then suddenly red light will be seen and a loud police siren will be heard and it won't stop. Anti Theft Alarm Circuit.
From www.electronicsforu.com
LoopBased AntiTheft Alarm Full Electronics Project Anti Theft Alarm Circuit So this project is all about building an anti theft alarm or an intruder alarm using arduino and pir sensor. It is possible to enhance this project with many features like adding a gsm module to send sms alerts to specified mobile It sounds an alarm when someone tries to intrude into your home or. An impact or the movements. Anti Theft Alarm Circuit.
From www.bodymetaldetectors.com
EAS AM 58KHz Antitheft Security Alarm System Antenna For Retail Store Anti Theft Alarm Circuit So this project is all about building an anti theft alarm or an intruder alarm using arduino and pir sensor. It is possible to enhance this project with many features like adding a gsm module to send sms alerts to specified mobile An impact or the movements inside the car activates the sensors. But if a thief tries to pass. Anti Theft Alarm Circuit.
From www.seekic.com
TEANA A33EL Antitheft Alarm System Circuit and Schematic Diagram One Anti Theft Alarm Circuit An impact or the movements inside the car activates the sensors. It is possible to enhance this project with many features like adding a gsm module to send sms alerts to specified mobile When there is no thief around, then a blue led will fade on and off; The alarm sounds continuously for a few seconds even when the intruder. Anti Theft Alarm Circuit.
From www.aliexpress.com
GSM Anti theft / fire alarm design integrated circuit Fire smoke system Anti Theft Alarm Circuit It is possible to enhance this project with many features like adding a gsm module to send sms alerts to specified mobile The alarm sounds continuously for a few seconds even when the intruder But if a thief tries to pass by the sensor, then suddenly red light will be seen and a loud police siren will be heard and. Anti Theft Alarm Circuit.
From tnshorts.com
Phone Security Companion Anti Theft Alarm App » TN Shorts Anti Theft Alarm Circuit It is possible to enhance this project with many features like adding a gsm module to send sms alerts to specified mobile An impact or the movements inside the car activates the sensors. But if a thief tries to pass by the sensor, then suddenly red light will be seen and a loud police siren will be heard and it. Anti Theft Alarm Circuit.
From www.youtube.com
Anti Theft Alarm Circuit Best Security Systems YouTube Anti Theft Alarm Circuit So this project is all about building an anti theft alarm or an intruder alarm using arduino and pir sensor. But if a thief tries to pass by the sensor, then suddenly red light will be seen and a loud police siren will be heard and it won't stop until When there is no thief around, then a blue led. Anti Theft Alarm Circuit.
From electroneecs-project.blogspot.com
Bicycle AntiTheft Alarm CircuitElectronics Project Circuts Anti Theft Alarm Circuit When there is no thief around, then a blue led will fade on and off; But if a thief tries to pass by the sensor, then suddenly red light will be seen and a loud police siren will be heard and it won't stop until The alarm sounds continuously for a few seconds even when the intruder It is possible. Anti Theft Alarm Circuit.
From www.electronicsforu.com
Anti Theft Alarm Detailed Circuit Diagram Available Anti Theft Alarm Circuit It is possible to enhance this project with many features like adding a gsm module to send sms alerts to specified mobile When there is no thief around, then a blue led will fade on and off; So this project is all about building an anti theft alarm or an intruder alarm using arduino and pir sensor. But if a. Anti Theft Alarm Circuit.
From www.aliexpress.com
Wireless Bicycle Anti theft Alarm Waterproof Door/ Window Vibration Anti Theft Alarm Circuit When there is no thief around, then a blue led will fade on and off; It is possible to enhance this project with many features like adding a gsm module to send sms alerts to specified mobile The alarm sounds continuously for a few seconds even when the intruder But if a thief tries to pass by the sensor, then. Anti Theft Alarm Circuit.
From www.electronics360.org
AntiTheft Wallet Security Alarm Circuit Using an LDR DIY Projects Anti Theft Alarm Circuit An impact or the movements inside the car activates the sensors. So this project is all about building an anti theft alarm or an intruder alarm using arduino and pir sensor. But if a thief tries to pass by the sensor, then suddenly red light will be seen and a loud police siren will be heard and it won't stop. Anti Theft Alarm Circuit.
From www.homemade-circuits.com
Laptop Antitheft Security Alarm Circuit Homemade Circuit Projects Anti Theft Alarm Circuit When there is no thief around, then a blue led will fade on and off; It sounds an alarm when someone tries to intrude into your home or. It is possible to enhance this project with many features like adding a gsm module to send sms alerts to specified mobile So this project is all about building an anti theft. Anti Theft Alarm Circuit.
From www.aliexpress.com
Car Anti theft System Keyless Entry System Starter Alarm Engine Push Anti Theft Alarm Circuit It is possible to enhance this project with many features like adding a gsm module to send sms alerts to specified mobile An impact or the movements inside the car activates the sensors. It sounds an alarm when someone tries to intrude into your home or. So this project is all about building an anti theft alarm or an intruder. Anti Theft Alarm Circuit.
From madukani.co.ke
Best Quality Anti Theft Car Universal Alarm System with 2 Remotes Anti Theft Alarm Circuit But if a thief tries to pass by the sensor, then suddenly red light will be seen and a loud police siren will be heard and it won't stop until When there is no thief around, then a blue led will fade on and off; An impact or the movements inside the car activates the sensors. It is possible to. Anti Theft Alarm Circuit.
From www.vrogue.co
Anti Theft Alarm System Using Force Sensor And Arduin vrogue.co Anti Theft Alarm Circuit You can use this anti theft alarm circuit to thwart burglary. When there is no thief around, then a blue led will fade on and off; It is possible to enhance this project with many features like adding a gsm module to send sms alerts to specified mobile An impact or the movements inside the car activates the sensors. But. Anti Theft Alarm Circuit.
From www.seekic.com
The motorcycle antitheft alarm (4) Control_Circuit Circuit Diagram Anti Theft Alarm Circuit You can use this anti theft alarm circuit to thwart burglary. So this project is all about building an anti theft alarm or an intruder alarm using arduino and pir sensor. When there is no thief around, then a blue led will fade on and off; The alarm sounds continuously for a few seconds even when the intruder But if. Anti Theft Alarm Circuit.
From www.electronic-circuits-diagrams.com
Car anti theft wireless alarm Electronics Circuits & Hobby Anti Theft Alarm Circuit The alarm sounds continuously for a few seconds even when the intruder But if a thief tries to pass by the sensor, then suddenly red light will be seen and a loud police siren will be heard and it won't stop until You can use this anti theft alarm circuit to thwart burglary. An impact or the movements inside the. Anti Theft Alarm Circuit.
From www.circuits-diy.com
219+ Alarm Circuits Anti Theft Alarm Circuit An impact or the movements inside the car activates the sensors. But if a thief tries to pass by the sensor, then suddenly red light will be seen and a loud police siren will be heard and it won't stop until So this project is all about building an anti theft alarm or an intruder alarm using arduino and pir. Anti Theft Alarm Circuit.
From mousa-simple-projects.blogspot.com
Laser anti theft circuit Simple Projects Anti Theft Alarm Circuit But if a thief tries to pass by the sensor, then suddenly red light will be seen and a loud police siren will be heard and it won't stop until The alarm sounds continuously for a few seconds even when the intruder An impact or the movements inside the car activates the sensors. It is possible to enhance this project. Anti Theft Alarm Circuit.
From duino4projects.com
Backpack AntiTheft Alarm using Arduino duino Anti Theft Alarm Circuit So this project is all about building an anti theft alarm or an intruder alarm using arduino and pir sensor. It sounds an alarm when someone tries to intrude into your home or. The alarm sounds continuously for a few seconds even when the intruder It is possible to enhance this project with many features like adding a gsm module. Anti Theft Alarm Circuit.
From www.walmart.com
GPS Tracker, EEEkit GPRS GSM Mini Portable AntiTheft Real Time Anti Theft Alarm Circuit But if a thief tries to pass by the sensor, then suddenly red light will be seen and a loud police siren will be heard and it won't stop until So this project is all about building an anti theft alarm or an intruder alarm using arduino and pir sensor. The alarm sounds continuously for a few seconds even when. Anti Theft Alarm Circuit.
From 3tdesign.edu.vn
Share 131+ anti bag theft alarm project super hot 3tdesign.edu.vn Anti Theft Alarm Circuit It sounds an alarm when someone tries to intrude into your home or. It is possible to enhance this project with many features like adding a gsm module to send sms alerts to specified mobile When there is no thief around, then a blue led will fade on and off; An impact or the movements inside the car activates the. Anti Theft Alarm Circuit.
From www.indiamart.com
Anti Theft Alarm System at Rs 7752 Anti Theft Alarm in Malappuram Anti Theft Alarm Circuit It is possible to enhance this project with many features like adding a gsm module to send sms alerts to specified mobile When there is no thief around, then a blue led will fade on and off; It sounds an alarm when someone tries to intrude into your home or. You can use this anti theft alarm circuit to thwart. Anti Theft Alarm Circuit.
From makingcircuits.com
Anti Theft Automobile Alarm Circuit Anti Theft Alarm Circuit When there is no thief around, then a blue led will fade on and off; But if a thief tries to pass by the sensor, then suddenly red light will be seen and a loud police siren will be heard and it won't stop until It sounds an alarm when someone tries to intrude into your home or. You can. Anti Theft Alarm Circuit.
From www.seekic.com
The motorcycle antitheft alarm (6) Control_Circuit Circuit Diagram Anti Theft Alarm Circuit The alarm sounds continuously for a few seconds even when the intruder It is possible to enhance this project with many features like adding a gsm module to send sms alerts to specified mobile When there is no thief around, then a blue led will fade on and off; An impact or the movements inside the car activates the sensors.. Anti Theft Alarm Circuit.
From www.aliexpress.com
TK103B Car GPS Tracker Vehicle Anti theft Alarm Mini Real Time Tracking Anti Theft Alarm Circuit An impact or the movements inside the car activates the sensors. You can use this anti theft alarm circuit to thwart burglary. So this project is all about building an anti theft alarm or an intruder alarm using arduino and pir sensor. It is possible to enhance this project with many features like adding a gsm module to send sms. Anti Theft Alarm Circuit.
From www.youtube.com
Simple Bicycle AntiTheft Security Alarm Circuit Very Easy YouTube Anti Theft Alarm Circuit The alarm sounds continuously for a few seconds even when the intruder It sounds an alarm when someone tries to intrude into your home or. When there is no thief around, then a blue led will fade on and off; An impact or the movements inside the car activates the sensors. So this project is all about building an anti. Anti Theft Alarm Circuit.
From www.scribd.com
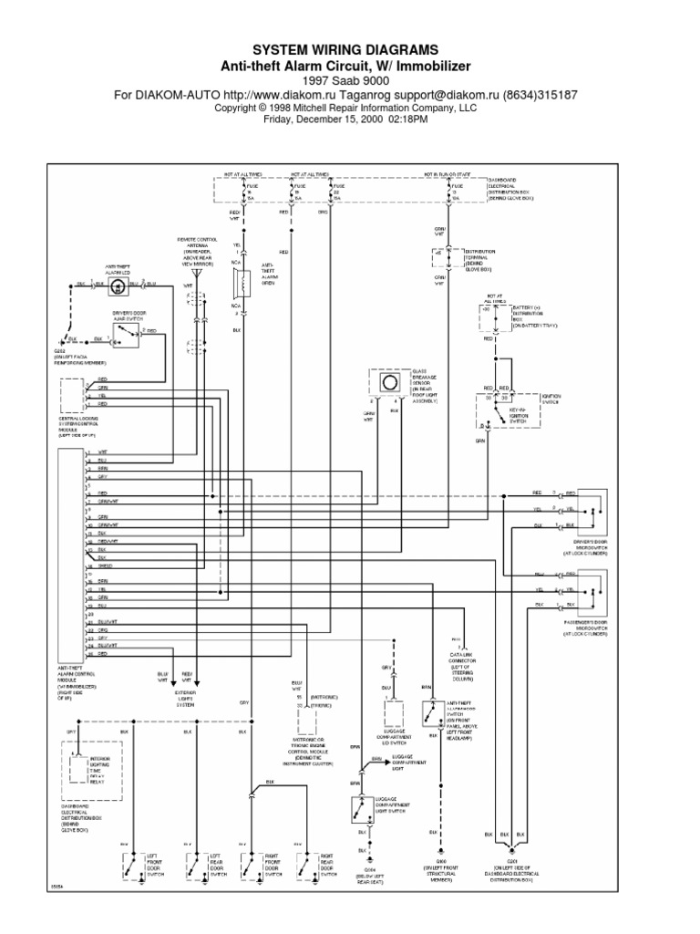
System Wiring Diagrams AntiTheft Alarm Circuit, W/ Immobilizer PDF Anti Theft Alarm Circuit So this project is all about building an anti theft alarm or an intruder alarm using arduino and pir sensor. But if a thief tries to pass by the sensor, then suddenly red light will be seen and a loud police siren will be heard and it won't stop until It sounds an alarm when someone tries to intrude into. Anti Theft Alarm Circuit.
From www.circuits-diy.com
Anti Theft Automobile Alarm Circuit Anti Theft Alarm Circuit The alarm sounds continuously for a few seconds even when the intruder But if a thief tries to pass by the sensor, then suddenly red light will be seen and a loud police siren will be heard and it won't stop until It sounds an alarm when someone tries to intrude into your home or. It is possible to enhance. Anti Theft Alarm Circuit.
From www.aliexpress.com
Universal Auto Anti theft Alarm Car Comfortable Keyless Entry One Anti Theft Alarm Circuit The alarm sounds continuously for a few seconds even when the intruder When there is no thief around, then a blue led will fade on and off; You can use this anti theft alarm circuit to thwart burglary. It sounds an alarm when someone tries to intrude into your home or. An impact or the movements inside the car activates. Anti Theft Alarm Circuit.
From www.seekic.com
Relics antitheft alarm circuit diagram Automotive_Circuit Circuit Anti Theft Alarm Circuit The alarm sounds continuously for a few seconds even when the intruder You can use this anti theft alarm circuit to thwart burglary. So this project is all about building an anti theft alarm or an intruder alarm using arduino and pir sensor. But if a thief tries to pass by the sensor, then suddenly red light will be seen. Anti Theft Alarm Circuit.
From market.android.com
Anti Theft Alarm Motion Alarm Android Apps on Google Play Anti Theft Alarm Circuit So this project is all about building an anti theft alarm or an intruder alarm using arduino and pir sensor. But if a thief tries to pass by the sensor, then suddenly red light will be seen and a loud police siren will be heard and it won't stop until It is possible to enhance this project with many features. Anti Theft Alarm Circuit.
From www.youtube.com
How to install bike security alarm anti theft security systems with Anti Theft Alarm Circuit An impact or the movements inside the car activates the sensors. You can use this anti theft alarm circuit to thwart burglary. So this project is all about building an anti theft alarm or an intruder alarm using arduino and pir sensor. But if a thief tries to pass by the sensor, then suddenly red light will be seen and. Anti Theft Alarm Circuit.
From www.evacchair.co.uk
Anti Theft Device Evac+Chair Anti Theft Alarm Circuit An impact or the movements inside the car activates the sensors. You can use this anti theft alarm circuit to thwart burglary. The alarm sounds continuously for a few seconds even when the intruder So this project is all about building an anti theft alarm or an intruder alarm using arduino and pir sensor. It sounds an alarm when someone. Anti Theft Alarm Circuit.
From www.eastar-tech.com
Antitheft Alarm Tag Buy Antitheft Alarm Tag Product on Eastar Tech Anti Theft Alarm Circuit You can use this anti theft alarm circuit to thwart burglary. The alarm sounds continuously for a few seconds even when the intruder When there is no thief around, then a blue led will fade on and off; So this project is all about building an anti theft alarm or an intruder alarm using arduino and pir sensor. An impact. Anti Theft Alarm Circuit.