P0444 Evap System Purge Control Valve A Circuit Open . This can be due to issues with the evap purge control or a faulty canister purge valve. if you’re experiencing a p0444 code, the most common causes revolve around an open circuit in the evaporative emission (evap) canister purge valve. Evaporative emission control system purge control valve circuit open. The engine absorbs extra gasoline vapors from the fuel tank, which would otherwise be vented into the environment, thanks to evaporative emission control systems known as evap. the meaning of fault code p0444 is: obd ii fault code p0444 is defined as “evaporative emission control system purge control valve open circuit”,. a p0444 code is a general diagnostic trouble code that occurs when the ecm/pcm detects an open circuit in the evaporative emission system purge control valve circuit. diagnostic trouble code (dtc) p0444 stands for “evaporative emission system purge control valve circuit open.” this code is logged when the pcm detects a problem with the purge valve circuit. the cause of this fault code can be a faulty evap purge solenoid control, an open or shorted harness, or a poor electrical connection in the control circuit.
from www.youtube.com
if you’re experiencing a p0444 code, the most common causes revolve around an open circuit in the evaporative emission (evap) canister purge valve. the meaning of fault code p0444 is: the cause of this fault code can be a faulty evap purge solenoid control, an open or shorted harness, or a poor electrical connection in the control circuit. Evaporative emission control system purge control valve circuit open. This can be due to issues with the evap purge control or a faulty canister purge valve. obd ii fault code p0444 is defined as “evaporative emission control system purge control valve open circuit”,. diagnostic trouble code (dtc) p0444 stands for “evaporative emission system purge control valve circuit open.” this code is logged when the pcm detects a problem with the purge valve circuit. a p0444 code is a general diagnostic trouble code that occurs when the ecm/pcm detects an open circuit in the evaporative emission system purge control valve circuit. The engine absorbs extra gasoline vapors from the fuel tank, which would otherwise be vented into the environment, thanks to evaporative emission control systems known as evap.
BMW X3 TEST PURGE CONTROL VALVE CODE P0443 P0444 BMW E83 F25 YouTube
P0444 Evap System Purge Control Valve A Circuit Open Evaporative emission control system purge control valve circuit open. The engine absorbs extra gasoline vapors from the fuel tank, which would otherwise be vented into the environment, thanks to evaporative emission control systems known as evap. diagnostic trouble code (dtc) p0444 stands for “evaporative emission system purge control valve circuit open.” this code is logged when the pcm detects a problem with the purge valve circuit. if you’re experiencing a p0444 code, the most common causes revolve around an open circuit in the evaporative emission (evap) canister purge valve. the meaning of fault code p0444 is: This can be due to issues with the evap purge control or a faulty canister purge valve. Evaporative emission control system purge control valve circuit open. obd ii fault code p0444 is defined as “evaporative emission control system purge control valve open circuit”,. the cause of this fault code can be a faulty evap purge solenoid control, an open or shorted harness, or a poor electrical connection in the control circuit. a p0444 code is a general diagnostic trouble code that occurs when the ecm/pcm detects an open circuit in the evaporative emission system purge control valve circuit.
From www.youcanic.com
P0443 Ford EVAP Purge Control Circuit Fix YOUCANIC P0444 Evap System Purge Control Valve A Circuit Open diagnostic trouble code (dtc) p0444 stands for “evaporative emission system purge control valve circuit open.” this code is logged when the pcm detects a problem with the purge valve circuit. Evaporative emission control system purge control valve circuit open. a p0444 code is a general diagnostic trouble code that occurs when the ecm/pcm detects an open circuit in. P0444 Evap System Purge Control Valve A Circuit Open.
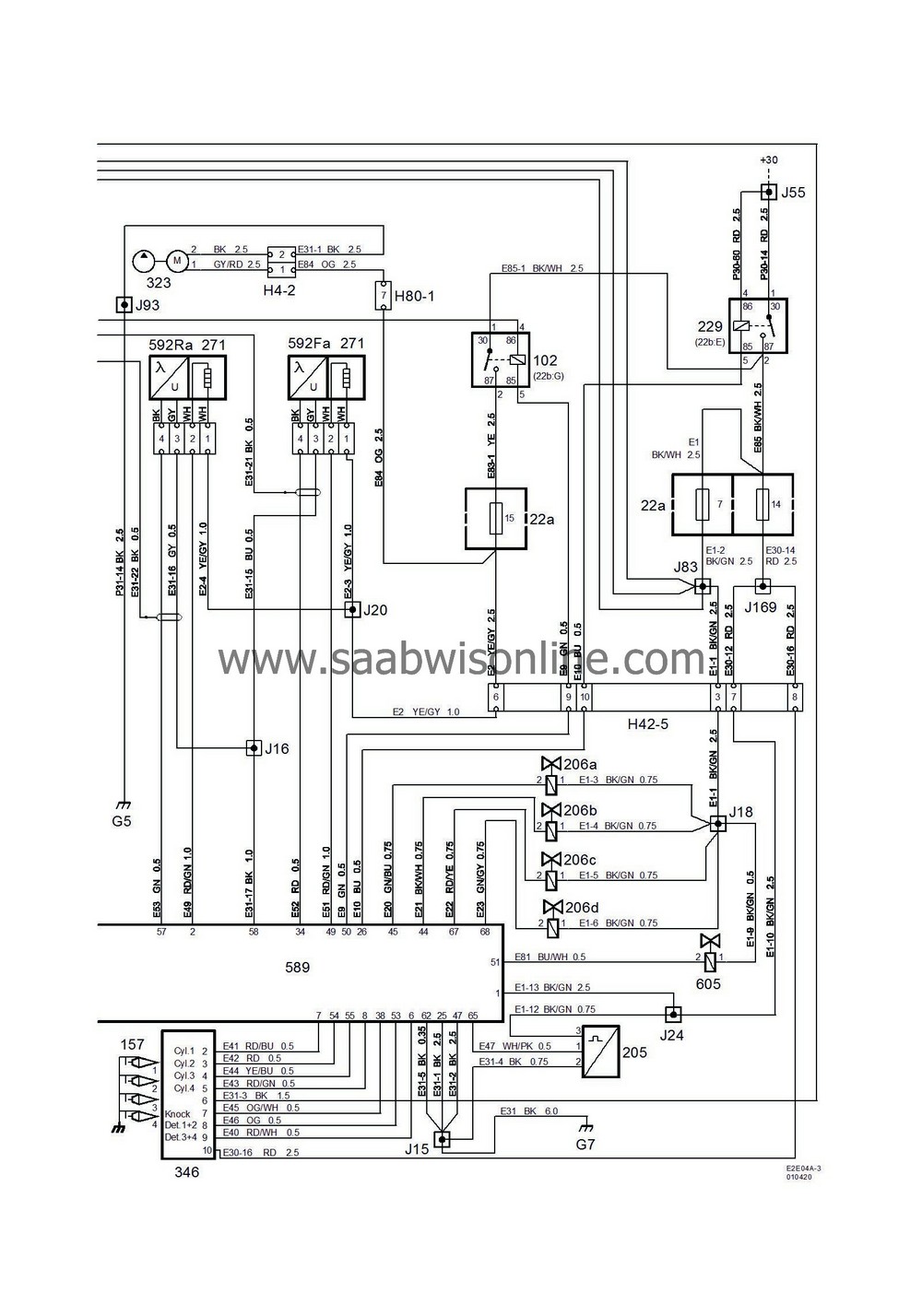
From www.saabcentral.com
Cant diagnose P0444 CEL (EVAP Purge Valve Circuit. Open / Short to P0444 Evap System Purge Control Valve A Circuit Open obd ii fault code p0444 is defined as “evaporative emission control system purge control valve open circuit”,. diagnostic trouble code (dtc) p0444 stands for “evaporative emission system purge control valve circuit open.” this code is logged when the pcm detects a problem with the purge valve circuit. The engine absorbs extra gasoline vapors from the fuel tank, which. P0444 Evap System Purge Control Valve A Circuit Open.
From www.e46fanatics.com
P0444how to test the evap purge valve harness/wiring E46 Fanatics P0444 Evap System Purge Control Valve A Circuit Open a p0444 code is a general diagnostic trouble code that occurs when the ecm/pcm detects an open circuit in the evaporative emission system purge control valve circuit. The engine absorbs extra gasoline vapors from the fuel tank, which would otherwise be vented into the environment, thanks to evaporative emission control systems known as evap. This can be due to. P0444 Evap System Purge Control Valve A Circuit Open.
From www.youcanic.com
VW N80 Purge Valve For Optimal Engine Performance P0441 P0444 YOUCANIC P0444 Evap System Purge Control Valve A Circuit Open the cause of this fault code can be a faulty evap purge solenoid control, an open or shorted harness, or a poor electrical connection in the control circuit. Evaporative emission control system purge control valve circuit open. diagnostic trouble code (dtc) p0444 stands for “evaporative emission system purge control valve circuit open.” this code is logged when the. P0444 Evap System Purge Control Valve A Circuit Open.
From www.youtube.com
BMW X3 TEST PURGE CONTROL VALVE CODE P0443 P0444 BMW E83 F25 YouTube P0444 Evap System Purge Control Valve A Circuit Open the cause of this fault code can be a faulty evap purge solenoid control, an open or shorted harness, or a poor electrical connection in the control circuit. diagnostic trouble code (dtc) p0444 stands for “evaporative emission system purge control valve circuit open.” this code is logged when the pcm detects a problem with the purge valve circuit.. P0444 Evap System Purge Control Valve A Circuit Open.
From www.ziptuning.com
P0444 Evaporative Emission Control System Purge Control Valve Circuit P0444 Evap System Purge Control Valve A Circuit Open This can be due to issues with the evap purge control or a faulty canister purge valve. obd ii fault code p0444 is defined as “evaporative emission control system purge control valve open circuit”,. The engine absorbs extra gasoline vapors from the fuel tank, which would otherwise be vented into the environment, thanks to evaporative emission control systems known. P0444 Evap System Purge Control Valve A Circuit Open.
From enginespeaniernv59.z13.web.core.windows.net
Where Is The Evap Purge Valve Located P0444 Evap System Purge Control Valve A Circuit Open obd ii fault code p0444 is defined as “evaporative emission control system purge control valve open circuit”,. the meaning of fault code p0444 is: a p0444 code is a general diagnostic trouble code that occurs when the ecm/pcm detects an open circuit in the evaporative emission system purge control valve circuit. if you’re experiencing a p0444. P0444 Evap System Purge Control Valve A Circuit Open.
From www.youtube.com
FIAT ALFA ROMEO CODE P0443 P0444 PURGE VALVE, EVAP SYSTEM YouTube P0444 Evap System Purge Control Valve A Circuit Open This can be due to issues with the evap purge control or a faulty canister purge valve. The engine absorbs extra gasoline vapors from the fuel tank, which would otherwise be vented into the environment, thanks to evaporative emission control systems known as evap. obd ii fault code p0444 is defined as “evaporative emission control system purge control valve. P0444 Evap System Purge Control Valve A Circuit Open.
From www.engine-codes.com
Code P0444 Nissan EVAP Canister Purge Volume Control Solenoid Valve P0444 Evap System Purge Control Valve A Circuit Open the meaning of fault code p0444 is: diagnostic trouble code (dtc) p0444 stands for “evaporative emission system purge control valve circuit open.” this code is logged when the pcm detects a problem with the purge valve circuit. a p0444 code is a general diagnostic trouble code that occurs when the ecm/pcm detects an open circuit in the. P0444 Evap System Purge Control Valve A Circuit Open.
From otamoto.com
P0444 Evap. Purge Control Valve Circuit Open OTAMOTO P0444 Evap System Purge Control Valve A Circuit Open Evaporative emission control system purge control valve circuit open. the cause of this fault code can be a faulty evap purge solenoid control, an open or shorted harness, or a poor electrical connection in the control circuit. The engine absorbs extra gasoline vapors from the fuel tank, which would otherwise be vented into the environment, thanks to evaporative emission. P0444 Evap System Purge Control Valve A Circuit Open.
From forum.e46fanatics.com
P0444 Evaporative Emission Control System Purge Control Valve Circuit P0444 Evap System Purge Control Valve A Circuit Open a p0444 code is a general diagnostic trouble code that occurs when the ecm/pcm detects an open circuit in the evaporative emission system purge control valve circuit. The engine absorbs extra gasoline vapors from the fuel tank, which would otherwise be vented into the environment, thanks to evaporative emission control systems known as evap. This can be due to. P0444 Evap System Purge Control Valve A Circuit Open.
From www.youtube.com
Audi P0044400 LOCATION, Evaporative emission system purge control valve P0444 Evap System Purge Control Valve A Circuit Open the meaning of fault code p0444 is: the cause of this fault code can be a faulty evap purge solenoid control, an open or shorted harness, or a poor electrical connection in the control circuit. a p0444 code is a general diagnostic trouble code that occurs when the ecm/pcm detects an open circuit in the evaporative emission. P0444 Evap System Purge Control Valve A Circuit Open.
From mechaniceducakaratent.z14.web.core.windows.net
Evap System Purge Control Valve A Circuit P0444 Evap System Purge Control Valve A Circuit Open Evaporative emission control system purge control valve circuit open. the cause of this fault code can be a faulty evap purge solenoid control, an open or shorted harness, or a poor electrical connection in the control circuit. This can be due to issues with the evap purge control or a faulty canister purge valve. obd ii fault code. P0444 Evap System Purge Control Valve A Circuit Open.
From repairfixlikerska1l.z4.web.core.windows.net
Evap System Purge Control Valve A Circuit P0444 Evap System Purge Control Valve A Circuit Open if you’re experiencing a p0444 code, the most common causes revolve around an open circuit in the evaporative emission (evap) canister purge valve. The engine absorbs extra gasoline vapors from the fuel tank, which would otherwise be vented into the environment, thanks to evaporative emission control systems known as evap. Evaporative emission control system purge control valve circuit open.. P0444 Evap System Purge Control Valve A Circuit Open.
From www.youtube.com
p0444 evaporative emission control system purge control valve circuit P0444 Evap System Purge Control Valve A Circuit Open The engine absorbs extra gasoline vapors from the fuel tank, which would otherwise be vented into the environment, thanks to evaporative emission control systems known as evap. This can be due to issues with the evap purge control or a faulty canister purge valve. a p0444 code is a general diagnostic trouble code that occurs when the ecm/pcm detects. P0444 Evap System Purge Control Valve A Circuit Open.
From repairmachinespiedinopl.z13.web.core.windows.net
Evap System Purge Control Valve A Circuit P0444 Evap System Purge Control Valve A Circuit Open Evaporative emission control system purge control valve circuit open. The engine absorbs extra gasoline vapors from the fuel tank, which would otherwise be vented into the environment, thanks to evaporative emission control systems known as evap. the cause of this fault code can be a faulty evap purge solenoid control, an open or shorted harness, or a poor electrical. P0444 Evap System Purge Control Valve A Circuit Open.
From www.youtube.com
BMW Z4 P0444 Purge Valve Fuel Tank Breather Valve YouTube P0444 Evap System Purge Control Valve A Circuit Open Evaporative emission control system purge control valve circuit open. a p0444 code is a general diagnostic trouble code that occurs when the ecm/pcm detects an open circuit in the evaporative emission system purge control valve circuit. This can be due to issues with the evap purge control or a faulty canister purge valve. diagnostic trouble code (dtc) p0444. P0444 Evap System Purge Control Valve A Circuit Open.
From www.autocodes.com
Code P0444 2005 Nissan Maxima EVAP Canister Purge Volume Control P0444 Evap System Purge Control Valve A Circuit Open a p0444 code is a general diagnostic trouble code that occurs when the ecm/pcm detects an open circuit in the evaporative emission system purge control valve circuit. the cause of this fault code can be a faulty evap purge solenoid control, an open or shorted harness, or a poor electrical connection in the control circuit. Evaporative emission control. P0444 Evap System Purge Control Valve A Circuit Open.
From www.youtube.com
How to Test and Replace EVAP Canister Purge Control SOLENOID Valve P0444 Evap System Purge Control Valve A Circuit Open diagnostic trouble code (dtc) p0444 stands for “evaporative emission system purge control valve circuit open.” this code is logged when the pcm detects a problem with the purge valve circuit. This can be due to issues with the evap purge control or a faulty canister purge valve. The engine absorbs extra gasoline vapors from the fuel tank, which would. P0444 Evap System Purge Control Valve A Circuit Open.
From www.ziptuning.com
P0444 Evaporative Emission Control System Purge Control Valve Circuit P0444 Evap System Purge Control Valve A Circuit Open This can be due to issues with the evap purge control or a faulty canister purge valve. diagnostic trouble code (dtc) p0444 stands for “evaporative emission system purge control valve circuit open.” this code is logged when the pcm detects a problem with the purge valve circuit. Evaporative emission control system purge control valve circuit open. the meaning. P0444 Evap System Purge Control Valve A Circuit Open.
From www.youtube.com
BMW E63 E64 Code P0443 P0444 PURGE CONTROL VALVE TEST. HOW TO TEST P0444 Evap System Purge Control Valve A Circuit Open the cause of this fault code can be a faulty evap purge solenoid control, an open or shorted harness, or a poor electrical connection in the control circuit. The engine absorbs extra gasoline vapors from the fuel tank, which would otherwise be vented into the environment, thanks to evaporative emission control systems known as evap. a p0444 code. P0444 Evap System Purge Control Valve A Circuit Open.
From circuitdataembosoming.z14.web.core.windows.net
Evap System Purge Control Valve A Circuit P0444 Evap System Purge Control Valve A Circuit Open a p0444 code is a general diagnostic trouble code that occurs when the ecm/pcm detects an open circuit in the evaporative emission system purge control valve circuit. obd ii fault code p0444 is defined as “evaporative emission control system purge control valve open circuit”,. This can be due to issues with the evap purge control or a faulty. P0444 Evap System Purge Control Valve A Circuit Open.
From fixmachinesreanga39x.z13.web.core.windows.net
Evap System Purge Control Valve A Circuit P0444 Evap System Purge Control Valve A Circuit Open the meaning of fault code p0444 is: This can be due to issues with the evap purge control or a faulty canister purge valve. The engine absorbs extra gasoline vapors from the fuel tank, which would otherwise be vented into the environment, thanks to evaporative emission control systems known as evap. if you’re experiencing a p0444 code, the. P0444 Evap System Purge Control Valve A Circuit Open.
From carmodnerd.com
[SOLVED] P0444 Code Fixing Evaporative Emission Control System Purge P0444 Evap System Purge Control Valve A Circuit Open The engine absorbs extra gasoline vapors from the fuel tank, which would otherwise be vented into the environment, thanks to evaporative emission control systems known as evap. obd ii fault code p0444 is defined as “evaporative emission control system purge control valve open circuit”,. This can be due to issues with the evap purge control or a faulty canister. P0444 Evap System Purge Control Valve A Circuit Open.
From www.autocodes.com
Code P0444 2008 Nissan Sentra EVAP Canister Purge Volume Control P0444 Evap System Purge Control Valve A Circuit Open The engine absorbs extra gasoline vapors from the fuel tank, which would otherwise be vented into the environment, thanks to evaporative emission control systems known as evap. the cause of this fault code can be a faulty evap purge solenoid control, an open or shorted harness, or a poor electrical connection in the control circuit. diagnostic trouble code. P0444 Evap System Purge Control Valve A Circuit Open.
From repairfixpeetlife2k.z22.web.core.windows.net
Evap System Purge Control Valve A Circuit P0444 Evap System Purge Control Valve A Circuit Open the cause of this fault code can be a faulty evap purge solenoid control, an open or shorted harness, or a poor electrical connection in the control circuit. if you’re experiencing a p0444 code, the most common causes revolve around an open circuit in the evaporative emission (evap) canister purge valve. This can be due to issues with. P0444 Evap System Purge Control Valve A Circuit Open.
From afdammingfndfixengine.z14.web.core.windows.net
P0443 Evaporative Emission Control System Purge Control Valv P0444 Evap System Purge Control Valve A Circuit Open Evaporative emission control system purge control valve circuit open. a p0444 code is a general diagnostic trouble code that occurs when the ecm/pcm detects an open circuit in the evaporative emission system purge control valve circuit. the meaning of fault code p0444 is: diagnostic trouble code (dtc) p0444 stands for “evaporative emission system purge control valve circuit. P0444 Evap System Purge Control Valve A Circuit Open.
From www.engine-codes.com
Code P0444 2009 Nissan Rogue EVAP Canister Purge Volume Control P0444 Evap System Purge Control Valve A Circuit Open The engine absorbs extra gasoline vapors from the fuel tank, which would otherwise be vented into the environment, thanks to evaporative emission control systems known as evap. Evaporative emission control system purge control valve circuit open. obd ii fault code p0444 is defined as “evaporative emission control system purge control valve open circuit”,. diagnostic trouble code (dtc) p0444. P0444 Evap System Purge Control Valve A Circuit Open.
From www.carparts.com
P0444 Code Evaporative Emission System Purge Control Valve Circuit P0444 Evap System Purge Control Valve A Circuit Open diagnostic trouble code (dtc) p0444 stands for “evaporative emission system purge control valve circuit open.” this code is logged when the pcm detects a problem with the purge valve circuit. a p0444 code is a general diagnostic trouble code that occurs when the ecm/pcm detects an open circuit in the evaporative emission system purge control valve circuit. . P0444 Evap System Purge Control Valve A Circuit Open.
From www.vrogue.co
Evaporative Emission Control System Purge Control Val vrogue.co P0444 Evap System Purge Control Valve A Circuit Open diagnostic trouble code (dtc) p0444 stands for “evaporative emission system purge control valve circuit open.” this code is logged when the pcm detects a problem with the purge valve circuit. the cause of this fault code can be a faulty evap purge solenoid control, an open or shorted harness, or a poor electrical connection in the control circuit.. P0444 Evap System Purge Control Valve A Circuit Open.
From mavink.com
Evap Purge Control Valve Circuit Location P0444 Evap System Purge Control Valve A Circuit Open diagnostic trouble code (dtc) p0444 stands for “evaporative emission system purge control valve circuit open.” this code is logged when the pcm detects a problem with the purge valve circuit. the meaning of fault code p0444 is: a p0444 code is a general diagnostic trouble code that occurs when the ecm/pcm detects an open circuit in the. P0444 Evap System Purge Control Valve A Circuit Open.
From www.autocodes.com
Code P0444 2008 Nissan Altima Sedan EVAP Canister Purge Volume Control P0444 Evap System Purge Control Valve A Circuit Open diagnostic trouble code (dtc) p0444 stands for “evaporative emission system purge control valve circuit open.” this code is logged when the pcm detects a problem with the purge valve circuit. the meaning of fault code p0444 is: Evaporative emission control system purge control valve circuit open. the cause of this fault code can be a faulty evap. P0444 Evap System Purge Control Valve A Circuit Open.
From www.youtube.com
MercedesBenz P0444 Purge Valve Evaporative Emission Control System P0444 Evap System Purge Control Valve A Circuit Open The engine absorbs extra gasoline vapors from the fuel tank, which would otherwise be vented into the environment, thanks to evaporative emission control systems known as evap. diagnostic trouble code (dtc) p0444 stands for “evaporative emission system purge control valve circuit open.” this code is logged when the pcm detects a problem with the purge valve circuit. the. P0444 Evap System Purge Control Valve A Circuit Open.
From www.carparts.com
P0444 Code Evaporative Emission System Purge Control Valve Circuit P0444 Evap System Purge Control Valve A Circuit Open Evaporative emission control system purge control valve circuit open. diagnostic trouble code (dtc) p0444 stands for “evaporative emission system purge control valve circuit open.” this code is logged when the pcm detects a problem with the purge valve circuit. This can be due to issues with the evap purge control or a faulty canister purge valve. the meaning. P0444 Evap System Purge Control Valve A Circuit Open.
From www.youtube.com
JEEP COMPASS RENEGADE CODE P0444 EVAP PURGE SOLENOID CIRCUIT OPEN YouTube P0444 Evap System Purge Control Valve A Circuit Open The engine absorbs extra gasoline vapors from the fuel tank, which would otherwise be vented into the environment, thanks to evaporative emission control systems known as evap. a p0444 code is a general diagnostic trouble code that occurs when the ecm/pcm detects an open circuit in the evaporative emission system purge control valve circuit. Evaporative emission control system purge. P0444 Evap System Purge Control Valve A Circuit Open.