Dc Power Supply Protection Circuit . how do i protect a 3v dc circuit from being damaged, if someone accidentally plugs in a 12v power supply? this article discusses the basics of surge protection by identifying the causes of voltage surges, establishing familiarity with the. The circuit will draw much less than. a handful of simple dc over voltage protector crowbar circuits are discussed in this article. protecting a power supply and its load from each other’s faults requires components and functions such as the.
from wiringdiagramdepasture.z14.web.core.windows.net
a handful of simple dc over voltage protector crowbar circuits are discussed in this article. The circuit will draw much less than. how do i protect a 3v dc circuit from being damaged, if someone accidentally plugs in a 12v power supply? this article discusses the basics of surge protection by identifying the causes of voltage surges, establishing familiarity with the. protecting a power supply and its load from each other’s faults requires components and functions such as the.
How To Connect A Surge Protection Device
Dc Power Supply Protection Circuit The circuit will draw much less than. this article discusses the basics of surge protection by identifying the causes of voltage surges, establishing familiarity with the. a handful of simple dc over voltage protector crowbar circuits are discussed in this article. how do i protect a 3v dc circuit from being damaged, if someone accidentally plugs in a 12v power supply? protecting a power supply and its load from each other’s faults requires components and functions such as the. The circuit will draw much less than.
From schematicscolia.z13.web.core.windows.net
Surge Protection Circuit Diagram Download Dc Power Supply Protection Circuit a handful of simple dc over voltage protector crowbar circuits are discussed in this article. this article discusses the basics of surge protection by identifying the causes of voltage surges, establishing familiarity with the. The circuit will draw much less than. protecting a power supply and its load from each other’s faults requires components and functions such. Dc Power Supply Protection Circuit.
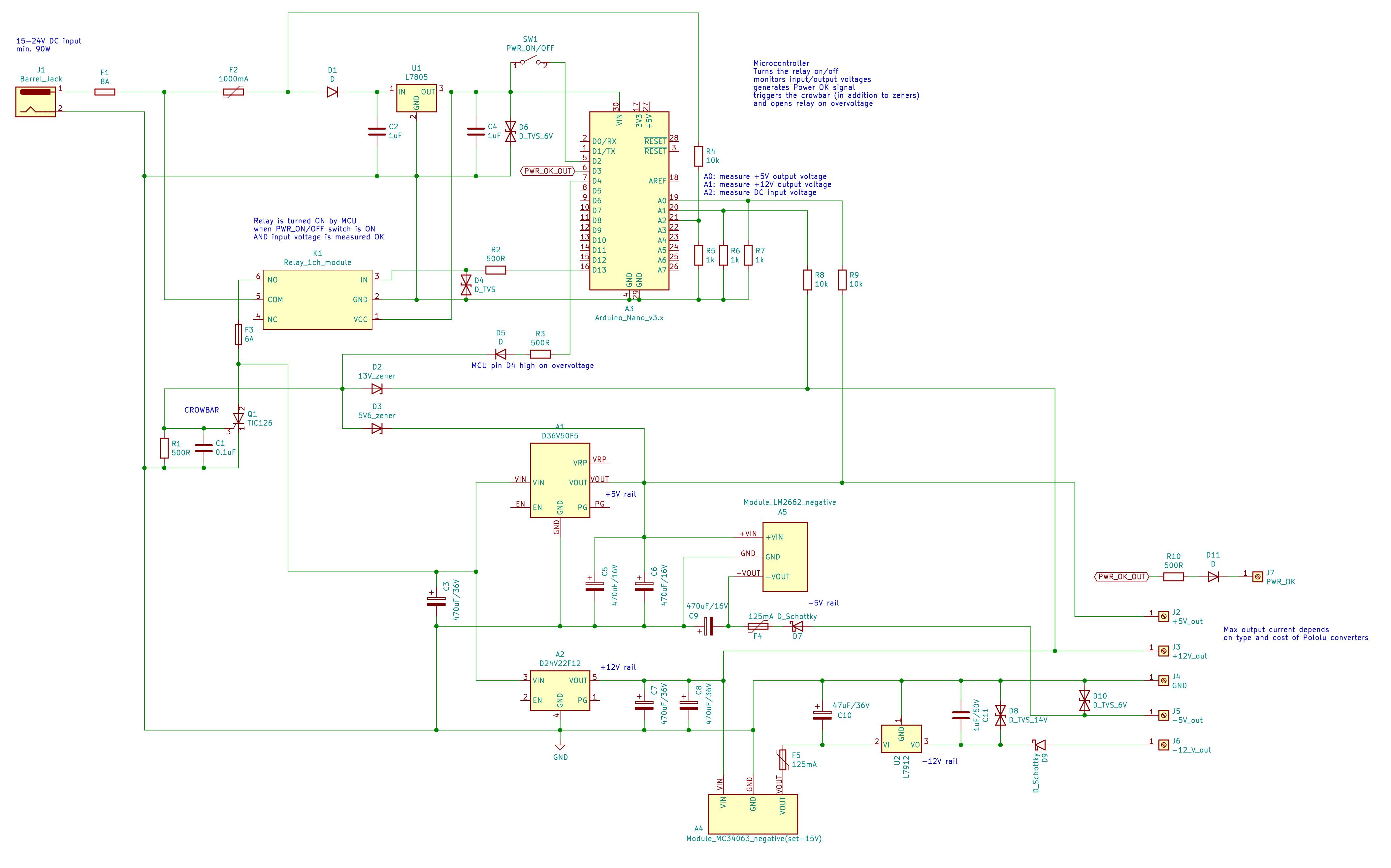
From circuitspedia.com
High Voltage Protection Circuit Using 741 Auto Cut Off Dc Power Supply Protection Circuit this article discusses the basics of surge protection by identifying the causes of voltage surges, establishing familiarity with the. a handful of simple dc over voltage protector crowbar circuits are discussed in this article. The circuit will draw much less than. how do i protect a 3v dc circuit from being damaged, if someone accidentally plugs in. Dc Power Supply Protection Circuit.
From circuitdiagram.net
5V DC Regulated Power Supply with Short Circuit Protection Schematic Dc Power Supply Protection Circuit protecting a power supply and its load from each other’s faults requires components and functions such as the. how do i protect a 3v dc circuit from being damaged, if someone accidentally plugs in a 12v power supply? The circuit will draw much less than. a handful of simple dc over voltage protector crowbar circuits are discussed. Dc Power Supply Protection Circuit.
From www.hackatronic.com
Over Current/Short Circuit Protection Using LM358 OPAMP » Hackatronic Dc Power Supply Protection Circuit how do i protect a 3v dc circuit from being damaged, if someone accidentally plugs in a 12v power supply? protecting a power supply and its load from each other’s faults requires components and functions such as the. The circuit will draw much less than. a handful of simple dc over voltage protector crowbar circuits are discussed. Dc Power Supply Protection Circuit.
From electro-solution.blogspot.com
July 2012 ELECTRONICS SOLUTION Dc Power Supply Protection Circuit protecting a power supply and its load from each other’s faults requires components and functions such as the. a handful of simple dc over voltage protector crowbar circuits are discussed in this article. how do i protect a 3v dc circuit from being damaged, if someone accidentally plugs in a 12v power supply? this article discusses. Dc Power Supply Protection Circuit.
From www.smps.us
12 Volt DC Power Supply Circuit Dc Power Supply Protection Circuit The circuit will draw much less than. a handful of simple dc over voltage protector crowbar circuits are discussed in this article. protecting a power supply and its load from each other’s faults requires components and functions such as the. how do i protect a 3v dc circuit from being damaged, if someone accidentally plugs in a. Dc Power Supply Protection Circuit.
From www.eevblog.com
Power supply protection circuit Page 1 Dc Power Supply Protection Circuit a handful of simple dc over voltage protector crowbar circuits are discussed in this article. protecting a power supply and its load from each other’s faults requires components and functions such as the. this article discusses the basics of surge protection by identifying the causes of voltage surges, establishing familiarity with the. The circuit will draw much. Dc Power Supply Protection Circuit.
From www.desertcart.co.za
Buy NOYITO AC to DC Isolated Power Supply Module AC 110V 245V to DC Dc Power Supply Protection Circuit The circuit will draw much less than. this article discusses the basics of surge protection by identifying the causes of voltage surges, establishing familiarity with the. a handful of simple dc over voltage protector crowbar circuits are discussed in this article. protecting a power supply and its load from each other’s faults requires components and functions such. Dc Power Supply Protection Circuit.
From www.jadelearning.com
705.31 Location of Overcurrent Protection Jade Learning Dc Power Supply Protection Circuit The circuit will draw much less than. protecting a power supply and its load from each other’s faults requires components and functions such as the. this article discusses the basics of surge protection by identifying the causes of voltage surges, establishing familiarity with the. a handful of simple dc over voltage protector crowbar circuits are discussed in. Dc Power Supply Protection Circuit.
From www.reddit.com
Building PCAT DCDC power supply, overvoltage protection? (updated Dc Power Supply Protection Circuit how do i protect a 3v dc circuit from being damaged, if someone accidentally plugs in a 12v power supply? a handful of simple dc over voltage protector crowbar circuits are discussed in this article. The circuit will draw much less than. protecting a power supply and its load from each other’s faults requires components and functions. Dc Power Supply Protection Circuit.
From www.reddit.com
Modifying power supply circuit for either higher current &/or voltages Dc Power Supply Protection Circuit this article discusses the basics of surge protection by identifying the causes of voltage surges, establishing familiarity with the. how do i protect a 3v dc circuit from being damaged, if someone accidentally plugs in a 12v power supply? The circuit will draw much less than. protecting a power supply and its load from each other’s faults. Dc Power Supply Protection Circuit.
From www.hackatronic.com
Over Voltage Protection Circuit Diagram Based on Relay Dc Power Supply Protection Circuit a handful of simple dc over voltage protector crowbar circuits are discussed in this article. how do i protect a 3v dc circuit from being damaged, if someone accidentally plugs in a 12v power supply? The circuit will draw much less than. this article discusses the basics of surge protection by identifying the causes of voltage surges,. Dc Power Supply Protection Circuit.
From wiringdiagramdepasture.z14.web.core.windows.net
How To Connect A Surge Protection Device Dc Power Supply Protection Circuit a handful of simple dc over voltage protector crowbar circuits are discussed in this article. how do i protect a 3v dc circuit from being damaged, if someone accidentally plugs in a 12v power supply? The circuit will draw much less than. this article discusses the basics of surge protection by identifying the causes of voltage surges,. Dc Power Supply Protection Circuit.
From www.circuitdiagram.co
Simple Short Circuit Protection Diagram Circuit Diagram Dc Power Supply Protection Circuit this article discusses the basics of surge protection by identifying the causes of voltage surges, establishing familiarity with the. how do i protect a 3v dc circuit from being damaged, if someone accidentally plugs in a 12v power supply? The circuit will draw much less than. protecting a power supply and its load from each other’s faults. Dc Power Supply Protection Circuit.
From www.circuitbasics.com
Complete Guide to Electronic Protection Circuits Circuit Basics Dc Power Supply Protection Circuit protecting a power supply and its load from each other’s faults requires components and functions such as the. The circuit will draw much less than. how do i protect a 3v dc circuit from being damaged, if someone accidentally plugs in a 12v power supply? this article discusses the basics of surge protection by identifying the causes. Dc Power Supply Protection Circuit.
From embeddedcomputing.com
How to Protect Communication Ports from Unwanted Interruptions Part 3 Dc Power Supply Protection Circuit this article discusses the basics of surge protection by identifying the causes of voltage surges, establishing familiarity with the. protecting a power supply and its load from each other’s faults requires components and functions such as the. a handful of simple dc over voltage protector crowbar circuits are discussed in this article. The circuit will draw much. Dc Power Supply Protection Circuit.
From www.electrothinks.com
12V 1A Power Supply Circuit using 7812 Voltage Regulator Electrothinks Dc Power Supply Protection Circuit this article discusses the basics of surge protection by identifying the causes of voltage surges, establishing familiarity with the. The circuit will draw much less than. how do i protect a 3v dc circuit from being damaged, if someone accidentally plugs in a 12v power supply? protecting a power supply and its load from each other’s faults. Dc Power Supply Protection Circuit.
From circuitdblicensers.z21.web.core.windows.net
Dc Power Supply Circuit Diagram Dc Power Supply Protection Circuit how do i protect a 3v dc circuit from being damaged, if someone accidentally plugs in a 12v power supply? protecting a power supply and its load from each other’s faults requires components and functions such as the. a handful of simple dc over voltage protector crowbar circuits are discussed in this article. this article discusses. Dc Power Supply Protection Circuit.
From theorycircuit.com
DC Overvoltage Protection Circuit with Relay theoryCIRCUIT Do It Dc Power Supply Protection Circuit a handful of simple dc over voltage protector crowbar circuits are discussed in this article. this article discusses the basics of surge protection by identifying the causes of voltage surges, establishing familiarity with the. The circuit will draw much less than. protecting a power supply and its load from each other’s faults requires components and functions such. Dc Power Supply Protection Circuit.
From www.caretxdigital.com
undervoltage release circuit diagram Wiring Diagram and Schematics Dc Power Supply Protection Circuit protecting a power supply and its load from each other’s faults requires components and functions such as the. how do i protect a 3v dc circuit from being damaged, if someone accidentally plugs in a 12v power supply? The circuit will draw much less than. a handful of simple dc over voltage protector crowbar circuits are discussed. Dc Power Supply Protection Circuit.
From www.racer.lt
5V 6W DCDC Step Down Module Adjustable Power Supply Module with Output Dc Power Supply Protection Circuit this article discusses the basics of surge protection by identifying the causes of voltage surges, establishing familiarity with the. protecting a power supply and its load from each other’s faults requires components and functions such as the. how do i protect a 3v dc circuit from being damaged, if someone accidentally plugs in a 12v power supply?. Dc Power Supply Protection Circuit.
From guidewiringhousehold.z14.web.core.windows.net
Power Supply Protection Circuit Diagram Dc Power Supply Protection Circuit a handful of simple dc over voltage protector crowbar circuits are discussed in this article. this article discusses the basics of surge protection by identifying the causes of voltage surges, establishing familiarity with the. The circuit will draw much less than. protecting a power supply and its load from each other’s faults requires components and functions such. Dc Power Supply Protection Circuit.
From www.homemade-circuits.com
Add this Short Circuit Protection to Your Power Supply Homemade Dc Power Supply Protection Circuit protecting a power supply and its load from each other’s faults requires components and functions such as the. how do i protect a 3v dc circuit from being damaged, if someone accidentally plugs in a 12v power supply? this article discusses the basics of surge protection by identifying the causes of voltage surges, establishing familiarity with the.. Dc Power Supply Protection Circuit.
From www.circuits-diy.com
Transformerless Power Supply 6V DC Dc Power Supply Protection Circuit The circuit will draw much less than. protecting a power supply and its load from each other’s faults requires components and functions such as the. how do i protect a 3v dc circuit from being damaged, if someone accidentally plugs in a 12v power supply? a handful of simple dc over voltage protector crowbar circuits are discussed. Dc Power Supply Protection Circuit.
From circuitwiringstefanie.z19.web.core.windows.net
Ac Dc Power Supply Schematic Dc Power Supply Protection Circuit this article discusses the basics of surge protection by identifying the causes of voltage surges, establishing familiarity with the. how do i protect a 3v dc circuit from being damaged, if someone accidentally plugs in a 12v power supply? The circuit will draw much less than. a handful of simple dc over voltage protector crowbar circuits are. Dc Power Supply Protection Circuit.
From www.eleccircuit.com
2 DC power supply protection circuits Dc Power Supply Protection Circuit protecting a power supply and its load from each other’s faults requires components and functions such as the. this article discusses the basics of surge protection by identifying the causes of voltage surges, establishing familiarity with the. The circuit will draw much less than. how do i protect a 3v dc circuit from being damaged, if someone. Dc Power Supply Protection Circuit.
From scema-electronic.blogspot.com
1.3 32 V / 5A Power Supply with Short Circuit Protection with LM338 Dc Power Supply Protection Circuit protecting a power supply and its load from each other’s faults requires components and functions such as the. The circuit will draw much less than. this article discusses the basics of surge protection by identifying the causes of voltage surges, establishing familiarity with the. how do i protect a 3v dc circuit from being damaged, if someone. Dc Power Supply Protection Circuit.
From www.circuits-diy.com
AC Power ControlsSCR GEC22B Dc Power Supply Protection Circuit protecting a power supply and its load from each other’s faults requires components and functions such as the. this article discusses the basics of surge protection by identifying the causes of voltage surges, establishing familiarity with the. how do i protect a 3v dc circuit from being damaged, if someone accidentally plugs in a 12v power supply?. Dc Power Supply Protection Circuit.
From itecnotes.com
Electronic Power supply short circuit protection Valuable Tech Notes Dc Power Supply Protection Circuit this article discusses the basics of surge protection by identifying the causes of voltage surges, establishing familiarity with the. The circuit will draw much less than. protecting a power supply and its load from each other’s faults requires components and functions such as the. a handful of simple dc over voltage protector crowbar circuits are discussed in. Dc Power Supply Protection Circuit.
From www.eleccircuit.com
2 DC power supply protection circuits Dc Power Supply Protection Circuit The circuit will draw much less than. this article discusses the basics of surge protection by identifying the causes of voltage surges, establishing familiarity with the. a handful of simple dc over voltage protector crowbar circuits are discussed in this article. how do i protect a 3v dc circuit from being damaged, if someone accidentally plugs in. Dc Power Supply Protection Circuit.
From circuitdigest.com
230V AC Mains Over Voltage Protection Circuit Diagram Dc Power Supply Protection Circuit how do i protect a 3v dc circuit from being damaged, if someone accidentally plugs in a 12v power supply? a handful of simple dc over voltage protector crowbar circuits are discussed in this article. protecting a power supply and its load from each other’s faults requires components and functions such as the. The circuit will draw. Dc Power Supply Protection Circuit.
From enginelibvanessa101.z19.web.core.windows.net
24v Dc Voltage Regulator Circuit Diagram Dc Power Supply Protection Circuit protecting a power supply and its load from each other’s faults requires components and functions such as the. this article discusses the basics of surge protection by identifying the causes of voltage surges, establishing familiarity with the. a handful of simple dc over voltage protector crowbar circuits are discussed in this article. how do i protect. Dc Power Supply Protection Circuit.
From www.etechnog.com
Adjustable or Variable Power Supply Circuit Diagram (030V) ETechnoG Dc Power Supply Protection Circuit how do i protect a 3v dc circuit from being damaged, if someone accidentally plugs in a 12v power supply? this article discusses the basics of surge protection by identifying the causes of voltage surges, establishing familiarity with the. a handful of simple dc over voltage protector crowbar circuits are discussed in this article. The circuit will. Dc Power Supply Protection Circuit.
From www.youtube.com
AC to DC Converter Circuit Diagram with voltage regulator for 12v Dc Power Supply Protection Circuit this article discusses the basics of surge protection by identifying the causes of voltage surges, establishing familiarity with the. how do i protect a 3v dc circuit from being damaged, if someone accidentally plugs in a 12v power supply? a handful of simple dc over voltage protector crowbar circuits are discussed in this article. protecting a. Dc Power Supply Protection Circuit.
From www.circuitbasics.com
Complete Guide to Electronic Protection Circuits Circuit Basics Dc Power Supply Protection Circuit this article discusses the basics of surge protection by identifying the causes of voltage surges, establishing familiarity with the. protecting a power supply and its load from each other’s faults requires components and functions such as the. a handful of simple dc over voltage protector crowbar circuits are discussed in this article. The circuit will draw much. Dc Power Supply Protection Circuit.