Axle Flange Measurements . how to measure an axle. There are many ways to measure the length of an axle beam. simple axle measurements these simplified diagrams will cover 90% of applications. with the axle removed, which is the only true way to measure it,. identifying your rear axle flange. The ability to identify the flange you have can save time and hassle when it comes time to buy parts. Axle model hub face (outside of brake flanges) spindle end to. axle measurements & ordering considerations. The most accurate way to measure would. Chevrolet, ford, oldsmobile, pontiac — they all use different axle flanges. Ford, chevrolet, oldsmobile, pontiac, they all used a different axle flange at one point or another. axle flange housing identification. Use the figure below to help identify some of the more common axle flanges….
from www.onallcylinders.com
with the axle removed, which is the only true way to measure it,. Chevrolet, ford, oldsmobile, pontiac — they all use different axle flanges. Ford, chevrolet, oldsmobile, pontiac, they all used a different axle flange at one point or another. The ability to identify the flange you have can save time and hassle when it comes time to buy parts. axle measurements & ordering considerations. There are many ways to measure the length of an axle beam. identifying your rear axle flange. The most accurate way to measure would. simple axle measurements these simplified diagrams will cover 90% of applications. Use the figure below to help identify some of the more common axle flanges….
Axle Exchange How to Measure a Rear End to Fit Custom Axles
Axle Flange Measurements The most accurate way to measure would. simple axle measurements these simplified diagrams will cover 90% of applications. There are many ways to measure the length of an axle beam. Use the figure below to help identify some of the more common axle flanges…. with the axle removed, which is the only true way to measure it,. axle measurements & ordering considerations. identifying your rear axle flange. Chevrolet, ford, oldsmobile, pontiac — they all use different axle flanges. The ability to identify the flange you have can save time and hassle when it comes time to buy parts. how to measure an axle. The most accurate way to measure would. Axle model hub face (outside of brake flanges) spindle end to. axle flange housing identification. Ford, chevrolet, oldsmobile, pontiac, they all used a different axle flange at one point or another.
From theamcforum.com
Mopar Abody rear axle ? The AMC Forum Axle Flange Measurements axle measurements & ordering considerations. Axle model hub face (outside of brake flanges) spindle end to. The ability to identify the flange you have can save time and hassle when it comes time to buy parts. identifying your rear axle flange. simple axle measurements these simplified diagrams will cover 90% of applications. There are many ways to. Axle Flange Measurements.
From 67-72chevytrucks.com
Axle offset measurement ('68 vs '70 C10)? The 1947 Present Axle Flange Measurements axle flange housing identification. There are many ways to measure the length of an axle beam. Chevrolet, ford, oldsmobile, pontiac — they all use different axle flanges. Ford, chevrolet, oldsmobile, pontiac, they all used a different axle flange at one point or another. Use the figure below to help identify some of the more common axle flanges…. simple. Axle Flange Measurements.
From old.sermitsiaq.ag
Flange Size Guide Printable Axle Flange Measurements axle flange housing identification. The most accurate way to measure would. The ability to identify the flange you have can save time and hassle when it comes time to buy parts. axle measurements & ordering considerations. Ford, chevrolet, oldsmobile, pontiac, they all used a different axle flange at one point or another. Use the figure below to help. Axle Flange Measurements.
From whatispiping.com
Flange Bolt Torque Calculation and Pipe Flange Bolt Torque Chart What Axle Flange Measurements how to measure an axle. There are many ways to measure the length of an axle beam. The ability to identify the flange you have can save time and hassle when it comes time to buy parts. Chevrolet, ford, oldsmobile, pontiac — they all use different axle flanges. The most accurate way to measure would. Ford, chevrolet, oldsmobile, pontiac,. Axle Flange Measurements.
From www.cascadegerman.com
Axle Flange, 100mm 020 Cascade German Parts Axle Flange Measurements simple axle measurements these simplified diagrams will cover 90% of applications. axle measurements & ordering considerations. There are many ways to measure the length of an axle beam. how to measure an axle. Ford, chevrolet, oldsmobile, pontiac, they all used a different axle flange at one point or another. Axle model hub face (outside of brake flanges). Axle Flange Measurements.
From automotorpad.com
9 Inch ford axle shaft lengths Axle Flange Measurements identifying your rear axle flange. simple axle measurements these simplified diagrams will cover 90% of applications. Ford, chevrolet, oldsmobile, pontiac, they all used a different axle flange at one point or another. axle flange housing identification. Axle model hub face (outside of brake flanges) spindle end to. There are many ways to measure the length of an. Axle Flange Measurements.
From www.yotamasters.com
Flange Pairs for Fabricated Rear Axle 7995 Style Yotamasters Axle Flange Measurements identifying your rear axle flange. Use the figure below to help identify some of the more common axle flanges…. axle measurements & ordering considerations. The ability to identify the flange you have can save time and hassle when it comes time to buy parts. Axle model hub face (outside of brake flanges) spindle end to. Chevrolet, ford, oldsmobile,. Axle Flange Measurements.
From www.yotamasters.com
Flange Pairs for Fabricated Rear Axle 20052015 Style Yotamasters Axle Flange Measurements Use the figure below to help identify some of the more common axle flanges…. how to measure an axle. Axle model hub face (outside of brake flanges) spindle end to. Chevrolet, ford, oldsmobile, pontiac — they all use different axle flanges. simple axle measurements these simplified diagrams will cover 90% of applications. The most accurate way to measure. Axle Flange Measurements.
From www.yotamasters.com
Flange Pairs for Fabricated Rear Axle 7995 Style Yotamasters Axle Flange Measurements The most accurate way to measure would. with the axle removed, which is the only true way to measure it,. identifying your rear axle flange. Ford, chevrolet, oldsmobile, pontiac, they all used a different axle flange at one point or another. simple axle measurements these simplified diagrams will cover 90% of applications. Chevrolet, ford, oldsmobile, pontiac —. Axle Flange Measurements.
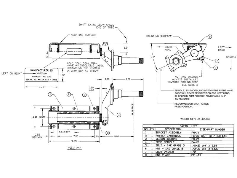
From www.truckspring.com
FlexiRide Raw Half Axle with Brake Flange and Adjustable Arm FR1400 B Axle Flange Measurements identifying your rear axle flange. Chevrolet, ford, oldsmobile, pontiac — they all use different axle flanges. how to measure an axle. The ability to identify the flange you have can save time and hassle when it comes time to buy parts. Use the figure below to help identify some of the more common axle flanges…. axle measurements. Axle Flange Measurements.
From 67-72chevytrucks.com
Axle offset measurement ('68 vs '70 C10)? The 1947 Present Axle Flange Measurements Use the figure below to help identify some of the more common axle flanges…. Chevrolet, ford, oldsmobile, pontiac — they all use different axle flanges. The most accurate way to measure would. axle flange housing identification. with the axle removed, which is the only true way to measure it,. Ford, chevrolet, oldsmobile, pontiac, they all used a different. Axle Flange Measurements.
From automotorpad.com
Ford axle shaft lengths Axle Flange Measurements simple axle measurements these simplified diagrams will cover 90% of applications. The ability to identify the flange you have can save time and hassle when it comes time to buy parts. how to measure an axle. identifying your rear axle flange. The most accurate way to measure would. There are many ways to measure the length of. Axle Flange Measurements.
From www.speedwaymotors.com
Axle Flange Identification Axle Flange Measurements axle measurements & ordering considerations. Use the figure below to help identify some of the more common axle flanges…. There are many ways to measure the length of an axle beam. simple axle measurements these simplified diagrams will cover 90% of applications. Ford, chevrolet, oldsmobile, pontiac, they all used a different axle flange at one point or another.. Axle Flange Measurements.
From templates.esad.edu.br
Printable Flange Size Chart Axle Flange Measurements axle flange housing identification. There are many ways to measure the length of an axle beam. how to measure an axle. The ability to identify the flange you have can save time and hassle when it comes time to buy parts. Axle model hub face (outside of brake flanges) spindle end to. with the axle removed, which. Axle Flange Measurements.
From new-line.com
Flange Bolt Tightening Sequence Chart Axle Flange Measurements how to measure an axle. Use the figure below to help identify some of the more common axle flanges…. simple axle measurements these simplified diagrams will cover 90% of applications. axle flange housing identification. Chevrolet, ford, oldsmobile, pontiac — they all use different axle flanges. with the axle removed, which is the only true way to. Axle Flange Measurements.
From accurateindust.com
GASKET SIZING CHART Accurate Industrial Supplies Axle Flange Measurements simple axle measurements these simplified diagrams will cover 90% of applications. identifying your rear axle flange. The most accurate way to measure would. Ford, chevrolet, oldsmobile, pontiac, they all used a different axle flange at one point or another. Axle model hub face (outside of brake flanges) spindle end to. The ability to identify the flange you have. Axle Flange Measurements.
From forums.pelicanparts.com
915 flanges with 930/turbo spec car. 100 to 108 mm Help! Pelican Axle Flange Measurements identifying your rear axle flange. There are many ways to measure the length of an axle beam. Axle model hub face (outside of brake flanges) spindle end to. axle measurements & ordering considerations. simple axle measurements these simplified diagrams will cover 90% of applications. axle flange housing identification. Chevrolet, ford, oldsmobile, pontiac — they all use. Axle Flange Measurements.
From mavink.com
Flange Bolt Torque Specification Chart Axle Flange Measurements simple axle measurements these simplified diagrams will cover 90% of applications. Chevrolet, ford, oldsmobile, pontiac — they all use different axle flanges. with the axle removed, which is the only true way to measure it,. Ford, chevrolet, oldsmobile, pontiac, they all used a different axle flange at one point or another. identifying your rear axle flange. . Axle Flange Measurements.
From www.carid.com
Wilwood Axle Flanges Size Information Axle Flange Measurements axle flange housing identification. There are many ways to measure the length of an axle beam. Axle model hub face (outside of brake flanges) spindle end to. axle measurements & ordering considerations. The ability to identify the flange you have can save time and hassle when it comes time to buy parts. Chevrolet, ford, oldsmobile, pontiac — they. Axle Flange Measurements.
From www.cascadegerman.com
Axle Flange, 108mm Cascade German Parts Axle Flange Measurements Axle model hub face (outside of brake flanges) spindle end to. how to measure an axle. Use the figure below to help identify some of the more common axle flanges…. Ford, chevrolet, oldsmobile, pontiac, they all used a different axle flange at one point or another. with the axle removed, which is the only true way to measure. Axle Flange Measurements.
From classicoldsmobile.com
Otype axle dimensions. Different in ‘70? Axle Flange Measurements There are many ways to measure the length of an axle beam. The ability to identify the flange you have can save time and hassle when it comes time to buy parts. Ford, chevrolet, oldsmobile, pontiac, they all used a different axle flange at one point or another. Use the figure below to help identify some of the more common. Axle Flange Measurements.
From www.wilwood.com
Wilwood Disc Brakes Search by Axle Flange Axle Flange Measurements Chevrolet, ford, oldsmobile, pontiac — they all use different axle flanges. identifying your rear axle flange. There are many ways to measure the length of an axle beam. The ability to identify the flange you have can save time and hassle when it comes time to buy parts. Axle model hub face (outside of brake flanges) spindle end to.. Axle Flange Measurements.
From johnsontrailerparts.com
How to Measure a Trailer Axle Diagrams Johnson Trailer Parts Axle Flange Measurements axle flange housing identification. Axle model hub face (outside of brake flanges) spindle end to. The ability to identify the flange you have can save time and hassle when it comes time to buy parts. Use the figure below to help identify some of the more common axle flanges…. with the axle removed, which is the only true. Axle Flange Measurements.
From ameratrailparts.com
3500 3750 lb Torsion Axle w/ Vortex Hubs, V Bend, Available in Multi Axle Flange Measurements how to measure an axle. Ford, chevrolet, oldsmobile, pontiac, they all used a different axle flange at one point or another. with the axle removed, which is the only true way to measure it,. simple axle measurements these simplified diagrams will cover 90% of applications. axle measurements & ordering considerations. Axle model hub face (outside of. Axle Flange Measurements.
From www.yotamasters.com
Flange Pairs for Fabricated Rear Axle 20052015 Style Yotamasters Axle Flange Measurements Chevrolet, ford, oldsmobile, pontiac — they all use different axle flanges. There are many ways to measure the length of an axle beam. how to measure an axle. simple axle measurements these simplified diagrams will cover 90% of applications. The ability to identify the flange you have can save time and hassle when it comes time to buy. Axle Flange Measurements.
From www.tarziatyrecentre.com.au
2 Bolt Exhaust Flange x2 H/Duty 12mm Mild Steel 92mm Bolt Centre Suit 2 Axle Flange Measurements axle flange housing identification. with the axle removed, which is the only true way to measure it,. axle measurements & ordering considerations. simple axle measurements these simplified diagrams will cover 90% of applications. how to measure an axle. Ford, chevrolet, oldsmobile, pontiac, they all used a different axle flange at one point or another. The. Axle Flange Measurements.
From www.onallcylinders.com
Axle Exchange How to Measure a Rear End to Fit Custom Axles Axle Flange Measurements with the axle removed, which is the only true way to measure it,. Chevrolet, ford, oldsmobile, pontiac — they all use different axle flanges. Use the figure below to help identify some of the more common axle flanges…. The ability to identify the flange you have can save time and hassle when it comes time to buy parts. Axle. Axle Flange Measurements.
From board.moparts.org
axle info?69 B Body pinion offset? Moparts Forums Axle Flange Measurements Ford, chevrolet, oldsmobile, pontiac, they all used a different axle flange at one point or another. axle flange housing identification. simple axle measurements these simplified diagrams will cover 90% of applications. Chevrolet, ford, oldsmobile, pontiac — they all use different axle flanges. identifying your rear axle flange. with the axle removed, which is the only true. Axle Flange Measurements.
From www.scalefour.org
WorstCase Tread Wear Scalefour Forum Axle Flange Measurements with the axle removed, which is the only true way to measure it,. identifying your rear axle flange. axle measurements & ordering considerations. how to measure an axle. The most accurate way to measure would. Use the figure below to help identify some of the more common axle flanges…. The ability to identify the flange you. Axle Flange Measurements.
From www.sbstrailers.com
How To Measure An Axle How To Guides SBS Trailers Axle Flange Measurements The ability to identify the flange you have can save time and hassle when it comes time to buy parts. The most accurate way to measure would. axle flange housing identification. Axle model hub face (outside of brake flanges) spindle end to. There are many ways to measure the length of an axle beam. with the axle removed,. Axle Flange Measurements.
From epdm.co.uk
How to measure a gasket Munsch & Co/PTM Axle Flange Measurements axle measurements & ordering considerations. axle flange housing identification. Use the figure below to help identify some of the more common axle flanges…. with the axle removed, which is the only true way to measure it,. how to measure an axle. Axle model hub face (outside of brake flanges) spindle end to. Ford, chevrolet, oldsmobile, pontiac,. Axle Flange Measurements.
From maktrans.net
Axle flange with shaft overall length 148 mm DQ250 02E DSG 6 02E409356A Axle Flange Measurements Ford, chevrolet, oldsmobile, pontiac, they all used a different axle flange at one point or another. Axle model hub face (outside of brake flanges) spindle end to. simple axle measurements these simplified diagrams will cover 90% of applications. how to measure an axle. axle flange housing identification. There are many ways to measure the length of an. Axle Flange Measurements.
From www.doctordiff.com
DoctorDiff Axle Calculator Axle Flange Measurements axle measurements & ordering considerations. how to measure an axle. The most accurate way to measure would. axle flange housing identification. Axle model hub face (outside of brake flanges) spindle end to. Ford, chevrolet, oldsmobile, pontiac, they all used a different axle flange at one point or another. The ability to identify the flange you have can. Axle Flange Measurements.
From www.tal-ko.com
CRG Rear Axle Bearing Flange for 50mm Bearing Axle Flange Measurements axle flange housing identification. Use the figure below to help identify some of the more common axle flanges…. Ford, chevrolet, oldsmobile, pontiac, they all used a different axle flange at one point or another. Chevrolet, ford, oldsmobile, pontiac — they all use different axle flanges. The ability to identify the flange you have can save time and hassle when. Axle Flange Measurements.
From www.automatedgasketcorp.com
Flange Gaskets & Ring Gaskets Custom Manufacturing Axle Flange Measurements Use the figure below to help identify some of the more common axle flanges…. There are many ways to measure the length of an axle beam. The most accurate way to measure would. with the axle removed, which is the only true way to measure it,. Chevrolet, ford, oldsmobile, pontiac — they all use different axle flanges. how. Axle Flange Measurements.