Zebra Printer Calibration Problem . This advanced mode is typically used to calibrate the printer to media. If printing in direct thermal. This article solves printer skipping labels, rolling out blank labels, and giving media out errors, it shows how to adjust media sensors on the zt400 series printers. Manual calibration is recommended whenever you are using pre. This article outlines how to perform, set, and troubleshoot printer calibration issues for ze500 series printers. Use these steps to manually calibrate the printer for the loaded media.
from howifx.com
This article solves printer skipping labels, rolling out blank labels, and giving media out errors, it shows how to adjust media sensors on the zt400 series printers. Manual calibration is recommended whenever you are using pre. Use these steps to manually calibrate the printer for the loaded media. If printing in direct thermal. This advanced mode is typically used to calibrate the printer to media. This article outlines how to perform, set, and troubleshoot printer calibration issues for ze500 series printers.
How Do I Fix The Alignment On My Zebra Printer
Zebra Printer Calibration Problem This article outlines how to perform, set, and troubleshoot printer calibration issues for ze500 series printers. This article solves printer skipping labels, rolling out blank labels, and giving media out errors, it shows how to adjust media sensors on the zt400 series printers. Manual calibration is recommended whenever you are using pre. This article outlines how to perform, set, and troubleshoot printer calibration issues for ze500 series printers. This advanced mode is typically used to calibrate the printer to media. If printing in direct thermal. Use these steps to manually calibrate the printer for the loaded media.
From www.youtube.com
Zebra GX430T Barcode Printer How to Calibration , SelfTest, Reset Zebra Printer Calibration Problem This advanced mode is typically used to calibrate the printer to media. This article solves printer skipping labels, rolling out blank labels, and giving media out errors, it shows how to adjust media sensors on the zt400 series printers. Manual calibration is recommended whenever you are using pre. If printing in direct thermal. This article outlines how to perform, set,. Zebra Printer Calibration Problem.
From blog.websoft9.com
Zebra Printer Won't Calibrate Flash Sales Zebra Printer Calibration Problem This article solves printer skipping labels, rolling out blank labels, and giving media out errors, it shows how to adjust media sensors on the zt400 series printers. Use these steps to manually calibrate the printer for the loaded media. This article outlines how to perform, set, and troubleshoot printer calibration issues for ze500 series printers. This advanced mode is typically. Zebra Printer Calibration Problem.
From blog.advanced-automationinc.com
How to Manually Calibrate Label Printer Zebra ZT610 & ZT620 Zebra Printer Calibration Problem Manual calibration is recommended whenever you are using pre. If printing in direct thermal. This advanced mode is typically used to calibrate the printer to media. This article solves printer skipping labels, rolling out blank labels, and giving media out errors, it shows how to adjust media sensors on the zt400 series printers. Use these steps to manually calibrate the. Zebra Printer Calibration Problem.
From blog.advanced-automationinc.com
How to Manually Calibrate Label Printer Zebra ZT610 & ZT620 Zebra Printer Calibration Problem This article solves printer skipping labels, rolling out blank labels, and giving media out errors, it shows how to adjust media sensors on the zt400 series printers. This advanced mode is typically used to calibrate the printer to media. If printing in direct thermal. This article outlines how to perform, set, and troubleshoot printer calibration issues for ze500 series printers.. Zebra Printer Calibration Problem.
From www.youtube.com
Zebra ZD421 / Zebra ZD621 Media Calibration 貼紙校正 YouTube Zebra Printer Calibration Problem If printing in direct thermal. Use these steps to manually calibrate the printer for the loaded media. This advanced mode is typically used to calibrate the printer to media. Manual calibration is recommended whenever you are using pre. This article solves printer skipping labels, rolling out blank labels, and giving media out errors, it shows how to adjust media sensors. Zebra Printer Calibration Problem.
From www.youtube.com
How to calibrate & align labels on Zebra ZQ610, ZQ620, ZQ630 label Zebra Printer Calibration Problem If printing in direct thermal. Use these steps to manually calibrate the printer for the loaded media. This article outlines how to perform, set, and troubleshoot printer calibration issues for ze500 series printers. This advanced mode is typically used to calibrate the printer to media. Manual calibration is recommended whenever you are using pre. This article solves printer skipping labels,. Zebra Printer Calibration Problem.
From www.youtube.com
How to Manually Calibrate Media in Your Desktop Label Printer Zebra Zebra Printer Calibration Problem If printing in direct thermal. This article outlines how to perform, set, and troubleshoot printer calibration issues for ze500 series printers. This article solves printer skipping labels, rolling out blank labels, and giving media out errors, it shows how to adjust media sensors on the zt400 series printers. This advanced mode is typically used to calibrate the printer to media.. Zebra Printer Calibration Problem.
From www.youtube.com
Zebra Printer Calibration and Configuration YouTube Zebra Printer Calibration Problem Manual calibration is recommended whenever you are using pre. Use these steps to manually calibrate the printer for the loaded media. If printing in direct thermal. This article solves printer skipping labels, rolling out blank labels, and giving media out errors, it shows how to adjust media sensors on the zt400 series printers. This article outlines how to perform, set,. Zebra Printer Calibration Problem.
From www.youtube.com
How to Calibrate a Zebra ZD220 YouTube Zebra Printer Calibration Problem Manual calibration is recommended whenever you are using pre. Use these steps to manually calibrate the printer for the loaded media. If printing in direct thermal. This article outlines how to perform, set, and troubleshoot printer calibration issues for ze500 series printers. This advanced mode is typically used to calibrate the printer to media. This article solves printer skipping labels,. Zebra Printer Calibration Problem.
From howifx.com
How Do I Fix The Alignment On My Zebra Printer Zebra Printer Calibration Problem This article solves printer skipping labels, rolling out blank labels, and giving media out errors, it shows how to adjust media sensors on the zt400 series printers. Manual calibration is recommended whenever you are using pre. Use these steps to manually calibrate the printer for the loaded media. If printing in direct thermal. This article outlines how to perform, set,. Zebra Printer Calibration Problem.
From www.lexicontech.com
Zebra ZT230 Calibration StepbyStep Guide Lexicon Technologies Zebra Printer Calibration Problem This article outlines how to perform, set, and troubleshoot printer calibration issues for ze500 series printers. If printing in direct thermal. This article solves printer skipping labels, rolling out blank labels, and giving media out errors, it shows how to adjust media sensors on the zt400 series printers. Use these steps to manually calibrate the printer for the loaded media.. Zebra Printer Calibration Problem.
From blog.websoft9.com
Zebra Printer Won't Calibrate Flash Sales Zebra Printer Calibration Problem This article outlines how to perform, set, and troubleshoot printer calibration issues for ze500 series printers. Manual calibration is recommended whenever you are using pre. This article solves printer skipping labels, rolling out blank labels, and giving media out errors, it shows how to adjust media sensors on the zt400 series printers. This advanced mode is typically used to calibrate. Zebra Printer Calibration Problem.
From www.youtube.com
Zebra GK420t printer do not work calibrate. YouTube Zebra Printer Calibration Problem If printing in direct thermal. This article outlines how to perform, set, and troubleshoot printer calibration issues for ze500 series printers. This article solves printer skipping labels, rolling out blank labels, and giving media out errors, it shows how to adjust media sensors on the zt400 series printers. Manual calibration is recommended whenever you are using pre. Use these steps. Zebra Printer Calibration Problem.
From help.coreware.com
Setting up the Zebra ZD410 on a computer for custom label printing Zebra Printer Calibration Problem If printing in direct thermal. This article solves printer skipping labels, rolling out blank labels, and giving media out errors, it shows how to adjust media sensors on the zt400 series printers. Manual calibration is recommended whenever you are using pre. Use these steps to manually calibrate the printer for the loaded media. This advanced mode is typically used to. Zebra Printer Calibration Problem.
From www.lexicontech.com
How Do I Calibrate My Zebra Printer Zebra Printer Repair Zebra Printer Calibration Problem Manual calibration is recommended whenever you are using pre. This advanced mode is typically used to calibrate the printer to media. Use these steps to manually calibrate the printer for the loaded media. This article outlines how to perform, set, and troubleshoot printer calibration issues for ze500 series printers. This article solves printer skipping labels, rolling out blank labels, and. Zebra Printer Calibration Problem.
From www.youtube.com
How to Calibrate Zebra ZD220 ZD 230 Barcode label printer ? Media Zebra Printer Calibration Problem This article outlines how to perform, set, and troubleshoot printer calibration issues for ze500 series printers. Manual calibration is recommended whenever you are using pre. If printing in direct thermal. This article solves printer skipping labels, rolling out blank labels, and giving media out errors, it shows how to adjust media sensors on the zt400 series printers. Use these steps. Zebra Printer Calibration Problem.
From www.youtube.com
ZT411 Printer Ribbon and Media Calibration Zebra YouTube Zebra Printer Calibration Problem Manual calibration is recommended whenever you are using pre. This article solves printer skipping labels, rolling out blank labels, and giving media out errors, it shows how to adjust media sensors on the zt400 series printers. Use these steps to manually calibrate the printer for the loaded media. This advanced mode is typically used to calibrate the printer to media.. Zebra Printer Calibration Problem.
From www.youtube.com
How to Manually Calibrate Label Printer Zebra ZT410 • ZT411 • ZT420 Zebra Printer Calibration Problem This article outlines how to perform, set, and troubleshoot printer calibration issues for ze500 series printers. This advanced mode is typically used to calibrate the printer to media. Use these steps to manually calibrate the printer for the loaded media. This article solves printer skipping labels, rolling out blank labels, and giving media out errors, it shows how to adjust. Zebra Printer Calibration Problem.
From www.youtube.com
How to Manually Calibrate the ZT211 Printer Zebra YouTube Zebra Printer Calibration Problem This advanced mode is typically used to calibrate the printer to media. Use these steps to manually calibrate the printer for the loaded media. If printing in direct thermal. Manual calibration is recommended whenever you are using pre. This article outlines how to perform, set, and troubleshoot printer calibration issues for ze500 series printers. This article solves printer skipping labels,. Zebra Printer Calibration Problem.
From virtualtechland.com
ERROR CONDITION PAPER OUT Zebra 110xi4 (4 Easy Fixes!) Zebra Printer Calibration Problem Use these steps to manually calibrate the printer for the loaded media. This advanced mode is typically used to calibrate the printer to media. Manual calibration is recommended whenever you are using pre. This article outlines how to perform, set, and troubleshoot printer calibration issues for ze500 series printers. If printing in direct thermal. This article solves printer skipping labels,. Zebra Printer Calibration Problem.
From supportcommunity.zebra.com
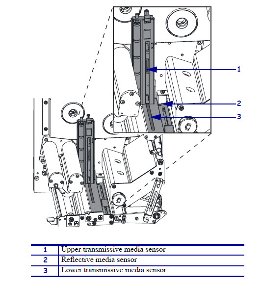
ZE500 Series Printer Printer Calibration, Label Registration Issues Zebra Printer Calibration Problem If printing in direct thermal. This article outlines how to perform, set, and troubleshoot printer calibration issues for ze500 series printers. This advanced mode is typically used to calibrate the printer to media. Manual calibration is recommended whenever you are using pre. Use these steps to manually calibrate the printer for the loaded media. This article solves printer skipping labels,. Zebra Printer Calibration Problem.
From www.youtube.com
How to Manually Calibrate the ZT111 Printer Zebra YouTube Zebra Printer Calibration Problem Manual calibration is recommended whenever you are using pre. If printing in direct thermal. Use these steps to manually calibrate the printer for the loaded media. This article solves printer skipping labels, rolling out blank labels, and giving media out errors, it shows how to adjust media sensors on the zt400 series printers. This article outlines how to perform, set,. Zebra Printer Calibration Problem.
From www.youtube.com
Zebra GC420 Media Calibration Tips and Tricks YouTube Zebra Printer Calibration Problem This advanced mode is typically used to calibrate the printer to media. Manual calibration is recommended whenever you are using pre. This article outlines how to perform, set, and troubleshoot printer calibration issues for ze500 series printers. If printing in direct thermal. Use these steps to manually calibrate the printer for the loaded media. This article solves printer skipping labels,. Zebra Printer Calibration Problem.
From www.youtube.com
Zebra ZT411 Printer How To Manually calibration media and ribbon YouTube Zebra Printer Calibration Problem This article outlines how to perform, set, and troubleshoot printer calibration issues for ze500 series printers. If printing in direct thermal. Use these steps to manually calibrate the printer for the loaded media. This article solves printer skipping labels, rolling out blank labels, and giving media out errors, it shows how to adjust media sensors on the zt400 series printers.. Zebra Printer Calibration Problem.
From www.youtube.com
How to Manually Calibrate the ZT411 and ZT421 Zebra Printers YouTube Zebra Printer Calibration Problem This article solves printer skipping labels, rolling out blank labels, and giving media out errors, it shows how to adjust media sensors on the zt400 series printers. This advanced mode is typically used to calibrate the printer to media. If printing in direct thermal. Use these steps to manually calibrate the printer for the loaded media. This article outlines how. Zebra Printer Calibration Problem.
From www.youtube.com
Calibrating the Zebra Printer YouTube Zebra Printer Calibration Problem Use these steps to manually calibrate the printer for the loaded media. If printing in direct thermal. This article outlines how to perform, set, and troubleshoot printer calibration issues for ze500 series printers. Manual calibration is recommended whenever you are using pre. This advanced mode is typically used to calibrate the printer to media. This article solves printer skipping labels,. Zebra Printer Calibration Problem.
From blog.advanced-automationinc.com
How to Manually Calibrate Media in Your Desktop Label Printer Zebra Zebra Printer Calibration Problem Manual calibration is recommended whenever you are using pre. This article solves printer skipping labels, rolling out blank labels, and giving media out errors, it shows how to adjust media sensors on the zt400 series printers. If printing in direct thermal. This article outlines how to perform, set, and troubleshoot printer calibration issues for ze500 series printers. Use these steps. Zebra Printer Calibration Problem.
From www.youtube.com
Ask POSGuys How to calibrate a Zebra label printer (GK420, GX240 Zebra Printer Calibration Problem Use these steps to manually calibrate the printer for the loaded media. Manual calibration is recommended whenever you are using pre. This article solves printer skipping labels, rolling out blank labels, and giving media out errors, it shows how to adjust media sensors on the zt400 series printers. If printing in direct thermal. This advanced mode is typically used to. Zebra Printer Calibration Problem.
From www.youtube.com
Zebra ZD220 Failed to Calibrate How to Fix 100 Solution YouTube Zebra Printer Calibration Problem Use these steps to manually calibrate the printer for the loaded media. This article solves printer skipping labels, rolling out blank labels, and giving media out errors, it shows how to adjust media sensors on the zt400 series printers. This article outlines how to perform, set, and troubleshoot printer calibration issues for ze500 series printers. If printing in direct thermal.. Zebra Printer Calibration Problem.
From www.youtube.com
Zebra ZT410 Industrial Printer Manual Calibration YouTube Zebra Printer Calibration Problem This advanced mode is typically used to calibrate the printer to media. Use these steps to manually calibrate the printer for the loaded media. If printing in direct thermal. This article solves printer skipping labels, rolling out blank labels, and giving media out errors, it shows how to adjust media sensors on the zt400 series printers. Manual calibration is recommended. Zebra Printer Calibration Problem.
From www.aptika.com
How to calibrate the ribbon sensor on a Zebra ZC100, ZC150, ZC300, or Zebra Printer Calibration Problem Use these steps to manually calibrate the printer for the loaded media. Manual calibration is recommended whenever you are using pre. This advanced mode is typically used to calibrate the printer to media. This article solves printer skipping labels, rolling out blank labels, and giving media out errors, it shows how to adjust media sensors on the zt400 series printers.. Zebra Printer Calibration Problem.
From www.lexicontech.com
How Do I Calibrate My Zebra Printer Zebra Printer Repair Zebra Printer Calibration Problem This advanced mode is typically used to calibrate the printer to media. Use these steps to manually calibrate the printer for the loaded media. If printing in direct thermal. This article solves printer skipping labels, rolling out blank labels, and giving media out errors, it shows how to adjust media sensors on the zt400 series printers. Manual calibration is recommended. Zebra Printer Calibration Problem.
From www.youtube.com
Zebra Printer Calibration argoxtsc zebra barcode tvsshorts YouTube Zebra Printer Calibration Problem If printing in direct thermal. Manual calibration is recommended whenever you are using pre. This advanced mode is typically used to calibrate the printer to media. Use these steps to manually calibrate the printer for the loaded media. This article solves printer skipping labels, rolling out blank labels, and giving media out errors, it shows how to adjust media sensors. Zebra Printer Calibration Problem.
From www.youtube.com
How to Calibrate your Industrial Zebra Label Printer Zebra ZT510 Zebra Printer Calibration Problem This advanced mode is typically used to calibrate the printer to media. This article outlines how to perform, set, and troubleshoot printer calibration issues for ze500 series printers. Use these steps to manually calibrate the printer for the loaded media. Manual calibration is recommended whenever you are using pre. This article solves printer skipping labels, rolling out blank labels, and. Zebra Printer Calibration Problem.
From www.youtube.com
How to Calibrate RFID Media on the ZT411 and ZT421 Printers Zebra Zebra Printer Calibration Problem If printing in direct thermal. Manual calibration is recommended whenever you are using pre. This advanced mode is typically used to calibrate the printer to media. This article solves printer skipping labels, rolling out blank labels, and giving media out errors, it shows how to adjust media sensors on the zt400 series printers. Use these steps to manually calibrate the. Zebra Printer Calibration Problem.