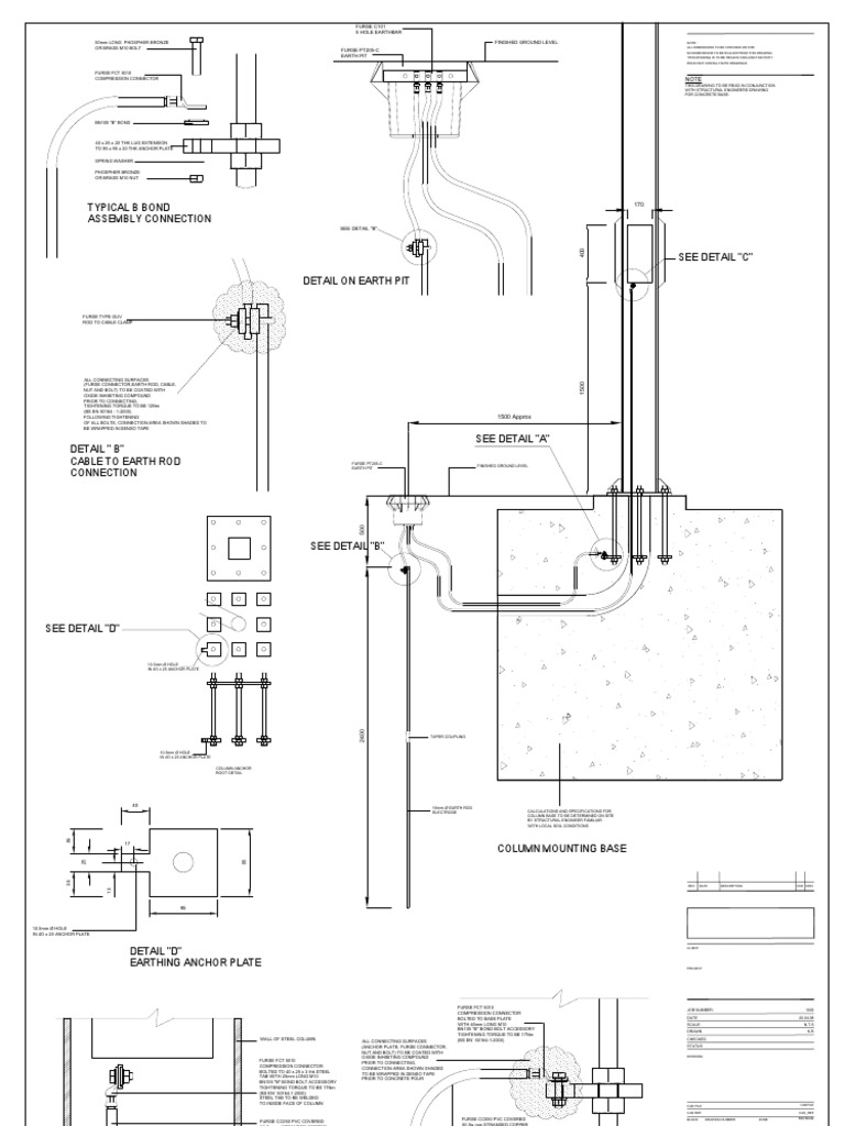
Lightning Protection System Drawing . Below are a few examples of typical lightning protection details that might be shown on a lightning protection system design layout. The function of a lightning protection system is to protect structures from fire or. The purpose of a lightning protection system is to protect buildings from direct lightning strikes and possible fire or from the consequences of. Detailed drawing of lightning protection system with pdc2 lightning rod; Schirtec ion generator and 80m protection radius. Nfpa 780 includes lightning protection for typical. The minimum values of lightning current amplitude for the. Lightning protection level is used to design protection measures according to the relevant set of lightning current parameters. Discover thousands of free cad drawings for electrical systems, including detailed designs for power distribution, lighting, and control.
from cadbull.com
Schirtec ion generator and 80m protection radius. Lightning protection level is used to design protection measures according to the relevant set of lightning current parameters. Below are a few examples of typical lightning protection details that might be shown on a lightning protection system design layout. The function of a lightning protection system is to protect structures from fire or. The minimum values of lightning current amplitude for the. Discover thousands of free cad drawings for electrical systems, including detailed designs for power distribution, lighting, and control. The purpose of a lightning protection system is to protect buildings from direct lightning strikes and possible fire or from the consequences of. Nfpa 780 includes lightning protection for typical. Detailed drawing of lightning protection system with pdc2 lightning rod;
Lightning Protection System Cadbull
Lightning Protection System Drawing Nfpa 780 includes lightning protection for typical. The minimum values of lightning current amplitude for the. The function of a lightning protection system is to protect structures from fire or. The purpose of a lightning protection system is to protect buildings from direct lightning strikes and possible fire or from the consequences of. Detailed drawing of lightning protection system with pdc2 lightning rod; Schirtec ion generator and 80m protection radius. Below are a few examples of typical lightning protection details that might be shown on a lightning protection system design layout. Lightning protection level is used to design protection measures according to the relevant set of lightning current parameters. Nfpa 780 includes lightning protection for typical. Discover thousands of free cad drawings for electrical systems, including detailed designs for power distribution, lighting, and control.
From mungfali.com
Mast Lightning Protection System Lightning Protection System Drawing The function of a lightning protection system is to protect structures from fire or. Discover thousands of free cad drawings for electrical systems, including detailed designs for power distribution, lighting, and control. Lightning protection level is used to design protection measures according to the relevant set of lightning current parameters. Nfpa 780 includes lightning protection for typical. Below are a. Lightning Protection System Drawing.
From ecle.biz
Residential Lightning Protection Systems Understanding Lightning Lightning Protection System Drawing Nfpa 780 includes lightning protection for typical. Detailed drawing of lightning protection system with pdc2 lightning rod; The purpose of a lightning protection system is to protect buildings from direct lightning strikes and possible fire or from the consequences of. Discover thousands of free cad drawings for electrical systems, including detailed designs for power distribution, lighting, and control. Schirtec ion. Lightning Protection System Drawing.
From cadbull.com
Lightning Protection System Cadbull Lightning Protection System Drawing The purpose of a lightning protection system is to protect buildings from direct lightning strikes and possible fire or from the consequences of. Lightning protection level is used to design protection measures according to the relevant set of lightning current parameters. The function of a lightning protection system is to protect structures from fire or. Below are a few examples. Lightning Protection System Drawing.
From mavink.com
Earthing And Lightning Protection System Lightning Protection System Drawing Lightning protection level is used to design protection measures according to the relevant set of lightning current parameters. Detailed drawing of lightning protection system with pdc2 lightning rod; Discover thousands of free cad drawings for electrical systems, including detailed designs for power distribution, lighting, and control. The minimum values of lightning current amplitude for the. The purpose of a lightning. Lightning Protection System Drawing.
From www.vecteezy.com
Grounding and Lightning Protection System 25747579 Vector Art at Vecteezy Lightning Protection System Drawing The function of a lightning protection system is to protect structures from fire or. Nfpa 780 includes lightning protection for typical. Schirtec ion generator and 80m protection radius. The purpose of a lightning protection system is to protect buildings from direct lightning strikes and possible fire or from the consequences of. Lightning protection level is used to design protection measures. Lightning Protection System Drawing.
From www.researchgate.net
Lightning protection system by JIS, and risks still remain Download Lightning Protection System Drawing Lightning protection level is used to design protection measures according to the relevant set of lightning current parameters. The minimum values of lightning current amplitude for the. Schirtec ion generator and 80m protection radius. The purpose of a lightning protection system is to protect buildings from direct lightning strikes and possible fire or from the consequences of. Below are a. Lightning Protection System Drawing.
From engineering.electrical-equipment.org
Installing lightning protection system for your facility in 3 Steps Lightning Protection System Drawing The function of a lightning protection system is to protect structures from fire or. The purpose of a lightning protection system is to protect buildings from direct lightning strikes and possible fire or from the consequences of. The minimum values of lightning current amplitude for the. Schirtec ion generator and 80m protection radius. Lightning protection level is used to design. Lightning Protection System Drawing.
From italianrevelations.blogspot.com
lightning protection system autocad drawing italianrevelations Lightning Protection System Drawing Nfpa 780 includes lightning protection for typical. The purpose of a lightning protection system is to protect buildings from direct lightning strikes and possible fire or from the consequences of. Lightning protection level is used to design protection measures according to the relevant set of lightning current parameters. The minimum values of lightning current amplitude for the. Detailed drawing of. Lightning Protection System Drawing.
From ideaengineeringsolution.blogspot.com
Lightning Protection System Full Details Idea Engineering Solution Lightning Protection System Drawing Below are a few examples of typical lightning protection details that might be shown on a lightning protection system design layout. Nfpa 780 includes lightning protection for typical. The purpose of a lightning protection system is to protect buildings from direct lightning strikes and possible fire or from the consequences of. Detailed drawing of lightning protection system with pdc2 lightning. Lightning Protection System Drawing.
From shellysavonlea.net
Lightning Protection System Design Shelly Lighting Lightning Protection System Drawing The minimum values of lightning current amplitude for the. Below are a few examples of typical lightning protection details that might be shown on a lightning protection system design layout. Detailed drawing of lightning protection system with pdc2 lightning rod; Discover thousands of free cad drawings for electrical systems, including detailed designs for power distribution, lighting, and control. The purpose. Lightning Protection System Drawing.
From cadbull.com
Lightning Protection System Design DWG File Cadbull Lightning Protection System Drawing Detailed drawing of lightning protection system with pdc2 lightning rod; The purpose of a lightning protection system is to protect buildings from direct lightning strikes and possible fire or from the consequences of. Nfpa 780 includes lightning protection for typical. Schirtec ion generator and 80m protection radius. Below are a few examples of typical lightning protection details that might be. Lightning Protection System Drawing.
From www.ny-engineers.com
Lightning Protection Electrical Engineering Services Lightning Protection System Drawing The purpose of a lightning protection system is to protect buildings from direct lightning strikes and possible fire or from the consequences of. Schirtec ion generator and 80m protection radius. Nfpa 780 includes lightning protection for typical. The function of a lightning protection system is to protect structures from fire or. The minimum values of lightning current amplitude for the.. Lightning Protection System Drawing.
From www.youtube.com
How to Read Lightning Protection Drawing Lightning Protection system Lightning Protection System Drawing Detailed drawing of lightning protection system with pdc2 lightning rod; The purpose of a lightning protection system is to protect buildings from direct lightning strikes and possible fire or from the consequences of. The minimum values of lightning current amplitude for the. Lightning protection level is used to design protection measures according to the relevant set of lightning current parameters.. Lightning Protection System Drawing.
From www.electrical-knowhow.com
Course Lightning1 Introduction to Lightning Protection System Design Lightning Protection System Drawing Schirtec ion generator and 80m protection radius. The purpose of a lightning protection system is to protect buildings from direct lightning strikes and possible fire or from the consequences of. Discover thousands of free cad drawings for electrical systems, including detailed designs for power distribution, lighting, and control. The function of a lightning protection system is to protect structures from. Lightning Protection System Drawing.
From kuefler-lightning.com
Typical Lightning Protection Layout Kuefler Lightning Lightning Protection System Drawing Discover thousands of free cad drawings for electrical systems, including detailed designs for power distribution, lighting, and control. Lightning protection level is used to design protection measures according to the relevant set of lightning current parameters. Schirtec ion generator and 80m protection radius. The purpose of a lightning protection system is to protect buildings from direct lightning strikes and possible. Lightning Protection System Drawing.
From windmyte.weebly.com
Lightning protection system types windmyte Lightning Protection System Drawing The function of a lightning protection system is to protect structures from fire or. Lightning protection level is used to design protection measures according to the relevant set of lightning current parameters. Nfpa 780 includes lightning protection for typical. Detailed drawing of lightning protection system with pdc2 lightning rod; Below are a few examples of typical lightning protection details that. Lightning Protection System Drawing.
From mavink.com
Network Rack Grounding And Lightning Protection Diagram Lightning Protection System Drawing The function of a lightning protection system is to protect structures from fire or. Schirtec ion generator and 80m protection radius. The minimum values of lightning current amplitude for the. Nfpa 780 includes lightning protection for typical. Below are a few examples of typical lightning protection details that might be shown on a lightning protection system design layout. Discover thousands. Lightning Protection System Drawing.
From sblightning.com
Commercial Lightning Contractor Sleeping Bear Lightning Protection Lightning Protection System Drawing The minimum values of lightning current amplitude for the. The purpose of a lightning protection system is to protect buildings from direct lightning strikes and possible fire or from the consequences of. Discover thousands of free cad drawings for electrical systems, including detailed designs for power distribution, lighting, and control. Detailed drawing of lightning protection system with pdc2 lightning rod;. Lightning Protection System Drawing.
From www.youtube.com
What is Lightning Protection System? Earth Inspection Housing Lightning Protection System Drawing Schirtec ion generator and 80m protection radius. Detailed drawing of lightning protection system with pdc2 lightning rod; Nfpa 780 includes lightning protection for typical. The purpose of a lightning protection system is to protect buildings from direct lightning strikes and possible fire or from the consequences of. The minimum values of lightning current amplitude for the. Lightning protection level is. Lightning Protection System Drawing.
From www.researchgate.net
Diagram of the lightning protective system of the test house in 2004 Lightning Protection System Drawing Schirtec ion generator and 80m protection radius. The purpose of a lightning protection system is to protect buildings from direct lightning strikes and possible fire or from the consequences of. The minimum values of lightning current amplitude for the. Discover thousands of free cad drawings for electrical systems, including detailed designs for power distribution, lighting, and control. Detailed drawing of. Lightning Protection System Drawing.
From powerquality.blog
Analysis of Lightning Current Distribution in the Lightning Protection Lightning Protection System Drawing Below are a few examples of typical lightning protection details that might be shown on a lightning protection system design layout. Lightning protection level is used to design protection measures according to the relevant set of lightning current parameters. Discover thousands of free cad drawings for electrical systems, including detailed designs for power distribution, lighting, and control. The minimum values. Lightning Protection System Drawing.
From www.buildingenclosureonline.com
Lightning Protection Systems Designing to the Extremes Building Lightning Protection System Drawing The function of a lightning protection system is to protect structures from fire or. Discover thousands of free cad drawings for electrical systems, including detailed designs for power distribution, lighting, and control. Nfpa 780 includes lightning protection for typical. Detailed drawing of lightning protection system with pdc2 lightning rod; Lightning protection level is used to design protection measures according to. Lightning Protection System Drawing.
From www.northeastlightning.com
Lightning Protection System Diagram Northeast Lightning Protection Lightning Protection System Drawing Discover thousands of free cad drawings for electrical systems, including detailed designs for power distribution, lighting, and control. The function of a lightning protection system is to protect structures from fire or. Schirtec ion generator and 80m protection radius. The minimum values of lightning current amplitude for the. Detailed drawing of lightning protection system with pdc2 lightning rod; Below are. Lightning Protection System Drawing.
From windmyte.weebly.com
Lightning protection system types windmyte Lightning Protection System Drawing Nfpa 780 includes lightning protection for typical. Schirtec ion generator and 80m protection radius. The purpose of a lightning protection system is to protect buildings from direct lightning strikes and possible fire or from the consequences of. Detailed drawing of lightning protection system with pdc2 lightning rod; Below are a few examples of typical lightning protection details that might be. Lightning Protection System Drawing.
From cadbull.com
LIGHTNING PROTECTION SYSTEM BUILDING SECTIONWEST TO EAST design in Lightning Protection System Drawing Detailed drawing of lightning protection system with pdc2 lightning rod; Lightning protection level is used to design protection measures according to the relevant set of lightning current parameters. Below are a few examples of typical lightning protection details that might be shown on a lightning protection system design layout. The purpose of a lightning protection system is to protect buildings. Lightning Protection System Drawing.
From www.takingcareoflightning.com
Lightning Protection System Taking Care of Lightning Texas, Oklahoma Lightning Protection System Drawing Nfpa 780 includes lightning protection for typical. Below are a few examples of typical lightning protection details that might be shown on a lightning protection system design layout. The minimum values of lightning current amplitude for the. Detailed drawing of lightning protection system with pdc2 lightning rod; Lightning protection level is used to design protection measures according to the relevant. Lightning Protection System Drawing.
From www.youtube.com
External Lightning Protection System Lecture 1 Basics of Air Lightning Protection System Drawing The minimum values of lightning current amplitude for the. Below are a few examples of typical lightning protection details that might be shown on a lightning protection system design layout. The function of a lightning protection system is to protect structures from fire or. Lightning protection level is used to design protection measures according to the relevant set of lightning. Lightning Protection System Drawing.
From qaqcinconstruction.com
Method Statement for Earthing and Lightning Protection System Lightning Protection System Drawing Lightning protection level is used to design protection measures according to the relevant set of lightning current parameters. The minimum values of lightning current amplitude for the. Below are a few examples of typical lightning protection details that might be shown on a lightning protection system design layout. Schirtec ion generator and 80m protection radius. The function of a lightning. Lightning Protection System Drawing.
From electrical-engineering-portal.com
Lightning protection guide EEP Lightning Protection System Drawing The minimum values of lightning current amplitude for the. Detailed drawing of lightning protection system with pdc2 lightning rod; The purpose of a lightning protection system is to protect buildings from direct lightning strikes and possible fire or from the consequences of. Below are a few examples of typical lightning protection details that might be shown on a lightning protection. Lightning Protection System Drawing.
From mavink.com
Faraday Cage Lightning Protection System Lightning Protection System Drawing The function of a lightning protection system is to protect structures from fire or. Schirtec ion generator and 80m protection radius. The purpose of a lightning protection system is to protect buildings from direct lightning strikes and possible fire or from the consequences of. The minimum values of lightning current amplitude for the. Discover thousands of free cad drawings for. Lightning Protection System Drawing.
From www.dehn-ua.com
Lightning protection systems DEHN International Lightning Protection System Drawing The minimum values of lightning current amplitude for the. The purpose of a lightning protection system is to protect buildings from direct lightning strikes and possible fire or from the consequences of. Below are a few examples of typical lightning protection details that might be shown on a lightning protection system design layout. Detailed drawing of lightning protection system with. Lightning Protection System Drawing.
From westernreservelightningrod.com
Residential Lightning Protection Western Reserve Lightning Rod Lightning Protection System Drawing Nfpa 780 includes lightning protection for typical. Detailed drawing of lightning protection system with pdc2 lightning rod; The purpose of a lightning protection system is to protect buildings from direct lightning strikes and possible fire or from the consequences of. The function of a lightning protection system is to protect structures from fire or. Below are a few examples of. Lightning Protection System Drawing.
From shellysavonlea.net
Lightning Protection System Design Guidelines Shelly Lighting Lightning Protection System Drawing Lightning protection level is used to design protection measures according to the relevant set of lightning current parameters. Below are a few examples of typical lightning protection details that might be shown on a lightning protection system design layout. The minimum values of lightning current amplitude for the. Detailed drawing of lightning protection system with pdc2 lightning rod; Schirtec ion. Lightning Protection System Drawing.
From es.scribd.com
Lightning Protection Systems Lightning Protection System Drawing The minimum values of lightning current amplitude for the. Discover thousands of free cad drawings for electrical systems, including detailed designs for power distribution, lighting, and control. Below are a few examples of typical lightning protection details that might be shown on a lightning protection system design layout. The function of a lightning protection system is to protect structures from. Lightning Protection System Drawing.
From george-geiger.blogspot.com
lightning protection system autocad drawing Lightning Protection System Drawing The minimum values of lightning current amplitude for the. Discover thousands of free cad drawings for electrical systems, including detailed designs for power distribution, lighting, and control. The purpose of a lightning protection system is to protect buildings from direct lightning strikes and possible fire or from the consequences of. Nfpa 780 includes lightning protection for typical. Below are a. Lightning Protection System Drawing.