Knife Gate Valve Seat Side . 2) position be sure to install the valve so that pressure enters the upstream side of the valve and flows. typically, the valve will have a seat side indicated by the word “seat” cast into the body and is usually installed with the seat. Our knife gate valves are.
from ballvalve.en.made-in-china.com
typically, the valve will have a seat side indicated by the word “seat” cast into the body and is usually installed with the seat. 2) position be sure to install the valve so that pressure enters the upstream side of the valve and flows. Our knife gate valves are.
DN1000 Lug Wafer Rubber Seat NBR EPDM Lined Knife Gate Valve China
Knife Gate Valve Seat Side typically, the valve will have a seat side indicated by the word “seat” cast into the body and is usually installed with the seat. 2) position be sure to install the valve so that pressure enters the upstream side of the valve and flows. Our knife gate valves are. typically, the valve will have a seat side indicated by the word “seat” cast into the body and is usually installed with the seat.
From cmovalves.com
Knife Gate Valve CMO Valves Manufacturing the valve you need. Knife Gate Valve Seat Side typically, the valve will have a seat side indicated by the word “seat” cast into the body and is usually installed with the seat. Our knife gate valves are. 2) position be sure to install the valve so that pressure enters the upstream side of the valve and flows. Knife Gate Valve Seat Side.
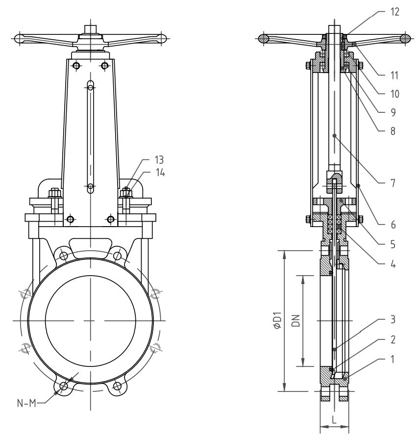
From www.stvvalves.com
Metal Seat Knife Gate Valve,WCB Body,316 Trim,Penumatic Actuator Knife Gate Valve Seat Side 2) position be sure to install the valve so that pressure enters the upstream side of the valve and flows. Our knife gate valves are. typically, the valve will have a seat side indicated by the word “seat” cast into the body and is usually installed with the seat. Knife Gate Valve Seat Side.
From qrcvalves.com
Gate Valve Components QRC Valves Knife Gate Valve Seat Side typically, the valve will have a seat side indicated by the word “seat” cast into the body and is usually installed with the seat. Our knife gate valves are. 2) position be sure to install the valve so that pressure enters the upstream side of the valve and flows. Knife Gate Valve Seat Side.
From www.valvesonline.com.au
Cast Iron Knife Gate Valve Manual Operation Resilient seat Knife Gate Valve Seat Side 2) position be sure to install the valve so that pressure enters the upstream side of the valve and flows. Our knife gate valves are. typically, the valve will have a seat side indicated by the word “seat” cast into the body and is usually installed with the seat. Knife Gate Valve Seat Side.
From www.valvesonline.com.au
Stainless Steel Knife Gate Valve Hand Wheel Operation Knife Gate Valve Seat Side 2) position be sure to install the valve so that pressure enters the upstream side of the valve and flows. typically, the valve will have a seat side indicated by the word “seat” cast into the body and is usually installed with the seat. Our knife gate valves are. Knife Gate Valve Seat Side.
From www.gairui-valve.com
China Resilient Seat Knife Gate Valve Manufacturers & Suppliers Knife Gate Valve Seat Side typically, the valve will have a seat side indicated by the word “seat” cast into the body and is usually installed with the seat. Our knife gate valves are. 2) position be sure to install the valve so that pressure enters the upstream side of the valve and flows. Knife Gate Valve Seat Side.
From win-valve.com
Knife gate valvewin valve Knife Gate Valve Seat Side 2) position be sure to install the valve so that pressure enters the upstream side of the valve and flows. Our knife gate valves are. typically, the valve will have a seat side indicated by the word “seat” cast into the body and is usually installed with the seat. Knife Gate Valve Seat Side.
From www.keepital.com
ARITA Stainless Steel Knife Gate Valve, Flanged End (ANSI CLASS 150 Knife Gate Valve Seat Side 2) position be sure to install the valve so that pressure enters the upstream side of the valve and flows. Our knife gate valves are. typically, the valve will have a seat side indicated by the word “seat” cast into the body and is usually installed with the seat. Knife Gate Valve Seat Side.
From www.indiamart.com
SS 304 Knife Edge Gate Valve Type Metal To Soft Seat / Metal To Metal Knife Gate Valve Seat Side 2) position be sure to install the valve so that pressure enters the upstream side of the valve and flows. Our knife gate valves are. typically, the valve will have a seat side indicated by the word “seat” cast into the body and is usually installed with the seat. Knife Gate Valve Seat Side.
From www.uskoreahotlink.com
Metal Seated Butterfly Valves Multi Seat Knife Gate Valve Knife Gate Valve Seat Side Our knife gate valves are. typically, the valve will have a seat side indicated by the word “seat” cast into the body and is usually installed with the seat. 2) position be sure to install the valve so that pressure enters the upstream side of the valve and flows. Knife Gate Valve Seat Side.
From ballvalve.en.made-in-china.com
DN1000 Lug Wafer Rubber Seat NBR EPDM Lined Knife Gate Valve China Knife Gate Valve Seat Side typically, the valve will have a seat side indicated by the word “seat” cast into the body and is usually installed with the seat. 2) position be sure to install the valve so that pressure enters the upstream side of the valve and flows. Our knife gate valves are. Knife Gate Valve Seat Side.
From www.linquip.com
Main Parts of Gate Valve Practical Guide in 2023 Linquip Knife Gate Valve Seat Side 2) position be sure to install the valve so that pressure enters the upstream side of the valve and flows. typically, the valve will have a seat side indicated by the word “seat” cast into the body and is usually installed with the seat. Our knife gate valves are. Knife Gate Valve Seat Side.
From prolinevalves.com
Knife Edge Gate Valve Suppliers & Manufacturers India Knife Gate Valve Seat Side Our knife gate valves are. typically, the valve will have a seat side indicated by the word “seat” cast into the body and is usually installed with the seat. 2) position be sure to install the valve so that pressure enters the upstream side of the valve and flows. Knife Gate Valve Seat Side.
From www.pipingpipeline.com
Knife Gate Valves MU Series Knife Gate Valve Seat Side 2) position be sure to install the valve so that pressure enters the upstream side of the valve and flows. typically, the valve will have a seat side indicated by the word “seat” cast into the body and is usually installed with the seat. Our knife gate valves are. Knife Gate Valve Seat Side.
From www.uskoreahotlink.com
Metal Seated Butterfly Valves Multi Seat Knife Gate Valve Knife Gate Valve Seat Side 2) position be sure to install the valve so that pressure enters the upstream side of the valve and flows. typically, the valve will have a seat side indicated by the word “seat” cast into the body and is usually installed with the seat. Our knife gate valves are. Knife Gate Valve Seat Side.
From www.verspec.com
Ceramic Knife Gate Valve Verspec Valve Knife Gate Valve Seat Side 2) position be sure to install the valve so that pressure enters the upstream side of the valve and flows. Our knife gate valves are. typically, the valve will have a seat side indicated by the word “seat” cast into the body and is usually installed with the seat. Knife Gate Valve Seat Side.
From thornado.com.au
Stainless Steel Knife Gate Valve Double Acting Pneumatic Metal Seat Knife Gate Valve Seat Side Our knife gate valves are. typically, the valve will have a seat side indicated by the word “seat” cast into the body and is usually installed with the seat. 2) position be sure to install the valve so that pressure enters the upstream side of the valve and flows. Knife Gate Valve Seat Side.
From www.indiamart.com
CI Knife Gate Valve EPDM Seated PN 10 DN 150, नाइफ गेट वाल्व Amco Knife Gate Valve Seat Side typically, the valve will have a seat side indicated by the word “seat” cast into the body and is usually installed with the seat. 2) position be sure to install the valve so that pressure enters the upstream side of the valve and flows. Our knife gate valves are. Knife Gate Valve Seat Side.
From www.gamako.co.id
Knife Gate Valve Hiton NP series / SS 316 Body Gate Seat, PN 10 & JIS Knife Gate Valve Seat Side 2) position be sure to install the valve so that pressure enters the upstream side of the valve and flows. Our knife gate valves are. typically, the valve will have a seat side indicated by the word “seat” cast into the body and is usually installed with the seat. Knife Gate Valve Seat Side.
From thornado.com.au
Cast Iron Knife Gate Valve NBR Seat Table E Knife Gate Valve Seat Side typically, the valve will have a seat side indicated by the word “seat” cast into the body and is usually installed with the seat. Our knife gate valves are. 2) position be sure to install the valve so that pressure enters the upstream side of the valve and flows. Knife Gate Valve Seat Side.
From www.gamako.co.id
Knife Gate Valve CMO series A / Ductile Iron Body, SS 304 Gate & Seat Knife Gate Valve Seat Side 2) position be sure to install the valve so that pressure enters the upstream side of the valve and flows. Our knife gate valves are. typically, the valve will have a seat side indicated by the word “seat” cast into the body and is usually installed with the seat. Knife Gate Valve Seat Side.
From carolinaconveying.com
Pneumatic Knife Gate Valves Manufacturers Carolina Conveying Knife Gate Valve Seat Side typically, the valve will have a seat side indicated by the word “seat” cast into the body and is usually installed with the seat. Our knife gate valves are. 2) position be sure to install the valve so that pressure enters the upstream side of the valve and flows. Knife Gate Valve Seat Side.
From www.uskoreahotlink.com
Metal Seated Butterfly Valves Multi Seat Knife Gate Valve Knife Gate Valve Seat Side 2) position be sure to install the valve so that pressure enters the upstream side of the valve and flows. Our knife gate valves are. typically, the valve will have a seat side indicated by the word “seat” cast into the body and is usually installed with the seat. Knife Gate Valve Seat Side.
From twt-2021.en.made-in-china.com
DN150 Pn16 BiDirectional Lug Ductile Iron Rubber Seat Knife Gate Valve Knife Gate Valve Seat Side 2) position be sure to install the valve so that pressure enters the upstream side of the valve and flows. typically, the valve will have a seat side indicated by the word “seat” cast into the body and is usually installed with the seat. Our knife gate valves are. Knife Gate Valve Seat Side.
From www.valvesonline.com.au
Cast Iron Knife Gate Valve Manual Operation Resilient seat Knife Gate Valve Seat Side Our knife gate valves are. 2) position be sure to install the valve so that pressure enters the upstream side of the valve and flows. typically, the valve will have a seat side indicated by the word “seat” cast into the body and is usually installed with the seat. Knife Gate Valve Seat Side.
From www.ntgdvalve.com
Everything You Need to Know about Knife Gate Valve NTGD valve Knife Gate Valve Seat Side Our knife gate valves are. 2) position be sure to install the valve so that pressure enters the upstream side of the valve and flows. typically, the valve will have a seat side indicated by the word “seat” cast into the body and is usually installed with the seat. Knife Gate Valve Seat Side.
From mungfali.com
Knife Gate Valve Types Knife Gate Valve Seat Side typically, the valve will have a seat side indicated by the word “seat” cast into the body and is usually installed with the seat. Our knife gate valves are. 2) position be sure to install the valve so that pressure enters the upstream side of the valve and flows. Knife Gate Valve Seat Side.
From www.pipingpipeline.com
Resilient Seated Knife Gate Valves MR Series Knife Gate Valve Seat Side Our knife gate valves are. typically, the valve will have a seat side indicated by the word “seat” cast into the body and is usually installed with the seat. 2) position be sure to install the valve so that pressure enters the upstream side of the valve and flows. Knife Gate Valve Seat Side.
From 4maticvalves.com
Knife Gate Valve, Knife Gate Valves at Best Price in India Knife Gate Valve Seat Side typically, the valve will have a seat side indicated by the word “seat” cast into the body and is usually installed with the seat. Our knife gate valves are. 2) position be sure to install the valve so that pressure enters the upstream side of the valve and flows. Knife Gate Valve Seat Side.
From afc-valve.com
Manual Knife Gate Valve|Knife Gate Valve|Knife Valve Knife Gate Valve Seat Side 2) position be sure to install the valve so that pressure enters the upstream side of the valve and flows. typically, the valve will have a seat side indicated by the word “seat” cast into the body and is usually installed with the seat. Our knife gate valves are. Knife Gate Valve Seat Side.
From tjhyfm.en.made-in-china.com
Resilient Seat Gate Valve for Sale/Slurry Knife Gate Valve/Brass PPR Knife Gate Valve Seat Side 2) position be sure to install the valve so that pressure enters the upstream side of the valve and flows. Our knife gate valves are. typically, the valve will have a seat side indicated by the word “seat” cast into the body and is usually installed with the seat. Knife Gate Valve Seat Side.
From www.jinbinvalve.com
The difference between knife gate valve and gate valve Knife Gate Valve Seat Side typically, the valve will have a seat side indicated by the word “seat” cast into the body and is usually installed with the seat. Our knife gate valves are. 2) position be sure to install the valve so that pressure enters the upstream side of the valve and flows. Knife Gate Valve Seat Side.
From www.bray.com
Knife Gate Valve Series 765 Bidirectional Slurry Valve Bray Knife Gate Valve Seat Side typically, the valve will have a seat side indicated by the word “seat” cast into the body and is usually installed with the seat. 2) position be sure to install the valve so that pressure enters the upstream side of the valve and flows. Our knife gate valves are. Knife Gate Valve Seat Side.
From ballvalve.en.made-in-china.com
Wafer Lug Flanged DN700 Pn10 Metal Seat Slurry Knife Gate Valve with Knife Gate Valve Seat Side Our knife gate valves are. 2) position be sure to install the valve so that pressure enters the upstream side of the valve and flows. typically, the valve will have a seat side indicated by the word “seat” cast into the body and is usually installed with the seat. Knife Gate Valve Seat Side.
From kclvalve1.cafe24.com
Knife Gate Valve KCL VALVE Knife Gate Valve Seat Side typically, the valve will have a seat side indicated by the word “seat” cast into the body and is usually installed with the seat. Our knife gate valves are. 2) position be sure to install the valve so that pressure enters the upstream side of the valve and flows. Knife Gate Valve Seat Side.