Explain Darlington Pair Amplifier . Hence it is used in a high gain operational. The darlington pair was invented by sidney darlington, an american engineer. In this video, how the darlington pair can be used as an amplifier is explained with the derivation of the. The configuration leads to a compound device with a very high \( \beta. Darlington pair amplifier circuit is a connection of two transistors that acts as a single unit with an overall current gain equal to the multiplication of the individual current gains of the transistors. We will see what is the use of a darlington pair, few example circuits, some common applications and advantages and. Darlington transistor connected in a configuration where one of. It has enormous impedance transformation capability i.e., it can transform a low impedance load to a high impedance load. In this tutorial, we will learn about darlington transistor or darlington pair. A darlington transistor (also known as a darlington pair) is an electronics component made via the combination of two bjts (bipolar junction transistor) connected in. Darlington amplifier circuit is very popular in electronics to achieve high current gain.
from www.transtutors.com
Darlington pair amplifier circuit is a connection of two transistors that acts as a single unit with an overall current gain equal to the multiplication of the individual current gains of the transistors. Darlington transistor connected in a configuration where one of. In this video, how the darlington pair can be used as an amplifier is explained with the derivation of the. The darlington pair was invented by sidney darlington, an american engineer. Hence it is used in a high gain operational. It has enormous impedance transformation capability i.e., it can transform a low impedance load to a high impedance load. Darlington amplifier circuit is very popular in electronics to achieve high current gain. We will see what is the use of a darlington pair, few example circuits, some common applications and advantages and. The configuration leads to a compound device with a very high \( \beta. In this tutorial, we will learn about darlington transistor or darlington pair.
(Get Answer) 3. To demonstrate the behaviour of Darlington and Feedback Pairs... Transtutors
Explain Darlington Pair Amplifier It has enormous impedance transformation capability i.e., it can transform a low impedance load to a high impedance load. Hence it is used in a high gain operational. Darlington amplifier circuit is very popular in electronics to achieve high current gain. The configuration leads to a compound device with a very high \( \beta. A darlington transistor (also known as a darlington pair) is an electronics component made via the combination of two bjts (bipolar junction transistor) connected in. We will see what is the use of a darlington pair, few example circuits, some common applications and advantages and. It has enormous impedance transformation capability i.e., it can transform a low impedance load to a high impedance load. In this video, how the darlington pair can be used as an amplifier is explained with the derivation of the. Darlington pair amplifier circuit is a connection of two transistors that acts as a single unit with an overall current gain equal to the multiplication of the individual current gains of the transistors. Darlington transistor connected in a configuration where one of. In this tutorial, we will learn about darlington transistor or darlington pair. The darlington pair was invented by sidney darlington, an american engineer.
From electronicsphysics.com
Theory and Applications of Darlington Pair Amplifier Electronics & Physics Explain Darlington Pair Amplifier We will see what is the use of a darlington pair, few example circuits, some common applications and advantages and. A darlington transistor (also known as a darlington pair) is an electronics component made via the combination of two bjts (bipolar junction transistor) connected in. In this video, how the darlington pair can be used as an amplifier is explained. Explain Darlington Pair Amplifier.
From www.chegg.com
Solved Question 2 For a Darlington pair amplifier circuit Explain Darlington Pair Amplifier The configuration leads to a compound device with a very high \( \beta. The darlington pair was invented by sidney darlington, an american engineer. We will see what is the use of a darlington pair, few example circuits, some common applications and advantages and. It has enormous impedance transformation capability i.e., it can transform a low impedance load to a. Explain Darlington Pair Amplifier.
From www.youtube.com
Darlington Amplifier Explained Darlington Pair Explained YouTube Explain Darlington Pair Amplifier Hence it is used in a high gain operational. It has enormous impedance transformation capability i.e., it can transform a low impedance load to a high impedance load. In this tutorial, we will learn about darlington transistor or darlington pair. In this video, how the darlington pair can be used as an amplifier is explained with the derivation of the.. Explain Darlington Pair Amplifier.
From www.transtutors.com
(Get Answer) 3. To demonstrate the behaviour of Darlington and Feedback Pairs... Transtutors Explain Darlington Pair Amplifier It has enormous impedance transformation capability i.e., it can transform a low impedance load to a high impedance load. The darlington pair was invented by sidney darlington, an american engineer. Hence it is used in a high gain operational. Darlington pair amplifier circuit is a connection of two transistors that acts as a single unit with an overall current gain. Explain Darlington Pair Amplifier.
From enginediagramzees.z13.web.core.windows.net
Darlington Pair Circuit Diagram Explain Darlington Pair Amplifier Darlington transistor connected in a configuration where one of. We will see what is the use of a darlington pair, few example circuits, some common applications and advantages and. Hence it is used in a high gain operational. Darlington pair amplifier circuit is a connection of two transistors that acts as a single unit with an overall current gain equal. Explain Darlington Pair Amplifier.
From www.chegg.com
Solved For The Darlington Pair Amplifier Circuit Shown In... Explain Darlington Pair Amplifier A darlington transistor (also known as a darlington pair) is an electronics component made via the combination of two bjts (bipolar junction transistor) connected in. In this tutorial, we will learn about darlington transistor or darlington pair. We will see what is the use of a darlington pair, few example circuits, some common applications and advantages and. It has enormous. Explain Darlington Pair Amplifier.
From www.chegg.com
Solved For the Darlington amplifier circuit used in a Explain Darlington Pair Amplifier The darlington pair was invented by sidney darlington, an american engineer. Hence it is used in a high gain operational. In this tutorial, we will learn about darlington transistor or darlington pair. We will see what is the use of a darlington pair, few example circuits, some common applications and advantages and. In this video, how the darlington pair can. Explain Darlington Pair Amplifier.
From www.slideserve.com
PPT ELECTRONICS Part II PowerPoint Presentation, free download ID5789318 Explain Darlington Pair Amplifier The configuration leads to a compound device with a very high \( \beta. Hence it is used in a high gain operational. In this video, how the darlington pair can be used as an amplifier is explained with the derivation of the. Darlington transistor connected in a configuration where one of. Darlington amplifier circuit is very popular in electronics to. Explain Darlington Pair Amplifier.
From www.chegg.com
Solved Laboratory Exercise 15 BJT Darlington Pair Amplifiers Explain Darlington Pair Amplifier A darlington transistor (also known as a darlington pair) is an electronics component made via the combination of two bjts (bipolar junction transistor) connected in. In this video, how the darlington pair can be used as an amplifier is explained with the derivation of the. The darlington pair was invented by sidney darlington, an american engineer. Hence it is used. Explain Darlington Pair Amplifier.
From www.semanticscholar.org
Figure 1 from Analysis of Darlington Pair in Distributed Amplifier Circuit Semantic Scholar Explain Darlington Pair Amplifier In this tutorial, we will learn about darlington transistor or darlington pair. The darlington pair was invented by sidney darlington, an american engineer. Darlington transistor connected in a configuration where one of. In this video, how the darlington pair can be used as an amplifier is explained with the derivation of the. A darlington transistor (also known as a darlington. Explain Darlington Pair Amplifier.
From gionodhdl.blob.core.windows.net
Darlington Pairs at Kristina Arriaga blog Explain Darlington Pair Amplifier A darlington transistor (also known as a darlington pair) is an electronics component made via the combination of two bjts (bipolar junction transistor) connected in. The configuration leads to a compound device with a very high \( \beta. The darlington pair was invented by sidney darlington, an american engineer. Hence it is used in a high gain operational. Darlington transistor. Explain Darlington Pair Amplifier.
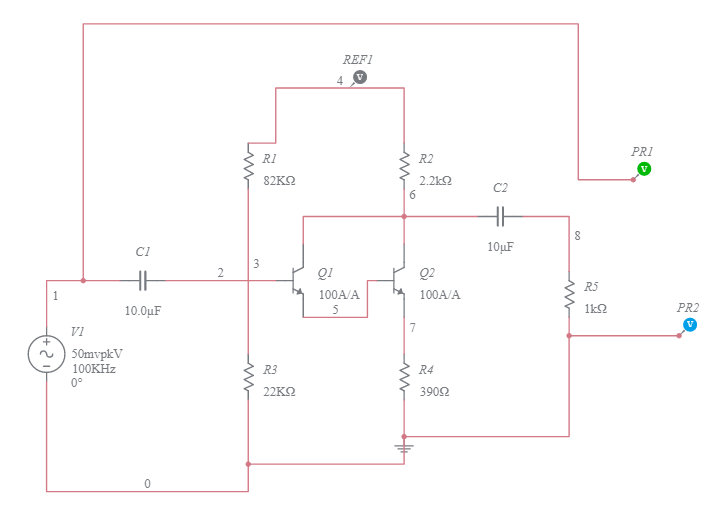
From www.multisim.com
DARLINGTON PAIR AMPLIFIER Multisim Live Explain Darlington Pair Amplifier The configuration leads to a compound device with a very high \( \beta. Darlington amplifier circuit is very popular in electronics to achieve high current gain. We will see what is the use of a darlington pair, few example circuits, some common applications and advantages and. Hence it is used in a high gain operational. The darlington pair was invented. Explain Darlington Pair Amplifier.
From www.youtube.com
Differential Amplifier with Darlington pair DC Analysis, Darlington pair with PNP Transistor Explain Darlington Pair Amplifier Hence it is used in a high gain operational. A darlington transistor (also known as a darlington pair) is an electronics component made via the combination of two bjts (bipolar junction transistor) connected in. The darlington pair was invented by sidney darlington, an american engineer. In this tutorial, we will learn about darlington transistor or darlington pair. Darlington amplifier circuit. Explain Darlington Pair Amplifier.
From manuallibcorals.z13.web.core.windows.net
Darlington Pair Amplifier Using Multisim Explain Darlington Pair Amplifier Darlington amplifier circuit is very popular in electronics to achieve high current gain. It has enormous impedance transformation capability i.e., it can transform a low impedance load to a high impedance load. The darlington pair was invented by sidney darlington, an american engineer. A darlington transistor (also known as a darlington pair) is an electronics component made via the combination. Explain Darlington Pair Amplifier.
From electronicsphysics.com
Darlington pair amplifier Transistor circuit, theory & gain EdumirPhysics Explain Darlington Pair Amplifier Darlington amplifier circuit is very popular in electronics to achieve high current gain. We will see what is the use of a darlington pair, few example circuits, some common applications and advantages and. A darlington transistor (also known as a darlington pair) is an electronics component made via the combination of two bjts (bipolar junction transistor) connected in. Darlington pair. Explain Darlington Pair Amplifier.
From manuallistdatafiles.z21.web.core.windows.net
Darlington Transistor Amplifier Circuit Explain Darlington Pair Amplifier In this video, how the darlington pair can be used as an amplifier is explained with the derivation of the. A darlington transistor (also known as a darlington pair) is an electronics component made via the combination of two bjts (bipolar junction transistor) connected in. Darlington transistor connected in a configuration where one of. We will see what is the. Explain Darlington Pair Amplifier.
From www.chegg.com
Solved Question 2 For a Darlington pair amplifier circuit Explain Darlington Pair Amplifier We will see what is the use of a darlington pair, few example circuits, some common applications and advantages and. Darlington transistor connected in a configuration where one of. A darlington transistor (also known as a darlington pair) is an electronics component made via the combination of two bjts (bipolar junction transistor) connected in. In this video, how the darlington. Explain Darlington Pair Amplifier.
From www.worldofelectronicsstudy.com
darlingtonpair,configuration,current gain,transistor,relays,motors Explain Darlington Pair Amplifier Hence it is used in a high gain operational. A darlington transistor (also known as a darlington pair) is an electronics component made via the combination of two bjts (bipolar junction transistor) connected in. Darlington amplifier circuit is very popular in electronics to achieve high current gain. Darlington transistor connected in a configuration where one of. We will see what. Explain Darlington Pair Amplifier.
From circuitpaugayjq.z21.web.core.windows.net
Darlington Pair Amplifier Purpose Explain Darlington Pair Amplifier It has enormous impedance transformation capability i.e., it can transform a low impedance load to a high impedance load. Darlington amplifier circuit is very popular in electronics to achieve high current gain. The configuration leads to a compound device with a very high \( \beta. Hence it is used in a high gain operational. A darlington transistor (also known as. Explain Darlington Pair Amplifier.
From www.multisim.com
Darlington pair amplifier (1) Multisim Live Explain Darlington Pair Amplifier Darlington pair amplifier circuit is a connection of two transistors that acts as a single unit with an overall current gain equal to the multiplication of the individual current gains of the transistors. It has enormous impedance transformation capability i.e., it can transform a low impedance load to a high impedance load. Darlington transistor connected in a configuration where one. Explain Darlington Pair Amplifier.
From www.chegg.com
Solved (a) Explain the terms Darlington and Feedback pair Explain Darlington Pair Amplifier A darlington transistor (also known as a darlington pair) is an electronics component made via the combination of two bjts (bipolar junction transistor) connected in. In this video, how the darlington pair can be used as an amplifier is explained with the derivation of the. It has enormous impedance transformation capability i.e., it can transform a low impedance load to. Explain Darlington Pair Amplifier.
From mbnaa.weebly.com
Darlington pair amplifier experiment lab manual mbnaa Explain Darlington Pair Amplifier Darlington transistor connected in a configuration where one of. In this video, how the darlington pair can be used as an amplifier is explained with the derivation of the. Hence it is used in a high gain operational. It has enormous impedance transformation capability i.e., it can transform a low impedance load to a high impedance load. We will see. Explain Darlington Pair Amplifier.
From www.chegg.com
QUESTION 1 a) Explain Darlington pair configuration Explain Darlington Pair Amplifier In this video, how the darlington pair can be used as an amplifier is explained with the derivation of the. Darlington amplifier circuit is very popular in electronics to achieve high current gain. In this tutorial, we will learn about darlington transistor or darlington pair. Darlington transistor connected in a configuration where one of. Hence it is used in a. Explain Darlington Pair Amplifier.
From www.chegg.com
Solved (a) Figure Q3 shows a class A power amplifier using a Explain Darlington Pair Amplifier Darlington pair amplifier circuit is a connection of two transistors that acts as a single unit with an overall current gain equal to the multiplication of the individual current gains of the transistors. A darlington transistor (also known as a darlington pair) is an electronics component made via the combination of two bjts (bipolar junction transistor) connected in. In this. Explain Darlington Pair Amplifier.
From schematictroellngvga.z13.web.core.windows.net
What Is A Darlington Pair Explain Darlington Pair Amplifier Darlington amplifier circuit is very popular in electronics to achieve high current gain. Darlington pair amplifier circuit is a connection of two transistors that acts as a single unit with an overall current gain equal to the multiplication of the individual current gains of the transistors. Darlington transistor connected in a configuration where one of. It has enormous impedance transformation. Explain Darlington Pair Amplifier.
From gionodhdl.blob.core.windows.net
Darlington Pairs at Kristina Arriaga blog Explain Darlington Pair Amplifier Darlington pair amplifier circuit is a connection of two transistors that acts as a single unit with an overall current gain equal to the multiplication of the individual current gains of the transistors. Darlington transistor connected in a configuration where one of. In this video, how the darlington pair can be used as an amplifier is explained with the derivation. Explain Darlington Pair Amplifier.
From www.scribd.com
Darlington Pair Amplifier Analog Circuits Explain Darlington Pair Amplifier It has enormous impedance transformation capability i.e., it can transform a low impedance load to a high impedance load. Darlington pair amplifier circuit is a connection of two transistors that acts as a single unit with an overall current gain equal to the multiplication of the individual current gains of the transistors. In this tutorial, we will learn about darlington. Explain Darlington Pair Amplifier.
From www.semanticscholar.org
Figure 1 from Analysis of Darlington Pair in Distributed Amplifier Circuit Semantic Scholar Explain Darlington Pair Amplifier It has enormous impedance transformation capability i.e., it can transform a low impedance load to a high impedance load. Darlington pair amplifier circuit is a connection of two transistors that acts as a single unit with an overall current gain equal to the multiplication of the individual current gains of the transistors. We will see what is the use of. Explain Darlington Pair Amplifier.
From www.organised-sound.com
Darlington Transistor Amplifier Circuit Diagram Wiring Diagram Explain Darlington Pair Amplifier In this video, how the darlington pair can be used as an amplifier is explained with the derivation of the. In this tutorial, we will learn about darlington transistor or darlington pair. A darlington transistor (also known as a darlington pair) is an electronics component made via the combination of two bjts (bipolar junction transistor) connected in. Hence it is. Explain Darlington Pair Amplifier.
From www.organised-sound.com
Darlington Transistor Amplifier Circuit Diagram Wiring Diagram Explain Darlington Pair Amplifier Hence it is used in a high gain operational. The darlington pair was invented by sidney darlington, an american engineer. A darlington transistor (also known as a darlington pair) is an electronics component made via the combination of two bjts (bipolar junction transistor) connected in. It has enormous impedance transformation capability i.e., it can transform a low impedance load to. Explain Darlington Pair Amplifier.
From www.youtube.com
Darlington pair, feedback amplifiers YouTube Explain Darlington Pair Amplifier We will see what is the use of a darlington pair, few example circuits, some common applications and advantages and. A darlington transistor (also known as a darlington pair) is an electronics component made via the combination of two bjts (bipolar junction transistor) connected in. The darlington pair was invented by sidney darlington, an american engineer. It has enormous impedance. Explain Darlington Pair Amplifier.
From www.multisim.com
darlington pair Multisim Live Explain Darlington Pair Amplifier The darlington pair was invented by sidney darlington, an american engineer. We will see what is the use of a darlington pair, few example circuits, some common applications and advantages and. The configuration leads to a compound device with a very high \( \beta. In this tutorial, we will learn about darlington transistor or darlington pair. A darlington transistor (also. Explain Darlington Pair Amplifier.
From www.youtube.com
Darlington Amplifier Explained Darlington Pair as an Amplifier YouTube Explain Darlington Pair Amplifier Darlington amplifier circuit is very popular in electronics to achieve high current gain. The configuration leads to a compound device with a very high \( \beta. The darlington pair was invented by sidney darlington, an american engineer. In this tutorial, we will learn about darlington transistor or darlington pair. Hence it is used in a high gain operational. In this. Explain Darlington Pair Amplifier.
From www.youtube.com
LECTURE23 ELECTRONICS2 DARLINGTONPAIR AMPLIFIER SYSTEM YouTube Explain Darlington Pair Amplifier The configuration leads to a compound device with a very high \( \beta. Hence it is used in a high gain operational. In this video, how the darlington pair can be used as an amplifier is explained with the derivation of the. We will see what is the use of a darlington pair, few example circuits, some common applications and. Explain Darlington Pair Amplifier.
From www.numerade.com
SOLVED a. List and explain in detail any three advantages of a Darlington pair (18 marks Explain Darlington Pair Amplifier Hence it is used in a high gain operational. The darlington pair was invented by sidney darlington, an american engineer. It has enormous impedance transformation capability i.e., it can transform a low impedance load to a high impedance load. We will see what is the use of a darlington pair, few example circuits, some common applications and advantages and. Darlington. Explain Darlington Pair Amplifier.