Brake Fluid For Jeep Liberty 2005 . Brake equipment will become old and will need to be replaced at some point. How can i check the transmission fluid level on my jeep liberty. Easy to use parts catalog. When you install the brake fluid from xdp, you'll be able to keep up with the. 4.5/5 (8,291) This free video shows how to add brake fluid in a 2005 jeep liberty renegade 3.7l v6. Remove the fill cap and add it at the brake fluid master cylinder reservoir. The brake fluid must always be at. Brake fluid is the fluid by which the force applied to the brake pedal is transmitted to the brake pads. How do i add brake fluid to a 2005 jeep liberty? 4.5/5 (8,291) The 2005 jeep liberty brake fluid type is dot 3. Checking the brake fluid in your 2005 jeep liberty is easy and should be done once a month.
from www.jeepgladiatorforum.com
Brake fluid is the fluid by which the force applied to the brake pedal is transmitted to the brake pads. Easy to use parts catalog. The brake fluid must always be at. Remove the fill cap and add it at the brake fluid master cylinder reservoir. How can i check the transmission fluid level on my jeep liberty. Checking the brake fluid in your 2005 jeep liberty is easy and should be done once a month. Brake equipment will become old and will need to be replaced at some point. How do i add brake fluid to a 2005 jeep liberty? 4.5/5 (8,291) 4.5/5 (8,291)
Brake fluid help please……….. Jeep Gladiator (JT) News, Forum
Brake Fluid For Jeep Liberty 2005 How do i add brake fluid to a 2005 jeep liberty? Remove the fill cap and add it at the brake fluid master cylinder reservoir. 4.5/5 (8,291) How do i add brake fluid to a 2005 jeep liberty? When you install the brake fluid from xdp, you'll be able to keep up with the. This free video shows how to add brake fluid in a 2005 jeep liberty renegade 3.7l v6. Brake equipment will become old and will need to be replaced at some point. The 2005 jeep liberty brake fluid type is dot 3. How can i check the transmission fluid level on my jeep liberty. Brake fluid is the fluid by which the force applied to the brake pedal is transmitted to the brake pads. 4.5/5 (8,291) The brake fluid must always be at. Easy to use parts catalog. Checking the brake fluid in your 2005 jeep liberty is easy and should be done once a month.
From schematicfixzimmer.z21.web.core.windows.net
2012 Jeep Liberty Trailer Wiring Harness Brake Fluid For Jeep Liberty 2005 Remove the fill cap and add it at the brake fluid master cylinder reservoir. The 2005 jeep liberty brake fluid type is dot 3. This free video shows how to add brake fluid in a 2005 jeep liberty renegade 3.7l v6. Brake fluid is the fluid by which the force applied to the brake pedal is transmitted to the brake. Brake Fluid For Jeep Liberty 2005.
From manuallibraryscholz.z21.web.core.windows.net
2005 Jeep Liberty Renegade Engine Diagram Brake Fluid For Jeep Liberty 2005 How can i check the transmission fluid level on my jeep liberty. Brake equipment will become old and will need to be replaced at some point. The brake fluid must always be at. This free video shows how to add brake fluid in a 2005 jeep liberty renegade 3.7l v6. Remove the fill cap and add it at the brake. Brake Fluid For Jeep Liberty 2005.
From www.moparpartsinc.com
2005 Jeep Liberty Module. Antilock brakes 05140732AB Myrtle Beach SC Brake Fluid For Jeep Liberty 2005 Checking the brake fluid in your 2005 jeep liberty is easy and should be done once a month. The 2005 jeep liberty brake fluid type is dot 3. The brake fluid must always be at. 4.5/5 (8,291) 4.5/5 (8,291) This free video shows how to add brake fluid in a 2005 jeep liberty renegade 3.7l v6. Easy to. Brake Fluid For Jeep Liberty 2005.
From www.youtube.com
Jeep Liberty Transmission Fluid and Filter Service AMSOIL Signature Brake Fluid For Jeep Liberty 2005 This free video shows how to add brake fluid in a 2005 jeep liberty renegade 3.7l v6. Remove the fill cap and add it at the brake fluid master cylinder reservoir. Easy to use parts catalog. The brake fluid must always be at. When you install the brake fluid from xdp, you'll be able to keep up with the. The. Brake Fluid For Jeep Liberty 2005.
From www.moparpartsgiant.com
2005 Jeep Liberty Parking Brake Lever & Cables Brake Fluid For Jeep Liberty 2005 Brake fluid is the fluid by which the force applied to the brake pedal is transmitted to the brake pads. Checking the brake fluid in your 2005 jeep liberty is easy and should be done once a month. The 2005 jeep liberty brake fluid type is dot 3. Easy to use parts catalog. This free video shows how to add. Brake Fluid For Jeep Liberty 2005.
From workshoprepairmoses101.z1.web.core.windows.net
Jeep Wrangler Brake Fluid Type Brake Fluid For Jeep Liberty 2005 This free video shows how to add brake fluid in a 2005 jeep liberty renegade 3.7l v6. 4.5/5 (8,291) The brake fluid must always be at. Easy to use parts catalog. Brake fluid is the fluid by which the force applied to the brake pedal is transmitted to the brake pads. Checking the brake fluid in your 2005 jeep. Brake Fluid For Jeep Liberty 2005.
From www.quadratec.com
What Is A Jeep Master Cylinder And Bench Bleed? Quadratec Brake Fluid For Jeep Liberty 2005 Easy to use parts catalog. Brake fluid is the fluid by which the force applied to the brake pedal is transmitted to the brake pads. How can i check the transmission fluid level on my jeep liberty. This free video shows how to add brake fluid in a 2005 jeep liberty renegade 3.7l v6. How do i add brake fluid. Brake Fluid For Jeep Liberty 2005.
From www.autopartskart.com
2005 Jeep Liberty Disc Brake Rotor Brake Fluid For Jeep Liberty 2005 4.5/5 (8,291) Easy to use parts catalog. Brake fluid is the fluid by which the force applied to the brake pedal is transmitted to the brake pads. Remove the fill cap and add it at the brake fluid master cylinder reservoir. When you install the brake fluid from xdp, you'll be able to keep up with the. 4.5/5 . Brake Fluid For Jeep Liberty 2005.
From abzlocal.mx
Total 62+ imagen jeep wrangler clutch fluid reservoir Abzlocal.mx Brake Fluid For Jeep Liberty 2005 Checking the brake fluid in your 2005 jeep liberty is easy and should be done once a month. 4.5/5 (8,291) 4.5/5 (8,291) When you install the brake fluid from xdp, you'll be able to keep up with the. How can i check the transmission fluid level on my jeep liberty. Remove the fill cap and add it at. Brake Fluid For Jeep Liberty 2005.
From jeepcarinfo.com
2005 Jeep Liberty Abs Light Troubleshooting Tips and Solutions Jeep Brake Fluid For Jeep Liberty 2005 How can i check the transmission fluid level on my jeep liberty. The 2005 jeep liberty brake fluid type is dot 3. When you install the brake fluid from xdp, you'll be able to keep up with the. Easy to use parts catalog. Remove the fill cap and add it at the brake fluid master cylinder reservoir. Brake equipment will. Brake Fluid For Jeep Liberty 2005.
From www.moparpartsinc.com
2005 Jeep Liberty Bracket, sled. Parking brake, parking brake lever Brake Fluid For Jeep Liberty 2005 Easy to use parts catalog. Remove the fill cap and add it at the brake fluid master cylinder reservoir. 4.5/5 (8,291) 4.5/5 (8,291) The 2005 jeep liberty brake fluid type is dot 3. Brake equipment will become old and will need to be replaced at some point. How do i add brake fluid to a 2005 jeep liberty?. Brake Fluid For Jeep Liberty 2005.
From www.reddit.com
Could anyone tell me what this line is? It's been like this for months Brake Fluid For Jeep Liberty 2005 Brake fluid is the fluid by which the force applied to the brake pedal is transmitted to the brake pads. 4.5/5 (8,291) Remove the fill cap and add it at the brake fluid master cylinder reservoir. This free video shows how to add brake fluid in a 2005 jeep liberty renegade 3.7l v6. When you install the brake fluid. Brake Fluid For Jeep Liberty 2005.
From gioyexvon.blob.core.windows.net
Changing Rear Brake Pads On 2005 Jeep Liberty at Oliver Schroth blog Brake Fluid For Jeep Liberty 2005 This free video shows how to add brake fluid in a 2005 jeep liberty renegade 3.7l v6. The brake fluid must always be at. Remove the fill cap and add it at the brake fluid master cylinder reservoir. How do i add brake fluid to a 2005 jeep liberty? How can i check the transmission fluid level on my jeep. Brake Fluid For Jeep Liberty 2005.
From thptnganamst.edu.vn
Introducir 56+ imagen 1995 jeep wrangler brake fluid reservoir Brake Fluid For Jeep Liberty 2005 This free video shows how to add brake fluid in a 2005 jeep liberty renegade 3.7l v6. Easy to use parts catalog. Checking the brake fluid in your 2005 jeep liberty is easy and should be done once a month. Remove the fill cap and add it at the brake fluid master cylinder reservoir. The brake fluid must always be. Brake Fluid For Jeep Liberty 2005.
From www.renegade-station.de
Jeep Cherokee Liberty KJ RAVENOL 1 ltr. Dot 4 Brake fluid 0207 Brake Fluid For Jeep Liberty 2005 Brake equipment will become old and will need to be replaced at some point. The brake fluid must always be at. The 2005 jeep liberty brake fluid type is dot 3. How do i add brake fluid to a 2005 jeep liberty? When you install the brake fluid from xdp, you'll be able to keep up with the. Brake fluid. Brake Fluid For Jeep Liberty 2005.
From www.justanswer.com
Jeep Liberty Fuse Box Q&A on Brake Light Fuse Location JustAnswer Brake Fluid For Jeep Liberty 2005 Brake fluid is the fluid by which the force applied to the brake pedal is transmitted to the brake pads. 4.5/5 (8,291) Easy to use parts catalog. When you install the brake fluid from xdp, you'll be able to keep up with the. How can i check the transmission fluid level on my jeep liberty. This free video shows. Brake Fluid For Jeep Liberty 2005.
From www.moparpartsinc.com
2005 Jeep Liberty Lever. Parking brake. Left 05179290AA Mopar Parts Brake Fluid For Jeep Liberty 2005 Easy to use parts catalog. How do i add brake fluid to a 2005 jeep liberty? 4.5/5 (8,291) When you install the brake fluid from xdp, you'll be able to keep up with the. Remove the fill cap and add it at the brake fluid master cylinder reservoir. This free video shows how to add brake fluid in a. Brake Fluid For Jeep Liberty 2005.
From parts.chryslerjeepdodgecityofmckinney.com
Jeep Liberty Tube assembly, brake. Master cylinder to hcu 52125335AA Brake Fluid For Jeep Liberty 2005 Remove the fill cap and add it at the brake fluid master cylinder reservoir. How do i add brake fluid to a 2005 jeep liberty? This free video shows how to add brake fluid in a 2005 jeep liberty renegade 3.7l v6. When you install the brake fluid from xdp, you'll be able to keep up with the. Easy to. Brake Fluid For Jeep Liberty 2005.
From www.moparpartsinc.com
2005 Jeep Liberty Module. Antilock brakes 05140732AB Myrtle Beach SC Brake Fluid For Jeep Liberty 2005 This free video shows how to add brake fluid in a 2005 jeep liberty renegade 3.7l v6. 4.5/5 (8,291) When you install the brake fluid from xdp, you'll be able to keep up with the. How can i check the transmission fluid level on my jeep liberty. The brake fluid must always be at. Easy to use parts catalog.. Brake Fluid For Jeep Liberty 2005.
From fixwiringdevilets.z13.web.core.windows.net
Replacing Throttle Sensor 2007 Jeep Liberty Brake Fluid For Jeep Liberty 2005 Brake equipment will become old and will need to be replaced at some point. How do i add brake fluid to a 2005 jeep liberty? The brake fluid must always be at. The 2005 jeep liberty brake fluid type is dot 3. This free video shows how to add brake fluid in a 2005 jeep liberty renegade 3.7l v6. When. Brake Fluid For Jeep Liberty 2005.
From gioyexvon.blob.core.windows.net
Changing Rear Brake Pads On 2005 Jeep Liberty at Oliver Schroth blog Brake Fluid For Jeep Liberty 2005 This free video shows how to add brake fluid in a 2005 jeep liberty renegade 3.7l v6. Easy to use parts catalog. Brake fluid is the fluid by which the force applied to the brake pedal is transmitted to the brake pads. The brake fluid must always be at. The 2005 jeep liberty brake fluid type is dot 3. Remove. Brake Fluid For Jeep Liberty 2005.
From www.jeepgladiatorforum.com
Brake fluid help please……….. Jeep Gladiator (JT) News, Forum Brake Fluid For Jeep Liberty 2005 4.5/5 (8,291) When you install the brake fluid from xdp, you'll be able to keep up with the. How can i check the transmission fluid level on my jeep liberty. Brake equipment will become old and will need to be replaced at some point. The 2005 jeep liberty brake fluid type is dot 3. How do i add brake. Brake Fluid For Jeep Liberty 2005.
From www.youtube.com
How To Install Replace Do a Front Brake Job 200207 Jeep Liberty YouTube Brake Fluid For Jeep Liberty 2005 4.5/5 (8,291) How can i check the transmission fluid level on my jeep liberty. Brake fluid is the fluid by which the force applied to the brake pedal is transmitted to the brake pads. The brake fluid must always be at. This free video shows how to add brake fluid in a 2005 jeep liberty renegade 3.7l v6. Remove. Brake Fluid For Jeep Liberty 2005.
From thptnganamst.edu.vn
Actualizar 55+ imagen 2002 jeep wrangler clutch master cylinder Brake Fluid For Jeep Liberty 2005 When you install the brake fluid from xdp, you'll be able to keep up with the. How can i check the transmission fluid level on my jeep liberty. Checking the brake fluid in your 2005 jeep liberty is easy and should be done once a month. Remove the fill cap and add it at the brake fluid master cylinder reservoir.. Brake Fluid For Jeep Liberty 2005.
From www.jegs.com
JEGS 55513937 Front Brake Line Set 20052007 Jeep Liberty 4WD Non Brake Fluid For Jeep Liberty 2005 Brake equipment will become old and will need to be replaced at some point. Easy to use parts catalog. This free video shows how to add brake fluid in a 2005 jeep liberty renegade 3.7l v6. Brake fluid is the fluid by which the force applied to the brake pedal is transmitted to the brake pads. 4.5/5 (8,291) 4.5/5. Brake Fluid For Jeep Liberty 2005.
From www.moparpartsinc.com
2005 Jeep Liberty Module. Antilock brakes 05140732AB Myrtle Beach SC Brake Fluid For Jeep Liberty 2005 Brake equipment will become old and will need to be replaced at some point. 4.5/5 (8,291) How can i check the transmission fluid level on my jeep liberty. The brake fluid must always be at. Brake fluid is the fluid by which the force applied to the brake pedal is transmitted to the brake pads. When you install the. Brake Fluid For Jeep Liberty 2005.
From www.1aauto.com
How To Replace Rear Brake Hose 200207 Jeep Liberty 1A Auto Brake Fluid For Jeep Liberty 2005 Brake equipment will become old and will need to be replaced at some point. Brake fluid is the fluid by which the force applied to the brake pedal is transmitted to the brake pads. When you install the brake fluid from xdp, you'll be able to keep up with the. Checking the brake fluid in your 2005 jeep liberty is. Brake Fluid For Jeep Liberty 2005.
From enginediagramkamik.z21.web.core.windows.net
Jeep Liberty Brake Light On Dash Brake Fluid For Jeep Liberty 2005 Easy to use parts catalog. When you install the brake fluid from xdp, you'll be able to keep up with the. The 2005 jeep liberty brake fluid type is dot 3. 4.5/5 (8,291) 4.5/5 (8,291) Brake equipment will become old and will need to be replaced at some point. How can i check the transmission fluid level on. Brake Fluid For Jeep Liberty 2005.
From www.ebay.com
20052007 Jeep Liberty Parking Brake Lever Assembly New Mopar OEM eBay Brake Fluid For Jeep Liberty 2005 The 2005 jeep liberty brake fluid type is dot 3. 4.5/5 (8,291) 4.5/5 (8,291) Brake equipment will become old and will need to be replaced at some point. How do i add brake fluid to a 2005 jeep liberty? This free video shows how to add brake fluid in a 2005 jeep liberty renegade 3.7l v6. Easy to. Brake Fluid For Jeep Liberty 2005.
From www.youtube.com
How to Check Brake Fluid 0618 Jeep Wrangler YouTube Brake Fluid For Jeep Liberty 2005 This free video shows how to add brake fluid in a 2005 jeep liberty renegade 3.7l v6. Remove the fill cap and add it at the brake fluid master cylinder reservoir. Checking the brake fluid in your 2005 jeep liberty is easy and should be done once a month. 4.5/5 (8,291) Brake fluid is the fluid by which the. Brake Fluid For Jeep Liberty 2005.
From www.cargurus.com
2005 Jeep Liberty Test Drive Review CarGurus Brake Fluid For Jeep Liberty 2005 This free video shows how to add brake fluid in a 2005 jeep liberty renegade 3.7l v6. 4.5/5 (8,291) Remove the fill cap and add it at the brake fluid master cylinder reservoir. Checking the brake fluid in your 2005 jeep liberty is easy and should be done once a month. How can i check the transmission fluid level. Brake Fluid For Jeep Liberty 2005.
From www.ebay.com
20052007 Jeep Liberty Parking Brake Lever Assembly New Mopar OEM eBay Brake Fluid For Jeep Liberty 2005 4.5/5 (8,291) 4.5/5 (8,291) This free video shows how to add brake fluid in a 2005 jeep liberty renegade 3.7l v6. Brake equipment will become old and will need to be replaced at some point. The brake fluid must always be at. When you install the brake fluid from xdp, you'll be able to keep up with the.. Brake Fluid For Jeep Liberty 2005.
From www.youtube.com
How to Replace Rear Brakes 0812 Jeep Liberty YouTube Brake Fluid For Jeep Liberty 2005 This free video shows how to add brake fluid in a 2005 jeep liberty renegade 3.7l v6. 4.5/5 (8,291) The 2005 jeep liberty brake fluid type is dot 3. Brake fluid is the fluid by which the force applied to the brake pedal is transmitted to the brake pads. How do i add brake fluid to a 2005 jeep. Brake Fluid For Jeep Liberty 2005.
From www.moparpartsgiant.com
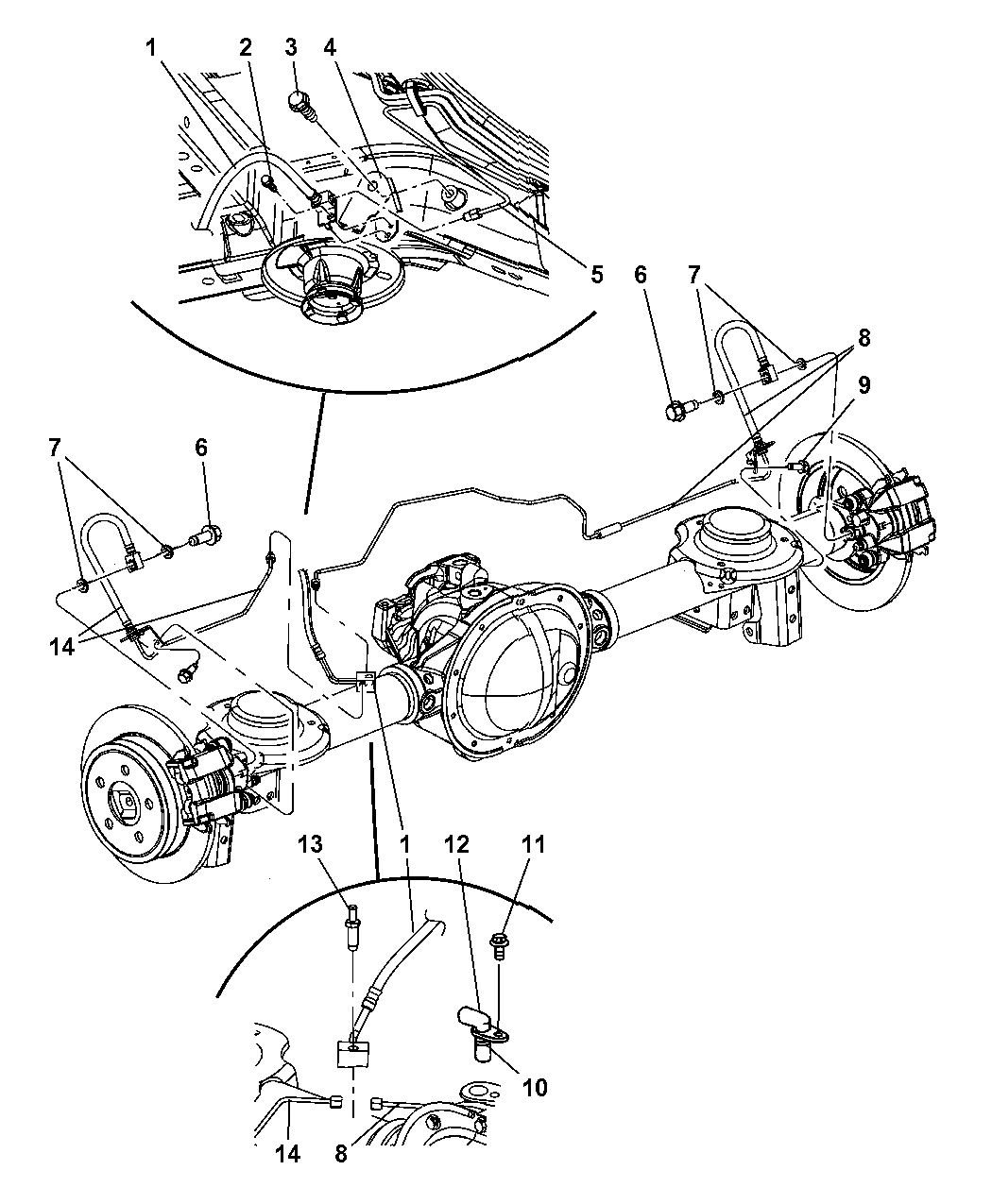
2005 Jeep Liberty Brake Lines, Rear Mopar Parts Giant Brake Fluid For Jeep Liberty 2005 The brake fluid must always be at. When you install the brake fluid from xdp, you'll be able to keep up with the. Brake fluid is the fluid by which the force applied to the brake pedal is transmitted to the brake pads. Easy to use parts catalog. Checking the brake fluid in your 2005 jeep liberty is easy and. Brake Fluid For Jeep Liberty 2005.
From www.moparpartsoverstock.com
Jeep Liberty Parking Brake Assembly,Rear,Disc. Brake Fluid For Jeep Liberty 2005 The 2005 jeep liberty brake fluid type is dot 3. Remove the fill cap and add it at the brake fluid master cylinder reservoir. How can i check the transmission fluid level on my jeep liberty. 4.5/5 (8,291) The brake fluid must always be at. 4.5/5 (8,291) Brake fluid is the fluid by which the force applied to. Brake Fluid For Jeep Liberty 2005.