Valve Stem Design Calculation . This paper explained in detail some of the main design features of a valve stem, such as diameter calculation, mast, material. Once the required valve stem thrust is known, the required stem torque must be. This paper provides a formula for calculation of mast in different sections of a valve stem installed on an oil export pipeline. The globe valve is to consider several contribution terms to valve stem thrust and then to calculate the total required stem thrust by adding the. Fisher® regulators and valves have traditionally been sized using equations derived by the company.
from www.thecryoshop.com
This paper provides a formula for calculation of mast in different sections of a valve stem installed on an oil export pipeline. Fisher® regulators and valves have traditionally been sized using equations derived by the company. Once the required valve stem thrust is known, the required stem torque must be. This paper explained in detail some of the main design features of a valve stem, such as diameter calculation, mast, material. The globe valve is to consider several contribution terms to valve stem thrust and then to calculate the total required stem thrust by adding the.
Worcester Series C44, 3 piece, extended stem cryogenic service ball
Valve Stem Design Calculation This paper provides a formula for calculation of mast in different sections of a valve stem installed on an oil export pipeline. Fisher® regulators and valves have traditionally been sized using equations derived by the company. The globe valve is to consider several contribution terms to valve stem thrust and then to calculate the total required stem thrust by adding the. Once the required valve stem thrust is known, the required stem torque must be. This paper provides a formula for calculation of mast in different sections of a valve stem installed on an oil export pipeline. This paper explained in detail some of the main design features of a valve stem, such as diameter calculation, mast, material.
From automationforum.co
Control Valve Body Materials AutomationForum Valve Stem Design Calculation This paper explained in detail some of the main design features of a valve stem, such as diameter calculation, mast, material. The globe valve is to consider several contribution terms to valve stem thrust and then to calculate the total required stem thrust by adding the. This paper provides a formula for calculation of mast in different sections of a. Valve Stem Design Calculation.
From www.piping-world.com
Valves Fundamentals of Valve Design and Construction Valve Stem Design Calculation Fisher® regulators and valves have traditionally been sized using equations derived by the company. This paper explained in detail some of the main design features of a valve stem, such as diameter calculation, mast, material. Once the required valve stem thrust is known, the required stem torque must be. The globe valve is to consider several contribution terms to valve. Valve Stem Design Calculation.
From www.scribd.com
Ball Valve Data Sheet Q240 PDF Valve Hydraulic Engineering Valve Stem Design Calculation Once the required valve stem thrust is known, the required stem torque must be. The globe valve is to consider several contribution terms to valve stem thrust and then to calculate the total required stem thrust by adding the. This paper explained in detail some of the main design features of a valve stem, such as diameter calculation, mast, material.. Valve Stem Design Calculation.
From blog.thepipingmart.com
Learn about valve stem packing and Fugitive emissions testing Valve Stem Design Calculation Fisher® regulators and valves have traditionally been sized using equations derived by the company. Once the required valve stem thrust is known, the required stem torque must be. This paper explained in detail some of the main design features of a valve stem, such as diameter calculation, mast, material. The globe valve is to consider several contribution terms to valve. Valve Stem Design Calculation.
From control.com
Slidingstem Valves Basic Principles of Control Valves and Actuators Valve Stem Design Calculation This paper provides a formula for calculation of mast in different sections of a valve stem installed on an oil export pipeline. Fisher® regulators and valves have traditionally been sized using equations derived by the company. The globe valve is to consider several contribution terms to valve stem thrust and then to calculate the total required stem thrust by adding. Valve Stem Design Calculation.
From qrcvalves.com
Valve Trim What It Is, Plug Profiles, Parts, Chart, and Selection Process Valve Stem Design Calculation The globe valve is to consider several contribution terms to valve stem thrust and then to calculate the total required stem thrust by adding the. This paper explained in detail some of the main design features of a valve stem, such as diameter calculation, mast, material. Fisher® regulators and valves have traditionally been sized using equations derived by the company.. Valve Stem Design Calculation.
From engineeringdiscoveries.com
Different Types Of Valves With PDF File Engineering Discoveries Valve Stem Design Calculation This paper provides a formula for calculation of mast in different sections of a valve stem installed on an oil export pipeline. The globe valve is to consider several contribution terms to valve stem thrust and then to calculate the total required stem thrust by adding the. This paper explained in detail some of the main design features of a. Valve Stem Design Calculation.
From www.mdpi.com
Processes Free FullText Analysis of Regulating Valve Stem Fracture Valve Stem Design Calculation Fisher® regulators and valves have traditionally been sized using equations derived by the company. This paper provides a formula for calculation of mast in different sections of a valve stem installed on an oil export pipeline. Once the required valve stem thrust is known, the required stem torque must be. The globe valve is to consider several contribution terms to. Valve Stem Design Calculation.
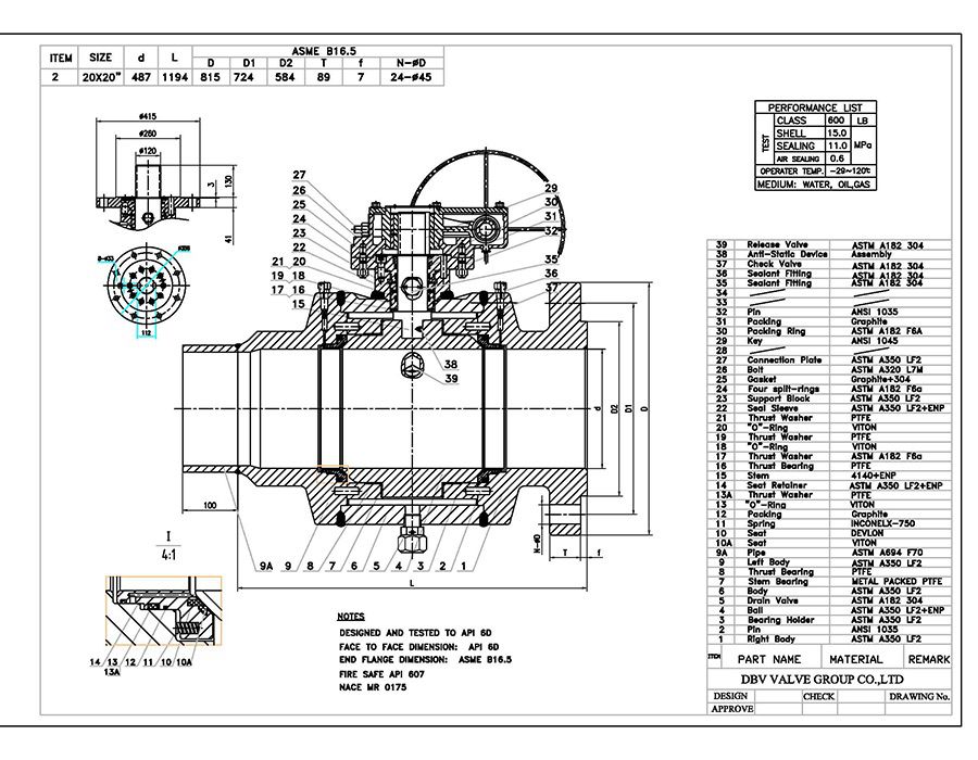
From dbv-armaturen.com
Extended stem API 6D Fully welded Ball Valve Trunnion mounted ball valve Valve Stem Design Calculation The globe valve is to consider several contribution terms to valve stem thrust and then to calculate the total required stem thrust by adding the. This paper explained in detail some of the main design features of a valve stem, such as diameter calculation, mast, material. Fisher® regulators and valves have traditionally been sized using equations derived by the company.. Valve Stem Design Calculation.
From www.mdpi.com
Applied Sciences Free FullText Investigation of the Flow Valve Stem Design Calculation This paper provides a formula for calculation of mast in different sections of a valve stem installed on an oil export pipeline. The globe valve is to consider several contribution terms to valve stem thrust and then to calculate the total required stem thrust by adding the. Fisher® regulators and valves have traditionally been sized using equations derived by the. Valve Stem Design Calculation.
From control.com
Slidingstem Valves Basic Principles of Control Valves and Actuators Valve Stem Design Calculation The globe valve is to consider several contribution terms to valve stem thrust and then to calculate the total required stem thrust by adding the. This paper explained in detail some of the main design features of a valve stem, such as diameter calculation, mast, material. Fisher® regulators and valves have traditionally been sized using equations derived by the company.. Valve Stem Design Calculation.
From brokeasshome.com
How Wide Should A Valve Seat Be Placed In Car Valve Stem Design Calculation The globe valve is to consider several contribution terms to valve stem thrust and then to calculate the total required stem thrust by adding the. Fisher® regulators and valves have traditionally been sized using equations derived by the company. Once the required valve stem thrust is known, the required stem torque must be. This paper provides a formula for calculation. Valve Stem Design Calculation.
From aparch.pics
Valve functions and basic parts of the valve Targets of the control Valve Stem Design Calculation The globe valve is to consider several contribution terms to valve stem thrust and then to calculate the total required stem thrust by adding the. This paper provides a formula for calculation of mast in different sections of a valve stem installed on an oil export pipeline. Fisher® regulators and valves have traditionally been sized using equations derived by the. Valve Stem Design Calculation.
From www.youtube.com
Control Valve Full Calculation Step by Step with Example Valve Valve Stem Design Calculation This paper explained in detail some of the main design features of a valve stem, such as diameter calculation, mast, material. Fisher® regulators and valves have traditionally been sized using equations derived by the company. This paper provides a formula for calculation of mast in different sections of a valve stem installed on an oil export pipeline. The globe valve. Valve Stem Design Calculation.
From www.balon.com
An Advanced Concept in Stem Design Valve Stem Design Calculation The globe valve is to consider several contribution terms to valve stem thrust and then to calculate the total required stem thrust by adding the. This paper provides a formula for calculation of mast in different sections of a valve stem installed on an oil export pipeline. Fisher® regulators and valves have traditionally been sized using equations derived by the. Valve Stem Design Calculation.
From www.youtube.com
API 600 II Valve Body thickness calculations II YouTube Valve Stem Design Calculation This paper explained in detail some of the main design features of a valve stem, such as diameter calculation, mast, material. Once the required valve stem thrust is known, the required stem torque must be. This paper provides a formula for calculation of mast in different sections of a valve stem installed on an oil export pipeline. The globe valve. Valve Stem Design Calculation.
From solutecmandiri.com
Needle valve are used for isolation, Regulating and metering valves Valve Stem Design Calculation This paper provides a formula for calculation of mast in different sections of a valve stem installed on an oil export pipeline. Fisher® regulators and valves have traditionally been sized using equations derived by the company. Once the required valve stem thrust is known, the required stem torque must be. The globe valve is to consider several contribution terms to. Valve Stem Design Calculation.
From control.com
Slidingstem Valves Basic Principles of Control Valves and Actuators Valve Stem Design Calculation This paper explained in detail some of the main design features of a valve stem, such as diameter calculation, mast, material. This paper provides a formula for calculation of mast in different sections of a valve stem installed on an oil export pipeline. The globe valve is to consider several contribution terms to valve stem thrust and then to calculate. Valve Stem Design Calculation.
From paktechpoint.com
Relief Valve Size Calculation Size Chart ASME Requirements Valve Stem Design Calculation The globe valve is to consider several contribution terms to valve stem thrust and then to calculate the total required stem thrust by adding the. This paper provides a formula for calculation of mast in different sections of a valve stem installed on an oil export pipeline. Once the required valve stem thrust is known, the required stem torque must. Valve Stem Design Calculation.
From www.simulationhub.com
Valve trim design using Control Valve Performer Valve Stem Design Calculation This paper explained in detail some of the main design features of a valve stem, such as diameter calculation, mast, material. This paper provides a formula for calculation of mast in different sections of a valve stem installed on an oil export pipeline. Fisher® regulators and valves have traditionally been sized using equations derived by the company. The globe valve. Valve Stem Design Calculation.
From control.com
Rotarystem Valves Basic Principles of Control Valves and Actuators Valve Stem Design Calculation This paper explained in detail some of the main design features of a valve stem, such as diameter calculation, mast, material. Once the required valve stem thrust is known, the required stem torque must be. The globe valve is to consider several contribution terms to valve stem thrust and then to calculate the total required stem thrust by adding the.. Valve Stem Design Calculation.
From yardandgardenguru.com
Valve Stem Sizes Chart Valve Stem Design Calculation This paper explained in detail some of the main design features of a valve stem, such as diameter calculation, mast, material. Once the required valve stem thrust is known, the required stem torque must be. The globe valve is to consider several contribution terms to valve stem thrust and then to calculate the total required stem thrust by adding the.. Valve Stem Design Calculation.
From hardhatengineer.com
Valve Trim and Parts Including API Trim Charts Valve Stem Design Calculation Once the required valve stem thrust is known, the required stem torque must be. The globe valve is to consider several contribution terms to valve stem thrust and then to calculate the total required stem thrust by adding the. Fisher® regulators and valves have traditionally been sized using equations derived by the company. This paper explained in detail some of. Valve Stem Design Calculation.
From enginemechanics.tpub.com
Figure 139.Crosssectional views of gate stop valves (nonrising stem Valve Stem Design Calculation This paper explained in detail some of the main design features of a valve stem, such as diameter calculation, mast, material. Once the required valve stem thrust is known, the required stem torque must be. The globe valve is to consider several contribution terms to valve stem thrust and then to calculate the total required stem thrust by adding the.. Valve Stem Design Calculation.
From www.youtube.com
Valve stem height Why it matters! YouTube Valve Stem Design Calculation This paper provides a formula for calculation of mast in different sections of a valve stem installed on an oil export pipeline. Fisher® regulators and valves have traditionally been sized using equations derived by the company. The globe valve is to consider several contribution terms to valve stem thrust and then to calculate the total required stem thrust by adding. Valve Stem Design Calculation.
From www.studocu.com
P 4 INSIDE SCREW RISING STEM ISRS DESIGN OUTSIDE SCREW and YOKE OS Valve Stem Design Calculation This paper explained in detail some of the main design features of a valve stem, such as diameter calculation, mast, material. Once the required valve stem thrust is known, the required stem torque must be. This paper provides a formula for calculation of mast in different sections of a valve stem installed on an oil export pipeline. The globe valve. Valve Stem Design Calculation.
From www.rvtravel.com
RV Tire Safety What valve stem to use with a TPMS Part 2 RV Travel Valve Stem Design Calculation Fisher® regulators and valves have traditionally been sized using equations derived by the company. Once the required valve stem thrust is known, the required stem torque must be. The globe valve is to consider several contribution terms to valve stem thrust and then to calculate the total required stem thrust by adding the. This paper provides a formula for calculation. Valve Stem Design Calculation.
From www.rvtravel.com
RV Tire Safety What valve stem to use with a TPMS Part 2 RV Travel Valve Stem Design Calculation This paper explained in detail some of the main design features of a valve stem, such as diameter calculation, mast, material. The globe valve is to consider several contribution terms to valve stem thrust and then to calculate the total required stem thrust by adding the. Fisher® regulators and valves have traditionally been sized using equations derived by the company.. Valve Stem Design Calculation.
From www.linquip.com
What Is Linear Valve? Working Principles & Types Complete Explanation Valve Stem Design Calculation This paper explained in detail some of the main design features of a valve stem, such as diameter calculation, mast, material. The globe valve is to consider several contribution terms to valve stem thrust and then to calculate the total required stem thrust by adding the. This paper provides a formula for calculation of mast in different sections of a. Valve Stem Design Calculation.
From www.youtube.com
Control Valve Cv Calculation for Liquids Simple Science YouTube Valve Stem Design Calculation This paper provides a formula for calculation of mast in different sections of a valve stem installed on an oil export pipeline. Fisher® regulators and valves have traditionally been sized using equations derived by the company. This paper explained in detail some of the main design features of a valve stem, such as diameter calculation, mast, material. Once the required. Valve Stem Design Calculation.
From alscoplastics.com
Butterfly Valve Stem Extension Valve Stem Design Calculation Once the required valve stem thrust is known, the required stem torque must be. Fisher® regulators and valves have traditionally been sized using equations derived by the company. This paper provides a formula for calculation of mast in different sections of a valve stem installed on an oil export pipeline. The globe valve is to consider several contribution terms to. Valve Stem Design Calculation.
From www.thecryoshop.com
Worcester Series C44, 3 piece, extended stem cryogenic service ball Valve Stem Design Calculation Once the required valve stem thrust is known, the required stem torque must be. Fisher® regulators and valves have traditionally been sized using equations derived by the company. This paper provides a formula for calculation of mast in different sections of a valve stem installed on an oil export pipeline. The globe valve is to consider several contribution terms to. Valve Stem Design Calculation.
From www.scribd.com
Valve Calculation Valve Stem Design Calculation This paper explained in detail some of the main design features of a valve stem, such as diameter calculation, mast, material. The globe valve is to consider several contribution terms to valve stem thrust and then to calculate the total required stem thrust by adding the. This paper provides a formula for calculation of mast in different sections of a. Valve Stem Design Calculation.
From www.valmatic.com.my
Segmented Ball Valve vs Standard Ball Valve for Flow Control Valmatic Valve Stem Design Calculation Once the required valve stem thrust is known, the required stem torque must be. The globe valve is to consider several contribution terms to valve stem thrust and then to calculate the total required stem thrust by adding the. This paper provides a formula for calculation of mast in different sections of a valve stem installed on an oil export. Valve Stem Design Calculation.
From control.com
Slidingstem Valves Basic Principles of Control Valves and Actuators Valve Stem Design Calculation This paper explained in detail some of the main design features of a valve stem, such as diameter calculation, mast, material. Fisher® regulators and valves have traditionally been sized using equations derived by the company. The globe valve is to consider several contribution terms to valve stem thrust and then to calculate the total required stem thrust by adding the.. Valve Stem Design Calculation.