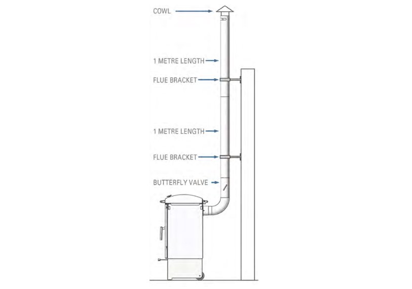
Flue Vertical Extension . • the vertical flue (7 719 002 430) can be extended at any point between the adaptor [2] and the flue terminal assembly [1] using the flue kits “bend. These allow the flue to exit from the side of the. For short heights sections ‘b’ and ‘c’ may be omitted and elbow ‘d’ The flue extension is both quick to install and aesthetically pleasing, allowing it to blend in with the rest of the boiler system. Key types include horizontal and vertical extensions. The vertical height can be extended using the extensions or 45° elbows listed. A flue offset can be provided using, 2 at 90° (except for wh1 and wr325 rsf water heaters where 90° bends cannot be used) or 2 at 45°. Vertical flues rise from the top of the boiler. They can travel through flat roofs or walls at higher points. Boiler flue extensions are used to extend a boiler's flue outlet system, effectively an additional flue length of either horizontal or vertical.
        
        from www.rockfordchimneysupply.com 
     
        
        A flue offset can be provided using, 2 at 90° (except for wh1 and wr325 rsf water heaters where 90° bends cannot be used) or 2 at 45°. For short heights sections ‘b’ and ‘c’ may be omitted and elbow ‘d’ Boiler flue extensions are used to extend a boiler's flue outlet system, effectively an additional flue length of either horizontal or vertical. Key types include horizontal and vertical extensions. The flue extension is both quick to install and aesthetically pleasing, allowing it to blend in with the rest of the boiler system. • the vertical flue (7 719 002 430) can be extended at any point between the adaptor [2] and the flue terminal assembly [1] using the flue kits “bend. These allow the flue to exit from the side of the. They can travel through flat roofs or walls at higher points. Vertical flues rise from the top of the boiler. The vertical height can be extended using the extensions or 45° elbows listed.
    
    	
            
	
		 
         
    Chimney Flue Extension Chimney Extension Kit Rockford Chimney 
    Flue Vertical Extension  • the vertical flue (7 719 002 430) can be extended at any point between the adaptor [2] and the flue terminal assembly [1] using the flue kits “bend. Vertical flues rise from the top of the boiler. Boiler flue extensions are used to extend a boiler's flue outlet system, effectively an additional flue length of either horizontal or vertical. The vertical height can be extended using the extensions or 45° elbows listed. They can travel through flat roofs or walls at higher points. A flue offset can be provided using, 2 at 90° (except for wh1 and wr325 rsf water heaters where 90° bends cannot be used) or 2 at 45°. • the vertical flue (7 719 002 430) can be extended at any point between the adaptor [2] and the flue terminal assembly [1] using the flue kits “bend. The flue extension is both quick to install and aesthetically pleasing, allowing it to blend in with the rest of the boiler system. Key types include horizontal and vertical extensions. For short heights sections ‘b’ and ‘c’ may be omitted and elbow ‘d’ These allow the flue to exit from the side of the.
            
	
		 
         
 
    
        From www.chorleyfirecentre.co.uk 
                    Rear flue vertical extension Chorley Fire Centre Flue Vertical Extension  Boiler flue extensions are used to extend a boiler's flue outlet system, effectively an additional flue length of either horizontal or vertical. The flue extension is both quick to install and aesthetically pleasing, allowing it to blend in with the rest of the boiler system. • the vertical flue (7 719 002 430) can be extended at any point between. Flue Vertical Extension.
     
    
        From simplystovesuk.com 
                    Mendip Stoves 150mm Rear Flue Vertical Extension Simply Stoves Flue Vertical Extension  • the vertical flue (7 719 002 430) can be extended at any point between the adaptor [2] and the flue terminal assembly [1] using the flue kits “bend. Key types include horizontal and vertical extensions. The flue extension is both quick to install and aesthetically pleasing, allowing it to blend in with the rest of the boiler system. A. Flue Vertical Extension.
     
    
        From www.pinterest.at 
                    The Hagley Stoves team have installed this lovely Contura 850 today. A great job and Poujoulat f Flue Vertical Extension  These allow the flue to exit from the side of the. Vertical flues rise from the top of the boiler. The flue extension is both quick to install and aesthetically pleasing, allowing it to blend in with the rest of the boiler system. For short heights sections ‘b’ and ‘c’ may be omitted and elbow ‘d’ A flue offset can. Flue Vertical Extension.
     
    
        From www.firebird.ie 
                    High Level Flue Kits & Extensions Stainless Steel Flue Vertical Extension  For short heights sections ‘b’ and ‘c’ may be omitted and elbow ‘d’ • the vertical flue (7 719 002 430) can be extended at any point between the adaptor [2] and the flue terminal assembly [1] using the flue kits “bend. The vertical height can be extended using the extensions or 45° elbows listed. They can travel through flat. Flue Vertical Extension.
     
    
        From www.wolseley.co.uk 
                    Grant high level vertical balanced flue extension (for 26 70KW boilers) 450mm Wolseley Flue Vertical Extension  Vertical flues rise from the top of the boiler. The vertical height can be extended using the extensions or 45° elbows listed. For short heights sections ‘b’ and ‘c’ may be omitted and elbow ‘d’ Boiler flue extensions are used to extend a boiler's flue outlet system, effectively an additional flue length of either horizontal or vertical. These allow the. Flue Vertical Extension.
     
    
        From www.cityplumbing.co.uk 
                    Worcester Greenstar Oilfit 100/150mm External Flue Extension City Plumbing Supplies Flue Vertical Extension  • the vertical flue (7 719 002 430) can be extended at any point between the adaptor [2] and the flue terminal assembly [1] using the flue kits “bend. Vertical flues rise from the top of the boiler. The vertical height can be extended using the extensions or 45° elbows listed. Key types include horizontal and vertical extensions. Boiler flue. Flue Vertical Extension.
     
    
        From www.youtube.com 
                    How to extend coaxial flue terminal YouTube Flue Vertical Extension  A flue offset can be provided using, 2 at 90° (except for wh1 and wr325 rsf water heaters where 90° bends cannot be used) or 2 at 45°. The vertical height can be extended using the extensions or 45° elbows listed. Boiler flue extensions are used to extend a boiler's flue outlet system, effectively an additional flue length of either. Flue Vertical Extension.
     
    
        From www.toolstation.com 
                    Baxi Flue Extension 1m with Fixing Screws Toolstation Flue Vertical Extension  Boiler flue extensions are used to extend a boiler's flue outlet system, effectively an additional flue length of either horizontal or vertical. For short heights sections ‘b’ and ‘c’ may be omitted and elbow ‘d’ • the vertical flue (7 719 002 430) can be extended at any point between the adaptor [2] and the flue terminal assembly [1] using. Flue Vertical Extension.
     
    
        From worcesterboilerkozaibu.blogspot.com 
                    Worcester Boiler Worcester Boiler Vertical Flue Flue Vertical Extension  A flue offset can be provided using, 2 at 90° (except for wh1 and wr325 rsf water heaters where 90° bends cannot be used) or 2 at 45°. Boiler flue extensions are used to extend a boiler's flue outlet system, effectively an additional flue length of either horizontal or vertical. Key types include horizontal and vertical extensions. These allow the. Flue Vertical Extension.
     
    
        From www.toolstation.com 
                    Vokera Flue Extension 500mm Toolstation Flue Vertical Extension  They can travel through flat roofs or walls at higher points. For short heights sections ‘b’ and ‘c’ may be omitted and elbow ‘d’ • the vertical flue (7 719 002 430) can be extended at any point between the adaptor [2] and the flue terminal assembly [1] using the flue kits “bend. These allow the flue to exit from. Flue Vertical Extension.
     
    
        From www.snhtradecentre.co.uk 
                    Intergas 1000mm Flue Extension SNH Tradecentre Flue Vertical Extension  A flue offset can be provided using, 2 at 90° (except for wh1 and wr325 rsf water heaters where 90° bends cannot be used) or 2 at 45°. For short heights sections ‘b’ and ‘c’ may be omitted and elbow ‘d’ These allow the flue to exit from the side of the. The vertical height can be extended using the. Flue Vertical Extension.
     
    
        From www.warmsafeplumbingandheating.co.uk 
                    Grant EXTK14ADJ200 High Level Vertical Balanced Flue Adjustable Extension for 2670kW Boilers Flue Vertical Extension  These allow the flue to exit from the side of the. Vertical flues rise from the top of the boiler. The flue extension is both quick to install and aesthetically pleasing, allowing it to blend in with the rest of the boiler system. A flue offset can be provided using, 2 at 90° (except for wh1 and wr325 rsf water. Flue Vertical Extension.
     
    
        From www.dobiesheatcentres.co.uk 
                    VTK0690200 GRANT VERTICAL 3MT FLUE KIT Flue Vertical Extension  Boiler flue extensions are used to extend a boiler's flue outlet system, effectively an additional flue length of either horizontal or vertical. These allow the flue to exit from the side of the. Key types include horizontal and vertical extensions. For short heights sections ‘b’ and ‘c’ may be omitted and elbow ‘d’ They can travel through flat roofs or. Flue Vertical Extension.
     
    
        From chesneys.co.uk 
                    Chesneys Flue Extension Kit Flue Vertical Extension  • the vertical flue (7 719 002 430) can be extended at any point between the adaptor [2] and the flue terminal assembly [1] using the flue kits “bend. The vertical height can be extended using the extensions or 45° elbows listed. The flue extension is both quick to install and aesthetically pleasing, allowing it to blend in with the. Flue Vertical Extension.
     
    
        From www.warmsafeplumbingandheating.co.uk 
                    Grant EXTK31225/90 high level vertical balanced flue extension kit (for 12 26KW boilers) 225mm Flue Vertical Extension  They can travel through flat roofs or walls at higher points. Boiler flue extensions are used to extend a boiler's flue outlet system, effectively an additional flue length of either horizontal or vertical. Vertical flues rise from the top of the boiler. A flue offset can be provided using, 2 at 90° (except for wh1 and wr325 rsf water heaters. Flue Vertical Extension.
     
    
        From mendipstoves.co.uk 
                    MP 125mmø Rear Flue Vertical Extension Version 1 Mendip Stoves Wood Burning Stoves Flue Vertical Extension  The flue extension is both quick to install and aesthetically pleasing, allowing it to blend in with the rest of the boiler system. Boiler flue extensions are used to extend a boiler's flue outlet system, effectively an additional flue length of either horizontal or vertical. They can travel through flat roofs or walls at higher points. A flue offset can. Flue Vertical Extension.
     
    
        From www.gstore.com.au 
                    Stratos 4M Flue Pack Melbourne Vertical Flue Equipment Flue Vertical Extension  These allow the flue to exit from the side of the. For short heights sections ‘b’ and ‘c’ may be omitted and elbow ‘d’ A flue offset can be provided using, 2 at 90° (except for wh1 and wr325 rsf water heaters where 90° bends cannot be used) or 2 at 45°. Vertical flues rise from the top of the. Flue Vertical Extension.
     
    
        From www.warmsafeplumbingandheating.co.uk 
                    adjustable extension flue 2670kW Flue Vertical Extension  • the vertical flue (7 719 002 430) can be extended at any point between the adaptor [2] and the flue terminal assembly [1] using the flue kits “bend. A flue offset can be provided using, 2 at 90° (except for wh1 and wr325 rsf water heaters where 90° bends cannot be used) or 2 at 45°. These allow the. Flue Vertical Extension.
     
    
        From grantni.com 
                    EZ Fit Flue Internal Vertical Balanced Flue (White System) Grant Northern Ireland Flue Vertical Extension  Vertical flues rise from the top of the boiler. They can travel through flat roofs or walls at higher points. The flue extension is both quick to install and aesthetically pleasing, allowing it to blend in with the rest of the boiler system. • the vertical flue (7 719 002 430) can be extended at any point between the adaptor. Flue Vertical Extension.
     
    
        From www.eurostove.co.uk 
                    MP 125mmø Rear Flue Vertical Extension Version 2 Eurostove Flue Vertical Extension  Key types include horizontal and vertical extensions. Vertical flues rise from the top of the boiler. These allow the flue to exit from the side of the. The flue extension is both quick to install and aesthetically pleasing, allowing it to blend in with the rest of the boiler system. They can travel through flat roofs or walls at higher. Flue Vertical Extension.
     
    
        From www.mepstock.co.uk 
                    Vaillant Boiler Flue Extension, Vaillant Vertical Flue Terminal 20223472, Flue Kit, Vaillant Flue Vertical Extension  The vertical height can be extended using the extensions or 45° elbows listed. They can travel through flat roofs or walls at higher points. Boiler flue extensions are used to extend a boiler's flue outlet system, effectively an additional flue length of either horizontal or vertical. Vertical flues rise from the top of the boiler. • the vertical flue (7. Flue Vertical Extension.
     
    
        From www.warmsafeplumbingandheating.co.uk 
                    Ideal Evomax Vertical Flue Kit (For Evomax 30KW & UP TO 80KW ) 80125mm 213264 Flue Vertical Extension  Boiler flue extensions are used to extend a boiler's flue outlet system, effectively an additional flue length of either horizontal or vertical. Vertical flues rise from the top of the boiler. The vertical height can be extended using the extensions or 45° elbows listed. For short heights sections ‘b’ and ‘c’ may be omitted and elbow ‘d’ Key types include. Flue Vertical Extension.
     
    
        From www.rockfordchimneysupply.com 
                    Chimney Flue Extension Chimney Extension Kit Rockford Chimney Flue Vertical Extension  A flue offset can be provided using, 2 at 90° (except for wh1 and wr325 rsf water heaters where 90° bends cannot be used) or 2 at 45°. Boiler flue extensions are used to extend a boiler's flue outlet system, effectively an additional flue length of either horizontal or vertical. Key types include horizontal and vertical extensions. • the vertical. Flue Vertical Extension.
     
    
        From mendipstoves.co.uk 
                    MP 125mmø Rear Flue Vertical Extension Version 1 Mendip Stoves Wood Burning Stoves Flue Vertical Extension  Vertical flues rise from the top of the boiler. They can travel through flat roofs or walls at higher points. For short heights sections ‘b’ and ‘c’ may be omitted and elbow ‘d’ These allow the flue to exit from the side of the. The vertical height can be extended using the extensions or 45° elbows listed. A flue offset. Flue Vertical Extension.
     
    
        From mendipstoves.co.uk 
                    MP 125mmø Rear Flue Vertical Extension Version 2 Mendip Stoves Wood Burning Stoves Flue Vertical Extension  They can travel through flat roofs or walls at higher points. Boiler flue extensions are used to extend a boiler's flue outlet system, effectively an additional flue length of either horizontal or vertical. Key types include horizontal and vertical extensions. These allow the flue to exit from the side of the. For short heights sections ‘b’ and ‘c’ may be. Flue Vertical Extension.
     
    
        From www.mcnairs.co.uk 
                    Vokera Vertical Flue Terminal McNairs Building Supplies Flue Vertical Extension  For short heights sections ‘b’ and ‘c’ may be omitted and elbow ‘d’ • the vertical flue (7 719 002 430) can be extended at any point between the adaptor [2] and the flue terminal assembly [1] using the flue kits “bend. The flue extension is both quick to install and aesthetically pleasing, allowing it to blend in with the. Flue Vertical Extension.
     
    
        From mendipstoves.co.uk 
                    Mendip Stoves 150mmø Rear Flue Vertical Extension Mendip Stoves Wood Burning Stoves Flue Vertical Extension  Boiler flue extensions are used to extend a boiler's flue outlet system, effectively an additional flue length of either horizontal or vertical. • the vertical flue (7 719 002 430) can be extended at any point between the adaptor [2] and the flue terminal assembly [1] using the flue kits “bend. The flue extension is both quick to install and. Flue Vertical Extension.
     
    
        From www.mytub.co.uk 
                    7716190053 Black Oilfit Vertical Extension Flue Kit 80/125mm Bosch Flue Vertical Extension  The flue extension is both quick to install and aesthetically pleasing, allowing it to blend in with the rest of the boiler system. • the vertical flue (7 719 002 430) can be extended at any point between the adaptor [2] and the flue terminal assembly [1] using the flue kits “bend. They can travel through flat roofs or walls. Flue Vertical Extension.
     
    
        From hounsfieldboilers.co.uk 
                    Flue Options Hounsfield Boilers Flue Vertical Extension  • the vertical flue (7 719 002 430) can be extended at any point between the adaptor [2] and the flue terminal assembly [1] using the flue kits “bend. For short heights sections ‘b’ and ‘c’ may be omitted and elbow ‘d’ Vertical flues rise from the top of the boiler. They can travel through flat roofs or walls at. Flue Vertical Extension.
     
    
        From www.chorleyfirecentre.co.uk 
                    Rear flue vertical extension Chorley Fire Centre Flue Vertical Extension  • the vertical flue (7 719 002 430) can be extended at any point between the adaptor [2] and the flue terminal assembly [1] using the flue kits “bend. They can travel through flat roofs or walls at higher points. A flue offset can be provided using, 2 at 90° (except for wh1 and wr325 rsf water heaters where 90°. Flue Vertical Extension.
     
    
        From mendipstoves.co.uk 
                    Mendip Stoves 150mmø Rear Flue Vertical Extension Mendip Stoves Wood Burning Stoves Flue Vertical Extension  • the vertical flue (7 719 002 430) can be extended at any point between the adaptor [2] and the flue terminal assembly [1] using the flue kits “bend. Key types include horizontal and vertical extensions. A flue offset can be provided using, 2 at 90° (except for wh1 and wr325 rsf water heaters where 90° bends cannot be used). Flue Vertical Extension.
     
    
        From simplystovesuk.com 
                    Mendip Stoves 150mm Rear Flue Vertical Extension Simply Stoves Flue Vertical Extension  A flue offset can be provided using, 2 at 90° (except for wh1 and wr325 rsf water heaters where 90° bends cannot be used) or 2 at 45°. Vertical flues rise from the top of the boiler. These allow the flue to exit from the side of the. The flue extension is both quick to install and aesthetically pleasing, allowing. Flue Vertical Extension.
     
    
        From www.mepstock.co.uk 
                    Vaillant Boiler Flue Extension, Vaillant Vertical Flue Terminal 20223472, Flue Kit, Vaillant Flue Vertical Extension  Vertical flues rise from the top of the boiler. The flue extension is both quick to install and aesthetically pleasing, allowing it to blend in with the rest of the boiler system. A flue offset can be provided using, 2 at 90° (except for wh1 and wr325 rsf water heaters where 90° bends cannot be used) or 2 at 45°.. Flue Vertical Extension.
     
    
        From www.screwfix.ie 
                    Viessmann Telescopic Flue Kit 620mm Screwfix Flue Vertical Extension  Boiler flue extensions are used to extend a boiler's flue outlet system, effectively an additional flue length of either horizontal or vertical. A flue offset can be provided using, 2 at 90° (except for wh1 and wr325 rsf water heaters where 90° bends cannot be used) or 2 at 45°. Vertical flues rise from the top of the boiler. They. Flue Vertical Extension.
     
    
        From www.cityplumbing.co.uk 
                    Grant EZFit Vertical Balanced Flue High Level Extension 50/90mm 950mm City Plumbing Supplies Flue Vertical Extension  A flue offset can be provided using, 2 at 90° (except for wh1 and wr325 rsf water heaters where 90° bends cannot be used) or 2 at 45°. The flue extension is both quick to install and aesthetically pleasing, allowing it to blend in with the rest of the boiler system. • the vertical flue (7 719 002 430) can. Flue Vertical Extension.