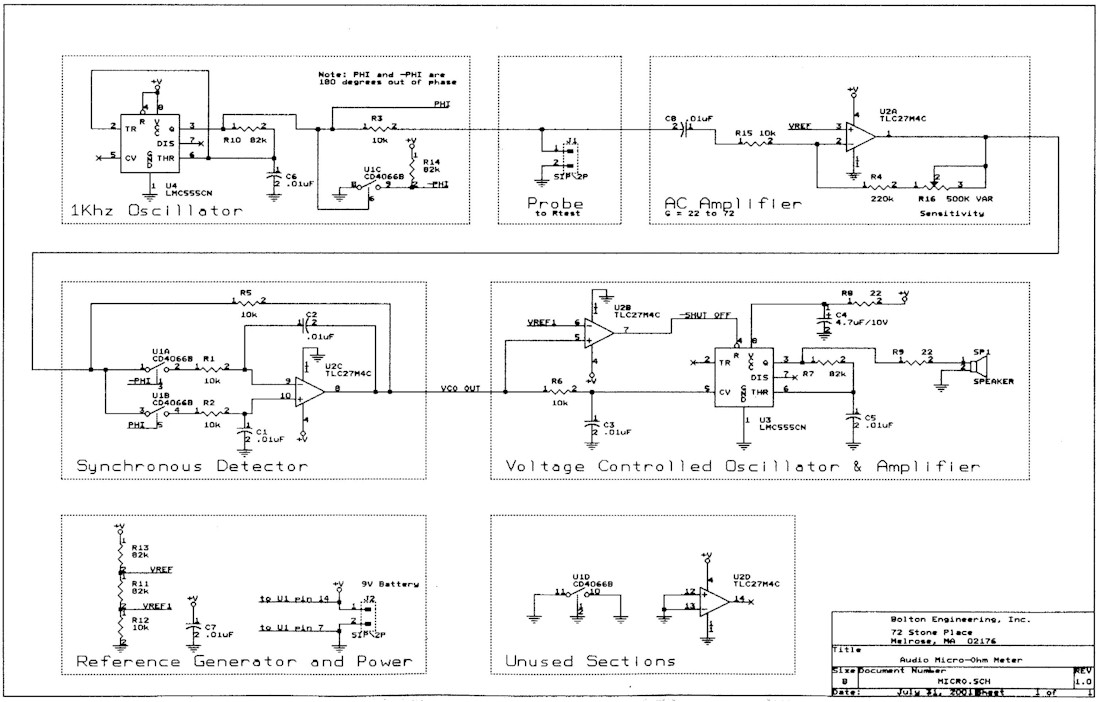
Micro Ohmmeter Circuit Diagram . To explain this concept further, let's have a look at the digital micro ohmmeter's circuit diagram. At its most basic, this diagram consists of a source of current (typically a battery),. From complex diagrams to the various. The milliohm meter calculates the value of the resistor under test (rx) by measuring the voltage across it and the voltage across a series. If you've ever worked with a micro ohm meter circuit diagram, then you know that understanding it can be a daunting task. This type of meter comprises several selectors for choosing the. A micro ohmmeter circuit diagram allows engineers to build accurate and reliable circuits that can measure a variety of.
from www.circuitdiagram.co
To explain this concept further, let's have a look at the digital micro ohmmeter's circuit diagram. This type of meter comprises several selectors for choosing the. The milliohm meter calculates the value of the resistor under test (rx) by measuring the voltage across it and the voltage across a series. If you've ever worked with a micro ohm meter circuit diagram, then you know that understanding it can be a daunting task. At its most basic, this diagram consists of a source of current (typically a battery),. A micro ohmmeter circuit diagram allows engineers to build accurate and reliable circuits that can measure a variety of. From complex diagrams to the various.
Simple Ohmmeter Circuit Diagram Circuit Diagram
Micro Ohmmeter Circuit Diagram From complex diagrams to the various. To explain this concept further, let's have a look at the digital micro ohmmeter's circuit diagram. A micro ohmmeter circuit diagram allows engineers to build accurate and reliable circuits that can measure a variety of. From complex diagrams to the various. At its most basic, this diagram consists of a source of current (typically a battery),. If you've ever worked with a micro ohm meter circuit diagram, then you know that understanding it can be a daunting task. The milliohm meter calculates the value of the resistor under test (rx) by measuring the voltage across it and the voltage across a series. This type of meter comprises several selectors for choosing the.
From userdatamathilda.z1.web.core.windows.net
Simple Ohmmeter Circuit Diagram Micro Ohmmeter Circuit Diagram A micro ohmmeter circuit diagram allows engineers to build accurate and reliable circuits that can measure a variety of. From complex diagrams to the various. This type of meter comprises several selectors for choosing the. If you've ever worked with a micro ohm meter circuit diagram, then you know that understanding it can be a daunting task. The milliohm meter. Micro Ohmmeter Circuit Diagram.
From www.circuitdiagram.co
Ohmmeter Schematic Diagram Micro Ohmmeter Circuit Diagram From complex diagrams to the various. At its most basic, this diagram consists of a source of current (typically a battery),. To explain this concept further, let's have a look at the digital micro ohmmeter's circuit diagram. If you've ever worked with a micro ohm meter circuit diagram, then you know that understanding it can be a daunting task. This. Micro Ohmmeter Circuit Diagram.
From fixpartteresa.z4.web.core.windows.net
Digital Micro Ohmmeter Circuit Diagram Micro Ohmmeter Circuit Diagram A micro ohmmeter circuit diagram allows engineers to build accurate and reliable circuits that can measure a variety of. From complex diagrams to the various. This type of meter comprises several selectors for choosing the. At its most basic, this diagram consists of a source of current (typically a battery),. If you've ever worked with a micro ohm meter circuit. Micro Ohmmeter Circuit Diagram.
From www.electricalvolt.com
What is Ohmmeter? Circuit Diagram, Types and Applications Micro Ohmmeter Circuit Diagram At its most basic, this diagram consists of a source of current (typically a battery),. A micro ohmmeter circuit diagram allows engineers to build accurate and reliable circuits that can measure a variety of. This type of meter comprises several selectors for choosing the. To explain this concept further, let's have a look at the digital micro ohmmeter's circuit diagram.. Micro Ohmmeter Circuit Diagram.
From microdigisoft.com
What is Ohmmeter Circuit Diagram, Working Principle and Application. Micro Ohmmeter Circuit Diagram From complex diagrams to the various. A micro ohmmeter circuit diagram allows engineers to build accurate and reliable circuits that can measure a variety of. At its most basic, this diagram consists of a source of current (typically a battery),. The milliohm meter calculates the value of the resistor under test (rx) by measuring the voltage across it and the. Micro Ohmmeter Circuit Diagram.
From microdigisoft.com
What is Ohmmeter Circuit Diagram, Working Principle and Application. Micro Ohmmeter Circuit Diagram To explain this concept further, let's have a look at the digital micro ohmmeter's circuit diagram. At its most basic, this diagram consists of a source of current (typically a battery),. The milliohm meter calculates the value of the resistor under test (rx) by measuring the voltage across it and the voltage across a series. If you've ever worked with. Micro Ohmmeter Circuit Diagram.
From www.circuitdiagram.co
ohmmeter circuit diagram Circuit Diagram Micro Ohmmeter Circuit Diagram This type of meter comprises several selectors for choosing the. To explain this concept further, let's have a look at the digital micro ohmmeter's circuit diagram. A micro ohmmeter circuit diagram allows engineers to build accurate and reliable circuits that can measure a variety of. If you've ever worked with a micro ohm meter circuit diagram, then you know that. Micro Ohmmeter Circuit Diagram.
From microcontrollerslab.com
Digital Ohmmeter circuit and project using pic microcontroller Micro Ohmmeter Circuit Diagram A micro ohmmeter circuit diagram allows engineers to build accurate and reliable circuits that can measure a variety of. From complex diagrams to the various. This type of meter comprises several selectors for choosing the. At its most basic, this diagram consists of a source of current (typically a battery),. To explain this concept further, let's have a look at. Micro Ohmmeter Circuit Diagram.
From electricalacademia.com
Ohmmeter Basic Concepts and Working Principle Electrical Academia Micro Ohmmeter Circuit Diagram If you've ever worked with a micro ohm meter circuit diagram, then you know that understanding it can be a daunting task. A micro ohmmeter circuit diagram allows engineers to build accurate and reliable circuits that can measure a variety of. This type of meter comprises several selectors for choosing the. From complex diagrams to the various. The milliohm meter. Micro Ohmmeter Circuit Diagram.
From www.dv-power.com
How to Use a MicroOhmmeter as a Current Source for Dynamic Resistance Measurement (DRM) of a Micro Ohmmeter Circuit Diagram At its most basic, this diagram consists of a source of current (typically a battery),. The milliohm meter calculates the value of the resistor under test (rx) by measuring the voltage across it and the voltage across a series. This type of meter comprises several selectors for choosing the. From complex diagrams to the various. A micro ohmmeter circuit diagram. Micro Ohmmeter Circuit Diagram.
From www.circuitdiagram.co
Digital Micro Ohmmeter Circuit Diagram Circuit Diagram Micro Ohmmeter Circuit Diagram A micro ohmmeter circuit diagram allows engineers to build accurate and reliable circuits that can measure a variety of. This type of meter comprises several selectors for choosing the. At its most basic, this diagram consists of a source of current (typically a battery),. To explain this concept further, let's have a look at the digital micro ohmmeter's circuit diagram.. Micro Ohmmeter Circuit Diagram.
From www.circuitdiagram.co
Analog Ohmmeter Circuit Diagram Circuit Diagram Micro Ohmmeter Circuit Diagram From complex diagrams to the various. To explain this concept further, let's have a look at the digital micro ohmmeter's circuit diagram. The milliohm meter calculates the value of the resistor under test (rx) by measuring the voltage across it and the voltage across a series. A micro ohmmeter circuit diagram allows engineers to build accurate and reliable circuits that. Micro Ohmmeter Circuit Diagram.
From diagramdiagramalexandra.z21.web.core.windows.net
Circuit Diagram Of Ohmmeter Micro Ohmmeter Circuit Diagram To explain this concept further, let's have a look at the digital micro ohmmeter's circuit diagram. If you've ever worked with a micro ohm meter circuit diagram, then you know that understanding it can be a daunting task. This type of meter comprises several selectors for choosing the. The milliohm meter calculates the value of the resistor under test (rx). Micro Ohmmeter Circuit Diagram.
From www.circuitdiagram.co
Micro Ohmmeter Circuit Diagram » Circuit Diagram Micro Ohmmeter Circuit Diagram The milliohm meter calculates the value of the resistor under test (rx) by measuring the voltage across it and the voltage across a series. At its most basic, this diagram consists of a source of current (typically a battery),. To explain this concept further, let's have a look at the digital micro ohmmeter's circuit diagram. From complex diagrams to the. Micro Ohmmeter Circuit Diagram.
From guidedataaudra.z19.web.core.windows.net
Micro Ohmmeter Circuit Diagram Micro Ohmmeter Circuit Diagram From complex diagrams to the various. This type of meter comprises several selectors for choosing the. A micro ohmmeter circuit diagram allows engineers to build accurate and reliable circuits that can measure a variety of. At its most basic, this diagram consists of a source of current (typically a battery),. If you've ever worked with a micro ohm meter circuit. Micro Ohmmeter Circuit Diagram.
From www.electricalvolt.com
What is Ohmmeter? Circuit Diagram, Types and Applications Micro Ohmmeter Circuit Diagram From complex diagrams to the various. This type of meter comprises several selectors for choosing the. The milliohm meter calculates the value of the resistor under test (rx) by measuring the voltage across it and the voltage across a series. A micro ohmmeter circuit diagram allows engineers to build accurate and reliable circuits that can measure a variety of. To. Micro Ohmmeter Circuit Diagram.
From fixpartandrea.z19.web.core.windows.net
Ohmmeter Circuit Diagram Micro Ohmmeter Circuit Diagram From complex diagrams to the various. If you've ever worked with a micro ohm meter circuit diagram, then you know that understanding it can be a daunting task. This type of meter comprises several selectors for choosing the. To explain this concept further, let's have a look at the digital micro ohmmeter's circuit diagram. At its most basic, this diagram. Micro Ohmmeter Circuit Diagram.
From userdiagramwaxiest.z21.web.core.windows.net
Digital Micro Ohmmeter Circuit Diagram Micro Ohmmeter Circuit Diagram The milliohm meter calculates the value of the resistor under test (rx) by measuring the voltage across it and the voltage across a series. From complex diagrams to the various. A micro ohmmeter circuit diagram allows engineers to build accurate and reliable circuits that can measure a variety of. At its most basic, this diagram consists of a source of. Micro Ohmmeter Circuit Diagram.
From www.electricalvolt.com
What is Ohmmeter? Circuit Diagram, Types and Applications Micro Ohmmeter Circuit Diagram If you've ever worked with a micro ohm meter circuit diagram, then you know that understanding it can be a daunting task. From complex diagrams to the various. At its most basic, this diagram consists of a source of current (typically a battery),. The milliohm meter calculates the value of the resistor under test (rx) by measuring the voltage across. Micro Ohmmeter Circuit Diagram.
From www.elprocus.com
What is an Ohmmeter? Circuit Working, Types, and Applications Micro Ohmmeter Circuit Diagram At its most basic, this diagram consists of a source of current (typically a battery),. This type of meter comprises several selectors for choosing the. A micro ohmmeter circuit diagram allows engineers to build accurate and reliable circuits that can measure a variety of. To explain this concept further, let's have a look at the digital micro ohmmeter's circuit diagram.. Micro Ohmmeter Circuit Diagram.
From www.circuitdiagram.co
Series Type Ohmmeter Circuit Diagram Circuit Diagram Micro Ohmmeter Circuit Diagram If you've ever worked with a micro ohm meter circuit diagram, then you know that understanding it can be a daunting task. This type of meter comprises several selectors for choosing the. At its most basic, this diagram consists of a source of current (typically a battery),. A micro ohmmeter circuit diagram allows engineers to build accurate and reliable circuits. Micro Ohmmeter Circuit Diagram.
From bestengineeringprojects.com
In Circuit Ohmmeter Ohm Meter for Electronics Circuit Micro Ohmmeter Circuit Diagram At its most basic, this diagram consists of a source of current (typically a battery),. This type of meter comprises several selectors for choosing the. From complex diagrams to the various. The milliohm meter calculates the value of the resistor under test (rx) by measuring the voltage across it and the voltage across a series. If you've ever worked with. Micro Ohmmeter Circuit Diagram.
From ohmmeterikoroku.blogspot.com
Ohmmeter Micro Ohmmeter Schematic Micro Ohmmeter Circuit Diagram To explain this concept further, let's have a look at the digital micro ohmmeter's circuit diagram. At its most basic, this diagram consists of a source of current (typically a battery),. From complex diagrams to the various. If you've ever worked with a micro ohm meter circuit diagram, then you know that understanding it can be a daunting task. The. Micro Ohmmeter Circuit Diagram.
From guidedatatravis.z13.web.core.windows.net
Micro Ohmmeter Circuit Diagram Micro Ohmmeter Circuit Diagram If you've ever worked with a micro ohm meter circuit diagram, then you know that understanding it can be a daunting task. This type of meter comprises several selectors for choosing the. A micro ohmmeter circuit diagram allows engineers to build accurate and reliable circuits that can measure a variety of. At its most basic, this diagram consists of a. Micro Ohmmeter Circuit Diagram.
From www.circuitdiagram.co
Simple Ohmmeter Circuit Diagram Circuit Diagram Micro Ohmmeter Circuit Diagram A micro ohmmeter circuit diagram allows engineers to build accurate and reliable circuits that can measure a variety of. The milliohm meter calculates the value of the resistor under test (rx) by measuring the voltage across it and the voltage across a series. At its most basic, this diagram consists of a source of current (typically a battery),. From complex. Micro Ohmmeter Circuit Diagram.
From www.circuitdiagram.co
Describe The Circuit Diagram Of A Series Type Ohmmeter Circuit Diagram Micro Ohmmeter Circuit Diagram If you've ever worked with a micro ohm meter circuit diagram, then you know that understanding it can be a daunting task. At its most basic, this diagram consists of a source of current (typically a battery),. From complex diagrams to the various. The milliohm meter calculates the value of the resistor under test (rx) by measuring the voltage across. Micro Ohmmeter Circuit Diagram.
From www.electricalvolt.com
What is Ohmmeter? Circuit Diagram, Types and Applications Micro Ohmmeter Circuit Diagram To explain this concept further, let's have a look at the digital micro ohmmeter's circuit diagram. A micro ohmmeter circuit diagram allows engineers to build accurate and reliable circuits that can measure a variety of. If you've ever worked with a micro ohm meter circuit diagram, then you know that understanding it can be a daunting task. At its most. Micro Ohmmeter Circuit Diagram.
From ohmmeterikoroku.blogspot.com
Ohmmeter Micro Ohmmeter Schematic Micro Ohmmeter Circuit Diagram From complex diagrams to the various. This type of meter comprises several selectors for choosing the. The milliohm meter calculates the value of the resistor under test (rx) by measuring the voltage across it and the voltage across a series. At its most basic, this diagram consists of a source of current (typically a battery),. A micro ohmmeter circuit diagram. Micro Ohmmeter Circuit Diagram.
From schematicscragging.z14.web.core.windows.net
Digital Micro Ohmmeter Circuit Diagram Micro Ohmmeter Circuit Diagram From complex diagrams to the various. If you've ever worked with a micro ohm meter circuit diagram, then you know that understanding it can be a daunting task. At its most basic, this diagram consists of a source of current (typically a battery),. A micro ohmmeter circuit diagram allows engineers to build accurate and reliable circuits that can measure a. Micro Ohmmeter Circuit Diagram.
From electricalacademia.com
Ohmmeter Basic Concepts and Working Principle Electrical Academia Micro Ohmmeter Circuit Diagram This type of meter comprises several selectors for choosing the. To explain this concept further, let's have a look at the digital micro ohmmeter's circuit diagram. The milliohm meter calculates the value of the resistor under test (rx) by measuring the voltage across it and the voltage across a series. A micro ohmmeter circuit diagram allows engineers to build accurate. Micro Ohmmeter Circuit Diagram.
From userdiagramwirtz.z19.web.core.windows.net
Digital Micro Ohmmeter Circuit Diagram Micro Ohmmeter Circuit Diagram The milliohm meter calculates the value of the resistor under test (rx) by measuring the voltage across it and the voltage across a series. A micro ohmmeter circuit diagram allows engineers to build accurate and reliable circuits that can measure a variety of. This type of meter comprises several selectors for choosing the. At its most basic, this diagram consists. Micro Ohmmeter Circuit Diagram.
From www.circuitdiagram.co
Circuit Diagram Of A Series Type Ohmmeter Circuit Diagram Micro Ohmmeter Circuit Diagram This type of meter comprises several selectors for choosing the. To explain this concept further, let's have a look at the digital micro ohmmeter's circuit diagram. At its most basic, this diagram consists of a source of current (typically a battery),. If you've ever worked with a micro ohm meter circuit diagram, then you know that understanding it can be. Micro Ohmmeter Circuit Diagram.
From ohmmeterikoroku.blogspot.com
Ohmmeter Micro Ohmmeter Schematic Micro Ohmmeter Circuit Diagram To explain this concept further, let's have a look at the digital micro ohmmeter's circuit diagram. This type of meter comprises several selectors for choosing the. At its most basic, this diagram consists of a source of current (typically a battery),. The milliohm meter calculates the value of the resistor under test (rx) by measuring the voltage across it and. Micro Ohmmeter Circuit Diagram.
From www.wiringview.co
Micro Ohmmeter Circuit Diagram Wiring View and Schematics Diagram Micro Ohmmeter Circuit Diagram The milliohm meter calculates the value of the resistor under test (rx) by measuring the voltage across it and the voltage across a series. This type of meter comprises several selectors for choosing the. If you've ever worked with a micro ohm meter circuit diagram, then you know that understanding it can be a daunting task. A micro ohmmeter circuit. Micro Ohmmeter Circuit Diagram.
From electricalgang.com
What is an Ohmmeter? The Definitive Guide Micro Ohmmeter Circuit Diagram From complex diagrams to the various. If you've ever worked with a micro ohm meter circuit diagram, then you know that understanding it can be a daunting task. At its most basic, this diagram consists of a source of current (typically a battery),. The milliohm meter calculates the value of the resistor under test (rx) by measuring the voltage across. Micro Ohmmeter Circuit Diagram.