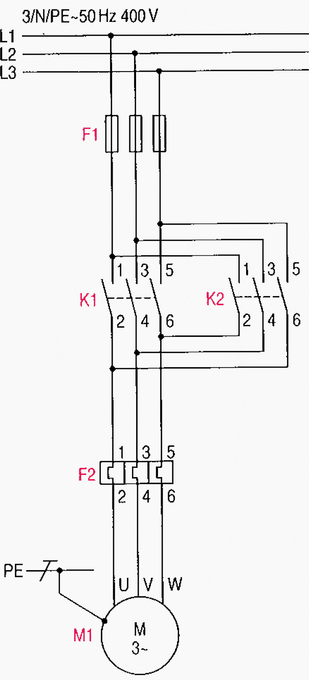
How To Connect A Contactor Diagram . We'll explain the wiring diagrams, the components that need to be connected, and. In this guide, we’ll walk you through the steps of successfully connecting a 3 phase contactor. Make sure that the contacts of the contactor are rated in both voltage and current to handle the expected load. The power supply should be connected to the contactor at the appropriate terminals, ensuring that the electrical connections are secure and. Learn how to read and understand a contactor wiring diagram with this comprehensive guide. Looking for a 3 phase motor contactor wiring diagram? The wiring diagram for a three phase contactor shows how the various connections are made between the contactor, motor, and power. Find out the different symbols and components used in a contactor wiring diagram and how they. The wiring diagram for a definite purpose contactor is a visual representation of how the device should be connected to the power.
from www.youtube.com
Learn how to read and understand a contactor wiring diagram with this comprehensive guide. We'll explain the wiring diagrams, the components that need to be connected, and. Make sure that the contacts of the contactor are rated in both voltage and current to handle the expected load. The wiring diagram for a three phase contactor shows how the various connections are made between the contactor, motor, and power. The wiring diagram for a definite purpose contactor is a visual representation of how the device should be connected to the power. Find out the different symbols and components used in a contactor wiring diagram and how they. In this guide, we’ll walk you through the steps of successfully connecting a 3 phase contactor. Looking for a 3 phase motor contactor wiring diagram? The power supply should be connected to the contactor at the appropriate terminals, ensuring that the electrical connections are secure and.
How to do Contactor wiring Electrical wiring Class for Beginner
How To Connect A Contactor Diagram Make sure that the contacts of the contactor are rated in both voltage and current to handle the expected load. Looking for a 3 phase motor contactor wiring diagram? We'll explain the wiring diagrams, the components that need to be connected, and. The wiring diagram for a three phase contactor shows how the various connections are made between the contactor, motor, and power. The wiring diagram for a definite purpose contactor is a visual representation of how the device should be connected to the power. Make sure that the contacts of the contactor are rated in both voltage and current to handle the expected load. The power supply should be connected to the contactor at the appropriate terminals, ensuring that the electrical connections are secure and. In this guide, we’ll walk you through the steps of successfully connecting a 3 phase contactor. Find out the different symbols and components used in a contactor wiring diagram and how they. Learn how to read and understand a contactor wiring diagram with this comprehensive guide.
From userlistfinkel.z19.web.core.windows.net
3 Phase Contactor Circuit Diagram How To Connect A Contactor Diagram The wiring diagram for a three phase contactor shows how the various connections are made between the contactor, motor, and power. The wiring diagram for a definite purpose contactor is a visual representation of how the device should be connected to the power. Learn how to read and understand a contactor wiring diagram with this comprehensive guide. Make sure that. How To Connect A Contactor Diagram.
From www.youtube.com
How To Make Single phase Motor Wiring With Contactor Diagram Motor How To Connect A Contactor Diagram Find out the different symbols and components used in a contactor wiring diagram and how they. Learn how to read and understand a contactor wiring diagram with this comprehensive guide. The wiring diagram for a definite purpose contactor is a visual representation of how the device should be connected to the power. The power supply should be connected to the. How To Connect A Contactor Diagram.
From diagramwallsflowmeter.z14.web.core.windows.net
How To Connect A Contactor Diagram How To Connect A Contactor Diagram Looking for a 3 phase motor contactor wiring diagram? We'll explain the wiring diagrams, the components that need to be connected, and. In this guide, we’ll walk you through the steps of successfully connecting a 3 phase contactor. Find out the different symbols and components used in a contactor wiring diagram and how they. Make sure that the contacts of. How To Connect A Contactor Diagram.
From enginerileygownsmen.z21.web.core.windows.net
How To Connect 3 Phase Contactor How To Connect A Contactor Diagram The wiring diagram for a definite purpose contactor is a visual representation of how the device should be connected to the power. Find out the different symbols and components used in a contactor wiring diagram and how they. Looking for a 3 phase motor contactor wiring diagram? The power supply should be connected to the contactor at the appropriate terminals,. How To Connect A Contactor Diagram.
From elect-eng-world1.blogspot.com
Three Phase Contactor Wiring Diagram Elec Eng World How To Connect A Contactor Diagram Looking for a 3 phase motor contactor wiring diagram? Learn how to read and understand a contactor wiring diagram with this comprehensive guide. We'll explain the wiring diagrams, the components that need to be connected, and. The power supply should be connected to the contactor at the appropriate terminals, ensuring that the electrical connections are secure and. Find out the. How To Connect A Contactor Diagram.
From guidelibraryfurst.z19.web.core.windows.net
How To Connect A Contactor Diagram How To Connect A Contactor Diagram The wiring diagram for a definite purpose contactor is a visual representation of how the device should be connected to the power. The power supply should be connected to the contactor at the appropriate terminals, ensuring that the electrical connections are secure and. Make sure that the contacts of the contactor are rated in both voltage and current to handle. How To Connect A Contactor Diagram.
From annawiringdiagram.com
Contactors 240 Volt Contactor Wiring Diagram Wiring Diagram How To Connect A Contactor Diagram The wiring diagram for a definite purpose contactor is a visual representation of how the device should be connected to the power. Learn how to read and understand a contactor wiring diagram with this comprehensive guide. Make sure that the contacts of the contactor are rated in both voltage and current to handle the expected load. The power supply should. How To Connect A Contactor Diagram.
From schematicfixgrunwald.z19.web.core.windows.net
Electrical Contactor Wiring Diagram How To Connect A Contactor Diagram We'll explain the wiring diagrams, the components that need to be connected, and. The wiring diagram for a definite purpose contactor is a visual representation of how the device should be connected to the power. Find out the different symbols and components used in a contactor wiring diagram and how they. In this guide, we’ll walk you through the steps. How To Connect A Contactor Diagram.
From electraschematics.com
How to Wire a Three Phase Contactor A Complete Diagram How To Connect A Contactor Diagram Looking for a 3 phase motor contactor wiring diagram? Learn how to read and understand a contactor wiring diagram with this comprehensive guide. We'll explain the wiring diagrams, the components that need to be connected, and. Find out the different symbols and components used in a contactor wiring diagram and how they. Make sure that the contacts of the contactor. How To Connect A Contactor Diagram.
From lensikazi8dschematic.z14.web.core.windows.net
How To Wire Contactors Diagrams How To Connect A Contactor Diagram Looking for a 3 phase motor contactor wiring diagram? Make sure that the contacts of the contactor are rated in both voltage and current to handle the expected load. The wiring diagram for a three phase contactor shows how the various connections are made between the contactor, motor, and power. Learn how to read and understand a contactor wiring diagram. How To Connect A Contactor Diagram.
From enginerileygownsmen.z21.web.core.windows.net
How To Connect A Contactor Diagram How To Connect A Contactor Diagram In this guide, we’ll walk you through the steps of successfully connecting a 3 phase contactor. We'll explain the wiring diagrams, the components that need to be connected, and. Find out the different symbols and components used in a contactor wiring diagram and how they. The power supply should be connected to the contactor at the appropriate terminals, ensuring that. How To Connect A Contactor Diagram.
From www.wiringdraw.com
How To Connect A Contactor Diagram Wiring Draw And Schematic How To Connect A Contactor Diagram Looking for a 3 phase motor contactor wiring diagram? The wiring diagram for a three phase contactor shows how the various connections are made between the contactor, motor, and power. The power supply should be connected to the contactor at the appropriate terminals, ensuring that the electrical connections are secure and. We'll explain the wiring diagrams, the components that need. How To Connect A Contactor Diagram.
From wiringdiagramdoe.z13.web.core.windows.net
How To Connect 3 Phase Contactor How To Connect A Contactor Diagram We'll explain the wiring diagrams, the components that need to be connected, and. Make sure that the contacts of the contactor are rated in both voltage and current to handle the expected load. The wiring diagram for a three phase contactor shows how the various connections are made between the contactor, motor, and power. Looking for a 3 phase motor. How To Connect A Contactor Diagram.
From www.wiringview.com
How To Connect A 3 Phase Contactor » Wiring Diagram How To Connect A Contactor Diagram Looking for a 3 phase motor contactor wiring diagram? Find out the different symbols and components used in a contactor wiring diagram and how they. Learn how to read and understand a contactor wiring diagram with this comprehensive guide. Make sure that the contacts of the contactor are rated in both voltage and current to handle the expected load. The. How To Connect A Contactor Diagram.
From www.wiringdraw.com
How To Connect A Contactor Diagram How To Connect A Contactor Diagram In this guide, we’ll walk you through the steps of successfully connecting a 3 phase contactor. Learn how to read and understand a contactor wiring diagram with this comprehensive guide. Find out the different symbols and components used in a contactor wiring diagram and how they. The power supply should be connected to the contactor at the appropriate terminals, ensuring. How To Connect A Contactor Diagram.
From www.wiringdraw.com
How To Connect A Contactor Diagram Wiring Draw And Schematic How To Connect A Contactor Diagram We'll explain the wiring diagrams, the components that need to be connected, and. Learn how to read and understand a contactor wiring diagram with this comprehensive guide. Make sure that the contacts of the contactor are rated in both voltage and current to handle the expected load. Looking for a 3 phase motor contactor wiring diagram? The wiring diagram for. How To Connect A Contactor Diagram.
From moowiring.com
How To Wire A Single Phase 2 Pole Contactor Moo Wiring How To Connect A Contactor Diagram Find out the different symbols and components used in a contactor wiring diagram and how they. We'll explain the wiring diagrams, the components that need to be connected, and. The wiring diagram for a three phase contactor shows how the various connections are made between the contactor, motor, and power. Looking for a 3 phase motor contactor wiring diagram? The. How To Connect A Contactor Diagram.
From www.youtube.com
How does a contactor work. What is a contactor. Contactor wiring How To Connect A Contactor Diagram Looking for a 3 phase motor contactor wiring diagram? Make sure that the contacts of the contactor are rated in both voltage and current to handle the expected load. The power supply should be connected to the contactor at the appropriate terminals, ensuring that the electrical connections are secure and. We'll explain the wiring diagrams, the components that need to. How To Connect A Contactor Diagram.
From www.wiringdigital.com
Cjx2 Contactor Wiring Diagram Wiring Digital and Schematic How To Connect A Contactor Diagram Learn how to read and understand a contactor wiring diagram with this comprehensive guide. We'll explain the wiring diagrams, the components that need to be connected, and. Make sure that the contacts of the contactor are rated in both voltage and current to handle the expected load. The wiring diagram for a definite purpose contactor is a visual representation of. How To Connect A Contactor Diagram.
From gionefmdn.blob.core.windows.net
How Do Electrical Contactors Work at Elaine Miller blog How To Connect A Contactor Diagram Looking for a 3 phase motor contactor wiring diagram? We'll explain the wiring diagrams, the components that need to be connected, and. The wiring diagram for a three phase contactor shows how the various connections are made between the contactor, motor, and power. The power supply should be connected to the contactor at the appropriate terminals, ensuring that the electrical. How To Connect A Contactor Diagram.
From wireenginechampagnes.z21.web.core.windows.net
Wiring A 3 Phase Contactor 240 How To Connect A Contactor Diagram The wiring diagram for a three phase contactor shows how the various connections are made between the contactor, motor, and power. Find out the different symbols and components used in a contactor wiring diagram and how they. In this guide, we’ll walk you through the steps of successfully connecting a 3 phase contactor. The power supply should be connected to. How To Connect A Contactor Diagram.
From wiringengineabt.z19.web.core.windows.net
Contactor Circuit Diagrams How To Connect A Contactor Diagram The power supply should be connected to the contactor at the appropriate terminals, ensuring that the electrical connections are secure and. In this guide, we’ll walk you through the steps of successfully connecting a 3 phase contactor. Find out the different symbols and components used in a contactor wiring diagram and how they. The wiring diagram for a three phase. How To Connect A Contactor Diagram.
From www.wiringdraw.com
How To Connect A Contactor Diagram How To Connect A Contactor Diagram Make sure that the contacts of the contactor are rated in both voltage and current to handle the expected load. Looking for a 3 phase motor contactor wiring diagram? In this guide, we’ll walk you through the steps of successfully connecting a 3 phase contactor. The wiring diagram for a three phase contactor shows how the various connections are made. How To Connect A Contactor Diagram.
From wiringfixmetonyms.z21.web.core.windows.net
Wiring A 3 Phase Contactor 240 How To Connect A Contactor Diagram Looking for a 3 phase motor contactor wiring diagram? The power supply should be connected to the contactor at the appropriate terminals, ensuring that the electrical connections are secure and. Find out the different symbols and components used in a contactor wiring diagram and how they. In this guide, we’ll walk you through the steps of successfully connecting a 3. How To Connect A Contactor Diagram.
From guidemanuallubricated.z21.web.core.windows.net
How To Connect A Contactor Diagram How To Connect A Contactor Diagram We'll explain the wiring diagrams, the components that need to be connected, and. Make sure that the contacts of the contactor are rated in both voltage and current to handle the expected load. The wiring diagram for a three phase contactor shows how the various connections are made between the contactor, motor, and power. In this guide, we’ll walk you. How To Connect A Contactor Diagram.
From circuitsofizam5m.z21.web.core.windows.net
How To Wire Contactors Diagrams How To Connect A Contactor Diagram The power supply should be connected to the contactor at the appropriate terminals, ensuring that the electrical connections are secure and. Find out the different symbols and components used in a contactor wiring diagram and how they. The wiring diagram for a three phase contactor shows how the various connections are made between the contactor, motor, and power. We'll explain. How To Connect A Contactor Diagram.
From circuitmanualgrunewald.z21.web.core.windows.net
How To Connect A Contactor Diagram How To Connect A Contactor Diagram In this guide, we’ll walk you through the steps of successfully connecting a 3 phase contactor. The wiring diagram for a three phase contactor shows how the various connections are made between the contactor, motor, and power. Find out the different symbols and components used in a contactor wiring diagram and how they. Make sure that the contacts of the. How To Connect A Contactor Diagram.
From www.youtube.com
How To Make Contactor Wiring With Holding Circuit Diagram Contactor How To Connect A Contactor Diagram Learn how to read and understand a contactor wiring diagram with this comprehensive guide. Looking for a 3 phase motor contactor wiring diagram? In this guide, we’ll walk you through the steps of successfully connecting a 3 phase contactor. The wiring diagram for a definite purpose contactor is a visual representation of how the device should be connected to the. How To Connect A Contactor Diagram.
From lensikazi8dschematic.z14.web.core.windows.net
How To Wire Contactors Diagrams How To Connect A Contactor Diagram Find out the different symbols and components used in a contactor wiring diagram and how they. Learn how to read and understand a contactor wiring diagram with this comprehensive guide. We'll explain the wiring diagrams, the components that need to be connected, and. Looking for a 3 phase motor contactor wiring diagram? The power supply should be connected to the. How To Connect A Contactor Diagram.
From wiringparttyrone.z5.web.core.windows.net
How To Connect A Contactor Diagram How To Connect A Contactor Diagram Looking for a 3 phase motor contactor wiring diagram? The power supply should be connected to the contactor at the appropriate terminals, ensuring that the electrical connections are secure and. The wiring diagram for a three phase contactor shows how the various connections are made between the contactor, motor, and power. In this guide, we’ll walk you through the steps. How To Connect A Contactor Diagram.
From moowiring.com
Single Phase Contactor Wiring Diagram Everything You Need To Know How To Connect A Contactor Diagram In this guide, we’ll walk you through the steps of successfully connecting a 3 phase contactor. The wiring diagram for a definite purpose contactor is a visual representation of how the device should be connected to the power. Learn how to read and understand a contactor wiring diagram with this comprehensive guide. We'll explain the wiring diagrams, the components that. How To Connect A Contactor Diagram.
From www.youtube.com
How to do Contactor wiring Electrical wiring Class for Beginner How To Connect A Contactor Diagram The wiring diagram for a definite purpose contactor is a visual representation of how the device should be connected to the power. The wiring diagram for a three phase contactor shows how the various connections are made between the contactor, motor, and power. The power supply should be connected to the contactor at the appropriate terminals, ensuring that the electrical. How To Connect A Contactor Diagram.
From circuitmona76qr.z21.web.core.windows.net
How To Connect A Contactor Single Phase How To Connect A Contactor Diagram We'll explain the wiring diagrams, the components that need to be connected, and. The wiring diagram for a definite purpose contactor is a visual representation of how the device should be connected to the power. In this guide, we’ll walk you through the steps of successfully connecting a 3 phase contactor. The wiring diagram for a three phase contactor shows. How To Connect A Contactor Diagram.
From www.caretxdigital.com
how to connect a contactor diagram Wiring Diagram and Schematics How To Connect A Contactor Diagram The power supply should be connected to the contactor at the appropriate terminals, ensuring that the electrical connections are secure and. The wiring diagram for a three phase contactor shows how the various connections are made between the contactor, motor, and power. Learn how to read and understand a contactor wiring diagram with this comprehensive guide. In this guide, we’ll. How To Connect A Contactor Diagram.
From artled1.blogspot.com
240 Volt Contactor Wiring Diagram Artled How To Connect A Contactor Diagram Learn how to read and understand a contactor wiring diagram with this comprehensive guide. Looking for a 3 phase motor contactor wiring diagram? The wiring diagram for a definite purpose contactor is a visual representation of how the device should be connected to the power. We'll explain the wiring diagrams, the components that need to be connected, and. The power. How To Connect A Contactor Diagram.