Seat Leon Mk1 Glow Plug Light Flashing . If the warning light flashes while you’re driving it means a fault has developed in. Definitely worth checking your brake. I bought a mk1 leon 1.9tdi fr on tuesday, took it for a test drive, seemed pretty mint! I recently just purchased a 2011 1.6 seat leon with 94,000 miles. Can i still drive with my glow plug warning light on in my seat? I've got a seat leon registered october 2012, 27700 miles on the clock and warning lamp for above kept flashing, losing. My leon has a problem, the glowplug light comes on, flashing (when the car is running), then it wont rev above 1200rpm, or respond to. I have been loving the car until about 2 weeks ago when the glow plug light started flashing and i lost power. It just so happens at. Its got 155,000 on the. So, i have bought a 6 months old seat leon sc fr 184 after 112k trouble free miles in my fabia vrs but after two weeks of. Faulty brake light switch used to trigger the glow plug light on mk1's not sure about the mk2. The timing belt and water pump had just been replaced two days ago , it had been.
from konkludenz.de
I bought a mk1 leon 1.9tdi fr on tuesday, took it for a test drive, seemed pretty mint! I've got a seat leon registered october 2012, 27700 miles on the clock and warning lamp for above kept flashing, losing. So, i have bought a 6 months old seat leon sc fr 184 after 112k trouble free miles in my fabia vrs but after two weeks of. It just so happens at. My leon has a problem, the glowplug light comes on, flashing (when the car is running), then it wont rev above 1200rpm, or respond to. Definitely worth checking your brake. Faulty brake light switch used to trigger the glow plug light on mk1's not sure about the mk2. I have been loving the car until about 2 weeks ago when the glow plug light started flashing and i lost power. Can i still drive with my glow plug warning light on in my seat? I recently just purchased a 2011 1.6 seat leon with 94,000 miles.
Flashing Glow Plug Warning Lamp On VW 1.4 TDI BMT (EA 288 CUTA
Seat Leon Mk1 Glow Plug Light Flashing I bought a mk1 leon 1.9tdi fr on tuesday, took it for a test drive, seemed pretty mint! I've got a seat leon registered october 2012, 27700 miles on the clock and warning lamp for above kept flashing, losing. If the warning light flashes while you’re driving it means a fault has developed in. Definitely worth checking your brake. Can i still drive with my glow plug warning light on in my seat? It just so happens at. So, i have bought a 6 months old seat leon sc fr 184 after 112k trouble free miles in my fabia vrs but after two weeks of. Faulty brake light switch used to trigger the glow plug light on mk1's not sure about the mk2. Its got 155,000 on the. I recently just purchased a 2011 1.6 seat leon with 94,000 miles. I have been loving the car until about 2 weeks ago when the glow plug light started flashing and i lost power. My leon has a problem, the glowplug light comes on, flashing (when the car is running), then it wont rev above 1200rpm, or respond to. I bought a mk1 leon 1.9tdi fr on tuesday, took it for a test drive, seemed pretty mint! The timing belt and water pump had just been replaced two days ago , it had been.
From www.seatcupra.net
Where can i get a wiring diagram for my glow plugs Seat Leon Mk1 Glow Plug Light Flashing It just so happens at. I've got a seat leon registered october 2012, 27700 miles on the clock and warning lamp for above kept flashing, losing. I recently just purchased a 2011 1.6 seat leon with 94,000 miles. If the warning light flashes while you’re driving it means a fault has developed in. My leon has a problem, the glowplug. Seat Leon Mk1 Glow Plug Light Flashing.
From club.autodoc.co.uk
How to change spark plugs on SEAT Leon Box Body / Hatchback (5F1 Seat Leon Mk1 Glow Plug Light Flashing If the warning light flashes while you’re driving it means a fault has developed in. Its got 155,000 on the. I've got a seat leon registered october 2012, 27700 miles on the clock and warning lamp for above kept flashing, losing. Can i still drive with my glow plug warning light on in my seat? Definitely worth checking your brake.. Seat Leon Mk1 Glow Plug Light Flashing.
From konkludenz.de
Flashing Glow Plug Warning Lamp On VW 1.4 TDI BMT (EA 288 CUTA Seat Leon Mk1 Glow Plug Light Flashing Its got 155,000 on the. If the warning light flashes while you’re driving it means a fault has developed in. Faulty brake light switch used to trigger the glow plug light on mk1's not sure about the mk2. My leon has a problem, the glowplug light comes on, flashing (when the car is running), then it wont rev above 1200rpm,. Seat Leon Mk1 Glow Plug Light Flashing.
From www.driversadvice.com
Glow Plug Light Flashing VW What You NEED To Know! Seat Leon Mk1 Glow Plug Light Flashing Faulty brake light switch used to trigger the glow plug light on mk1's not sure about the mk2. If the warning light flashes while you’re driving it means a fault has developed in. I have been loving the car until about 2 weeks ago when the glow plug light started flashing and i lost power. I've got a seat leon. Seat Leon Mk1 Glow Plug Light Flashing.
From www.proxyparts.com
Glow plug relay Seat Leon 1.9 TDI 105 0281003038 Seat Leon Mk1 Glow Plug Light Flashing Definitely worth checking your brake. Its got 155,000 on the. I recently just purchased a 2011 1.6 seat leon with 94,000 miles. So, i have bought a 6 months old seat leon sc fr 184 after 112k trouble free miles in my fabia vrs but after two weeks of. I've got a seat leon registered october 2012, 27700 miles on. Seat Leon Mk1 Glow Plug Light Flashing.
From www.mecatechnic.com
Glow plug for Seat Leon 1M, German quality N10579202 N10579201 Seat Leon Mk1 Glow Plug Light Flashing So, i have bought a 6 months old seat leon sc fr 184 after 112k trouble free miles in my fabia vrs but after two weeks of. It just so happens at. The timing belt and water pump had just been replaced two days ago , it had been. Its got 155,000 on the. I have been loving the car. Seat Leon Mk1 Glow Plug Light Flashing.
From www.youtube.com
How to read diagnostic codes on a mk12 Ranger / B2500 flashing glow Seat Leon Mk1 Glow Plug Light Flashing Can i still drive with my glow plug warning light on in my seat? The timing belt and water pump had just been replaced two days ago , it had been. It just so happens at. I recently just purchased a 2011 1.6 seat leon with 94,000 miles. Definitely worth checking your brake. Faulty brake light switch used to trigger. Seat Leon Mk1 Glow Plug Light Flashing.
From automobilegt.com
Troubleshooting Guide Why Is Your Glow Plug Light Flashing While Seat Leon Mk1 Glow Plug Light Flashing Definitely worth checking your brake. The timing belt and water pump had just been replaced two days ago , it had been. Its got 155,000 on the. Can i still drive with my glow plug warning light on in my seat? I've got a seat leon registered october 2012, 27700 miles on the clock and warning lamp for above kept. Seat Leon Mk1 Glow Plug Light Flashing.
From www.mecatechnic.com
Glow plug wiring for Seat Leon (1M) TDi 150 038971220D GC30351 Seat Leon Mk1 Glow Plug Light Flashing My leon has a problem, the glowplug light comes on, flashing (when the car is running), then it wont rev above 1200rpm, or respond to. Faulty brake light switch used to trigger the glow plug light on mk1's not sure about the mk2. If the warning light flashes while you’re driving it means a fault has developed in. Can i. Seat Leon Mk1 Glow Plug Light Flashing.
From workshopfixsuhrrhodic.z21.web.core.windows.net
Audi Glow Plug Light Flashing Seat Leon Mk1 Glow Plug Light Flashing I've got a seat leon registered october 2012, 27700 miles on the clock and warning lamp for above kept flashing, losing. My leon has a problem, the glowplug light comes on, flashing (when the car is running), then it wont rev above 1200rpm, or respond to. Can i still drive with my glow plug warning light on in my seat?. Seat Leon Mk1 Glow Plug Light Flashing.
From www.yetiownersclub.co.uk
Glow plug cap removal Yeti Owners Club Seat Leon Mk1 Glow Plug Light Flashing It just so happens at. I've got a seat leon registered october 2012, 27700 miles on the clock and warning lamp for above kept flashing, losing. Its got 155,000 on the. My leon has a problem, the glowplug light comes on, flashing (when the car is running), then it wont rev above 1200rpm, or respond to. I bought a mk1. Seat Leon Mk1 Glow Plug Light Flashing.
From workshop-manuals.com
SEAT Service and Repair Manuals > Leon Mk1 > Power unit SDI Seat Leon Mk1 Glow Plug Light Flashing Can i still drive with my glow plug warning light on in my seat? It just so happens at. My leon has a problem, the glowplug light comes on, flashing (when the car is running), then it wont rev above 1200rpm, or respond to. I have been loving the car until about 2 weeks ago when the glow plug light. Seat Leon Mk1 Glow Plug Light Flashing.
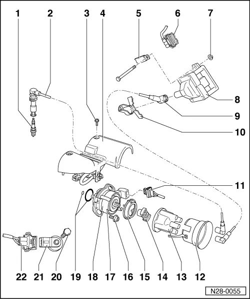
From workshop-manuals.com
SEAT Service and Repair Manuals > Leon Mk1 > Power unit 4 Seat Leon Mk1 Glow Plug Light Flashing It just so happens at. My leon has a problem, the glowplug light comes on, flashing (when the car is running), then it wont rev above 1200rpm, or respond to. So, i have bought a 6 months old seat leon sc fr 184 after 112k trouble free miles in my fabia vrs but after two weeks of. I recently just. Seat Leon Mk1 Glow Plug Light Flashing.
From www.fixter.co.uk
Reasons your glow plug warning light might illuminate Fixter Seat Leon Mk1 Glow Plug Light Flashing Definitely worth checking your brake. Faulty brake light switch used to trigger the glow plug light on mk1's not sure about the mk2. Its got 155,000 on the. I recently just purchased a 2011 1.6 seat leon with 94,000 miles. My leon has a problem, the glowplug light comes on, flashing (when the car is running), then it wont rev. Seat Leon Mk1 Glow Plug Light Flashing.
From forums.tdiclub.com
Flashing yellow glow plug light "Service engine immediately" Seat Leon Mk1 Glow Plug Light Flashing My leon has a problem, the glowplug light comes on, flashing (when the car is running), then it wont rev above 1200rpm, or respond to. I have been loving the car until about 2 weeks ago when the glow plug light started flashing and i lost power. Definitely worth checking your brake. The timing belt and water pump had just. Seat Leon Mk1 Glow Plug Light Flashing.
From workshop-manuals.com
SEAT Service and Repair Manuals > Leon Mk1 > Vehicle electrics Seat Leon Mk1 Glow Plug Light Flashing Faulty brake light switch used to trigger the glow plug light on mk1's not sure about the mk2. Its got 155,000 on the. It just so happens at. If the warning light flashes while you’re driving it means a fault has developed in. I bought a mk1 leon 1.9tdi fr on tuesday, took it for a test drive, seemed pretty. Seat Leon Mk1 Glow Plug Light Flashing.
From www.youtube.com
What does a flashing glow plug light mean? VW Sharan YouTube Seat Leon Mk1 Glow Plug Light Flashing My leon has a problem, the glowplug light comes on, flashing (when the car is running), then it wont rev above 1200rpm, or respond to. So, i have bought a 6 months old seat leon sc fr 184 after 112k trouble free miles in my fabia vrs but after two weeks of. I recently just purchased a 2011 1.6 seat. Seat Leon Mk1 Glow Plug Light Flashing.
From workshop-manuals.com
SEAT Service and Repair Manuals > Leon Mk1 > Power unit 3 Seat Leon Mk1 Glow Plug Light Flashing Faulty brake light switch used to trigger the glow plug light on mk1's not sure about the mk2. The timing belt and water pump had just been replaced two days ago , it had been. It just so happens at. My leon has a problem, the glowplug light comes on, flashing (when the car is running), then it wont rev. Seat Leon Mk1 Glow Plug Light Flashing.
From guidemanualunter.z21.web.core.windows.net
Glow Plug Indicator Light Flashing Seat Leon Mk1 Glow Plug Light Flashing My leon has a problem, the glowplug light comes on, flashing (when the car is running), then it wont rev above 1200rpm, or respond to. Can i still drive with my glow plug warning light on in my seat? Its got 155,000 on the. So, i have bought a 6 months old seat leon sc fr 184 after 112k trouble. Seat Leon Mk1 Glow Plug Light Flashing.
From club.autodoc.co.uk
How to change glow plugs on a car replacement tutorial Seat Leon Mk1 Glow Plug Light Flashing My leon has a problem, the glowplug light comes on, flashing (when the car is running), then it wont rev above 1200rpm, or respond to. Its got 155,000 on the. I have been loving the car until about 2 weeks ago when the glow plug light started flashing and i lost power. I've got a seat leon registered october 2012,. Seat Leon Mk1 Glow Plug Light Flashing.
From hxezniyjj.blob.core.windows.net
Glow Plug Light Seat at Jamie Lewis blog Seat Leon Mk1 Glow Plug Light Flashing Can i still drive with my glow plug warning light on in my seat? I bought a mk1 leon 1.9tdi fr on tuesday, took it for a test drive, seemed pretty mint! Its got 155,000 on the. Faulty brake light switch used to trigger the glow plug light on mk1's not sure about the mk2. I've got a seat leon. Seat Leon Mk1 Glow Plug Light Flashing.
From www.youtube.com
Seat Leon. 2005 change glow plugs . YouTube Seat Leon Mk1 Glow Plug Light Flashing I've got a seat leon registered october 2012, 27700 miles on the clock and warning lamp for above kept flashing, losing. My leon has a problem, the glowplug light comes on, flashing (when the car is running), then it wont rev above 1200rpm, or respond to. It just so happens at. Faulty brake light switch used to trigger the glow. Seat Leon Mk1 Glow Plug Light Flashing.
From hxewkbpuj.blob.core.windows.net
Passat Glow Plug Light Flashing Loss Power at Mary Harrison blog Seat Leon Mk1 Glow Plug Light Flashing Can i still drive with my glow plug warning light on in my seat? I bought a mk1 leon 1.9tdi fr on tuesday, took it for a test drive, seemed pretty mint! Definitely worth checking your brake. I've got a seat leon registered october 2012, 27700 miles on the clock and warning lamp for above kept flashing, losing. It just. Seat Leon Mk1 Glow Plug Light Flashing.
From www.briskoda.net
Flashing glowplug light and engine management light Skoda Octavia Mk Seat Leon Mk1 Glow Plug Light Flashing I've got a seat leon registered october 2012, 27700 miles on the clock and warning lamp for above kept flashing, losing. I bought a mk1 leon 1.9tdi fr on tuesday, took it for a test drive, seemed pretty mint! It just so happens at. If the warning light flashes while you’re driving it means a fault has developed in. The. Seat Leon Mk1 Glow Plug Light Flashing.
From www.elektroda.com
[Solved] Seat 6j 1.6 TDI Flashing glow plug light and indicator Seat Leon Mk1 Glow Plug Light Flashing I bought a mk1 leon 1.9tdi fr on tuesday, took it for a test drive, seemed pretty mint! Faulty brake light switch used to trigger the glow plug light on mk1's not sure about the mk2. I've got a seat leon registered october 2012, 27700 miles on the clock and warning lamp for above kept flashing, losing. Definitely worth checking. Seat Leon Mk1 Glow Plug Light Flashing.
From atelier-yuwa.ciao.jp
Skoda Glow Plug Light Flashing atelieryuwa.ciao.jp Seat Leon Mk1 Glow Plug Light Flashing If the warning light flashes while you’re driving it means a fault has developed in. Faulty brake light switch used to trigger the glow plug light on mk1's not sure about the mk2. Definitely worth checking your brake. Can i still drive with my glow plug warning light on in my seat? I've got a seat leon registered october 2012,. Seat Leon Mk1 Glow Plug Light Flashing.
From www.reddit.com
Glow plug light flashing r/tdi Seat Leon Mk1 Glow Plug Light Flashing My leon has a problem, the glowplug light comes on, flashing (when the car is running), then it wont rev above 1200rpm, or respond to. I have been loving the car until about 2 weeks ago when the glow plug light started flashing and i lost power. Can i still drive with my glow plug warning light on in my. Seat Leon Mk1 Glow Plug Light Flashing.
From www.automotiverider.com
Audi Glow Plug Light Flashing (Causes & 100 Proven Fixes Seat Leon Mk1 Glow Plug Light Flashing I have been loving the car until about 2 weeks ago when the glow plug light started flashing and i lost power. I bought a mk1 leon 1.9tdi fr on tuesday, took it for a test drive, seemed pretty mint! I've got a seat leon registered october 2012, 27700 miles on the clock and warning lamp for above kept flashing,. Seat Leon Mk1 Glow Plug Light Flashing.
From shellysavonlea.net
Volkswagen Warning Light Meanings Shelly Lighting Seat Leon Mk1 Glow Plug Light Flashing I recently just purchased a 2011 1.6 seat leon with 94,000 miles. My leon has a problem, the glowplug light comes on, flashing (when the car is running), then it wont rev above 1200rpm, or respond to. Faulty brake light switch used to trigger the glow plug light on mk1's not sure about the mk2. So, i have bought a. Seat Leon Mk1 Glow Plug Light Flashing.
From www.youtube.com
How to Fix Diesel Glow Plugs Active Warning Light Stays On? Why is my Seat Leon Mk1 Glow Plug Light Flashing Definitely worth checking your brake. So, i have bought a 6 months old seat leon sc fr 184 after 112k trouble free miles in my fabia vrs but after two weeks of. It just so happens at. I have been loving the car until about 2 weeks ago when the glow plug light started flashing and i lost power. Faulty. Seat Leon Mk1 Glow Plug Light Flashing.
From workshop-manuals.com
SEAT Service and Repair Manuals > Leon Mk1 > Power unit 4 Seat Leon Mk1 Glow Plug Light Flashing Faulty brake light switch used to trigger the glow plug light on mk1's not sure about the mk2. My leon has a problem, the glowplug light comes on, flashing (when the car is running), then it wont rev above 1200rpm, or respond to. I recently just purchased a 2011 1.6 seat leon with 94,000 miles. I've got a seat leon. Seat Leon Mk1 Glow Plug Light Flashing.
From www.ebay.co.uk
10x Sidelight Bulbs For Seat Leon MK1 (9805) 501 Capless Bulb Car Side Seat Leon Mk1 Glow Plug Light Flashing Faulty brake light switch used to trigger the glow plug light on mk1's not sure about the mk2. The timing belt and water pump had just been replaced two days ago , it had been. Definitely worth checking your brake. If the warning light flashes while you’re driving it means a fault has developed in. I have been loving the. Seat Leon Mk1 Glow Plug Light Flashing.
From club.autodoc.co.uk
How to change glow plugs on SEAT LEON ST Box Body / Estate (5F8 Seat Leon Mk1 Glow Plug Light Flashing I bought a mk1 leon 1.9tdi fr on tuesday, took it for a test drive, seemed pretty mint! Its got 155,000 on the. I have been loving the car until about 2 weeks ago when the glow plug light started flashing and i lost power. Definitely worth checking your brake. I've got a seat leon registered october 2012, 27700 miles. Seat Leon Mk1 Glow Plug Light Flashing.
From autojosh.com
Signs And Symptoms Of Bad Or Failing Glow Plugs In Diesel Cars AUTOJOSH Seat Leon Mk1 Glow Plug Light Flashing Faulty brake light switch used to trigger the glow plug light on mk1's not sure about the mk2. The timing belt and water pump had just been replaced two days ago , it had been. So, i have bought a 6 months old seat leon sc fr 184 after 112k trouble free miles in my fabia vrs but after two. Seat Leon Mk1 Glow Plug Light Flashing.
From workshop-manuals.com
SEAT Manuals > Leon Mk1 > Power unit > 4cyl. injection engine Seat Leon Mk1 Glow Plug Light Flashing If the warning light flashes while you’re driving it means a fault has developed in. Definitely worth checking your brake. So, i have bought a 6 months old seat leon sc fr 184 after 112k trouble free miles in my fabia vrs but after two weeks of. It just so happens at. The timing belt and water pump had just. Seat Leon Mk1 Glow Plug Light Flashing.