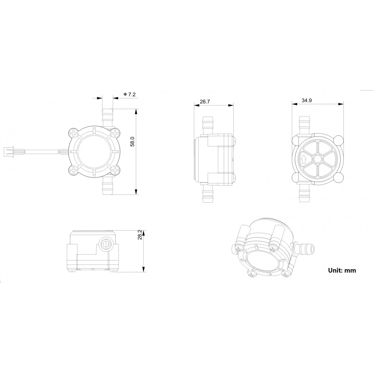
Water Flow Sensor Yf-S401 Datasheet . High precision pvc water flow sensor. 1l = 5880 square waves. The water flow sensor measures the rate of a liquid flowing through it. It is usually used at the inlet end. High precision pvc water flow sensor. When water flows through the rotor, rotor rolls.
from www.tomsonelectronics.com
It is usually used at the inlet end. The water flow sensor measures the rate of a liquid flowing through it. High precision pvc water flow sensor. When water flows through the rotor, rotor rolls. High precision pvc water flow sensor. 1l = 5880 square waves.
Water Flow Sensor YF S401 TOMSON ELECTRONICS
Water Flow Sensor Yf-S401 Datasheet High precision pvc water flow sensor. When water flows through the rotor, rotor rolls. 1l = 5880 square waves. The water flow sensor measures the rate of a liquid flowing through it. High precision pvc water flow sensor. It is usually used at the inlet end. High precision pvc water flow sensor.
From html.alldatasheet.com
YFS401 datasheet(1/2 Pages) ETC1 High Precision PVC Water Flow Sensor Water Flow Sensor Yf-S401 Datasheet When water flows through the rotor, rotor rolls. 1l = 5880 square waves. High precision pvc water flow sensor. It is usually used at the inlet end. The water flow sensor measures the rate of a liquid flowing through it. High precision pvc water flow sensor. Water Flow Sensor Yf-S401 Datasheet.
From makerselectronics.com
Water Flow Sensor YFS401 Makers Electronics Water Flow Sensor Yf-S401 Datasheet High precision pvc water flow sensor. The water flow sensor measures the rate of a liquid flowing through it. It is usually used at the inlet end. 1l = 5880 square waves. When water flows through the rotor, rotor rolls. High precision pvc water flow sensor. Water Flow Sensor Yf-S401 Datasheet.
From www.robotics.org.za
YFS401 flow meter Micro Robotics Water Flow Sensor Yf-S401 Datasheet 1l = 5880 square waves. It is usually used at the inlet end. The water flow sensor measures the rate of a liquid flowing through it. When water flows through the rotor, rotor rolls. High precision pvc water flow sensor. High precision pvc water flow sensor. Water Flow Sensor Yf-S401 Datasheet.
From makerselectronics.com
Water Flow Sensor YFS401 Makers Electronics Water Flow Sensor Yf-S401 Datasheet High precision pvc water flow sensor. The water flow sensor measures the rate of a liquid flowing through it. 1l = 5880 square waves. It is usually used at the inlet end. When water flows through the rotor, rotor rolls. High precision pvc water flow sensor. Water Flow Sensor Yf-S401 Datasheet.
From ifuturetech.org
YFS401 WATER FLOW SENSOR iFuture Technology Water Flow Sensor Yf-S401 Datasheet The water flow sensor measures the rate of a liquid flowing through it. It is usually used at the inlet end. High precision pvc water flow sensor. 1l = 5880 square waves. When water flows through the rotor, rotor rolls. High precision pvc water flow sensor. Water Flow Sensor Yf-S401 Datasheet.
From bestarduino.com
YFS401 0.55L per min Water Flow Hall Sensor Water Flow Sensor Yf-S401 Datasheet High precision pvc water flow sensor. The water flow sensor measures the rate of a liquid flowing through it. It is usually used at the inlet end. 1l = 5880 square waves. When water flows through the rotor, rotor rolls. High precision pvc water flow sensor. Water Flow Sensor Yf-S401 Datasheet.
From www.researchgate.net
Circuit diagram of water flow sensor namely YFS401. Download Water Flow Sensor Yf-S401 Datasheet High precision pvc water flow sensor. High precision pvc water flow sensor. It is usually used at the inlet end. The water flow sensor measures the rate of a liquid flowing through it. 1l = 5880 square waves. When water flows through the rotor, rotor rolls. Water Flow Sensor Yf-S401 Datasheet.
From tx.lt
Water flow sensor (YFS401) Water Flow Sensor Yf-S401 Datasheet It is usually used at the inlet end. High precision pvc water flow sensor. When water flows through the rotor, rotor rolls. High precision pvc water flow sensor. 1l = 5880 square waves. The water flow sensor measures the rate of a liquid flowing through it. Water Flow Sensor Yf-S401 Datasheet.
From www.sigmanortec.ro
Flow sensor 0.36l/min, YFS401, 120 degrees Water Flow Sensor Yf-S401 Datasheet The water flow sensor measures the rate of a liquid flowing through it. High precision pvc water flow sensor. It is usually used at the inlet end. High precision pvc water flow sensor. When water flows through the rotor, rotor rolls. 1l = 5880 square waves. Water Flow Sensor Yf-S401 Datasheet.
From www.researchgate.net
Circuit diagram of water flow sensor namely YFS401. Download Water Flow Sensor Yf-S401 Datasheet High precision pvc water flow sensor. It is usually used at the inlet end. The water flow sensor measures the rate of a liquid flowing through it. 1l = 5880 square waves. High precision pvc water flow sensor. When water flows through the rotor, rotor rolls. Water Flow Sensor Yf-S401 Datasheet.
From electroncart.in
YFS401 4mm Water Flow Sensor Electroncart Water Flow Sensor Yf-S401 Datasheet The water flow sensor measures the rate of a liquid flowing through it. 1l = 5880 square waves. When water flows through the rotor, rotor rolls. It is usually used at the inlet end. High precision pvc water flow sensor. High precision pvc water flow sensor. Water Flow Sensor Yf-S401 Datasheet.
From makerselectronics.com
Water Flow Sensor YFS401 Makers Electronics Water Flow Sensor Yf-S401 Datasheet 1l = 5880 square waves. When water flows through the rotor, rotor rolls. It is usually used at the inlet end. High precision pvc water flow sensor. The water flow sensor measures the rate of a liquid flowing through it. High precision pvc water flow sensor. Water Flow Sensor Yf-S401 Datasheet.
From sensorembedded.com
Water Flow Sensor Yf S401 Water Flow Sensor Yf-S401 Datasheet The water flow sensor measures the rate of a liquid flowing through it. High precision pvc water flow sensor. It is usually used at the inlet end. High precision pvc water flow sensor. 1l = 5880 square waves. When water flows through the rotor, rotor rolls. Water Flow Sensor Yf-S401 Datasheet.
From shop.techmakers.com.my
YFS201/YFS401 Water Flow Sensor (Pipe G1/2 G 1/2 Inch) Input 524V Water Flow Sensor Yf-S401 Datasheet It is usually used at the inlet end. High precision pvc water flow sensor. The water flow sensor measures the rate of a liquid flowing through it. High precision pvc water flow sensor. 1l = 5880 square waves. When water flows through the rotor, rotor rolls. Water Flow Sensor Yf-S401 Datasheet.
From shop.techmakers.com.my
YFS201/YFS401 Water Flow Sensor (Pipe G1/2 G 1/2 Inch) Input 524V Water Flow Sensor Yf-S401 Datasheet High precision pvc water flow sensor. It is usually used at the inlet end. When water flows through the rotor, rotor rolls. 1l = 5880 square waves. High precision pvc water flow sensor. The water flow sensor measures the rate of a liquid flowing through it. Water Flow Sensor Yf-S401 Datasheet.
From www.graylogix.in
Buy Online YFS401 Water Flow Sensor only for Water Flow Sensor Yf-S401 Datasheet High precision pvc water flow sensor. It is usually used at the inlet end. When water flows through the rotor, rotor rolls. The water flow sensor measures the rate of a liquid flowing through it. High precision pvc water flow sensor. 1l = 5880 square waves. Water Flow Sensor Yf-S401 Datasheet.
From bestarduino.com
YFS401 0.55L per min Water Flow Hall Sensor Water Flow Sensor Yf-S401 Datasheet The water flow sensor measures the rate of a liquid flowing through it. High precision pvc water flow sensor. It is usually used at the inlet end. High precision pvc water flow sensor. When water flows through the rotor, rotor rolls. 1l = 5880 square waves. Water Flow Sensor Yf-S401 Datasheet.
From www.electroniclinic.com
Water Flow Sensor Arduino, Water Flow Rate & Volume Measurement Water Flow Sensor Yf-S401 Datasheet 1l = 5880 square waves. When water flows through the rotor, rotor rolls. The water flow sensor measures the rate of a liquid flowing through it. High precision pvc water flow sensor. High precision pvc water flow sensor. It is usually used at the inlet end. Water Flow Sensor Yf-S401 Datasheet.
From www.scribd.com
Yf s401 PVC Water Flow Hall Sensor Flowmeter Counter WH PDF Water Flow Sensor Yf-S401 Datasheet When water flows through the rotor, rotor rolls. High precision pvc water flow sensor. The water flow sensor measures the rate of a liquid flowing through it. High precision pvc water flow sensor. It is usually used at the inlet end. 1l = 5880 square waves. Water Flow Sensor Yf-S401 Datasheet.
From www.benselectronics.nl
YFS401 Water flow stroming sensor Ben's electronics Water Flow Sensor Yf-S401 Datasheet High precision pvc water flow sensor. It is usually used at the inlet end. The water flow sensor measures the rate of a liquid flowing through it. High precision pvc water flow sensor. When water flows through the rotor, rotor rolls. 1l = 5880 square waves. Water Flow Sensor Yf-S401 Datasheet.
From einstronic.com
YFS401 Water Flow Rate Sensor Einstronic Enterprise Water Flow Sensor Yf-S401 Datasheet High precision pvc water flow sensor. The water flow sensor measures the rate of a liquid flowing through it. 1l = 5880 square waves. When water flows through the rotor, rotor rolls. High precision pvc water flow sensor. It is usually used at the inlet end. Water Flow Sensor Yf-S401 Datasheet.
From www.graylogix.in
Buy Online YFS401 Water Flow Sensor only for Water Flow Sensor Yf-S401 Datasheet High precision pvc water flow sensor. High precision pvc water flow sensor. When water flows through the rotor, rotor rolls. It is usually used at the inlet end. The water flow sensor measures the rate of a liquid flowing through it. 1l = 5880 square waves. Water Flow Sensor Yf-S401 Datasheet.
From bc-robotics.com
Liquid Flow Meter YFS401 For Arduino and Raspberry Pi BC Robotics Water Flow Sensor Yf-S401 Datasheet High precision pvc water flow sensor. When water flows through the rotor, rotor rolls. It is usually used at the inlet end. High precision pvc water flow sensor. The water flow sensor measures the rate of a liquid flowing through it. 1l = 5880 square waves. Water Flow Sensor Yf-S401 Datasheet.
From bc-robotics.com
Liquid Flow Meter YFS401 For Arduino and Raspberry Pi BC Robotics Water Flow Sensor Yf-S401 Datasheet High precision pvc water flow sensor. When water flows through the rotor, rotor rolls. 1l = 5880 square waves. High precision pvc water flow sensor. It is usually used at the inlet end. The water flow sensor measures the rate of a liquid flowing through it. Water Flow Sensor Yf-S401 Datasheet.
From www.lazada.co.id
YFS401 Water Flow Sensor Flowmeter 0.36L/min pengukur debit air 2mm Water Flow Sensor Yf-S401 Datasheet It is usually used at the inlet end. High precision pvc water flow sensor. 1l = 5880 square waves. The water flow sensor measures the rate of a liquid flowing through it. When water flows through the rotor, rotor rolls. High precision pvc water flow sensor. Water Flow Sensor Yf-S401 Datasheet.
From www.indiamart.com
YF S401 Water Flow Sensor at Rs 240/piece in Thane ID 20767911155 Water Flow Sensor Yf-S401 Datasheet High precision pvc water flow sensor. It is usually used at the inlet end. High precision pvc water flow sensor. The water flow sensor measures the rate of a liquid flowing through it. When water flows through the rotor, rotor rolls. 1l = 5880 square waves. Water Flow Sensor Yf-S401 Datasheet.
From www.tomsonelectronics.com
Water Flow Sensor YF S401 TOMSON ELECTRONICS Water Flow Sensor Yf-S401 Datasheet 1l = 5880 square waves. High precision pvc water flow sensor. High precision pvc water flow sensor. The water flow sensor measures the rate of a liquid flowing through it. When water flows through the rotor, rotor rolls. It is usually used at the inlet end. Water Flow Sensor Yf-S401 Datasheet.
From www.scribd.com
Datasheet YF S401 PDF Flow Measurement Arduino Water Flow Sensor Yf-S401 Datasheet High precision pvc water flow sensor. It is usually used at the inlet end. 1l = 5880 square waves. The water flow sensor measures the rate of a liquid flowing through it. High precision pvc water flow sensor. When water flows through the rotor, rotor rolls. Water Flow Sensor Yf-S401 Datasheet.
From www.sainapse.com.my
YFS201 / YFS401 Water Flow Speed Sensor Water Flow Sensor Yf-S401 Datasheet High precision pvc water flow sensor. When water flows through the rotor, rotor rolls. The water flow sensor measures the rate of a liquid flowing through it. It is usually used at the inlet end. High precision pvc water flow sensor. 1l = 5880 square waves. Water Flow Sensor Yf-S401 Datasheet.
From www.sainapse.com.my
YFS201 / YFS401 Water Flow Speed Sensor Water Flow Sensor Yf-S401 Datasheet When water flows through the rotor, rotor rolls. 1l = 5880 square waves. It is usually used at the inlet end. High precision pvc water flow sensor. High precision pvc water flow sensor. The water flow sensor measures the rate of a liquid flowing through it. Water Flow Sensor Yf-S401 Datasheet.
From vishaworld.com
YFS401 1/8 inch Water Flow Sensor Water Flow Sensor Yf-S401 Datasheet High precision pvc water flow sensor. When water flows through the rotor, rotor rolls. The water flow sensor measures the rate of a liquid flowing through it. 1l = 5880 square waves. High precision pvc water flow sensor. It is usually used at the inlet end. Water Flow Sensor Yf-S401 Datasheet.
From makerselectronics.com
Water Flow Sensor YFS401 Makers Electronics Water Flow Sensor Yf-S401 Datasheet When water flows through the rotor, rotor rolls. High precision pvc water flow sensor. High precision pvc water flow sensor. The water flow sensor measures the rate of a liquid flowing through it. It is usually used at the inlet end. 1l = 5880 square waves. Water Flow Sensor Yf-S401 Datasheet.
From www.pixelelectric.com
YFS401 Water Flow Sensor DC3.524V power supply. Water Flow Sensor Yf-S401 Datasheet High precision pvc water flow sensor. When water flows through the rotor, rotor rolls. It is usually used at the inlet end. High precision pvc water flow sensor. The water flow sensor measures the rate of a liquid flowing through it. 1l = 5880 square waves. Water Flow Sensor Yf-S401 Datasheet.
From www.tinytronics.nl
YFS401 Water Flow Sensor YFS401 Water Flow Sensor Yf-S401 Datasheet The water flow sensor measures the rate of a liquid flowing through it. High precision pvc water flow sensor. When water flows through the rotor, rotor rolls. It is usually used at the inlet end. High precision pvc water flow sensor. 1l = 5880 square waves. Water Flow Sensor Yf-S401 Datasheet.
From ifuturetech.org
YFS401 WATER FLOW SENSOR iFuture Technology Water Flow Sensor Yf-S401 Datasheet High precision pvc water flow sensor. The water flow sensor measures the rate of a liquid flowing through it. 1l = 5880 square waves. High precision pvc water flow sensor. It is usually used at the inlet end. When water flows through the rotor, rotor rolls. Water Flow Sensor Yf-S401 Datasheet.