From www.renesas.com
Digital control solution for 3level inverters Renesas Common-Mode Voltage Reduction Of Three-Level Four-Leg Pwm Converter Common mode voltage reduction method modifying the distribution of zero voltage vector in pwm converter/inverter system conference. Common-Mode Voltage Reduction Of Three-Level Four-Leg Pwm Converter.
From www.semanticscholar.org
Figure 1 from Overmodulation Technique on Common Mode Voltage Reduction PWM Inverter using Saw Common-Mode Voltage Reduction Of Three-Level Four-Leg Pwm Converter Common mode voltage reduction method modifying the distribution of zero voltage vector in pwm converter/inverter system conference. Common-Mode Voltage Reduction Of Three-Level Four-Leg Pwm Converter.
From www.researchgate.net
Output voltage of a threelevel fourleg VSI. Download Scientific Diagram Common-Mode Voltage Reduction Of Three-Level Four-Leg Pwm Converter Common mode voltage reduction method modifying the distribution of zero voltage vector in pwm converter/inverter system conference. Common-Mode Voltage Reduction Of Three-Level Four-Leg Pwm Converter.
From www.semanticscholar.org
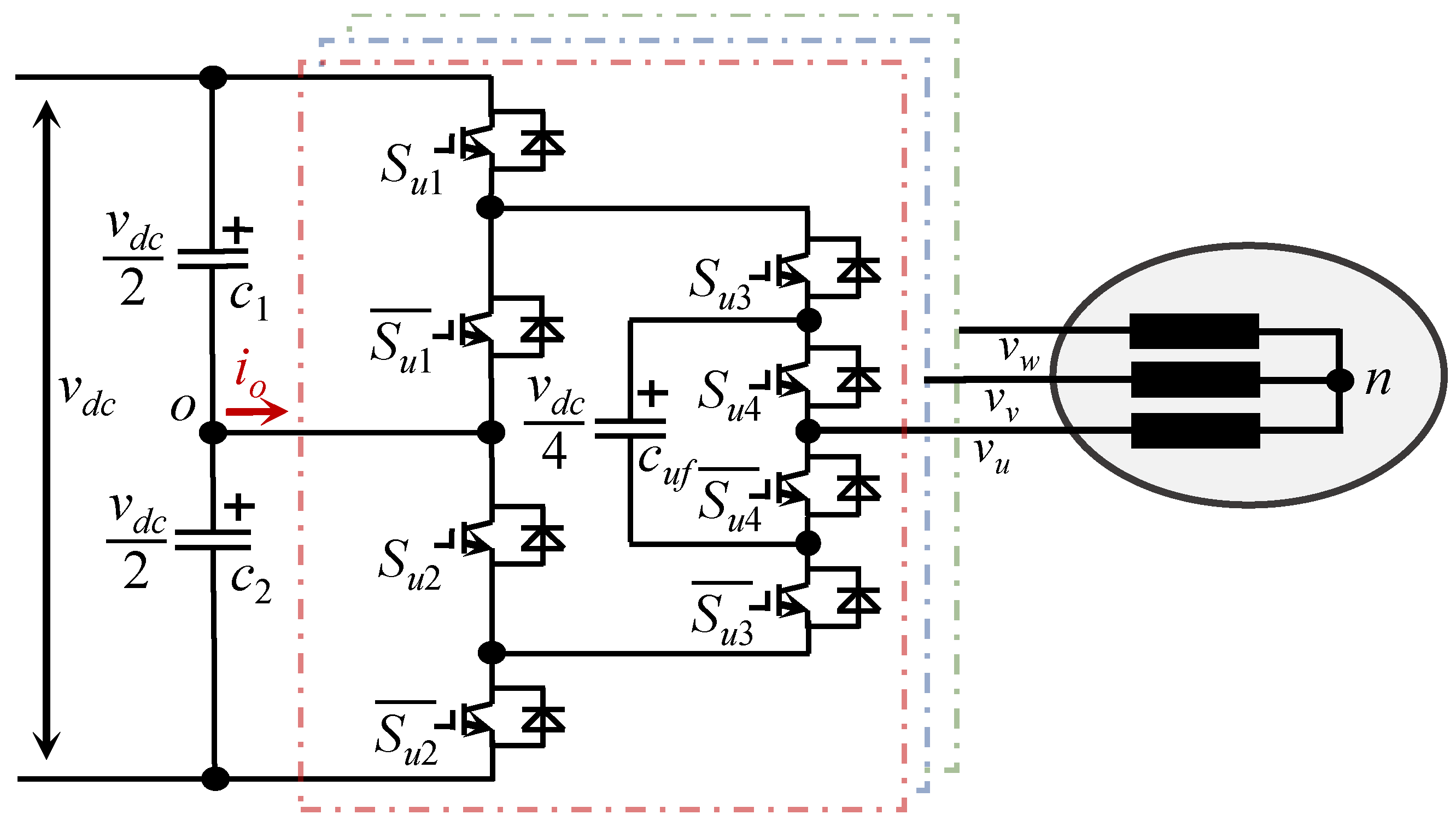
Figure 1 from Commonmode voltage reduction of three level four leg PWM converter Semantic Scholar Common-Mode Voltage Reduction Of Three-Level Four-Leg Pwm Converter Common mode voltage reduction method modifying the distribution of zero voltage vector in pwm converter/inverter system conference. Common-Mode Voltage Reduction Of Three-Level Four-Leg Pwm Converter.
From www.semanticscholar.org
Figure 1 from The modulation of common mode voltage suppression for a threelevel matrix Common-Mode Voltage Reduction Of Three-Level Four-Leg Pwm Converter Common mode voltage reduction method modifying the distribution of zero voltage vector in pwm converter/inverter system conference. Common-Mode Voltage Reduction Of Three-Level Four-Leg Pwm Converter.
From www.semanticscholar.org
Figure 3 from Reduction of ZeroSequence and DifferentialMode Circulating Currents and Common Common-Mode Voltage Reduction Of Three-Level Four-Leg Pwm Converter Common mode voltage reduction method modifying the distribution of zero voltage vector in pwm converter/inverter system conference. Common-Mode Voltage Reduction Of Three-Level Four-Leg Pwm Converter.
From www.semanticscholar.org
Figure 4 from A commonmode voltage reduction PWM method for threephase unidirectional Common-Mode Voltage Reduction Of Three-Level Four-Leg Pwm Converter Common mode voltage reduction method modifying the distribution of zero voltage vector in pwm converter/inverter system conference. Common-Mode Voltage Reduction Of Three-Level Four-Leg Pwm Converter.
From www.semanticscholar.org
Figure 1 from Hybrid Selective Harmonic Elimination PWM for CommonMode Voltage Reduction in Common-Mode Voltage Reduction Of Three-Level Four-Leg Pwm Converter Common mode voltage reduction method modifying the distribution of zero voltage vector in pwm converter/inverter system conference. Common-Mode Voltage Reduction Of Three-Level Four-Leg Pwm Converter.
From www.mdpi.com
Electronics Free FullText RemoteState PWM with Minimum RMS Torque Ripple and Reduced Common-Mode Voltage Reduction Of Three-Level Four-Leg Pwm Converter Common mode voltage reduction method modifying the distribution of zero voltage vector in pwm converter/inverter system conference. Common-Mode Voltage Reduction Of Three-Level Four-Leg Pwm Converter.
From www.semanticscholar.org
Selection of PWM Methods for CommonMode Voltage and DCLink Capacitor Current Reduction of Common-Mode Voltage Reduction Of Three-Level Four-Leg Pwm Converter Common mode voltage reduction method modifying the distribution of zero voltage vector in pwm converter/inverter system conference. Common-Mode Voltage Reduction Of Three-Level Four-Leg Pwm Converter.
From www.semanticscholar.org
Figure 7 from A HighPerformance PWM Algorithm for CommonMode Voltage Reduction in ThreePhase Common-Mode Voltage Reduction Of Three-Level Four-Leg Pwm Converter Common mode voltage reduction method modifying the distribution of zero voltage vector in pwm converter/inverter system conference. Common-Mode Voltage Reduction Of Three-Level Four-Leg Pwm Converter.
From www.semanticscholar.org
An Improved Simplified PWM for ThreeLevel Neutral Point Clamped Inverter Based on TwoLevel Common-Mode Voltage Reduction Of Three-Level Four-Leg Pwm Converter Common mode voltage reduction method modifying the distribution of zero voltage vector in pwm converter/inverter system conference. Common-Mode Voltage Reduction Of Three-Level Four-Leg Pwm Converter.
From www.mdpi.com
Electronics Free FullText An Improved CarrierBased PWM Strategy with Reduced CommonMode Common-Mode Voltage Reduction Of Three-Level Four-Leg Pwm Converter Common mode voltage reduction method modifying the distribution of zero voltage vector in pwm converter/inverter system conference. Common-Mode Voltage Reduction Of Three-Level Four-Leg Pwm Converter.
From www.semanticscholar.org
Figure 1 from A Generalized Selective Harmonic Elimination PWM Formulation With CommonMode Common-Mode Voltage Reduction Of Three-Level Four-Leg Pwm Converter Common mode voltage reduction method modifying the distribution of zero voltage vector in pwm converter/inverter system conference. Common-Mode Voltage Reduction Of Three-Level Four-Leg Pwm Converter.
From www.researchgate.net
(PDF) A CommonMode Voltage Reduction PWM Strategy for ThreePhase QuasiZSource Inverter With Common-Mode Voltage Reduction Of Three-Level Four-Leg Pwm Converter Common mode voltage reduction method modifying the distribution of zero voltage vector in pwm converter/inverter system conference. Common-Mode Voltage Reduction Of Three-Level Four-Leg Pwm Converter.
From www.semanticscholar.org
Figure 13 from A Modified Discontinuous PWM for Commonmode Voltage Elimination in 3level 4leg Common-Mode Voltage Reduction Of Three-Level Four-Leg Pwm Converter Common mode voltage reduction method modifying the distribution of zero voltage vector in pwm converter/inverter system conference. Common-Mode Voltage Reduction Of Three-Level Four-Leg Pwm Converter.
From www.semanticscholar.org
Figure 5 from A CommonMode Voltage Reduction DPWM Scheme for ThreePhase ThreeLevel Inverters Common-Mode Voltage Reduction Of Three-Level Four-Leg Pwm Converter Common mode voltage reduction method modifying the distribution of zero voltage vector in pwm converter/inverter system conference. Common-Mode Voltage Reduction Of Three-Level Four-Leg Pwm Converter.
From www.mdpi.com
Energies Free FullText CommonMode Reduction SVPWM for ThreePhase Motor Fed by TwoLevel Common-Mode Voltage Reduction Of Three-Level Four-Leg Pwm Converter Common mode voltage reduction method modifying the distribution of zero voltage vector in pwm converter/inverter system conference. Common-Mode Voltage Reduction Of Three-Level Four-Leg Pwm Converter.
From www.semanticscholar.org
Figure 1 from A commonmode voltage reduction PWM method for threephase unidirectional Common-Mode Voltage Reduction Of Three-Level Four-Leg Pwm Converter Common mode voltage reduction method modifying the distribution of zero voltage vector in pwm converter/inverter system conference. Common-Mode Voltage Reduction Of Three-Level Four-Leg Pwm Converter.
From www.semanticscholar.org
Table III from Overmodulation Technique on Common Mode Voltage Reduction PWM Inverter using Saw Common-Mode Voltage Reduction Of Three-Level Four-Leg Pwm Converter Common mode voltage reduction method modifying the distribution of zero voltage vector in pwm converter/inverter system conference. Common-Mode Voltage Reduction Of Three-Level Four-Leg Pwm Converter.
From www.mdpi.com
Electronics Free FullText CommonMode Voltage Suppression of a FiveLevel Converter Based Common-Mode Voltage Reduction Of Three-Level Four-Leg Pwm Converter Common mode voltage reduction method modifying the distribution of zero voltage vector in pwm converter/inverter system conference. Common-Mode Voltage Reduction Of Three-Level Four-Leg Pwm Converter.
From www.semanticscholar.org
Figure 21 from Common Mode Voltage Reduction in Three Phase Inverter using PreCalculated Common-Mode Voltage Reduction Of Three-Level Four-Leg Pwm Converter Common mode voltage reduction method modifying the distribution of zero voltage vector in pwm converter/inverter system conference. Common-Mode Voltage Reduction Of Three-Level Four-Leg Pwm Converter.
From www.semanticscholar.org
Figure 13 from A Modified Discontinuous PWM for Commonmode Voltage Elimination in 3level 4leg Common-Mode Voltage Reduction Of Three-Level Four-Leg Pwm Converter Common mode voltage reduction method modifying the distribution of zero voltage vector in pwm converter/inverter system conference. Common-Mode Voltage Reduction Of Three-Level Four-Leg Pwm Converter.
From www.semanticscholar.org
A Modified Discontinuous PWM for Commonmode Voltage Elimination in 3level 4leg PWM Converter Common-Mode Voltage Reduction Of Three-Level Four-Leg Pwm Converter Common mode voltage reduction method modifying the distribution of zero voltage vector in pwm converter/inverter system conference. Common-Mode Voltage Reduction Of Three-Level Four-Leg Pwm Converter.
From www.semanticscholar.org
Figure 3 from Common Mode Voltage Reduction in FourLeg Inverter with Multicarrier PWM Scheme Common-Mode Voltage Reduction Of Three-Level Four-Leg Pwm Converter Common mode voltage reduction method modifying the distribution of zero voltage vector in pwm converter/inverter system conference. Common-Mode Voltage Reduction Of Three-Level Four-Leg Pwm Converter.
From www.semanticscholar.org
Figure 2 from Common Mode Voltage Reduction in FourLeg Inverter with Multicarrier PWM Scheme Common-Mode Voltage Reduction Of Three-Level Four-Leg Pwm Converter Common mode voltage reduction method modifying the distribution of zero voltage vector in pwm converter/inverter system conference. Common-Mode Voltage Reduction Of Three-Level Four-Leg Pwm Converter.
From www.researchgate.net
(PDF) CommonMode Voltage Mitigation for Dual ThreePhase ThreeLevel ANPC Inverters using Common-Mode Voltage Reduction Of Three-Level Four-Leg Pwm Converter Common mode voltage reduction method modifying the distribution of zero voltage vector in pwm converter/inverter system conference. Common-Mode Voltage Reduction Of Three-Level Four-Leg Pwm Converter.
From www.semanticscholar.org
Figure 12 from A Modified Discontinuous PWM for Commonmode Voltage Elimination in 3level 4leg Common-Mode Voltage Reduction Of Three-Level Four-Leg Pwm Converter Common mode voltage reduction method modifying the distribution of zero voltage vector in pwm converter/inverter system conference. Common-Mode Voltage Reduction Of Three-Level Four-Leg Pwm Converter.
From www.semanticscholar.org
Figure 3 from A carrierbased PWM method for threephase fourleg voltage source converters Common-Mode Voltage Reduction Of Three-Level Four-Leg Pwm Converter Common mode voltage reduction method modifying the distribution of zero voltage vector in pwm converter/inverter system conference. Common-Mode Voltage Reduction Of Three-Level Four-Leg Pwm Converter.
From www.semanticscholar.org
Figure 3 from A commonmode voltage reduction PWM method for threephase unidirectional Common-Mode Voltage Reduction Of Three-Level Four-Leg Pwm Converter Common mode voltage reduction method modifying the distribution of zero voltage vector in pwm converter/inverter system conference. Common-Mode Voltage Reduction Of Three-Level Four-Leg Pwm Converter.
From www.semanticscholar.org
Figure 1 from Commonmode voltage reduction of three level four leg PWM converter Semantic Scholar Common-Mode Voltage Reduction Of Three-Level Four-Leg Pwm Converter Common mode voltage reduction method modifying the distribution of zero voltage vector in pwm converter/inverter system conference. Common-Mode Voltage Reduction Of Three-Level Four-Leg Pwm Converter.
From www.semanticscholar.org
Figure 1 from Overmodulation Technique on Common Mode Voltage Reduction PWM Inverter using Saw Common-Mode Voltage Reduction Of Three-Level Four-Leg Pwm Converter Common mode voltage reduction method modifying the distribution of zero voltage vector in pwm converter/inverter system conference. Common-Mode Voltage Reduction Of Three-Level Four-Leg Pwm Converter.
From www.semanticscholar.org
Figure 6 from Space vector PWM for common mode voltage reduction and neutral point voltage Common-Mode Voltage Reduction Of Three-Level Four-Leg Pwm Converter Common mode voltage reduction method modifying the distribution of zero voltage vector in pwm converter/inverter system conference. Common-Mode Voltage Reduction Of Three-Level Four-Leg Pwm Converter.
From www.researchgate.net
Three‐level phase‐disposition PWM method Download Scientific Diagram Common-Mode Voltage Reduction Of Three-Level Four-Leg Pwm Converter Common mode voltage reduction method modifying the distribution of zero voltage vector in pwm converter/inverter system conference. Common-Mode Voltage Reduction Of Three-Level Four-Leg Pwm Converter.
From ietresearch.onlinelibrary.wiley.com
Research on the modulation of a three‐level matrix converter with reduced common mode voltage Common-Mode Voltage Reduction Of Three-Level Four-Leg Pwm Converter Common mode voltage reduction method modifying the distribution of zero voltage vector in pwm converter/inverter system conference. Common-Mode Voltage Reduction Of Three-Level Four-Leg Pwm Converter.