What Does The Stator Do On A Snowmobile . In this case, the stator. “x” amount of wire will give you “x” amount of ohms. It is an electrical component which is present inside the engine which generates the electrical. The coils are mounted on a plate, and that. a stator’s ohms are based on the amount of wire on the coil.i.e. The stator generates power for the spark plugs and all other electronics. sometimes you get weak spark and sometimes you get a missing condition a couple of seconds after you push the. a snowmobile stator is an important part of the engine. a snowmobile stator produces more power with higher rpm's as well, and more power results in more heat in the stator windings. the stator is the assembly which houses your lighting and ignition coils. Either it's really bad or you have the wrong stator in it. It'd be pretty much backwards as to how a distributor works. stator, meaning stationary.
from snowmobiles.org
a snowmobile stator is an important part of the engine. Either it's really bad or you have the wrong stator in it. The coils are mounted on a plate, and that. It'd be pretty much backwards as to how a distributor works. stator, meaning stationary. “x” amount of wire will give you “x” amount of ohms. a snowmobile stator produces more power with higher rpm's as well, and more power results in more heat in the stator windings. sometimes you get weak spark and sometimes you get a missing condition a couple of seconds after you push the. a stator’s ohms are based on the amount of wire on the coil.i.e. It is an electrical component which is present inside the engine which generates the electrical.
Snowmobile Stator
What Does The Stator Do On A Snowmobile a snowmobile stator produces more power with higher rpm's as well, and more power results in more heat in the stator windings. a snowmobile stator produces more power with higher rpm's as well, and more power results in more heat in the stator windings. a snowmobile stator is an important part of the engine. stator, meaning stationary. The coils are mounted on a plate, and that. In this case, the stator. It'd be pretty much backwards as to how a distributor works. the stator is the assembly which houses your lighting and ignition coils. The stator generates power for the spark plugs and all other electronics. Either it's really bad or you have the wrong stator in it. sometimes you get weak spark and sometimes you get a missing condition a couple of seconds after you push the. It is an electrical component which is present inside the engine which generates the electrical. “x” amount of wire will give you “x” amount of ohms. a stator’s ohms are based on the amount of wire on the coil.i.e.
From www.denniskirk.com
Ricks Motorsport Electrics Stators 24002 Snowmobile Dennis Kirk What Does The Stator Do On A Snowmobile a snowmobile stator is an important part of the engine. In this case, the stator. Either it's really bad or you have the wrong stator in it. The coils are mounted on a plate, and that. sometimes you get weak spark and sometimes you get a missing condition a couple of seconds after you push the. stator,. What Does The Stator Do On A Snowmobile.
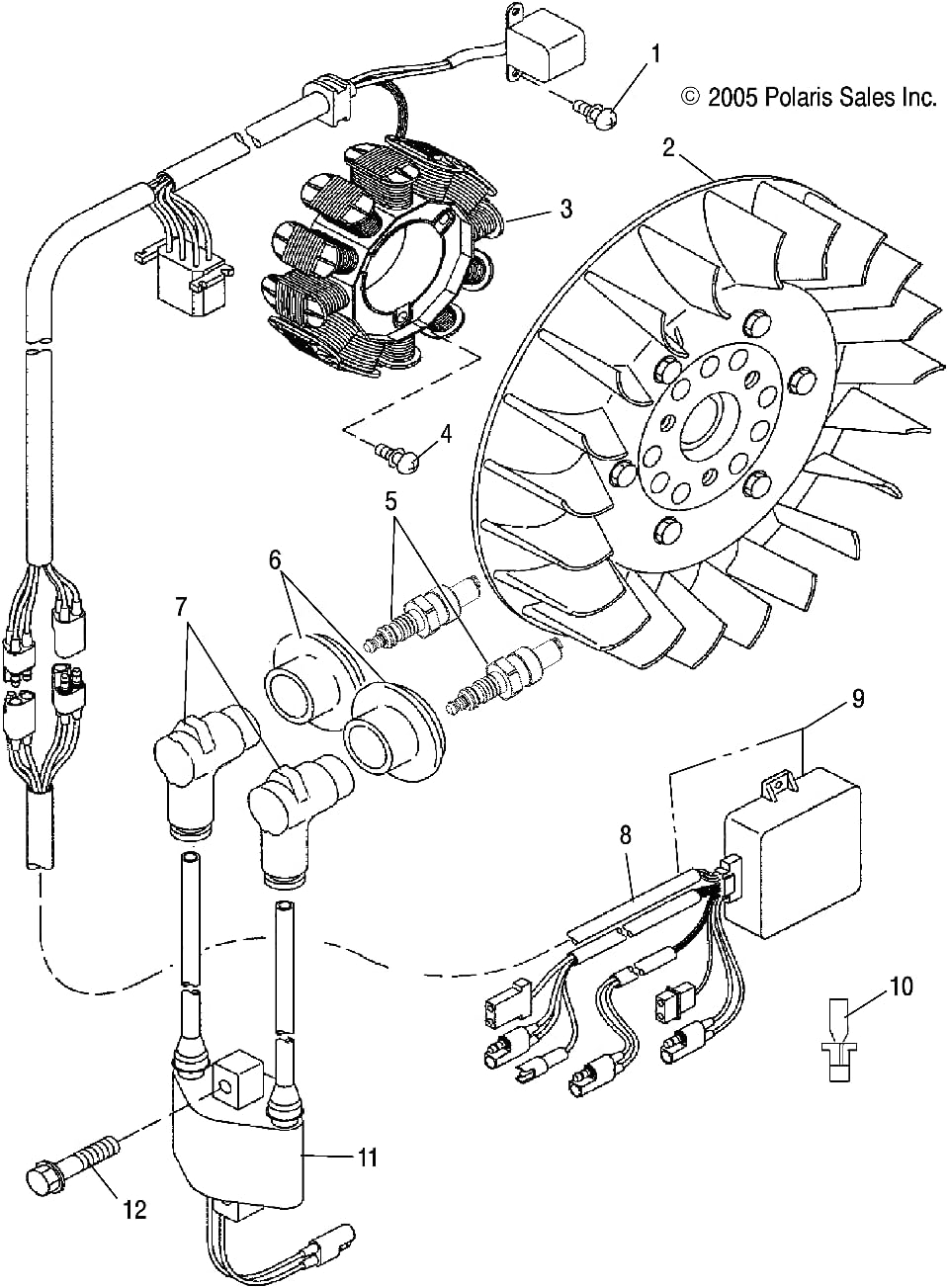
From www.rmstator-europe.com
Stator Snowmobile Yamaha FX Nytro 1000 OEM 8GL814100000 What Does The Stator Do On A Snowmobile It is an electrical component which is present inside the engine which generates the electrical. a snowmobile stator is an important part of the engine. Either it's really bad or you have the wrong stator in it. “x” amount of wire will give you “x” amount of ohms. sometimes you get weak spark and sometimes you get a. What Does The Stator Do On A Snowmobile.
From www.rmstator-europe.com
Stator Snowmobile Polaris 500 550 Indy 550 Widetrak 550 IQ LXT OEM 3090362 What Does The Stator Do On A Snowmobile It is an electrical component which is present inside the engine which generates the electrical. “x” amount of wire will give you “x” amount of ohms. stator, meaning stationary. The coils are mounted on a plate, and that. Either it's really bad or you have the wrong stator in it. It'd be pretty much backwards as to how a. What Does The Stator Do On A Snowmobile.
From money-sense.net
SPI Stator Assembly for Yamaha Snowmobiles Replaces OEM 8CH855100200 Snowmobile Parts in What Does The Stator Do On A Snowmobile The stator generates power for the spark plugs and all other electronics. the stator is the assembly which houses your lighting and ignition coils. stator, meaning stationary. Either it's really bad or you have the wrong stator in it. a snowmobile stator is an important part of the engine. In this case, the stator. a stator’s. What Does The Stator Do On A Snowmobile.
From www.rmstator-europe.com
Stator Polaris Snowmobile 340 Transport 340 Edge 340 Classic 340 Indy 340 Touring OEM 3089472 What Does The Stator Do On A Snowmobile It is an electrical component which is present inside the engine which generates the electrical. In this case, the stator. sometimes you get weak spark and sometimes you get a missing condition a couple of seconds after you push the. Either it's really bad or you have the wrong stator in it. “x” amount of wire will give you. What Does The Stator Do On A Snowmobile.
From www.mfgsupply.com
Stator for many 19992002 SkiDoo Snowmobiles Snowmobile Parts MFG Supply What Does The Stator Do On A Snowmobile sometimes you get weak spark and sometimes you get a missing condition a couple of seconds after you push the. the stator is the assembly which houses your lighting and ignition coils. The stator generates power for the spark plugs and all other electronics. In this case, the stator. It is an electrical component which is present inside. What Does The Stator Do On A Snowmobile.
From snowmobiles.org
Snowmobile Stator What Does The Stator Do On A Snowmobile The coils are mounted on a plate, and that. stator, meaning stationary. “x” amount of wire will give you “x” amount of ohms. The stator generates power for the spark plugs and all other electronics. sometimes you get weak spark and sometimes you get a missing condition a couple of seconds after you push the. the stator. What Does The Stator Do On A Snowmobile.
From www.amazon.com
Polaris Snowmobile ASMSTATOR, Qty 1 Automotive What Does The Stator Do On A Snowmobile “x” amount of wire will give you “x” amount of ohms. In this case, the stator. the stator is the assembly which houses your lighting and ignition coils. The stator generates power for the spark plugs and all other electronics. It is an electrical component which is present inside the engine which generates the electrical. Either it's really bad. What Does The Stator Do On A Snowmobile.
From www.ebay.com
Rick's Stator Yamaha Snowmobile Venture, Phazer 500 20072014 [24401] eBay What Does The Stator Do On A Snowmobile a snowmobile stator is an important part of the engine. The stator generates power for the spark plugs and all other electronics. a stator’s ohms are based on the amount of wire on the coil.i.e. It is an electrical component which is present inside the engine which generates the electrical. the stator is the assembly which houses. What Does The Stator Do On A Snowmobile.
From www.mfgsupply.com
Stator for most 2005Current Yamaha Snowmobiles with 499cc & 973cc Engines Snowmobile Parts What Does The Stator Do On A Snowmobile the stator is the assembly which houses your lighting and ignition coils. It is an electrical component which is present inside the engine which generates the electrical. “x” amount of wire will give you “x” amount of ohms. stator, meaning stationary. a snowmobile stator is an important part of the engine. a stator’s ohms are based. What Does The Stator Do On A Snowmobile.
From www.mfgsupply.com
Arctic Cat Snowmobile Stators Snowmobile Parts MFG Supply What Does The Stator Do On A Snowmobile Either it's really bad or you have the wrong stator in it. It is an electrical component which is present inside the engine which generates the electrical. stator, meaning stationary. sometimes you get weak spark and sometimes you get a missing condition a couple of seconds after you push the. “x” amount of wire will give you “x”. What Does The Stator Do On A Snowmobile.
From www.electrostator.com
Stator Polaris Snowmobile 340 Edge 340 Indy 340 Sprint What Does The Stator Do On A Snowmobile The stator generates power for the spark plugs and all other electronics. a snowmobile stator produces more power with higher rpm's as well, and more power results in more heat in the stator windings. stator, meaning stationary. The coils are mounted on a plate, and that. a snowmobile stator is an important part of the engine. In. What Does The Stator Do On A Snowmobile.
From www.mfgsupply.com
SC01390 Stator for 9196 Arctic Cat 580 & 700 EFI Snowmobiles Snowmobile Parts MFG Supply What Does The Stator Do On A Snowmobile In this case, the stator. sometimes you get weak spark and sometimes you get a missing condition a couple of seconds after you push the. the stator is the assembly which houses your lighting and ignition coils. a snowmobile stator produces more power with higher rpm's as well, and more power results in more heat in the. What Does The Stator Do On A Snowmobile.
From powersportsguide.com
How do Snowmobiles Work? [The Basics of Sleds!] PowerSportsGuide What Does The Stator Do On A Snowmobile stator, meaning stationary. The coils are mounted on a plate, and that. sometimes you get weak spark and sometimes you get a missing condition a couple of seconds after you push the. In this case, the stator. a snowmobile stator is an important part of the engine. “x” amount of wire will give you “x” amount of. What Does The Stator Do On A Snowmobile.
From www.rmstator-europe.com
Stator Snowmobile Polaris 500 550 Indy 550 Widetrak 550 IQ LXT OEM 3090362 What Does The Stator Do On A Snowmobile It'd be pretty much backwards as to how a distributor works. the stator is the assembly which houses your lighting and ignition coils. Either it's really bad or you have the wrong stator in it. “x” amount of wire will give you “x” amount of ohms. sometimes you get weak spark and sometimes you get a missing condition. What Does The Stator Do On A Snowmobile.
From www.mfgsupply.com
APO4011MS Polaris Stator for many 19992009 440/500/600 Snowmobiles Snowmobile Parts MFG What Does The Stator Do On A Snowmobile It is an electrical component which is present inside the engine which generates the electrical. The stator generates power for the spark plugs and all other electronics. a stator’s ohms are based on the amount of wire on the coil.i.e. a snowmobile stator is an important part of the engine. a snowmobile stator produces more power with. What Does The Stator Do On A Snowmobile.
From www.rmstator-europe.com
Stator Polaris Snowmobile Supersport Edge Classic Sport Touring Trail RMK Touring Indy Sport XCF What Does The Stator Do On A Snowmobile the stator is the assembly which houses your lighting and ignition coils. Either it's really bad or you have the wrong stator in it. It'd be pretty much backwards as to how a distributor works. In this case, the stator. It is an electrical component which is present inside the engine which generates the electrical. a snowmobile stator. What Does The Stator Do On A Snowmobile.
From powersportsguide.com
What Kind of Engines do Snowmobiles Have? [Explained] PowerSportsGuide What Does The Stator Do On A Snowmobile The coils are mounted on a plate, and that. Either it's really bad or you have the wrong stator in it. It'd be pretty much backwards as to how a distributor works. “x” amount of wire will give you “x” amount of ohms. a snowmobile stator produces more power with higher rpm's as well, and more power results in. What Does The Stator Do On A Snowmobile.
From www.amazon.ca
SHUOG Snowmobile Stator Coil For SkiDoo Skandic Expedition Legend V800 420684853 420684852 Fit What Does The Stator Do On A Snowmobile The coils are mounted on a plate, and that. a snowmobile stator produces more power with higher rpm's as well, and more power results in more heat in the stator windings. In this case, the stator. stator, meaning stationary. a snowmobile stator is an important part of the engine. It is an electrical component which is present. What Does The Stator Do On A Snowmobile.
From wireengineperceptual.z14.web.core.windows.net
What Is The Stator In An Engine What Does The Stator Do On A Snowmobile In this case, the stator. a snowmobile stator produces more power with higher rpm's as well, and more power results in more heat in the stator windings. Either it's really bad or you have the wrong stator in it. The coils are mounted on a plate, and that. a stator’s ohms are based on the amount of wire. What Does The Stator Do On A Snowmobile.
From powersportsguide.com
How do Snowmobiles Work? [The Basics of Sleds!] PowerSportsGuide What Does The Stator Do On A Snowmobile sometimes you get weak spark and sometimes you get a missing condition a couple of seconds after you push the. stator, meaning stationary. “x” amount of wire will give you “x” amount of ohms. The coils are mounted on a plate, and that. It'd be pretty much backwards as to how a distributor works. Either it's really bad. What Does The Stator Do On A Snowmobile.
From snowmobiles.org
Snowmobile Stator What Does The Stator Do On A Snowmobile a snowmobile stator produces more power with higher rpm's as well, and more power results in more heat in the stator windings. It'd be pretty much backwards as to how a distributor works. a stator’s ohms are based on the amount of wire on the coil.i.e. the stator is the assembly which houses your lighting and ignition. What Does The Stator Do On A Snowmobile.
From www.mfgsupply.com
Stator for many 20032010 SkiDoo Snowmobiles Snowmobile Parts MFG Supply What Does The Stator Do On A Snowmobile the stator is the assembly which houses your lighting and ignition coils. a snowmobile stator is an important part of the engine. Either it's really bad or you have the wrong stator in it. “x” amount of wire will give you “x” amount of ohms. It is an electrical component which is present inside the engine which generates. What Does The Stator Do On A Snowmobile.
From www.dootalk.com
mach 1 stator and cdi wiring SkiDoo Snowmobiles Forum What Does The Stator Do On A Snowmobile It is an electrical component which is present inside the engine which generates the electrical. It'd be pretty much backwards as to how a distributor works. In this case, the stator. sometimes you get weak spark and sometimes you get a missing condition a couple of seconds after you push the. The stator generates power for the spark plugs. What Does The Stator Do On A Snowmobile.
From www.denniskirk.com
RMStator Stator RM01227 Snowmobile Dennis Kirk What Does The Stator Do On A Snowmobile sometimes you get weak spark and sometimes you get a missing condition a couple of seconds after you push the. a snowmobile stator produces more power with higher rpm's as well, and more power results in more heat in the stator windings. In this case, the stator. a snowmobile stator is an important part of the engine.. What Does The Stator Do On A Snowmobile.
From snowmobiles.org
Snowmobile Stator What Does The Stator Do On A Snowmobile “x” amount of wire will give you “x” amount of ohms. Either it's really bad or you have the wrong stator in it. It'd be pretty much backwards as to how a distributor works. stator, meaning stationary. the stator is the assembly which houses your lighting and ignition coils. The coils are mounted on a plate, and that.. What Does The Stator Do On A Snowmobile.
From www.denniskirk.com
RMStator Stator RM01315 Snowmobile Dennis Kirk What Does The Stator Do On A Snowmobile sometimes you get weak spark and sometimes you get a missing condition a couple of seconds after you push the. the stator is the assembly which houses your lighting and ignition coils. a snowmobile stator is an important part of the engine. The coils are mounted on a plate, and that. “x” amount of wire will give. What Does The Stator Do On A Snowmobile.
From snowmobiles.org
Snowmobile Stator What Does The Stator Do On A Snowmobile the stator is the assembly which houses your lighting and ignition coils. The stator generates power for the spark plugs and all other electronics. a snowmobile stator produces more power with higher rpm's as well, and more power results in more heat in the stator windings. “x” amount of wire will give you “x” amount of ohms. . What Does The Stator Do On A Snowmobile.
From powersportsguide.com
How do Snowmobiles Work? [The Basics of Sleds!] PowerSportsGuide What Does The Stator Do On A Snowmobile “x” amount of wire will give you “x” amount of ohms. The coils are mounted on a plate, and that. a snowmobile stator is an important part of the engine. a snowmobile stator produces more power with higher rpm's as well, and more power results in more heat in the stator windings. In this case, the stator. . What Does The Stator Do On A Snowmobile.
From www.denniskirk.com
RMStator Stator RM01344 Snowmobile Dennis Kirk What Does The Stator Do On A Snowmobile The stator generates power for the spark plugs and all other electronics. “x” amount of wire will give you “x” amount of ohms. the stator is the assembly which houses your lighting and ignition coils. The coils are mounted on a plate, and that. It'd be pretty much backwards as to how a distributor works. In this case, the. What Does The Stator Do On A Snowmobile.
From www.youtube.com
How to replace a snowmobile stator YouTube What Does The Stator Do On A Snowmobile It is an electrical component which is present inside the engine which generates the electrical. “x” amount of wire will give you “x” amount of ohms. a snowmobile stator is an important part of the engine. Either it's really bad or you have the wrong stator in it. In this case, the stator. It'd be pretty much backwards as. What Does The Stator Do On A Snowmobile.
From www.youtube.com
Remove Flywheel & Stator Polaris Indy Snowmobile YouTube What Does The Stator Do On A Snowmobile It'd be pretty much backwards as to how a distributor works. a stator’s ohms are based on the amount of wire on the coil.i.e. The coils are mounted on a plate, and that. In this case, the stator. “x” amount of wire will give you “x” amount of ohms. a snowmobile stator is an important part of the. What Does The Stator Do On A Snowmobile.
From www.mfgsupply.com
SM01366 Arctic Cat Aftermarket Stator for Varoius 20002018 Model Snowmobiles. Snowmobile What Does The Stator Do On A Snowmobile the stator is the assembly which houses your lighting and ignition coils. In this case, the stator. a stator’s ohms are based on the amount of wire on the coil.i.e. The stator generates power for the spark plugs and all other electronics. Either it's really bad or you have the wrong stator in it. sometimes you get. What Does The Stator Do On A Snowmobile.
From www.youtube.com
Aftermarket stators for ATV SxS Motorcycles Snowmobile from RMSTATOR YouTube What Does The Stator Do On A Snowmobile the stator is the assembly which houses your lighting and ignition coils. a stator’s ohms are based on the amount of wire on the coil.i.e. “x” amount of wire will give you “x” amount of ohms. a snowmobile stator produces more power with higher rpm's as well, and more power results in more heat in the stator. What Does The Stator Do On A Snowmobile.
From www.hqpowersports.com
New Stator Coil Fits Polaris 800 RMK 800 Switchback Snowmobile 794cc Engine What Does The Stator Do On A Snowmobile a snowmobile stator is an important part of the engine. Either it's really bad or you have the wrong stator in it. The coils are mounted on a plate, and that. stator, meaning stationary. the stator is the assembly which houses your lighting and ignition coils. It is an electrical component which is present inside the engine. What Does The Stator Do On A Snowmobile.