Tail Lights Keep Going Out . Turn off the vehicle and. Follow these steps for an easy diy fix: It’s usually due to some sort of electrical issue that can be caused by a variety of factors. If you've noticed your vehicle’s tail lights have gone out, it's important to understand why it happened and how to fix the problem. This blog post aims to shed light on. However, it can be frustrating and potentially dangerous when your taillight keeps going out. Understanding the root cause of a problem is the first step towards solving it. We'll discuss some of the most common problems that cause tail lights to go out and what you can do to get them back up and running. Your tail light might not function properly for several reasons, ranging from a damaged bulb to a broken electrical component. To diagnose the problem, a mechanic will inspect each. Check the tail light switch. Here’s a straightforward guide to fixing typ ical tail light issues. Tail lights staying on when the car is turned off can be an annoying issue that can drain your car battery and leave you stranded. Here’s how to troubleshoot and potentially fix this problem.
from www.youtube.com
To diagnose the problem, a mechanic will inspect each. Check the tail light switch. Tail lights staying on when the car is turned off can be an annoying issue that can drain your car battery and leave you stranded. However, it can be frustrating and potentially dangerous when your taillight keeps going out. Here’s how to troubleshoot and potentially fix this problem. Your tail light might not function properly for several reasons, ranging from a damaged bulb to a broken electrical component. Here’s a straightforward guide to fixing typ ical tail light issues. We'll discuss some of the most common problems that cause tail lights to go out and what you can do to get them back up and running. Turn off the vehicle and. If you've noticed your vehicle’s tail lights have gone out, it's important to understand why it happened and how to fix the problem.
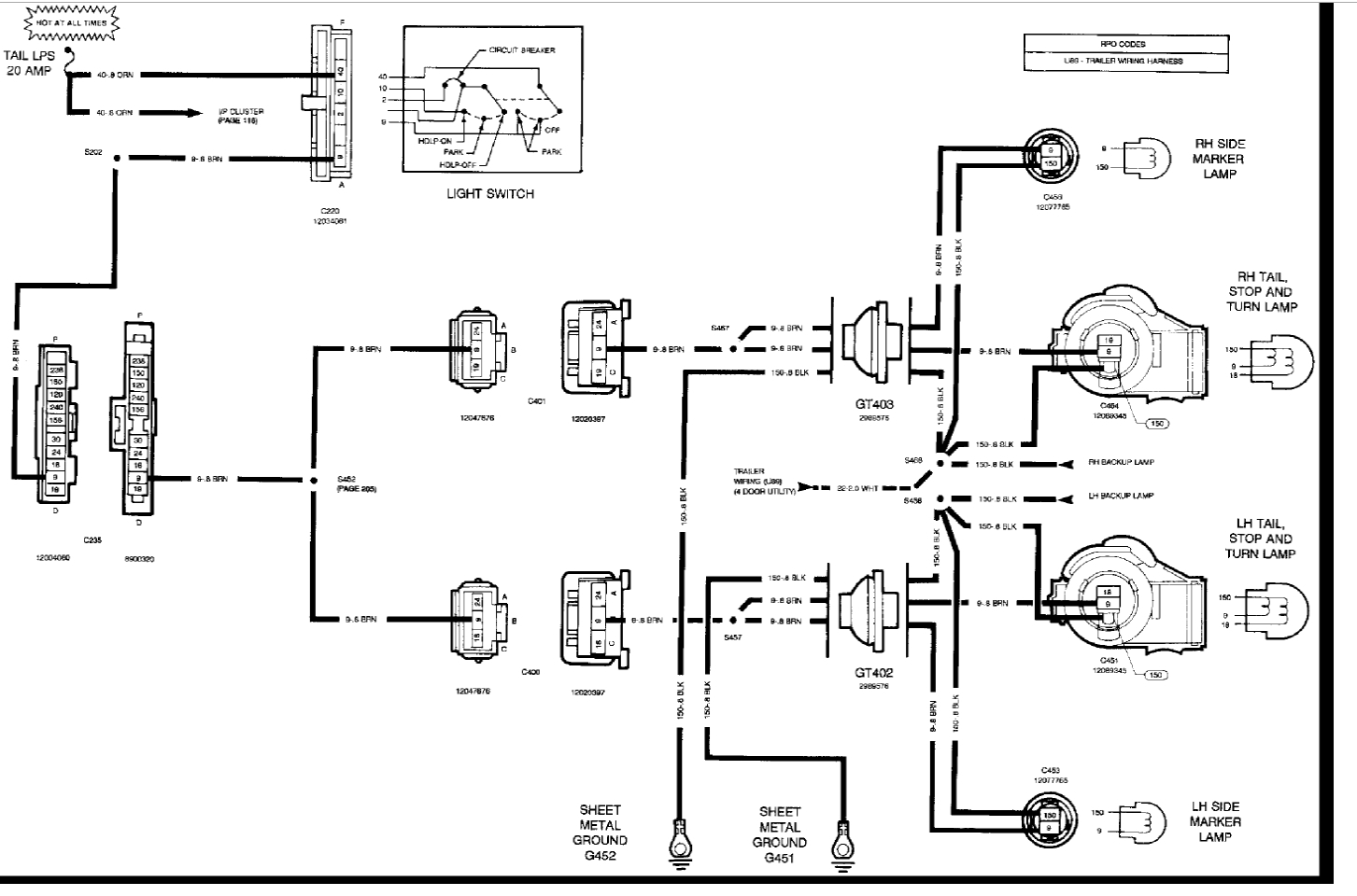
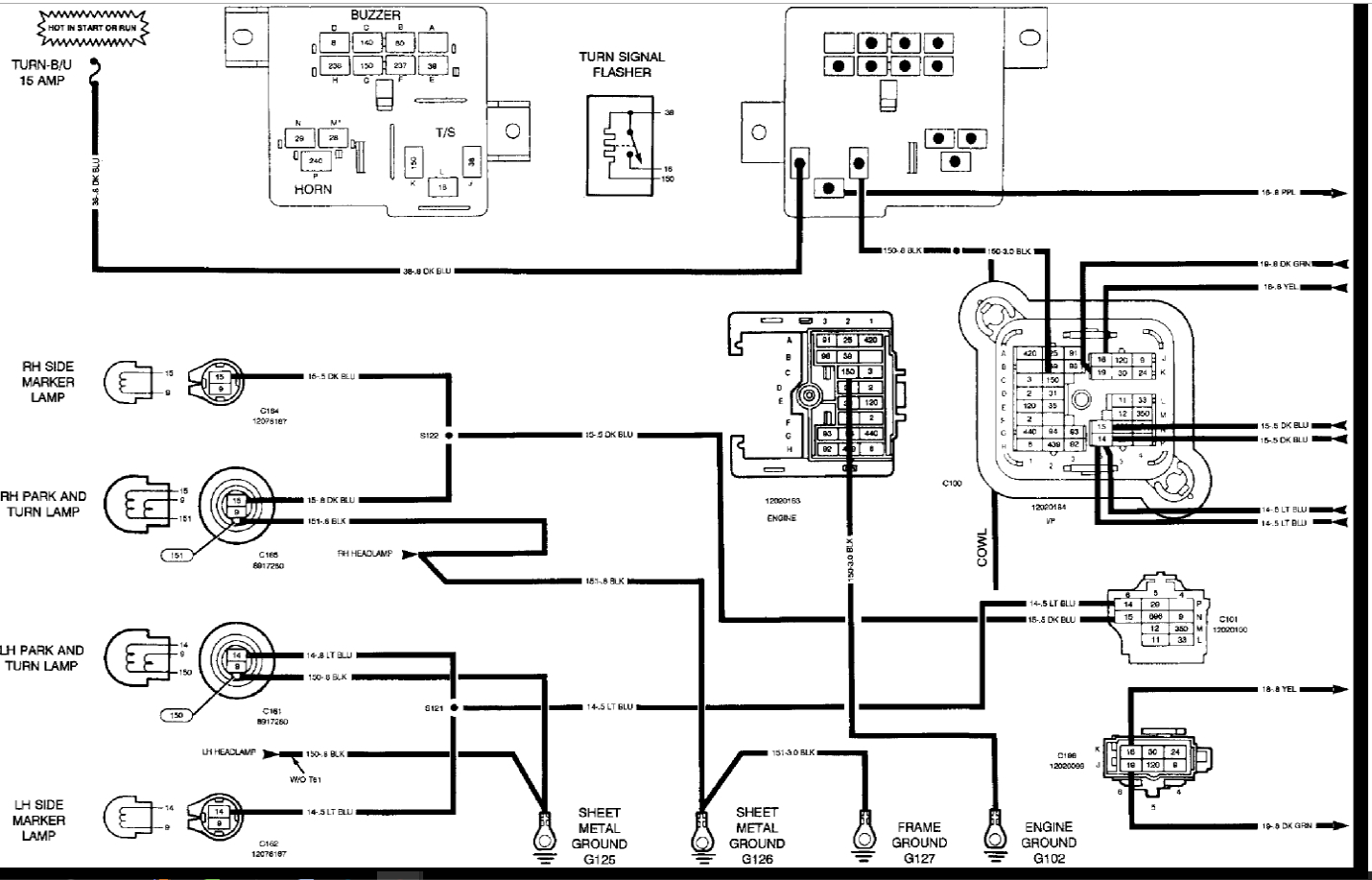
Brake light/tail light Jeep Liberty YouTube
Tail Lights Keep Going Out To diagnose the problem, a mechanic will inspect each. To diagnose the problem, a mechanic will inspect each. If you've noticed your vehicle’s tail lights have gone out, it's important to understand why it happened and how to fix the problem. Turn off the vehicle and. Follow these steps for an easy diy fix: Check the tail light switch. Here’s a straightforward guide to fixing typ ical tail light issues. Your tail light might not function properly for several reasons, ranging from a damaged bulb to a broken electrical component. This blog post aims to shed light on. It’s usually due to some sort of electrical issue that can be caused by a variety of factors. However, it can be frustrating and potentially dangerous when your taillight keeps going out. Understanding the root cause of a problem is the first step towards solving it. Tail lights staying on when the car is turned off can be an annoying issue that can drain your car battery and leave you stranded. We'll discuss some of the most common problems that cause tail lights to go out and what you can do to get them back up and running. Here’s how to troubleshoot and potentially fix this problem.
From www.matthewsvolvosite.com
2001 XC70 Tail Lights Keep Blowing Tail Lights Keep Going Out We'll discuss some of the most common problems that cause tail lights to go out and what you can do to get them back up and running. Here’s a straightforward guide to fixing typ ical tail light issues. Here’s how to troubleshoot and potentially fix this problem. Turn off the vehicle and. Understanding the root cause of a problem is. Tail Lights Keep Going Out.
From www.corvetteforum.com
Tail lights keep going out CorvetteForum Chevrolet Corvette Forum Tail Lights Keep Going Out Follow these steps for an easy diy fix: Here’s a straightforward guide to fixing typ ical tail light issues. If you've noticed your vehicle’s tail lights have gone out, it's important to understand why it happened and how to fix the problem. Your tail light might not function properly for several reasons, ranging from a damaged bulb to a broken. Tail Lights Keep Going Out.
From www.supertechhvac.com
Why Your Pilot Light Keeps Going Out & How To Fix [With Pictures] Tail Lights Keep Going Out Your tail light might not function properly for several reasons, ranging from a damaged bulb to a broken electrical component. Turn off the vehicle and. Here’s a straightforward guide to fixing typ ical tail light issues. To diagnose the problem, a mechanic will inspect each. We'll discuss some of the most common problems that cause tail lights to go out. Tail Lights Keep Going Out.
From www.instructables.com
DIY Cycle Tail Lights 7 Steps Instructables Tail Lights Keep Going Out To diagnose the problem, a mechanic will inspect each. Your tail light might not function properly for several reasons, ranging from a damaged bulb to a broken electrical component. Understanding the root cause of a problem is the first step towards solving it. It’s usually due to some sort of electrical issue that can be caused by a variety of. Tail Lights Keep Going Out.
From www.youtube.com
How To Make Clear Tail Lights For Your S14! YouTube Tail Lights Keep Going Out It’s usually due to some sort of electrical issue that can be caused by a variety of factors. However, it can be frustrating and potentially dangerous when your taillight keeps going out. This blog post aims to shed light on. We'll discuss some of the most common problems that cause tail lights to go out and what you can do. Tail Lights Keep Going Out.
From www.jeepzine.com
Troubleshooting a Blown Tail Light Fuse Tail Lights Keep Going Out Tail lights staying on when the car is turned off can be an annoying issue that can drain your car battery and leave you stranded. However, it can be frustrating and potentially dangerous when your taillight keeps going out. It’s usually due to some sort of electrical issue that can be caused by a variety of factors. If you've noticed. Tail Lights Keep Going Out.
From www.pinterest.com
SAVVY OFFROAD LED tail lights going on. These are nice and are gonna Tail Lights Keep Going Out To diagnose the problem, a mechanic will inspect each. Here’s how to troubleshoot and potentially fix this problem. Understanding the root cause of a problem is the first step towards solving it. Turn off the vehicle and. It’s usually due to some sort of electrical issue that can be caused by a variety of factors. Check the tail light switch.. Tail Lights Keep Going Out.
From www.tacomaworld.com
Does anyone have a wiring diagram for the rear tail lights World Tail Lights Keep Going Out Your tail light might not function properly for several reasons, ranging from a damaged bulb to a broken electrical component. This blog post aims to shed light on. Follow these steps for an easy diy fix: Check the tail light switch. Here’s how to troubleshoot and potentially fix this problem. We'll discuss some of the most common problems that cause. Tail Lights Keep Going Out.
From homeminimalisite.com
Why Does The Pilot Light Keep Going Out On Water Heater Tail Lights Keep Going Out We'll discuss some of the most common problems that cause tail lights to go out and what you can do to get them back up and running. Check the tail light switch. Your tail light might not function properly for several reasons, ranging from a damaged bulb to a broken electrical component. Here’s a straightforward guide to fixing typ ical. Tail Lights Keep Going Out.
From www.youtube.com
Brake Lights vs Tail Lights What's the Difference? (Are They the Same Tail Lights Keep Going Out We'll discuss some of the most common problems that cause tail lights to go out and what you can do to get them back up and running. However, it can be frustrating and potentially dangerous when your taillight keeps going out. Here’s a straightforward guide to fixing typ ical tail light issues. Follow these steps for an easy diy fix:. Tail Lights Keep Going Out.
From www.corvetteforum.com
Tail lights keep going out CorvetteForum Chevrolet Corvette Forum Tail Lights Keep Going Out To diagnose the problem, a mechanic will inspect each. Tail lights staying on when the car is turned off can be an annoying issue that can drain your car battery and leave you stranded. We'll discuss some of the most common problems that cause tail lights to go out and what you can do to get them back up and. Tail Lights Keep Going Out.
From www.spotdem.com
What You Should Know About Your Car's Tail Light Spot Dem Tail Lights Keep Going Out Your tail light might not function properly for several reasons, ranging from a damaged bulb to a broken electrical component. However, it can be frustrating and potentially dangerous when your taillight keeps going out. This blog post aims to shed light on. Check the tail light switch. Turn off the vehicle and. Here’s how to troubleshoot and potentially fix this. Tail Lights Keep Going Out.
From www.corvetteforum.com
Tail lights keep going out CorvetteForum Chevrolet Corvette Forum Tail Lights Keep Going Out Understanding the root cause of a problem is the first step towards solving it. To diagnose the problem, a mechanic will inspect each. Check the tail light switch. Tail lights staying on when the car is turned off can be an annoying issue that can drain your car battery and leave you stranded. Your tail light might not function properly. Tail Lights Keep Going Out.
From www.evolutionm.net
Tail light issue (with pic) EvolutionM Mitsubishi Lancer and Lancer Tail Lights Keep Going Out We'll discuss some of the most common problems that cause tail lights to go out and what you can do to get them back up and running. Check the tail light switch. Tail lights staying on when the car is turned off can be an annoying issue that can drain your car battery and leave you stranded. Here’s a straightforward. Tail Lights Keep Going Out.
From www.youtube.com
Brake light/tail light Jeep Liberty YouTube Tail Lights Keep Going Out Your tail light might not function properly for several reasons, ranging from a damaged bulb to a broken electrical component. Follow these steps for an easy diy fix: Turn off the vehicle and. This blog post aims to shed light on. Tail lights staying on when the car is turned off can be an annoying issue that can drain your. Tail Lights Keep Going Out.
From exogmimbs.blob.core.windows.net
Why Do My Tea Lights Keep Going Out at James Sherer blog Tail Lights Keep Going Out If you've noticed your vehicle’s tail lights have gone out, it's important to understand why it happened and how to fix the problem. Tail lights staying on when the car is turned off can be an annoying issue that can drain your car battery and leave you stranded. Check the tail light switch. It’s usually due to some sort of. Tail Lights Keep Going Out.
From www.reddit.com
Check out these custom Tail lights I made for my 350z! Clear tails Tail Lights Keep Going Out It’s usually due to some sort of electrical issue that can be caused by a variety of factors. Check the tail light switch. Follow these steps for an easy diy fix: Turn off the vehicle and. This blog post aims to shed light on. Here’s a straightforward guide to fixing typ ical tail light issues. Here’s how to troubleshoot and. Tail Lights Keep Going Out.
From exogmimbs.blob.core.windows.net
Tail Lights Are Out at James Sherer blog Tail Lights Keep Going Out Follow these steps for an easy diy fix: Tail lights staying on when the car is turned off can be an annoying issue that can drain your car battery and leave you stranded. However, it can be frustrating and potentially dangerous when your taillight keeps going out. If you've noticed your vehicle’s tail lights have gone out, it's important to. Tail Lights Keep Going Out.
From www.carcomplaints.com
2013 Kia Forte Tail Lights And Brake Lights Keep Going Out 1 Complaints Tail Lights Keep Going Out Your tail light might not function properly for several reasons, ranging from a damaged bulb to a broken electrical component. If you've noticed your vehicle’s tail lights have gone out, it's important to understand why it happened and how to fix the problem. Tail lights staying on when the car is turned off can be an annoying issue that can. Tail Lights Keep Going Out.
From www.cgtrader.com
RPS13 and PS13 JunYan and Eurostyle tail lights 3D model CGTrader Tail Lights Keep Going Out If you've noticed your vehicle’s tail lights have gone out, it's important to understand why it happened and how to fix the problem. Check the tail light switch. Your tail light might not function properly for several reasons, ranging from a damaged bulb to a broken electrical component. Understanding the root cause of a problem is the first step towards. Tail Lights Keep Going Out.
From www.reddit.com
Kia optima tail light replacement how? Cartalk Tail Lights Keep Going Out Follow these steps for an easy diy fix: Here’s a straightforward guide to fixing typ ical tail light issues. Here’s how to troubleshoot and potentially fix this problem. Check the tail light switch. However, it can be frustrating and potentially dangerous when your taillight keeps going out. To diagnose the problem, a mechanic will inspect each. It’s usually due to. Tail Lights Keep Going Out.
From www.2carpros.com
Tail Lights Keep Going Out My Tail and Dash Lights Keep Going Out... Tail Lights Keep Going Out However, it can be frustrating and potentially dangerous when your taillight keeps going out. Tail lights staying on when the car is turned off can be an annoying issue that can drain your car battery and leave you stranded. Turn off the vehicle and. Follow these steps for an easy diy fix: Here’s how to troubleshoot and potentially fix this. Tail Lights Keep Going Out.
From headlights.com
Follow the Law Keep Your Tail Lights Working Tail Lights Keep Going Out Follow these steps for an easy diy fix: Here’s how to troubleshoot and potentially fix this problem. If you've noticed your vehicle’s tail lights have gone out, it's important to understand why it happened and how to fix the problem. Your tail light might not function properly for several reasons, ranging from a damaged bulb to a broken electrical component.. Tail Lights Keep Going Out.
From flatdisk24.pythonanywhere.com
How To Fix Brake Lights Flatdisk24 Tail Lights Keep Going Out We'll discuss some of the most common problems that cause tail lights to go out and what you can do to get them back up and running. Your tail light might not function properly for several reasons, ranging from a damaged bulb to a broken electrical component. Follow these steps for an easy diy fix: However, it can be frustrating. Tail Lights Keep Going Out.
From www.2carpros.com
Tail Lights Keep Going Out My Tail and Dash Lights Keep Going Out... Tail Lights Keep Going Out Follow these steps for an easy diy fix: Tail lights staying on when the car is turned off can be an annoying issue that can drain your car battery and leave you stranded. If you've noticed your vehicle’s tail lights have gone out, it's important to understand why it happened and how to fix the problem. Your tail light might. Tail Lights Keep Going Out.
From www.corvetteforum.com
Tail lights keep going out CorvetteForum Chevrolet Corvette Forum Tail Lights Keep Going Out Follow these steps for an easy diy fix: Tail lights staying on when the car is turned off can be an annoying issue that can drain your car battery and leave you stranded. If you've noticed your vehicle’s tail lights have gone out, it's important to understand why it happened and how to fix the problem. It’s usually due to. Tail Lights Keep Going Out.
From www.youtube.com
2016, 2017 & 2018 Hyundai Tucson SUV Testing Tail Lights After Tail Lights Keep Going Out However, it can be frustrating and potentially dangerous when your taillight keeps going out. Follow these steps for an easy diy fix: Tail lights staying on when the car is turned off can be an annoying issue that can drain your car battery and leave you stranded. Turn off the vehicle and. If you've noticed your vehicle’s tail lights have. Tail Lights Keep Going Out.
From exogmimbs.blob.core.windows.net
Why Do My Tea Lights Keep Going Out at James Sherer blog Tail Lights Keep Going Out Follow these steps for an easy diy fix: Understanding the root cause of a problem is the first step towards solving it. Here’s how to troubleshoot and potentially fix this problem. To diagnose the problem, a mechanic will inspect each. Turn off the vehicle and. If you've noticed your vehicle’s tail lights have gone out, it's important to understand why. Tail Lights Keep Going Out.
From www.youtube.com
Are Your Tail Lights On? YouTube Tail Lights Keep Going Out If you've noticed your vehicle’s tail lights have gone out, it's important to understand why it happened and how to fix the problem. Your tail light might not function properly for several reasons, ranging from a damaged bulb to a broken electrical component. Turn off the vehicle and. To diagnose the problem, a mechanic will inspect each. Here’s how to. Tail Lights Keep Going Out.
From exogmimbs.blob.core.windows.net
Why Do My Tea Lights Keep Going Out at James Sherer blog Tail Lights Keep Going Out However, it can be frustrating and potentially dangerous when your taillight keeps going out. We'll discuss some of the most common problems that cause tail lights to go out and what you can do to get them back up and running. If you've noticed your vehicle’s tail lights have gone out, it's important to understand why it happened and how. Tail Lights Keep Going Out.
From www.aliexpress.com
Car Rear Tail Light For Toyota 2001 2002 2003 2004 8156004060 Tail Lights Keep Going Out It’s usually due to some sort of electrical issue that can be caused by a variety of factors. Here’s a straightforward guide to fixing typ ical tail light issues. However, it can be frustrating and potentially dangerous when your taillight keeps going out. If you've noticed your vehicle’s tail lights have gone out, it's important to understand why it happened. Tail Lights Keep Going Out.
From www.corvetteforum.com
Tail lights keep going out CorvetteForum Chevrolet Corvette Forum Tail Lights Keep Going Out Here’s a straightforward guide to fixing typ ical tail light issues. Follow these steps for an easy diy fix: It’s usually due to some sort of electrical issue that can be caused by a variety of factors. Here’s how to troubleshoot and potentially fix this problem. If you've noticed your vehicle’s tail lights have gone out, it's important to understand. Tail Lights Keep Going Out.
From www.2carpros.com
Taillights and Dash Lights Keep Going Out After Multiple Fuse Tail Lights Keep Going Out However, it can be frustrating and potentially dangerous when your taillight keeps going out. Check the tail light switch. Turn off the vehicle and. Here’s a straightforward guide to fixing typ ical tail light issues. This blog post aims to shed light on. Understanding the root cause of a problem is the first step towards solving it. It’s usually due. Tail Lights Keep Going Out.
From www.corvetteforum.com
Tail lights keep going out CorvetteForum Chevrolet Corvette Forum Tail Lights Keep Going Out To diagnose the problem, a mechanic will inspect each. If you've noticed your vehicle’s tail lights have gone out, it's important to understand why it happened and how to fix the problem. Your tail light might not function properly for several reasons, ranging from a damaged bulb to a broken electrical component. Follow these steps for an easy diy fix:. Tail Lights Keep Going Out.
From www.reddit.com
Is it easy to swap out (us)Mk7 tail lights with the (us)MK7.5? r/Golf_R Tail Lights Keep Going Out It’s usually due to some sort of electrical issue that can be caused by a variety of factors. Tail lights staying on when the car is turned off can be an annoying issue that can drain your car battery and leave you stranded. Check the tail light switch. If you've noticed your vehicle’s tail lights have gone out, it's important. Tail Lights Keep Going Out.