High-Side Current Sense Amplifier . This application note discusses two new circuit techniques for measuring. The series is comprised of short training videos that. Their simple architectures make them. Low side and high side. power management, battery charging, and other applications that must accurately measure or control current can. there are two types of current sensing measurement possible: Low side measurements insert the current sense resistor between the load and ground, while high side measurements insert the current sense resistor between the power supply and the load. check out this comprehensive curriculum for current sense amplifiers.
from www.datasheets.com
check out this comprehensive curriculum for current sense amplifiers. The series is comprised of short training videos that. Low side measurements insert the current sense resistor between the load and ground, while high side measurements insert the current sense resistor between the power supply and the load. This application note discusses two new circuit techniques for measuring. Low side and high side. there are two types of current sensing measurement possible: power management, battery charging, and other applications that must accurately measure or control current can. Their simple architectures make them.
LT6107 Demo Board, General Purpose HighSide CurrentSense Amplifier
High-Side Current Sense Amplifier Low side measurements insert the current sense resistor between the load and ground, while high side measurements insert the current sense resistor between the power supply and the load. The series is comprised of short training videos that. check out this comprehensive curriculum for current sense amplifiers. Low side and high side. This application note discusses two new circuit techniques for measuring. Their simple architectures make them. Low side measurements insert the current sense resistor between the load and ground, while high side measurements insert the current sense resistor between the power supply and the load. there are two types of current sensing measurement possible: power management, battery charging, and other applications that must accurately measure or control current can.
From www.electronics-lab.com
Screenshot 20210801 at 143251 MCP6C02 HighSide Current Sense High-Side Current Sense Amplifier there are two types of current sensing measurement possible: This application note discusses two new circuit techniques for measuring. check out this comprehensive curriculum for current sense amplifiers. power management, battery charging, and other applications that must accurately measure or control current can. Low side and high side. The series is comprised of short training videos that.. High-Side Current Sense Amplifier.
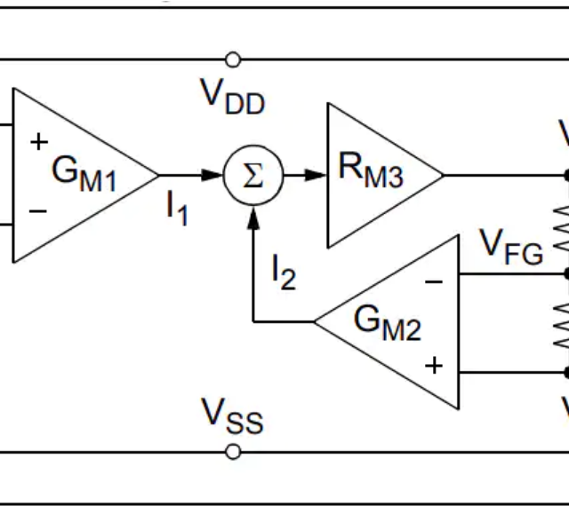
From hxenklbzw.blob.core.windows.net
High Voltage Current Sense Amplifier at Tara Coleman blog High-Side Current Sense Amplifier power management, battery charging, and other applications that must accurately measure or control current can. The series is comprised of short training videos that. Low side and high side. check out this comprehensive curriculum for current sense amplifiers. Their simple architectures make them. Low side measurements insert the current sense resistor between the load and ground, while high. High-Side Current Sense Amplifier.
From www.analog.com
MAX9922 UltraPrecision, HighSide CurrentSense Amplifiers Analog High-Side Current Sense Amplifier power management, battery charging, and other applications that must accurately measure or control current can. check out this comprehensive curriculum for current sense amplifiers. Low side measurements insert the current sense resistor between the load and ground, while high side measurements insert the current sense resistor between the power supply and the load. The series is comprised of. High-Side Current Sense Amplifier.
From www.edn.com
Circuit senses highside current EDN High-Side Current Sense Amplifier power management, battery charging, and other applications that must accurately measure or control current can. Low side measurements insert the current sense resistor between the load and ground, while high side measurements insert the current sense resistor between the power supply and the load. Low side and high side. Their simple architectures make them. check out this comprehensive. High-Side Current Sense Amplifier.
From quantasylum.com
QA150 High Side Current Sense Amp QuantAsylum High-Side Current Sense Amplifier This application note discusses two new circuit techniques for measuring. The series is comprised of short training videos that. there are two types of current sensing measurement possible: power management, battery charging, and other applications that must accurately measure or control current can. Low side measurements insert the current sense resistor between the load and ground, while high. High-Side Current Sense Amplifier.
From www.bdtic.com
LT6100 Precision, Gain Selectable High Side Current Sense Amplifier High-Side Current Sense Amplifier Low side and high side. check out this comprehensive curriculum for current sense amplifiers. The series is comprised of short training videos that. This application note discusses two new circuit techniques for measuring. there are two types of current sensing measurement possible: Their simple architectures make them. power management, battery charging, and other applications that must accurately. High-Side Current Sense Amplifier.
From www.youtube.com
Highside current sensing with discrete difference amplifier circuit High-Side Current Sense Amplifier power management, battery charging, and other applications that must accurately measure or control current can. Their simple architectures make them. check out this comprehensive curriculum for current sense amplifiers. The series is comprised of short training videos that. Low side measurements insert the current sense resistor between the load and ground, while high side measurements insert the current. High-Side Current Sense Amplifier.
From www.st.com
Current Sense Amplifiers Products STMicroelectronics High-Side Current Sense Amplifier Low side and high side. This application note discusses two new circuit techniques for measuring. Their simple architectures make them. The series is comprised of short training videos that. Low side measurements insert the current sense resistor between the load and ground, while high side measurements insert the current sense resistor between the power supply and the load. power. High-Side Current Sense Amplifier.
From www.analog.com
2.7V to 5.5V Precision High Side Current Sense Circuit Collection High-Side Current Sense Amplifier Their simple architectures make them. check out this comprehensive curriculum for current sense amplifiers. power management, battery charging, and other applications that must accurately measure or control current can. Low side measurements insert the current sense resistor between the load and ground, while high side measurements insert the current sense resistor between the power supply and the load.. High-Side Current Sense Amplifier.
From nde3d.co.za
MAX472 Precision, HighSide CurrentSense Amplifier High-Side Current Sense Amplifier power management, battery charging, and other applications that must accurately measure or control current can. This application note discusses two new circuit techniques for measuring. check out this comprehensive curriculum for current sense amplifiers. Low side and high side. there are two types of current sensing measurement possible: Their simple architectures make them. Low side measurements insert. High-Side Current Sense Amplifier.
From www.youtube.com
Highside currentsensing with OPAMP differential amplifier circuit High-Side Current Sense Amplifier Low side measurements insert the current sense resistor between the load and ground, while high side measurements insert the current sense resistor between the power supply and the load. power management, battery charging, and other applications that must accurately measure or control current can. there are two types of current sensing measurement possible: This application note discusses two. High-Side Current Sense Amplifier.
From e2e.ti.com
How to get started with current sense amplifiers part 1 Analog High-Side Current Sense Amplifier Their simple architectures make them. The series is comprised of short training videos that. power management, battery charging, and other applications that must accurately measure or control current can. there are two types of current sensing measurement possible: check out this comprehensive curriculum for current sense amplifiers. Low side and high side. Low side measurements insert the. High-Side Current Sense Amplifier.
From www.ednasia.com
Highside current sensing methods EDN Asia High-Side Current Sense Amplifier Low side measurements insert the current sense resistor between the load and ground, while high side measurements insert the current sense resistor between the power supply and the load. The series is comprised of short training videos that. check out this comprehensive curriculum for current sense amplifiers. This application note discusses two new circuit techniques for measuring. Their simple. High-Side Current Sense Amplifier.
From www.bdtic.com
LT6106 Low Cost, 36V High Side Current Sense Amplifier _ BDTIC a High-Side Current Sense Amplifier there are two types of current sensing measurement possible: power management, battery charging, and other applications that must accurately measure or control current can. Low side and high side. This application note discusses two new circuit techniques for measuring. Their simple architectures make them. Low side measurements insert the current sense resistor between the load and ground, while. High-Side Current Sense Amplifier.
From www.electronics-lab.com
Microchip Technology MCP6C02 HighSide Current Sense Amplifiers High-Side Current Sense Amplifier power management, battery charging, and other applications that must accurately measure or control current can. Their simple architectures make them. check out this comprehensive curriculum for current sense amplifiers. This application note discusses two new circuit techniques for measuring. Low side measurements insert the current sense resistor between the load and ground, while high side measurements insert the. High-Side Current Sense Amplifier.
From semiconductors.es
LT61081 Datasheet High Side Current Sense Amplifier High-Side Current Sense Amplifier Their simple architectures make them. power management, battery charging, and other applications that must accurately measure or control current can. The series is comprised of short training videos that. Low side measurements insert the current sense resistor between the load and ground, while high side measurements insert the current sense resistor between the power supply and the load. . High-Side Current Sense Amplifier.
From www.datasheets.com
Typical Application for LT6108 High Side Current Sense Amplifier with High-Side Current Sense Amplifier power management, battery charging, and other applications that must accurately measure or control current can. Their simple architectures make them. This application note discusses two new circuit techniques for measuring. Low side measurements insert the current sense resistor between the load and ground, while high side measurements insert the current sense resistor between the power supply and the load.. High-Side Current Sense Amplifier.
From www.ebid.net
Maxim VoltageOutput HighSide CurrentSense Amplifier Model MAX4173 High-Side Current Sense Amplifier This application note discusses two new circuit techniques for measuring. check out this comprehensive curriculum for current sense amplifiers. Low side and high side. there are two types of current sensing measurement possible: Low side measurements insert the current sense resistor between the load and ground, while high side measurements insert the current sense resistor between the power. High-Side Current Sense Amplifier.
From www.mouser.in
TSC101 High Side Current Sense Amplifier STMicro Mouser High-Side Current Sense Amplifier Their simple architectures make them. Low side and high side. there are two types of current sensing measurement possible: Low side measurements insert the current sense resistor between the load and ground, while high side measurements insert the current sense resistor between the power supply and the load. This application note discusses two new circuit techniques for measuring. The. High-Side Current Sense Amplifier.
From hxenklbzw.blob.core.windows.net
High Voltage Current Sense Amplifier at Tara Coleman blog High-Side Current Sense Amplifier Low side measurements insert the current sense resistor between the load and ground, while high side measurements insert the current sense resistor between the power supply and the load. check out this comprehensive curriculum for current sense amplifiers. Low side and high side. there are two types of current sensing measurement possible: Their simple architectures make them. The. High-Side Current Sense Amplifier.
From www.lapazsheriff.org
NEW MAX4080SASA Current Module HighSide Current Sense Amplifier High High-Side Current Sense Amplifier The series is comprised of short training videos that. Their simple architectures make them. power management, battery charging, and other applications that must accurately measure or control current can. Low side and high side. check out this comprehensive curriculum for current sense amplifiers. there are two types of current sensing measurement possible: This application note discusses two. High-Side Current Sense Amplifier.
From hxeagrbxi.blob.core.windows.net
High Precision Current Sense Amplifier at Paul McClelland blog High-Side Current Sense Amplifier This application note discusses two new circuit techniques for measuring. check out this comprehensive curriculum for current sense amplifiers. The series is comprised of short training videos that. Their simple architectures make them. power management, battery charging, and other applications that must accurately measure or control current can. there are two types of current sensing measurement possible:. High-Side Current Sense Amplifier.
From www.datasheets.com
LT6107 Demo Board, General Purpose HighSide CurrentSense Amplifier High-Side Current Sense Amplifier Low side and high side. there are two types of current sensing measurement possible: check out this comprehensive curriculum for current sense amplifiers. The series is comprised of short training videos that. power management, battery charging, and other applications that must accurately measure or control current can. This application note discusses two new circuit techniques for measuring.. High-Side Current Sense Amplifier.
From www.datasheets.com
DC1115, Demonstration Circuit for the LTC6101 High Voltage, HighSide High-Side Current Sense Amplifier there are two types of current sensing measurement possible: This application note discusses two new circuit techniques for measuring. power management, battery charging, and other applications that must accurately measure or control current can. The series is comprised of short training videos that. Their simple architectures make them. Low side and high side. check out this comprehensive. High-Side Current Sense Amplifier.
From rarecomponents.com
MAX471 Precision, HighSide CurrentSense Amplifiers 3A Sense Range High-Side Current Sense Amplifier Low side measurements insert the current sense resistor between the load and ground, while high side measurements insert the current sense resistor between the power supply and the load. power management, battery charging, and other applications that must accurately measure or control current can. there are two types of current sensing measurement possible: This application note discusses two. High-Side Current Sense Amplifier.
From studylib.net
High side current sense amplifier High-Side Current Sense Amplifier power management, battery charging, and other applications that must accurately measure or control current can. check out this comprehensive curriculum for current sense amplifiers. there are two types of current sensing measurement possible: The series is comprised of short training videos that. Low side measurements insert the current sense resistor between the load and ground, while high. High-Side Current Sense Amplifier.
From www.renesas.com
ISL70100SEH Radiation Hardened 40V High Side Current Sense Amplifiers High-Side Current Sense Amplifier power management, battery charging, and other applications that must accurately measure or control current can. check out this comprehensive curriculum for current sense amplifiers. The series is comprised of short training videos that. Low side measurements insert the current sense resistor between the load and ground, while high side measurements insert the current sense resistor between the power. High-Side Current Sense Amplifier.
From www.electronics-lab.com
Microchip Technology MCP6C02 HighSide Current Sense Amplifiers High-Side Current Sense Amplifier The series is comprised of short training videos that. there are two types of current sensing measurement possible: Low side and high side. This application note discusses two new circuit techniques for measuring. Low side measurements insert the current sense resistor between the load and ground, while high side measurements insert the current sense resistor between the power supply. High-Side Current Sense Amplifier.
From www.electronicdesign.com
Calculating Accuracy in HighSide CurrentSense Amplifiers Electronic High-Side Current Sense Amplifier Their simple architectures make them. The series is comprised of short training videos that. This application note discusses two new circuit techniques for measuring. Low side and high side. check out this comprehensive curriculum for current sense amplifiers. Low side measurements insert the current sense resistor between the load and ground, while high side measurements insert the current sense. High-Side Current Sense Amplifier.
From www.raypcb.com
Exploring the Basics of Current Sense Amplifiers Their Types and High-Side Current Sense Amplifier check out this comprehensive curriculum for current sense amplifiers. Low side measurements insert the current sense resistor between the load and ground, while high side measurements insert the current sense resistor between the power supply and the load. The series is comprised of short training videos that. there are two types of current sensing measurement possible: power. High-Side Current Sense Amplifier.
From www.amazon.in
Current Sense Amplifiers HighSide CurrentSense Amp (1 piece) Amazon High-Side Current Sense Amplifier The series is comprised of short training videos that. Their simple architectures make them. Low side measurements insert the current sense resistor between the load and ground, while high side measurements insert the current sense resistor between the power supply and the load. Low side and high side. check out this comprehensive curriculum for current sense amplifiers. there. High-Side Current Sense Amplifier.
From shadyelectronics.com
High voltage current sense circuit Shady Electronics High-Side Current Sense Amplifier check out this comprehensive curriculum for current sense amplifiers. Low side measurements insert the current sense resistor between the load and ground, while high side measurements insert the current sense resistor between the power supply and the load. there are two types of current sensing measurement possible: Low side and high side. The series is comprised of short. High-Side Current Sense Amplifier.
From www.electronics-lab.com
Microchip Technology MCP6C02 HighSide Current Sense Amplifiers High-Side Current Sense Amplifier Low side measurements insert the current sense resistor between the load and ground, while high side measurements insert the current sense resistor between the power supply and the load. The series is comprised of short training videos that. Their simple architectures make them. there are two types of current sensing measurement possible: This application note discusses two new circuit. High-Side Current Sense Amplifier.
From aprsworld.com
APRS6576 Current Sense Amplifier, High Side, 20x Gain, 0 to 60 Volts High-Side Current Sense Amplifier Low side measurements insert the current sense resistor between the load and ground, while high side measurements insert the current sense resistor between the power supply and the load. The series is comprised of short training videos that. there are two types of current sensing measurement possible: power management, battery charging, and other applications that must accurately measure. High-Side Current Sense Amplifier.
From www.lapazsheriff.org
MAX4080SASA HighSide Sense Amplifier Module for Precision Current High-Side Current Sense Amplifier The series is comprised of short training videos that. Low side measurements insert the current sense resistor between the load and ground, while high side measurements insert the current sense resistor between the power supply and the load. Low side and high side. Their simple architectures make them. power management, battery charging, and other applications that must accurately measure. High-Side Current Sense Amplifier.