Ph Control Loop . The control valve does respond, just not very well. The aim of the process is to change the ph in the. The challenge results from variable product flow rates and the highly nonlinear ph. The control of ph is at best very difficult with a conventional pid control loop (figure 1). Good ph control can be important for product quality as well as environmental. In this instance it is a single ph loop with a single valve for ph control. Many chemical and biological processes have ph control loops.
from pignat.com
The challenge results from variable product flow rates and the highly nonlinear ph. The control valve does respond, just not very well. Many chemical and biological processes have ph control loops. Good ph control can be important for product quality as well as environmental. The control of ph is at best very difficult with a conventional pid control loop (figure 1). In this instance it is a single ph loop with a single valve for ph control. The aim of the process is to change the ph in the.
pH Control
Ph Control Loop The challenge results from variable product flow rates and the highly nonlinear ph. Good ph control can be important for product quality as well as environmental. In this instance it is a single ph loop with a single valve for ph control. The control of ph is at best very difficult with a conventional pid control loop (figure 1). Many chemical and biological processes have ph control loops. The challenge results from variable product flow rates and the highly nonlinear ph. The aim of the process is to change the ph in the. The control valve does respond, just not very well.
From www.researchgate.net
The experimental setup used in continuous pH control and H 2 gas Ph Control Loop The challenge results from variable product flow rates and the highly nonlinear ph. The control valve does respond, just not very well. The control of ph is at best very difficult with a conventional pid control loop (figure 1). Good ph control can be important for product quality as well as environmental. Many chemical and biological processes have ph control. Ph Control Loop.
From www.researchgate.net
Schematic diagram of experimental set up with pH control loop and Ph Control Loop The challenge results from variable product flow rates and the highly nonlinear ph. The control of ph is at best very difficult with a conventional pid control loop (figure 1). The control valve does respond, just not very well. The aim of the process is to change the ph in the. Many chemical and biological processes have ph control loops.. Ph Control Loop.
From vitalfluid.com
pH controller VitalFluid Ph Control Loop The aim of the process is to change the ph in the. The control valve does respond, just not very well. The challenge results from variable product flow rates and the highly nonlinear ph. The control of ph is at best very difficult with a conventional pid control loop (figure 1). Good ph control can be important for product quality. Ph Control Loop.
From www.slideserve.com
PPT PH Controller PowerPoint Presentation, free download ID1495747 Ph Control Loop The challenge results from variable product flow rates and the highly nonlinear ph. The control of ph is at best very difficult with a conventional pid control loop (figure 1). Good ph control can be important for product quality as well as environmental. In this instance it is a single ph loop with a single valve for ph control. Many. Ph Control Loop.
From control.com
Splitrange Control Basic Principles of Control Valves and Actuators Ph Control Loop The aim of the process is to change the ph in the. In this instance it is a single ph loop with a single valve for ph control. Many chemical and biological processes have ph control loops. The control of ph is at best very difficult with a conventional pid control loop (figure 1). Good ph control can be important. Ph Control Loop.
From www.researchgate.net
General structure of the adaptive pH control system Download Ph Control Loop The control valve does respond, just not very well. The aim of the process is to change the ph in the. The control of ph is at best very difficult with a conventional pid control loop (figure 1). Good ph control can be important for product quality as well as environmental. Many chemical and biological processes have ph control loops.. Ph Control Loop.
From www.cybosoft.com
CyboSoftReleasespHControlSystemDesignGuide Ph Control Loop Good ph control can be important for product quality as well as environmental. The control valve does respond, just not very well. In this instance it is a single ph loop with a single valve for ph control. Many chemical and biological processes have ph control loops. The aim of the process is to change the ph in the. The. Ph Control Loop.
From www.researchgate.net
pH ON/OFF control system flow chart Download Scientific Diagram Ph Control Loop Many chemical and biological processes have ph control loops. The challenge results from variable product flow rates and the highly nonlinear ph. In this instance it is a single ph loop with a single valve for ph control. The control valve does respond, just not very well. The aim of the process is to change the ph in the. Good. Ph Control Loop.
From blog.opticontrols.com
A pH Control Success Story Control Notes Ph Control Loop Good ph control can be important for product quality as well as environmental. Many chemical and biological processes have ph control loops. The control valve does respond, just not very well. The aim of the process is to change the ph in the. The challenge results from variable product flow rates and the highly nonlinear ph. The control of ph. Ph Control Loop.
From ebrary.net
Chemical Treatment Environmental Impacts of Mining Monitoring Ph Control Loop Many chemical and biological processes have ph control loops. The control of ph is at best very difficult with a conventional pid control loop (figure 1). Good ph control can be important for product quality as well as environmental. The challenge results from variable product flow rates and the highly nonlinear ph. The aim of the process is to change. Ph Control Loop.
From www.eurotherm.com
pH Control in Fermentor, Reactor, WFI, CIP Skid Eurotherm Ph Control Loop The challenge results from variable product flow rates and the highly nonlinear ph. The control of ph is at best very difficult with a conventional pid control loop (figure 1). Good ph control can be important for product quality as well as environmental. The aim of the process is to change the ph in the. In this instance it is. Ph Control Loop.
From www.researchgate.net
pH control profile with a setpoint of 7.10 ± 0.05. A Initial test run Ph Control Loop The control of ph is at best very difficult with a conventional pid control loop (figure 1). In this instance it is a single ph loop with a single valve for ph control. The challenge results from variable product flow rates and the highly nonlinear ph. The control valve does respond, just not very well. The aim of the process. Ph Control Loop.
From redesign.911metallurgist.com
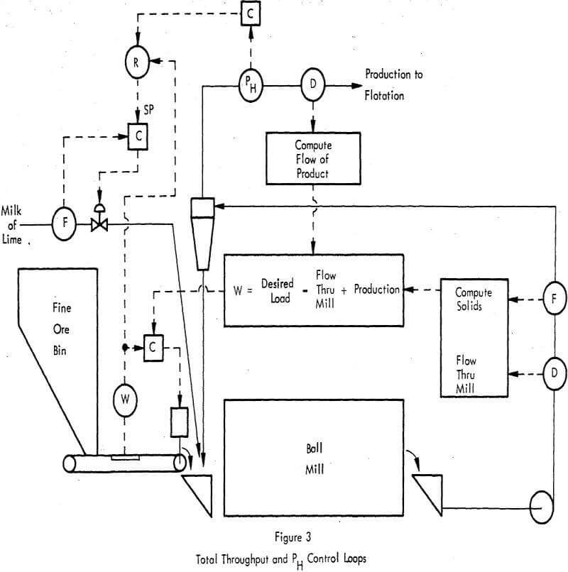
Basic Control Strategy for Mineral Processing Metallurgist & Mineral Ph Control Loop In this instance it is a single ph loop with a single valve for ph control. Many chemical and biological processes have ph control loops. Good ph control can be important for product quality as well as environmental. The challenge results from variable product flow rates and the highly nonlinear ph. The control of ph is at best very difficult. Ph Control Loop.
From www.researchgate.net
pH control profile with a setpoint of 7.10 ± 0.05. A Initial test run Ph Control Loop Many chemical and biological processes have ph control loops. The control valve does respond, just not very well. The control of ph is at best very difficult with a conventional pid control loop (figure 1). The challenge results from variable product flow rates and the highly nonlinear ph. Good ph control can be important for product quality as well as. Ph Control Loop.
From forumautomation.com
How to control pH of a solution? Industrial Automation Industrial Ph Control Loop Good ph control can be important for product quality as well as environmental. The aim of the process is to change the ph in the. The control valve does respond, just not very well. The control of ph is at best very difficult with a conventional pid control loop (figure 1). Many chemical and biological processes have ph control loops.. Ph Control Loop.
From www.researchgate.net
Measured pH, final tuning at 9h00m lowers the pH and the controller Ph Control Loop The control of ph is at best very difficult with a conventional pid control loop (figure 1). The aim of the process is to change the ph in the. Many chemical and biological processes have ph control loops. In this instance it is a single ph loop with a single valve for ph control. The challenge results from variable product. Ph Control Loop.
From file.scirp.org
Modeling and Control of pH in Pulp and Paper Wastewater Treatment Process Ph Control Loop In this instance it is a single ph loop with a single valve for ph control. The challenge results from variable product flow rates and the highly nonlinear ph. Many chemical and biological processes have ph control loops. Good ph control can be important for product quality as well as environmental. The control valve does respond, just not very well.. Ph Control Loop.
From www.intec-america.com
Things You Must Know About pH Control and Drinking Water Treatment Ph Control Loop Many chemical and biological processes have ph control loops. The challenge results from variable product flow rates and the highly nonlinear ph. The aim of the process is to change the ph in the. The control valve does respond, just not very well. The control of ph is at best very difficult with a conventional pid control loop (figure 1).. Ph Control Loop.
From letstalkscience.ca
Introduction to Homeostasis and Regulation Let's Talk Science Ph Control Loop Good ph control can be important for product quality as well as environmental. The control of ph is at best very difficult with a conventional pid control loop (figure 1). Many chemical and biological processes have ph control loops. The aim of the process is to change the ph in the. The challenge results from variable product flow rates and. Ph Control Loop.
From www.studocu.com
Lab 4 cmt 350 Experiment 4 CMT 350 process instrumentation Ph Control Loop Good ph control can be important for product quality as well as environmental. Many chemical and biological processes have ph control loops. The challenge results from variable product flow rates and the highly nonlinear ph. In this instance it is a single ph loop with a single valve for ph control. The aim of the process is to change the. Ph Control Loop.
From www.researchgate.net
(PDF) Tuning of a pH Control Loop in a Kaolin Mining Process Ph Control Loop The control valve does respond, just not very well. The challenge results from variable product flow rates and the highly nonlinear ph. Good ph control can be important for product quality as well as environmental. In this instance it is a single ph loop with a single valve for ph control. The control of ph is at best very difficult. Ph Control Loop.
From pignat.com
pH Control Ph Control Loop The challenge results from variable product flow rates and the highly nonlinear ph. The control of ph is at best very difficult with a conventional pid control loop (figure 1). The control valve does respond, just not very well. Good ph control can be important for product quality as well as environmental. The aim of the process is to change. Ph Control Loop.
From www.youtube.com
FlowTech Introduction to pH Control Loops YouTube Ph Control Loop The control valve does respond, just not very well. The aim of the process is to change the ph in the. The challenge results from variable product flow rates and the highly nonlinear ph. In this instance it is a single ph loop with a single valve for ph control. Many chemical and biological processes have ph control loops. Good. Ph Control Loop.
From www.researchgate.net
OCI in terms of pH sp for cascade O 2 control þ pH control Download Ph Control Loop The challenge results from variable product flow rates and the highly nonlinear ph. In this instance it is a single ph loop with a single valve for ph control. The control valve does respond, just not very well. Good ph control can be important for product quality as well as environmental. Many chemical and biological processes have ph control loops.. Ph Control Loop.
From www.researchgate.net
Schematic of the experimental setup for pH control. Download Ph Control Loop Many chemical and biological processes have ph control loops. The aim of the process is to change the ph in the. In this instance it is a single ph loop with a single valve for ph control. The challenge results from variable product flow rates and the highly nonlinear ph. Good ph control can be important for product quality as. Ph Control Loop.
From www.researchgate.net
Schematic diagram of experimental setup with pH control loop and Ph Control Loop The aim of the process is to change the ph in the. Many chemical and biological processes have ph control loops. The control valve does respond, just not very well. The challenge results from variable product flow rates and the highly nonlinear ph. Good ph control can be important for product quality as well as environmental. In this instance it. Ph Control Loop.
From mungfali.com
Ph Detection Ph Control Loop The aim of the process is to change the ph in the. The control of ph is at best very difficult with a conventional pid control loop (figure 1). In this instance it is a single ph loop with a single valve for ph control. The control valve does respond, just not very well. The challenge results from variable product. Ph Control Loop.
From www.researchgate.net
pH Response for Different Control Modes. Download Scientific Diagram Ph Control Loop The aim of the process is to change the ph in the. The control valve does respond, just not very well. Many chemical and biological processes have ph control loops. The control of ph is at best very difficult with a conventional pid control loop (figure 1). The challenge results from variable product flow rates and the highly nonlinear ph.. Ph Control Loop.
From www.researchgate.net
Schematic of the experimental layout showing the control loop and one Ph Control Loop The control of ph is at best very difficult with a conventional pid control loop (figure 1). Many chemical and biological processes have ph control loops. Good ph control can be important for product quality as well as environmental. In this instance it is a single ph loop with a single valve for ph control. The control valve does respond,. Ph Control Loop.
From www.researchgate.net
Effects of combined strategy of twostage pH control with... Download Ph Control Loop The challenge results from variable product flow rates and the highly nonlinear ph. Many chemical and biological processes have ph control loops. The control valve does respond, just not very well. The aim of the process is to change the ph in the. In this instance it is a single ph loop with a single valve for ph control. The. Ph Control Loop.
From www.researchgate.net
pH control profile with a setpoint of 7.10 ± 0.05. A Initial test run Ph Control Loop In this instance it is a single ph loop with a single valve for ph control. The control of ph is at best very difficult with a conventional pid control loop (figure 1). The challenge results from variable product flow rates and the highly nonlinear ph. The aim of the process is to change the ph in the. Many chemical. Ph Control Loop.
From www.researchgate.net
Measured pH along the tuning process Download Scientific Diagram Ph Control Loop Good ph control can be important for product quality as well as environmental. The control of ph is at best very difficult with a conventional pid control loop (figure 1). The challenge results from variable product flow rates and the highly nonlinear ph. The control valve does respond, just not very well. Many chemical and biological processes have ph control. Ph Control Loop.
From www.researchgate.net
A schematic diagram of a process control system for controlling pH Ph Control Loop The challenge results from variable product flow rates and the highly nonlinear ph. Good ph control can be important for product quality as well as environmental. The control valve does respond, just not very well. The control of ph is at best very difficult with a conventional pid control loop (figure 1). Many chemical and biological processes have ph control. Ph Control Loop.
From www.researchgate.net
2 Section 2 from Fig. 4 expanded to show programmatic detail. Depicts Ph Control Loop Good ph control can be important for product quality as well as environmental. The control of ph is at best very difficult with a conventional pid control loop (figure 1). The control valve does respond, just not very well. The aim of the process is to change the ph in the. The challenge results from variable product flow rates and. Ph Control Loop.
From simtronics.com
SPM1800 Instrumentation IV pH Control Simtronics SPM Series Ph Control Loop The challenge results from variable product flow rates and the highly nonlinear ph. The control valve does respond, just not very well. Many chemical and biological processes have ph control loops. The aim of the process is to change the ph in the. In this instance it is a single ph loop with a single valve for ph control. Good. Ph Control Loop.