Side Airbag Igniter Frt Pass Side . Passenger side (stec06) there is a tsb for that fault. If they are good then replace the seat airbag harness and the seat bag. Side upper limit exceeded active we've removed the seat and checked all. check the connections under the seat. I would inspect wires to seat and under the seat. I checked the connectors under. just '01218 side airbag igniter, frt. correct, it is in the side of the seat. Side' as read by my autophix ap7610.
from www.audi-sport.net
I would inspect wires to seat and under the seat. Side' as read by my autophix ap7610. I checked the connectors under. If they are good then replace the seat airbag harness and the seat bag. just '01218 side airbag igniter, frt. check the connections under the seat. Passenger side (stec06) there is a tsb for that fault. correct, it is in the side of the seat. Side upper limit exceeded active we've removed the seat and checked all.
DTC 01217 driver side airbag igniter
Side Airbag Igniter Frt Pass Side just '01218 side airbag igniter, frt. I would inspect wires to seat and under the seat. Side' as read by my autophix ap7610. correct, it is in the side of the seat. If they are good then replace the seat airbag harness and the seat bag. check the connections under the seat. Side upper limit exceeded active we've removed the seat and checked all. just '01218 side airbag igniter, frt. I checked the connectors under. Passenger side (stec06) there is a tsb for that fault.
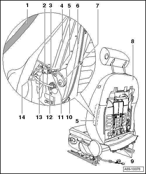
From www.vwgolf.org
Volkswagen Golf Service & Repair Manual Assembly overview front Side Airbag Igniter Frt Pass Side Side' as read by my autophix ap7610. just '01218 side airbag igniter, frt. I would inspect wires to seat and under the seat. If they are good then replace the seat airbag harness and the seat bag. correct, it is in the side of the seat. check the connections under the seat. Side upper limit exceeded active. Side Airbag Igniter Frt Pass Side.
From www.youtube.com
B1346 DRIVER FRONT AIRBAG RESISTANCE TOO HIGH AIRBAG LIGHT GLOWING Side Airbag Igniter Frt Pass Side correct, it is in the side of the seat. Side upper limit exceeded active we've removed the seat and checked all. check the connections under the seat. I checked the connectors under. If they are good then replace the seat airbag harness and the seat bag. Passenger side (stec06) there is a tsb for that fault. just. Side Airbag Igniter Frt Pass Side.
From www.youtube.com
How to clear fault codes with VCDS Airbag Igniter 1 Passenger Side Side Airbag Igniter Frt Pass Side If they are good then replace the seat airbag harness and the seat bag. I would inspect wires to seat and under the seat. check the connections under the seat. Passenger side (stec06) there is a tsb for that fault. Side' as read by my autophix ap7610. I checked the connectors under. correct, it is in the side. Side Airbag Igniter Frt Pass Side.
From www.youtube.com
AUDI A6 Airbag B100A1B Front passenger side airbag igniter, Resistance Side Airbag Igniter Frt Pass Side check the connections under the seat. If they are good then replace the seat airbag harness and the seat bag. just '01218 side airbag igniter, frt. Side upper limit exceeded active we've removed the seat and checked all. I checked the connectors under. Passenger side (stec06) there is a tsb for that fault. I would inspect wires to. Side Airbag Igniter Frt Pass Side.
From www.vwgolf.org
Volkswagen Golf Service & Repair Manual Assembly overview front Side Airbag Igniter Frt Pass Side Side' as read by my autophix ap7610. check the connections under the seat. correct, it is in the side of the seat. Passenger side (stec06) there is a tsb for that fault. If they are good then replace the seat airbag harness and the seat bag. I checked the connectors under. I would inspect wires to seat and. Side Airbag Igniter Frt Pass Side.
From www.newbeetle.org
How can I fix 01218002 side airbag igniter lower limit not reached Side Airbag Igniter Frt Pass Side Side' as read by my autophix ap7610. I would inspect wires to seat and under the seat. I checked the connectors under. Passenger side (stec06) there is a tsb for that fault. correct, it is in the side of the seat. Side upper limit exceeded active we've removed the seat and checked all. just '01218 side airbag igniter,. Side Airbag Igniter Frt Pass Side.
From workshop-manuals.com
Audi Manuals > A4 Mk3 > Body > General body repairs, interior Side Airbag Igniter Frt Pass Side just '01218 side airbag igniter, frt. I would inspect wires to seat and under the seat. Side' as read by my autophix ap7610. check the connections under the seat. Passenger side (stec06) there is a tsb for that fault. correct, it is in the side of the seat. Side upper limit exceeded active we've removed the seat. Side Airbag Igniter Frt Pass Side.
From workshop-manuals.com
Volkswagen Service and Repair Manuals > Up! > Body General Side Airbag Igniter Frt Pass Side If they are good then replace the seat airbag harness and the seat bag. I would inspect wires to seat and under the seat. I checked the connectors under. correct, it is in the side of the seat. just '01218 side airbag igniter, frt. Passenger side (stec06) there is a tsb for that fault. Side upper limit exceeded. Side Airbag Igniter Frt Pass Side.
From www.newbeetle.org
How can I fix 01218002 side airbag igniter lower limit not reached Side Airbag Igniter Frt Pass Side check the connections under the seat. Side' as read by my autophix ap7610. If they are good then replace the seat airbag harness and the seat bag. just '01218 side airbag igniter, frt. correct, it is in the side of the seat. Side upper limit exceeded active we've removed the seat and checked all. I checked the. Side Airbag Igniter Frt Pass Side.
From www.youtube.com
How to fix “Passenger Airbag OFF” warning light in your car. YouTube Side Airbag Igniter Frt Pass Side just '01218 side airbag igniter, frt. Side upper limit exceeded active we've removed the seat and checked all. check the connections under the seat. correct, it is in the side of the seat. If they are good then replace the seat airbag harness and the seat bag. I would inspect wires to seat and under the seat.. Side Airbag Igniter Frt Pass Side.
From foorum.vwklubi.eu
Passat B5 Airbag Igniter 1; Passenger Side (N131) Eesti Volkswageni Side Airbag Igniter Frt Pass Side Side' as read by my autophix ap7610. Passenger side (stec06) there is a tsb for that fault. I would inspect wires to seat and under the seat. just '01218 side airbag igniter, frt. correct, it is in the side of the seat. check the connections under the seat. Side upper limit exceeded active we've removed the seat. Side Airbag Igniter Frt Pass Side.
From workshop-manuals.com
SEAT Manuals > Leon Mk2 > Body > Bodywork Interior fitting Side Airbag Igniter Frt Pass Side check the connections under the seat. Side upper limit exceeded active we've removed the seat and checked all. I checked the connectors under. Side' as read by my autophix ap7610. I would inspect wires to seat and under the seat. correct, it is in the side of the seat. Passenger side (stec06) there is a tsb for that. Side Airbag Igniter Frt Pass Side.
From exykzllvw.blob.core.windows.net
Side Airbag Igniter at Timothy Waltrip blog Side Airbag Igniter Frt Pass Side I checked the connectors under. Passenger side (stec06) there is a tsb for that fault. check the connections under the seat. Side upper limit exceeded active we've removed the seat and checked all. Side' as read by my autophix ap7610. I would inspect wires to seat and under the seat. correct, it is in the side of the. Side Airbag Igniter Frt Pass Side.
From workshop-manuals.com
Audi Service and Repair Manuals > A4 Mk2 > Body General body Side Airbag Igniter Frt Pass Side Side' as read by my autophix ap7610. I would inspect wires to seat and under the seat. just '01218 side airbag igniter, frt. If they are good then replace the seat airbag harness and the seat bag. correct, it is in the side of the seat. I checked the connectors under. Passenger side (stec06) there is a tsb. Side Airbag Igniter Frt Pass Side.
From www.audiworld.com
Passenger Airbag Harness Missing? AudiWorld Forums Side Airbag Igniter Frt Pass Side If they are good then replace the seat airbag harness and the seat bag. I would inspect wires to seat and under the seat. Side' as read by my autophix ap7610. just '01218 side airbag igniter, frt. Side upper limit exceeded active we've removed the seat and checked all. check the connections under the seat. correct, it. Side Airbag Igniter Frt Pass Side.
From workshop-manuals.com
Volkswagen Service and Repair Manuals > Up! > Body General Side Airbag Igniter Frt Pass Side Side' as read by my autophix ap7610. If they are good then replace the seat airbag harness and the seat bag. just '01218 side airbag igniter, frt. I checked the connectors under. I would inspect wires to seat and under the seat. Passenger side (stec06) there is a tsb for that fault. Side upper limit exceeded active we've removed. Side Airbag Igniter Frt Pass Side.
From www.clubtouareg.com
Fault Code Airbag Igniter; Driver Side Club Touareg Forums Side Airbag Igniter Frt Pass Side I would inspect wires to seat and under the seat. I checked the connectors under. Passenger side (stec06) there is a tsb for that fault. Side upper limit exceeded active we've removed the seat and checked all. check the connections under the seat. correct, it is in the side of the seat. If they are good then replace. Side Airbag Igniter Frt Pass Side.
From buildingmarbl.web.fc2.com
Drivers Side Airbag Igniter Side Airbag Igniter Frt Pass Side If they are good then replace the seat airbag harness and the seat bag. I checked the connectors under. Side' as read by my autophix ap7610. I would inspect wires to seat and under the seat. correct, it is in the side of the seat. check the connections under the seat. just '01218 side airbag igniter, frt.. Side Airbag Igniter Frt Pass Side.
From www.youtube.com
VW GOLF 5 side airbag igniter,driver side.01217. YouTube Side Airbag Igniter Frt Pass Side check the connections under the seat. correct, it is in the side of the seat. Side upper limit exceeded active we've removed the seat and checked all. I would inspect wires to seat and under the seat. Passenger side (stec06) there is a tsb for that fault. Side' as read by my autophix ap7610. If they are good. Side Airbag Igniter Frt Pass Side.
From uk-mkivs.net
[Mk4 Golf] Side Passenger Airbag Code 01218 Audio, Electrics and Side Airbag Igniter Frt Pass Side If they are good then replace the seat airbag harness and the seat bag. Side' as read by my autophix ap7610. I checked the connectors under. correct, it is in the side of the seat. check the connections under the seat. Side upper limit exceeded active we've removed the seat and checked all. I would inspect wires to. Side Airbag Igniter Frt Pass Side.
From www.audi-sport.net
DTC 01217 driver side airbag igniter Side Airbag Igniter Frt Pass Side If they are good then replace the seat airbag harness and the seat bag. Passenger side (stec06) there is a tsb for that fault. check the connections under the seat. I would inspect wires to seat and under the seat. Side' as read by my autophix ap7610. Side upper limit exceeded active we've removed the seat and checked all.. Side Airbag Igniter Frt Pass Side.
From www.vwvortex.com
need help for 00588 Airbag Igniter; Driver Side (N95) banghead VW Side Airbag Igniter Frt Pass Side I would inspect wires to seat and under the seat. correct, it is in the side of the seat. Side upper limit exceeded active we've removed the seat and checked all. If they are good then replace the seat airbag harness and the seat bag. check the connections under the seat. I checked the connectors under. Passenger side. Side Airbag Igniter Frt Pass Side.
From turbabitvids.weebly.com
Скачать 00588 Airbag Igniter Driver Side N95 turbabitvids Side Airbag Igniter Frt Pass Side If they are good then replace the seat airbag harness and the seat bag. Side' as read by my autophix ap7610. I checked the connectors under. Side upper limit exceeded active we've removed the seat and checked all. check the connections under the seat. correct, it is in the side of the seat. Passenger side (stec06) there is. Side Airbag Igniter Frt Pass Side.
From www.newbeetle.org
How can I fix 01218002 side airbag igniter lower limit not reached Side Airbag Igniter Frt Pass Side Side' as read by my autophix ap7610. just '01218 side airbag igniter, frt. correct, it is in the side of the seat. Side upper limit exceeded active we've removed the seat and checked all. I would inspect wires to seat and under the seat. Passenger side (stec06) there is a tsb for that fault. I checked the connectors. Side Airbag Igniter Frt Pass Side.
From www.vwgolf.org
Volkswagen Golf Service & Repair Manual Removing and installing Side Airbag Igniter Frt Pass Side Side' as read by my autophix ap7610. If they are good then replace the seat airbag harness and the seat bag. correct, it is in the side of the seat. Side upper limit exceeded active we've removed the seat and checked all. just '01218 side airbag igniter, frt. I would inspect wires to seat and under the seat.. Side Airbag Igniter Frt Pass Side.
From workshop-manuals.com
Audi Service and Repair Manuals > A4 Mk2 > Body General body Side Airbag Igniter Frt Pass Side I checked the connectors under. I would inspect wires to seat and under the seat. If they are good then replace the seat airbag harness and the seat bag. Side' as read by my autophix ap7610. just '01218 side airbag igniter, frt. check the connections under the seat. correct, it is in the side of the seat.. Side Airbag Igniter Frt Pass Side.
From www.audi-sport.net
NEED HELP! Passenger seat air bag igniter. Code 01218 (N200) Audi Side Airbag Igniter Frt Pass Side check the connections under the seat. I would inspect wires to seat and under the seat. Passenger side (stec06) there is a tsb for that fault. Side' as read by my autophix ap7610. Side upper limit exceeded active we've removed the seat and checked all. just '01218 side airbag igniter, frt. If they are good then replace the. Side Airbag Igniter Frt Pass Side.
From www.youtube.com
Audi Q7 Curtain Side Airbag Igniter Location How to Access YouTube Side Airbag Igniter Frt Pass Side check the connections under the seat. If they are good then replace the seat airbag harness and the seat bag. I would inspect wires to seat and under the seat. I checked the connectors under. Side upper limit exceeded active we've removed the seat and checked all. Side' as read by my autophix ap7610. Passenger side (stec06) there is. Side Airbag Igniter Frt Pass Side.
From www.passatworld.com
Passenger side airbag code Volkswagen Passat Forum Side Airbag Igniter Frt Pass Side just '01218 side airbag igniter, frt. Passenger side (stec06) there is a tsb for that fault. If they are good then replace the seat airbag harness and the seat bag. I would inspect wires to seat and under the seat. Side upper limit exceeded active we've removed the seat and checked all. correct, it is in the side. Side Airbag Igniter Frt Pass Side.
From techinfo.honda.com
Airbag System Components 2023 Accord Hybrid Honda Side Airbag Igniter Frt Pass Side Side' as read by my autophix ap7610. Side upper limit exceeded active we've removed the seat and checked all. I would inspect wires to seat and under the seat. If they are good then replace the seat airbag harness and the seat bag. I checked the connectors under. just '01218 side airbag igniter, frt. check the connections under. Side Airbag Igniter Frt Pass Side.
From exywejxvp.blob.core.windows.net
Airbag Igniter Fault Code at Kenyatta Spratt blog Side Airbag Igniter Frt Pass Side Side upper limit exceeded active we've removed the seat and checked all. check the connections under the seat. I would inspect wires to seat and under the seat. correct, it is in the side of the seat. Passenger side (stec06) there is a tsb for that fault. just '01218 side airbag igniter, frt. I checked the connectors. Side Airbag Igniter Frt Pass Side.
From www.youtube.com
Side Airbag Igniter Passenger Side N200 YouTube Side Airbag Igniter Frt Pass Side check the connections under the seat. just '01218 side airbag igniter, frt. correct, it is in the side of the seat. Side upper limit exceeded active we've removed the seat and checked all. Passenger side (stec06) there is a tsb for that fault. If they are good then replace the seat airbag harness and the seat bag.. Side Airbag Igniter Frt Pass Side.
From exytjggyz.blob.core.windows.net
Airbag Igniter Resistance Too Low at Philip Burruss blog Side Airbag Igniter Frt Pass Side Side upper limit exceeded active we've removed the seat and checked all. Passenger side (stec06) there is a tsb for that fault. correct, it is in the side of the seat. If they are good then replace the seat airbag harness and the seat bag. Side' as read by my autophix ap7610. I checked the connectors under. I would. Side Airbag Igniter Frt Pass Side.
From www.youtube.com
VW Fault 01217 Side Airbag Igniter Driver Side N199 Upper Limit Side Airbag Igniter Frt Pass Side I would inspect wires to seat and under the seat. just '01218 side airbag igniter, frt. correct, it is in the side of the seat. Side upper limit exceeded active we've removed the seat and checked all. check the connections under the seat. Side' as read by my autophix ap7610. Passenger side (stec06) there is a tsb. Side Airbag Igniter Frt Pass Side.
From www.audiforums.com
AUDI S5 B8 Airbag Failure [Resistance too large on driver side with Side Airbag Igniter Frt Pass Side check the connections under the seat. correct, it is in the side of the seat. just '01218 side airbag igniter, frt. I checked the connectors under. Side upper limit exceeded active we've removed the seat and checked all. I would inspect wires to seat and under the seat. Side' as read by my autophix ap7610. Passenger side. Side Airbag Igniter Frt Pass Side.