Power Mosfets In Parallel . With a need for paralleling of mosfets in a power converter, the design engineer is faced with a topic of uneven current sharing and imbalance. In the first topology, a booster pfc is developed using two power mosfets connected directly in parallel (figure 1). Since power mosfets are not susceptible to thermal runaway, it is generally easier to parallel multiple power mosfets than bipolar. This interactive application note examines how current sharing imbalances between paralleled. In this case, two different. One much publicized benefit of power mosfets (compared to other semiconductor devices) is that it is easy to parallel them to create a group with. See how to use and simulate power mosfets in this article. You can use power mosfets in series or parallel arrangements.
from electricala2z.com
One much publicized benefit of power mosfets (compared to other semiconductor devices) is that it is easy to parallel them to create a group with. This interactive application note examines how current sharing imbalances between paralleled. In the first topology, a booster pfc is developed using two power mosfets connected directly in parallel (figure 1). Since power mosfets are not susceptible to thermal runaway, it is generally easier to parallel multiple power mosfets than bipolar. With a need for paralleling of mosfets in a power converter, the design engineer is faced with a topic of uneven current sharing and imbalance. See how to use and simulate power mosfets in this article. You can use power mosfets in series or parallel arrangements. In this case, two different.
MOSFET Types Working Applications Electrical A2Z
Power Mosfets In Parallel Since power mosfets are not susceptible to thermal runaway, it is generally easier to parallel multiple power mosfets than bipolar. You can use power mosfets in series or parallel arrangements. This interactive application note examines how current sharing imbalances between paralleled. In this case, two different. In the first topology, a booster pfc is developed using two power mosfets connected directly in parallel (figure 1). With a need for paralleling of mosfets in a power converter, the design engineer is faced with a topic of uneven current sharing and imbalance. One much publicized benefit of power mosfets (compared to other semiconductor devices) is that it is easy to parallel them to create a group with. Since power mosfets are not susceptible to thermal runaway, it is generally easier to parallel multiple power mosfets than bipolar. See how to use and simulate power mosfets in this article.
From blog.csdn.net
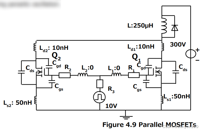
Using power MOSFETs in parallel_drv3255CSDN博客 Power Mosfets In Parallel You can use power mosfets in series or parallel arrangements. See how to use and simulate power mosfets in this article. In the first topology, a booster pfc is developed using two power mosfets connected directly in parallel (figure 1). In this case, two different. One much publicized benefit of power mosfets (compared to other semiconductor devices) is that it. Power Mosfets In Parallel.
From studylib.net
Parallel Operation of Power MOSFETs Power Mosfets In Parallel See how to use and simulate power mosfets in this article. This interactive application note examines how current sharing imbalances between paralleled. One much publicized benefit of power mosfets (compared to other semiconductor devices) is that it is easy to parallel them to create a group with. You can use power mosfets in series or parallel arrangements. In this case,. Power Mosfets In Parallel.
From blog.csdn.net
Using power MOSFETs in parallel_drv3255CSDN博客 Power Mosfets In Parallel You can use power mosfets in series or parallel arrangements. With a need for paralleling of mosfets in a power converter, the design engineer is faced with a topic of uneven current sharing and imbalance. See how to use and simulate power mosfets in this article. This interactive application note examines how current sharing imbalances between paralleled. One much publicized. Power Mosfets In Parallel.
From blog.csdn.net
Using power MOSFETs in parallel_drv3255CSDN博客 Power Mosfets In Parallel One much publicized benefit of power mosfets (compared to other semiconductor devices) is that it is easy to parallel them to create a group with. See how to use and simulate power mosfets in this article. In the first topology, a booster pfc is developed using two power mosfets connected directly in parallel (figure 1). Since power mosfets are not. Power Mosfets In Parallel.
From blogclothes437.weebly.com
Mosfets In Parallel Power Mosfets In Parallel One much publicized benefit of power mosfets (compared to other semiconductor devices) is that it is easy to parallel them to create a group with. You can use power mosfets in series or parallel arrangements. Since power mosfets are not susceptible to thermal runaway, it is generally easier to parallel multiple power mosfets than bipolar. In the first topology, a. Power Mosfets In Parallel.
From blog.csdn.net
Using power MOSFETs in parallel_drv3255CSDN博客 Power Mosfets In Parallel With a need for paralleling of mosfets in a power converter, the design engineer is faced with a topic of uneven current sharing and imbalance. In the first topology, a booster pfc is developed using two power mosfets connected directly in parallel (figure 1). One much publicized benefit of power mosfets (compared to other semiconductor devices) is that it is. Power Mosfets In Parallel.
From blog.csdn.net
Using power MOSFETs in parallel_drv3255CSDN博客 Power Mosfets In Parallel In the first topology, a booster pfc is developed using two power mosfets connected directly in parallel (figure 1). This interactive application note examines how current sharing imbalances between paralleled. With a need for paralleling of mosfets in a power converter, the design engineer is faced with a topic of uneven current sharing and imbalance. One much publicized benefit of. Power Mosfets In Parallel.
From electronics.stackexchange.com
heat One of four MOSFET in parallel heating too much Electrical Power Mosfets In Parallel One much publicized benefit of power mosfets (compared to other semiconductor devices) is that it is easy to parallel them to create a group with. See how to use and simulate power mosfets in this article. You can use power mosfets in series or parallel arrangements. In this case, two different. This interactive application note examines how current sharing imbalances. Power Mosfets In Parallel.
From blog.csdn.net
Using power MOSFETs in parallel_drv3255CSDN博客 Power Mosfets In Parallel In this case, two different. With a need for paralleling of mosfets in a power converter, the design engineer is faced with a topic of uneven current sharing and imbalance. One much publicized benefit of power mosfets (compared to other semiconductor devices) is that it is easy to parallel them to create a group with. You can use power mosfets. Power Mosfets In Parallel.
From huiwenedn.com
Should You Use Power MOSFETs in Parallel? Blogs Altium Power Mosfets In Parallel This interactive application note examines how current sharing imbalances between paralleled. One much publicized benefit of power mosfets (compared to other semiconductor devices) is that it is easy to parallel them to create a group with. In the first topology, a booster pfc is developed using two power mosfets connected directly in parallel (figure 1). With a need for paralleling. Power Mosfets In Parallel.
From blog.csdn.net
Using power MOSFETs in parallel_drv3255CSDN博客 Power Mosfets In Parallel With a need for paralleling of mosfets in a power converter, the design engineer is faced with a topic of uneven current sharing and imbalance. In the first topology, a booster pfc is developed using two power mosfets connected directly in parallel (figure 1). You can use power mosfets in series or parallel arrangements. See how to use and simulate. Power Mosfets In Parallel.
From www.youtube.com
Current sharing of parallel connected MOSFETs The facts YouTube Power Mosfets In Parallel You can use power mosfets in series or parallel arrangements. In the first topology, a booster pfc is developed using two power mosfets connected directly in parallel (figure 1). In this case, two different. Since power mosfets are not susceptible to thermal runaway, it is generally easier to parallel multiple power mosfets than bipolar. With a need for paralleling of. Power Mosfets In Parallel.
From www.i-ciencias.com
mosfet ¿Cuántos MOSFETs podemos poner en paralelo con Power Mosfets In Parallel In the first topology, a booster pfc is developed using two power mosfets connected directly in parallel (figure 1). Since power mosfets are not susceptible to thermal runaway, it is generally easier to parallel multiple power mosfets than bipolar. This interactive application note examines how current sharing imbalances between paralleled. See how to use and simulate power mosfets in this. Power Mosfets In Parallel.
From zoomafl.weebly.com
Paralleling Power Mosfets zoomafl Power Mosfets In Parallel With a need for paralleling of mosfets in a power converter, the design engineer is faced with a topic of uneven current sharing and imbalance. In the first topology, a booster pfc is developed using two power mosfets connected directly in parallel (figure 1). One much publicized benefit of power mosfets (compared to other semiconductor devices) is that it is. Power Mosfets In Parallel.
From www.researchgate.net
Schematic of Parallel SiC MOSFETs using PT Download Scientific Diagram Power Mosfets In Parallel One much publicized benefit of power mosfets (compared to other semiconductor devices) is that it is easy to parallel them to create a group with. This interactive application note examines how current sharing imbalances between paralleled. With a need for paralleling of mosfets in a power converter, the design engineer is faced with a topic of uneven current sharing and. Power Mosfets In Parallel.
From www.youtube.com
Parallel multiple MOSFETs using optimized current sharing technology Power Mosfets In Parallel In this case, two different. This interactive application note examines how current sharing imbalances between paralleled. One much publicized benefit of power mosfets (compared to other semiconductor devices) is that it is easy to parallel them to create a group with. You can use power mosfets in series or parallel arrangements. Since power mosfets are not susceptible to thermal runaway,. Power Mosfets In Parallel.
From resources.altium.com
Should You Use Power MOSFETs in Parallel? Blogs Altium Power Mosfets In Parallel This interactive application note examines how current sharing imbalances between paralleled. You can use power mosfets in series or parallel arrangements. Since power mosfets are not susceptible to thermal runaway, it is generally easier to parallel multiple power mosfets than bipolar. In the first topology, a booster pfc is developed using two power mosfets connected directly in parallel (figure 1).. Power Mosfets In Parallel.
From us.mitsubishielectric.com
Mitsubishi Electric Develops SBDembedded SiCMOSFET with New Structure Power Mosfets In Parallel With a need for paralleling of mosfets in a power converter, the design engineer is faced with a topic of uneven current sharing and imbalance. In this case, two different. See how to use and simulate power mosfets in this article. You can use power mosfets in series or parallel arrangements. In the first topology, a booster pfc is developed. Power Mosfets In Parallel.
From blog.csdn.net
Using power MOSFETs in parallel_drv3255CSDN博客 Power Mosfets In Parallel This interactive application note examines how current sharing imbalances between paralleled. Since power mosfets are not susceptible to thermal runaway, it is generally easier to parallel multiple power mosfets than bipolar. See how to use and simulate power mosfets in this article. You can use power mosfets in series or parallel arrangements. With a need for paralleling of mosfets in. Power Mosfets In Parallel.
From www.researchgate.net
Detail of series connection of power MOSFETs. Download Scientific Diagram Power Mosfets In Parallel With a need for paralleling of mosfets in a power converter, the design engineer is faced with a topic of uneven current sharing and imbalance. This interactive application note examines how current sharing imbalances between paralleled. In the first topology, a booster pfc is developed using two power mosfets connected directly in parallel (figure 1). In this case, two different.. Power Mosfets In Parallel.
From www.powersystemsdesign.com
HighCurrent Designs Utilizing Paralleled MOSFETs in Motor Drive Power Mosfets In Parallel With a need for paralleling of mosfets in a power converter, the design engineer is faced with a topic of uneven current sharing and imbalance. See how to use and simulate power mosfets in this article. Since power mosfets are not susceptible to thermal runaway, it is generally easier to parallel multiple power mosfets than bipolar. You can use power. Power Mosfets In Parallel.
From www.researchgate.net
(PDF) Modeling of parallel power MOSFETs in steadystate Power Mosfets In Parallel This interactive application note examines how current sharing imbalances between paralleled. In the first topology, a booster pfc is developed using two power mosfets connected directly in parallel (figure 1). One much publicized benefit of power mosfets (compared to other semiconductor devices) is that it is easy to parallel them to create a group with. Since power mosfets are not. Power Mosfets In Parallel.
From circuitdigest.com
Simple MOSFET Switching Circuit How to turn on / turn off NChannel Power Mosfets In Parallel This interactive application note examines how current sharing imbalances between paralleled. See how to use and simulate power mosfets in this article. With a need for paralleling of mosfets in a power converter, the design engineer is faced with a topic of uneven current sharing and imbalance. Since power mosfets are not susceptible to thermal runaway, it is generally easier. Power Mosfets In Parallel.
From www.semanticscholar.org
Figure 1 from High Voltage Switch with MOSFET Series/Parallel Power Mosfets In Parallel In this case, two different. This interactive application note examines how current sharing imbalances between paralleled. Since power mosfets are not susceptible to thermal runaway, it is generally easier to parallel multiple power mosfets than bipolar. See how to use and simulate power mosfets in this article. You can use power mosfets in series or parallel arrangements. One much publicized. Power Mosfets In Parallel.
From blog.csdn.net
Using power MOSFETs in parallel_drv3255CSDN博客 Power Mosfets In Parallel In the first topology, a booster pfc is developed using two power mosfets connected directly in parallel (figure 1). You can use power mosfets in series or parallel arrangements. One much publicized benefit of power mosfets (compared to other semiconductor devices) is that it is easy to parallel them to create a group with. Since power mosfets are not susceptible. Power Mosfets In Parallel.
From blog.csdn.net
Using power MOSFETs in parallel_drv3255CSDN博客 Power Mosfets In Parallel One much publicized benefit of power mosfets (compared to other semiconductor devices) is that it is easy to parallel them to create a group with. This interactive application note examines how current sharing imbalances between paralleled. See how to use and simulate power mosfets in this article. With a need for paralleling of mosfets in a power converter, the design. Power Mosfets In Parallel.
From blog.csdn.net
Using power MOSFETs in parallel_drv3255CSDN博客 Power Mosfets In Parallel In this case, two different. You can use power mosfets in series or parallel arrangements. This interactive application note examines how current sharing imbalances between paralleled. See how to use and simulate power mosfets in this article. Since power mosfets are not susceptible to thermal runaway, it is generally easier to parallel multiple power mosfets than bipolar. One much publicized. Power Mosfets In Parallel.
From www.powerelectronicsnews.com
CurrentSharing Technology in Parallel MOSFET Applications Power Power Mosfets In Parallel This interactive application note examines how current sharing imbalances between paralleled. See how to use and simulate power mosfets in this article. In this case, two different. One much publicized benefit of power mosfets (compared to other semiconductor devices) is that it is easy to parallel them to create a group with. You can use power mosfets in series or. Power Mosfets In Parallel.
From resources.altium.com
Should You Use Power MOSFETs in Parallel? Blogs Altium Power Mosfets In Parallel In the first topology, a booster pfc is developed using two power mosfets connected directly in parallel (figure 1). Since power mosfets are not susceptible to thermal runaway, it is generally easier to parallel multiple power mosfets than bipolar. One much publicized benefit of power mosfets (compared to other semiconductor devices) is that it is easy to parallel them to. Power Mosfets In Parallel.
From www.wiringdraw.com
How To Determine Voltage Drop In A Parallel Circuit Using Mosfe Power Mosfets In Parallel With a need for paralleling of mosfets in a power converter, the design engineer is faced with a topic of uneven current sharing and imbalance. See how to use and simulate power mosfets in this article. In the first topology, a booster pfc is developed using two power mosfets connected directly in parallel (figure 1). Since power mosfets are not. Power Mosfets In Parallel.
From www.powerelectronicsnews.com
MOSFETs SiC connected in parallel Power Electronics News Power Mosfets In Parallel Since power mosfets are not susceptible to thermal runaway, it is generally easier to parallel multiple power mosfets than bipolar. You can use power mosfets in series or parallel arrangements. With a need for paralleling of mosfets in a power converter, the design engineer is faced with a topic of uneven current sharing and imbalance. In the first topology, a. Power Mosfets In Parallel.
From www.researchgate.net
Equivalent circuit of parallel SiC MOSFETs in dynamic state. Download Power Mosfets In Parallel Since power mosfets are not susceptible to thermal runaway, it is generally easier to parallel multiple power mosfets than bipolar. You can use power mosfets in series or parallel arrangements. In this case, two different. One much publicized benefit of power mosfets (compared to other semiconductor devices) is that it is easy to parallel them to create a group with.. Power Mosfets In Parallel.
From blog.csdn.net
Using power MOSFETs in parallel_drv3255CSDN博客 Power Mosfets In Parallel Since power mosfets are not susceptible to thermal runaway, it is generally easier to parallel multiple power mosfets than bipolar. With a need for paralleling of mosfets in a power converter, the design engineer is faced with a topic of uneven current sharing and imbalance. In this case, two different. You can use power mosfets in series or parallel arrangements.. Power Mosfets In Parallel.
From electricala2z.com
MOSFET Types Working Applications Electrical A2Z Power Mosfets In Parallel With a need for paralleling of mosfets in a power converter, the design engineer is faced with a topic of uneven current sharing and imbalance. This interactive application note examines how current sharing imbalances between paralleled. See how to use and simulate power mosfets in this article. In the first topology, a booster pfc is developed using two power mosfets. Power Mosfets In Parallel.
From blog.csdn.net
Using power MOSFETs in parallel_drv3255CSDN博客 Power Mosfets In Parallel This interactive application note examines how current sharing imbalances between paralleled. With a need for paralleling of mosfets in a power converter, the design engineer is faced with a topic of uneven current sharing and imbalance. One much publicized benefit of power mosfets (compared to other semiconductor devices) is that it is easy to parallel them to create a group. Power Mosfets In Parallel.