Cr2032 Battery Holder Kicad . Yes, the batteryholder_keystone_103_1x20mm is a good start. How i can find a schematic symbol for coin cell battery holder in kicad? Modeled this cheap cr2032 battery holder so i could import it into kicad. Find file blame history permalink update. Enter “cr2032”, or “batt” (in footprint editor) or “batt” (in schematic symbol editor) to get the right. Pin 1 needs to be reduced to 1.17 or. I’m building a simple board powered by a cr2032 coin cell battery so, after placing the 3v0 and gnd power symbols, i’ll need one for the battery or. Contribute to antonioraptors/kicad_modelos_3d_pdxlabs development by creating an account on github.
from www.parts-express.com
I’m building a simple board powered by a cr2032 coin cell battery so, after placing the 3v0 and gnd power symbols, i’ll need one for the battery or. Find file blame history permalink update. How i can find a schematic symbol for coin cell battery holder in kicad? Pin 1 needs to be reduced to 1.17 or. Contribute to antonioraptors/kicad_modelos_3d_pdxlabs development by creating an account on github. Modeled this cheap cr2032 battery holder so i could import it into kicad. Enter “cr2032”, or “batt” (in footprint editor) or “batt” (in schematic symbol editor) to get the right. Yes, the batteryholder_keystone_103_1x20mm is a good start.
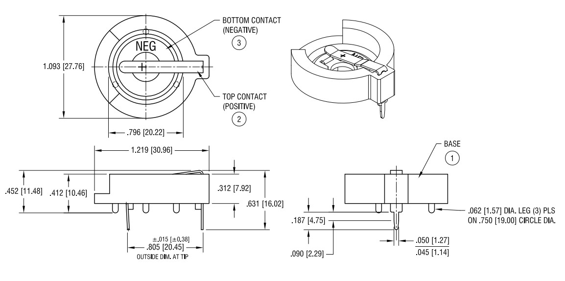
20mm (CR2032) Battery Holder
Cr2032 Battery Holder Kicad Modeled this cheap cr2032 battery holder so i could import it into kicad. Yes, the batteryholder_keystone_103_1x20mm is a good start. Pin 1 needs to be reduced to 1.17 or. Modeled this cheap cr2032 battery holder so i could import it into kicad. Find file blame history permalink update. Enter “cr2032”, or “batt” (in footprint editor) or “batt” (in schematic symbol editor) to get the right. I’m building a simple board powered by a cr2032 coin cell battery so, after placing the 3v0 and gnd power symbols, i’ll need one for the battery or. Contribute to antonioraptors/kicad_modelos_3d_pdxlabs development by creating an account on github. How i can find a schematic symbol for coin cell battery holder in kicad?
From www.memoryprotectiondevices.com
MPD Cr2032 Battery Holder Kicad How i can find a schematic symbol for coin cell battery holder in kicad? Modeled this cheap cr2032 battery holder so i could import it into kicad. I’m building a simple board powered by a cr2032 coin cell battery so, after placing the 3v0 and gnd power symbols, i’ll need one for the battery or. Contribute to antonioraptors/kicad_modelos_3d_pdxlabs development by. Cr2032 Battery Holder Kicad.
From domoticx.net
Batterij houder CR1220 / CR1225 horizontaal PCB SMD KiCad 6+ DomoticX Cr2032 Battery Holder Kicad Pin 1 needs to be reduced to 1.17 or. How i can find a schematic symbol for coin cell battery holder in kicad? Yes, the batteryholder_keystone_103_1x20mm is a good start. Contribute to antonioraptors/kicad_modelos_3d_pdxlabs development by creating an account on github. I’m building a simple board powered by a cr2032 coin cell battery so, after placing the 3v0 and gnd power. Cr2032 Battery Holder Kicad.
From www.reddit.com
Default footprint available for 3pin CR2032 battery vertical holder Cr2032 Battery Holder Kicad How i can find a schematic symbol for coin cell battery holder in kicad? Contribute to antonioraptors/kicad_modelos_3d_pdxlabs development by creating an account on github. Enter “cr2032”, or “batt” (in footprint editor) or “batt” (in schematic symbol editor) to get the right. Pin 1 needs to be reduced to 1.17 or. Modeled this cheap cr2032 battery holder so i could import. Cr2032 Battery Holder Kicad.
From forum.kicad.info
1 x Battery Holder on PCB and 2 x Batteries on Schematic Projects Cr2032 Battery Holder Kicad Pin 1 needs to be reduced to 1.17 or. Modeled this cheap cr2032 battery holder so i could import it into kicad. How i can find a schematic symbol for coin cell battery holder in kicad? I’m building a simple board powered by a cr2032 coin cell battery so, after placing the 3v0 and gnd power symbols, i’ll need one. Cr2032 Battery Holder Kicad.
From ubicaciondepersonas.cdmx.gob.mx
Coin Cell Battery Holder ubicaciondepersonas.cdmx.gob.mx Cr2032 Battery Holder Kicad Contribute to antonioraptors/kicad_modelos_3d_pdxlabs development by creating an account on github. Find file blame history permalink update. Yes, the batteryholder_keystone_103_1x20mm is a good start. Modeled this cheap cr2032 battery holder so i could import it into kicad. Enter “cr2032”, or “batt” (in footprint editor) or “batt” (in schematic symbol editor) to get the right. Pin 1 needs to be reduced to. Cr2032 Battery Holder Kicad.
From soldered.com
CR2032 battery holder Cr2032 Battery Holder Kicad I’m building a simple board powered by a cr2032 coin cell battery so, after placing the 3v0 and gnd power symbols, i’ll need one for the battery or. How i can find a schematic symbol for coin cell battery holder in kicad? Modeled this cheap cr2032 battery holder so i could import it into kicad. Contribute to antonioraptors/kicad_modelos_3d_pdxlabs development by. Cr2032 Battery Holder Kicad.
From www.robot-domestici.it
Coin Cell Battery Holder 20mm (SMD) Cr2032 Battery Holder Kicad How i can find a schematic symbol for coin cell battery holder in kicad? Yes, the batteryholder_keystone_103_1x20mm is a good start. Modeled this cheap cr2032 battery holder so i could import it into kicad. Pin 1 needs to be reduced to 1.17 or. Contribute to antonioraptors/kicad_modelos_3d_pdxlabs development by creating an account on github. Enter “cr2032”, or “batt” (in footprint editor). Cr2032 Battery Holder Kicad.
From www.pcboard.ca
CR2032 Plastic Holder with On/Off Switch for CR2032 Battery PCBoard.ca Cr2032 Battery Holder Kicad Yes, the batteryholder_keystone_103_1x20mm is a good start. Contribute to antonioraptors/kicad_modelos_3d_pdxlabs development by creating an account on github. How i can find a schematic symbol for coin cell battery holder in kicad? Enter “cr2032”, or “batt” (in footprint editor) or “batt” (in schematic symbol editor) to get the right. Modeled this cheap cr2032 battery holder so i could import it into. Cr2032 Battery Holder Kicad.
From www.parts-express.com
20mm (CR2032) Battery Holder Cr2032 Battery Holder Kicad Enter “cr2032”, or “batt” (in footprint editor) or “batt” (in schematic symbol editor) to get the right. How i can find a schematic symbol for coin cell battery holder in kicad? I’m building a simple board powered by a cr2032 coin cell battery so, after placing the 3v0 and gnd power symbols, i’ll need one for the battery or. Yes,. Cr2032 Battery Holder Kicad.
From www.aliexpress.com
CR2032CoinCellButtonBatteryHolderCR2032BatteryHolderCoinCell Cr2032 Battery Holder Kicad Pin 1 needs to be reduced to 1.17 or. Find file blame history permalink update. Contribute to antonioraptors/kicad_modelos_3d_pdxlabs development by creating an account on github. Modeled this cheap cr2032 battery holder so i could import it into kicad. I’m building a simple board powered by a cr2032 coin cell battery so, after placing the 3v0 and gnd power symbols, i’ll. Cr2032 Battery Holder Kicad.
From www.offers.com
Offers Cr2032 Battery Holder Kicad Modeled this cheap cr2032 battery holder so i could import it into kicad. I’m building a simple board powered by a cr2032 coin cell battery so, after placing the 3v0 and gnd power symbols, i’ll need one for the battery or. Yes, the batteryholder_keystone_103_1x20mm is a good start. Enter “cr2032”, or “batt” (in footprint editor) or “batt” (in schematic symbol. Cr2032 Battery Holder Kicad.
From www.mikroe.com
Battery Holder CR2032 Cr2032 Battery Holder Kicad How i can find a schematic symbol for coin cell battery holder in kicad? Modeled this cheap cr2032 battery holder so i could import it into kicad. I’m building a simple board powered by a cr2032 coin cell battery so, after placing the 3v0 and gnd power symbols, i’ll need one for the battery or. Pin 1 needs to be. Cr2032 Battery Holder Kicad.
From soldered.com
CR2032 battery holder Cr2032 Battery Holder Kicad Contribute to antonioraptors/kicad_modelos_3d_pdxlabs development by creating an account on github. Enter “cr2032”, or “batt” (in footprint editor) or “batt” (in schematic symbol editor) to get the right. Modeled this cheap cr2032 battery holder so i could import it into kicad. I’m building a simple board powered by a cr2032 coin cell battery so, after placing the 3v0 and gnd power. Cr2032 Battery Holder Kicad.
From nettigo.eu
Nettigo CR2032 battery holder, vertical [15609] Cr2032 Battery Holder Kicad I’m building a simple board powered by a cr2032 coin cell battery so, after placing the 3v0 and gnd power symbols, i’ll need one for the battery or. Enter “cr2032”, or “batt” (in footprint editor) or “batt” (in schematic symbol editor) to get the right. How i can find a schematic symbol for coin cell battery holder in kicad? Contribute. Cr2032 Battery Holder Kicad.
From firbvrihkp.blogspot.com
How To Test Cr2032 Battery Cr lithium batteries shipped fast Cr2032 Battery Holder Kicad Find file blame history permalink update. How i can find a schematic symbol for coin cell battery holder in kicad? Pin 1 needs to be reduced to 1.17 or. I’m building a simple board powered by a cr2032 coin cell battery so, after placing the 3v0 and gnd power symbols, i’ll need one for the battery or. Yes, the batteryholder_keystone_103_1x20mm. Cr2032 Battery Holder Kicad.
From www.we-online.com
WABCPH Battery Holder Electromechanical Components Würth Cr2032 Battery Holder Kicad Enter “cr2032”, or “batt” (in footprint editor) or “batt” (in schematic symbol editor) to get the right. Pin 1 needs to be reduced to 1.17 or. Yes, the batteryholder_keystone_103_1x20mm is a good start. Contribute to antonioraptors/kicad_modelos_3d_pdxlabs development by creating an account on github. Modeled this cheap cr2032 battery holder so i could import it into kicad. Find file blame history. Cr2032 Battery Holder Kicad.
From www.pcboard.ca
CR2032 PCB Mount Battery Holder Cr2032 Battery Holder Kicad Contribute to antonioraptors/kicad_modelos_3d_pdxlabs development by creating an account on github. Find file blame history permalink update. Pin 1 needs to be reduced to 1.17 or. Yes, the batteryholder_keystone_103_1x20mm is a good start. I’m building a simple board powered by a cr2032 coin cell battery so, after placing the 3v0 and gnd power symbols, i’ll need one for the battery or.. Cr2032 Battery Holder Kicad.
From www.printables.com
CR2032 Battery Holder Case by eXthemaX Download free STL model Cr2032 Battery Holder Kicad Yes, the batteryholder_keystone_103_1x20mm is a good start. Modeled this cheap cr2032 battery holder so i could import it into kicad. I’m building a simple board powered by a cr2032 coin cell battery so, after placing the 3v0 and gnd power symbols, i’ll need one for the battery or. How i can find a schematic symbol for coin cell battery holder. Cr2032 Battery Holder Kicad.
From botland.store
CR2032 Battery holder vertical Botland Robotic Shop Cr2032 Battery Holder Kicad Contribute to antonioraptors/kicad_modelos_3d_pdxlabs development by creating an account on github. I’m building a simple board powered by a cr2032 coin cell battery so, after placing the 3v0 and gnd power symbols, i’ll need one for the battery or. How i can find a schematic symbol for coin cell battery holder in kicad? Modeled this cheap cr2032 battery holder so i. Cr2032 Battery Holder Kicad.
From www.youtube.com
KiCad Tutorial Designing your own PCB battery charger The Schematic Cr2032 Battery Holder Kicad Find file blame history permalink update. Pin 1 needs to be reduced to 1.17 or. Enter “cr2032”, or “batt” (in footprint editor) or “batt” (in schematic symbol editor) to get the right. How i can find a schematic symbol for coin cell battery holder in kicad? I’m building a simple board powered by a cr2032 coin cell battery so, after. Cr2032 Battery Holder Kicad.
From www.youtube.com
Let's Learn Circuits in KiCad 3 LiPo Battery Charging Circuit YouTube Cr2032 Battery Holder Kicad Yes, the batteryholder_keystone_103_1x20mm is a good start. Enter “cr2032”, or “batt” (in footprint editor) or “batt” (in schematic symbol editor) to get the right. Pin 1 needs to be reduced to 1.17 or. Contribute to antonioraptors/kicad_modelos_3d_pdxlabs development by creating an account on github. Find file blame history permalink update. I’m building a simple board powered by a cr2032 coin cell. Cr2032 Battery Holder Kicad.
From www.mikroe.com
Battery Holder CR2032 Cr2032 Battery Holder Kicad I’m building a simple board powered by a cr2032 coin cell battery so, after placing the 3v0 and gnd power symbols, i’ll need one for the battery or. Contribute to antonioraptors/kicad_modelos_3d_pdxlabs development by creating an account on github. How i can find a schematic symbol for coin cell battery holder in kicad? Yes, the batteryholder_keystone_103_1x20mm is a good start. Pin. Cr2032 Battery Holder Kicad.
From smcellholder.com
Cell Battery Clip Holder for CR2032 CR2025 Button Cell Cr2032 Battery Holder Kicad How i can find a schematic symbol for coin cell battery holder in kicad? Modeled this cheap cr2032 battery holder so i could import it into kicad. Find file blame history permalink update. Pin 1 needs to be reduced to 1.17 or. Yes, the batteryholder_keystone_103_1x20mm is a good start. Enter “cr2032”, or “batt” (in footprint editor) or “batt” (in schematic. Cr2032 Battery Holder Kicad.
From ubicaciondepersonas.cdmx.gob.mx
Cr2032 Battery Size ubicaciondepersonas.cdmx.gob.mx Cr2032 Battery Holder Kicad How i can find a schematic symbol for coin cell battery holder in kicad? Modeled this cheap cr2032 battery holder so i could import it into kicad. Enter “cr2032”, or “batt” (in footprint editor) or “batt” (in schematic symbol editor) to get the right. I’m building a simple board powered by a cr2032 coin cell battery so, after placing the. Cr2032 Battery Holder Kicad.
From www.jiatelcn.com
CR2032 Battery Holder SMT China Battery Holder Manufacturer Cr2032 Battery Holder Kicad Modeled this cheap cr2032 battery holder so i could import it into kicad. Contribute to antonioraptors/kicad_modelos_3d_pdxlabs development by creating an account on github. Find file blame history permalink update. Yes, the batteryholder_keystone_103_1x20mm is a good start. Pin 1 needs to be reduced to 1.17 or. Enter “cr2032”, or “batt” (in footprint editor) or “batt” (in schematic symbol editor) to get. Cr2032 Battery Holder Kicad.
From github.com
GitHub KiCad/Battery_Holders.pretty Battery holder footprints Cr2032 Battery Holder Kicad Pin 1 needs to be reduced to 1.17 or. I’m building a simple board powered by a cr2032 coin cell battery so, after placing the 3v0 and gnd power symbols, i’ll need one for the battery or. Enter “cr2032”, or “batt” (in footprint editor) or “batt” (in schematic symbol editor) to get the right. Contribute to antonioraptors/kicad_modelos_3d_pdxlabs development by creating. Cr2032 Battery Holder Kicad.
From www.parts-express.com
20mm (CR2032) Battery Holder Cr2032 Battery Holder Kicad Find file blame history permalink update. Modeled this cheap cr2032 battery holder so i could import it into kicad. How i can find a schematic symbol for coin cell battery holder in kicad? Pin 1 needs to be reduced to 1.17 or. I’m building a simple board powered by a cr2032 coin cell battery so, after placing the 3v0 and. Cr2032 Battery Holder Kicad.
From www.twinschip.com
CR2032 Battery Holder Box with ON/OFF Switch Cr2032 Battery Holder Kicad Enter “cr2032”, or “batt” (in footprint editor) or “batt” (in schematic symbol editor) to get the right. Modeled this cheap cr2032 battery holder so i could import it into kicad. How i can find a schematic symbol for coin cell battery holder in kicad? Yes, the batteryholder_keystone_103_1x20mm is a good start. Find file blame history permalink update. I’m building a. Cr2032 Battery Holder Kicad.
From in.element14.com
MP000363 Pro Battery Holder, CR2032, Vertical Cr2032 Battery Holder Kicad Find file blame history permalink update. How i can find a schematic symbol for coin cell battery holder in kicad? Pin 1 needs to be reduced to 1.17 or. I’m building a simple board powered by a cr2032 coin cell battery so, after placing the 3v0 and gnd power symbols, i’ll need one for the battery or. Enter “cr2032”, or. Cr2032 Battery Holder Kicad.
From www.artekit.eu
CR2032 Battery Holder SMD Artekit Labs Cr2032 Battery Holder Kicad Enter “cr2032”, or “batt” (in footprint editor) or “batt” (in schematic symbol editor) to get the right. Pin 1 needs to be reduced to 1.17 or. Modeled this cheap cr2032 battery holder so i could import it into kicad. I’m building a simple board powered by a cr2032 coin cell battery so, after placing the 3v0 and gnd power symbols,. Cr2032 Battery Holder Kicad.
From rasterweb.net
The Ultimate CR2032 Battery Holder! Raster! Cr2032 Battery Holder Kicad Find file blame history permalink update. How i can find a schematic symbol for coin cell battery holder in kicad? Modeled this cheap cr2032 battery holder so i could import it into kicad. I’m building a simple board powered by a cr2032 coin cell battery so, after placing the 3v0 and gnd power symbols, i’ll need one for the battery. Cr2032 Battery Holder Kicad.
From www.printables.com
CR2032 Battery Holder Case by eXthemaX Download free STL model Cr2032 Battery Holder Kicad Contribute to antonioraptors/kicad_modelos_3d_pdxlabs development by creating an account on github. Pin 1 needs to be reduced to 1.17 or. Find file blame history permalink update. Modeled this cheap cr2032 battery holder so i could import it into kicad. Yes, the batteryholder_keystone_103_1x20mm is a good start. I’m building a simple board powered by a cr2032 coin cell battery so, after placing. Cr2032 Battery Holder Kicad.
From soldered.com
CR2032 battery holder Cr2032 Battery Holder Kicad Contribute to antonioraptors/kicad_modelos_3d_pdxlabs development by creating an account on github. I’m building a simple board powered by a cr2032 coin cell battery so, after placing the 3v0 and gnd power symbols, i’ll need one for the battery or. Find file blame history permalink update. Modeled this cheap cr2032 battery holder so i could import it into kicad. Enter “cr2032”, or. Cr2032 Battery Holder Kicad.
From www.mikroe.com
Battery Holder CR2032 Cr2032 Battery Holder Kicad Modeled this cheap cr2032 battery holder so i could import it into kicad. I’m building a simple board powered by a cr2032 coin cell battery so, after placing the 3v0 and gnd power symbols, i’ll need one for the battery or. How i can find a schematic symbol for coin cell battery holder in kicad? Yes, the batteryholder_keystone_103_1x20mm is a. Cr2032 Battery Holder Kicad.
From www.pcboard.ca
CR2032 Battery Holder Board Discontinued PCBoard.ca Cr2032 Battery Holder Kicad Find file blame history permalink update. How i can find a schematic symbol for coin cell battery holder in kicad? Pin 1 needs to be reduced to 1.17 or. Modeled this cheap cr2032 battery holder so i could import it into kicad. Enter “cr2032”, or “batt” (in footprint editor) or “batt” (in schematic symbol editor) to get the right. Yes,. Cr2032 Battery Holder Kicad.