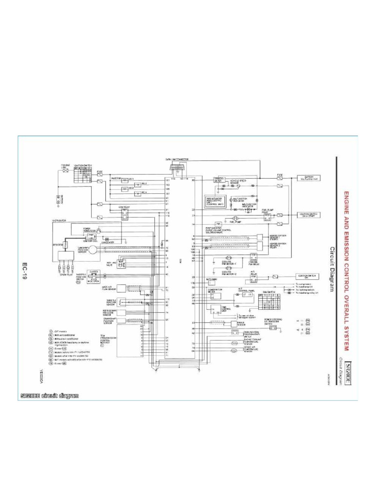
Nissan Qg15 Ecu Wiring Diagram Pdf . Read or download nissan qg15 ecu wiring diagram free wiring diagram at wiringschema.com Nissan sentra service manual ecu diagnosis information engine control system. Qg18 ecu is the same pinout as the qg15 qg16 it seems from the qg18de fsm: Wiring diagram for qg15de or wingroad for ecu post by black start » fri mar 13, 2015 8:48 pm lickatonge1 wrote: The pinout ecu nissan qg15 wiring diagram details the various components used in the construction of the wiring harness. Having the right wiring diagram for your nissan qg15 ecu can be a life saver when it comes to troubleshooting electrical issues. The nissan qg15 engine electronic control unit (ecu) wiring diagrams offer a great resource for car owners who want to make sure. It shows the connections between each part. Top flatline 3ne 2nr spannerator posts: Fuse box diagram nissan sunny sentra and.
from wiringdiagram.2bitboer.com
Qg18 ecu is the same pinout as the qg15 qg16 it seems from the qg18de fsm: Top flatline 3ne 2nr spannerator posts: Read or download nissan qg15 ecu wiring diagram free wiring diagram at wiringschema.com The pinout ecu nissan qg15 wiring diagram details the various components used in the construction of the wiring harness. Having the right wiring diagram for your nissan qg15 ecu can be a life saver when it comes to troubleshooting electrical issues. Nissan sentra service manual ecu diagnosis information engine control system. Fuse box diagram nissan sunny sentra and. Wiring diagram for qg15de or wingroad for ecu post by black start » fri mar 13, 2015 8:48 pm lickatonge1 wrote: The nissan qg15 engine electronic control unit (ecu) wiring diagrams offer a great resource for car owners who want to make sure. It shows the connections between each part.
Nissan Ga15 Ecu Wiring Diagram Wiring Diagram
Nissan Qg15 Ecu Wiring Diagram Pdf Read or download nissan qg15 ecu wiring diagram free wiring diagram at wiringschema.com Read or download nissan qg15 ecu wiring diagram free wiring diagram at wiringschema.com Qg18 ecu is the same pinout as the qg15 qg16 it seems from the qg18de fsm: Fuse box diagram nissan sunny sentra and. The nissan qg15 engine electronic control unit (ecu) wiring diagrams offer a great resource for car owners who want to make sure. Wiring diagram for qg15de or wingroad for ecu post by black start » fri mar 13, 2015 8:48 pm lickatonge1 wrote: The pinout ecu nissan qg15 wiring diagram details the various components used in the construction of the wiring harness. Nissan sentra service manual ecu diagnosis information engine control system. Having the right wiring diagram for your nissan qg15 ecu can be a life saver when it comes to troubleshooting electrical issues. It shows the connections between each part. Top flatline 3ne 2nr spannerator posts:
From www.diagramboard.com
Nissan Qg15 Ecu Wiring Diagram Pdf » Diagram Board Nissan Qg15 Ecu Wiring Diagram Pdf Qg18 ecu is the same pinout as the qg15 qg16 it seems from the qg18de fsm: Top flatline 3ne 2nr spannerator posts: Having the right wiring diagram for your nissan qg15 ecu can be a life saver when it comes to troubleshooting electrical issues. Fuse box diagram nissan sunny sentra and. The pinout ecu nissan qg15 wiring diagram details the. Nissan Qg15 Ecu Wiring Diagram Pdf.
From fixlibpfeifer.z13.web.core.windows.net
Nissan Qg15 Ecu Wiring Diagram Nissan Qg15 Ecu Wiring Diagram Pdf Top flatline 3ne 2nr spannerator posts: Fuse box diagram nissan sunny sentra and. The pinout ecu nissan qg15 wiring diagram details the various components used in the construction of the wiring harness. Qg18 ecu is the same pinout as the qg15 qg16 it seems from the qg18de fsm: Read or download nissan qg15 ecu wiring diagram free wiring diagram at. Nissan Qg15 Ecu Wiring Diagram Pdf.
From www.vrogue.co
Nissan Qg15 Ecu Wiring Diagram Pdf Diagram Board vrogue.co Nissan Qg15 Ecu Wiring Diagram Pdf It shows the connections between each part. Fuse box diagram nissan sunny sentra and. Top flatline 3ne 2nr spannerator posts: Read or download nissan qg15 ecu wiring diagram free wiring diagram at wiringschema.com The pinout ecu nissan qg15 wiring diagram details the various components used in the construction of the wiring harness. Wiring diagram for qg15de or wingroad for ecu. Nissan Qg15 Ecu Wiring Diagram Pdf.
From guidemerszebn.z14.web.core.windows.net
Ecu Pinout Diagram Pdf Nissan Qg15 Ecu Wiring Diagram Pdf The pinout ecu nissan qg15 wiring diagram details the various components used in the construction of the wiring harness. Qg18 ecu is the same pinout as the qg15 qg16 it seems from the qg18de fsm: Wiring diagram for qg15de or wingroad for ecu post by black start » fri mar 13, 2015 8:48 pm lickatonge1 wrote: It shows the connections. Nissan Qg15 Ecu Wiring Diagram Pdf.
From wakamwitan3ywirelib.z13.web.core.windows.net
Ecu Nissan Wiring Diagram Color Codes Nissan Qg15 Ecu Wiring Diagram Pdf Fuse box diagram nissan sunny sentra and. Read or download nissan qg15 ecu wiring diagram free wiring diagram at wiringschema.com Top flatline 3ne 2nr spannerator posts: Wiring diagram for qg15de or wingroad for ecu post by black start » fri mar 13, 2015 8:48 pm lickatonge1 wrote: Nissan sentra service manual ecu diagnosis information engine control system. Having the right. Nissan Qg15 Ecu Wiring Diagram Pdf.
From www.vrogue.co
Nissan Qg 18de 4strip Ecu And Tcu Wiring Diagram And vrogue.co Nissan Qg15 Ecu Wiring Diagram Pdf Wiring diagram for qg15de or wingroad for ecu post by black start » fri mar 13, 2015 8:48 pm lickatonge1 wrote: It shows the connections between each part. Read or download nissan qg15 ecu wiring diagram free wiring diagram at wiringschema.com The nissan qg15 engine electronic control unit (ecu) wiring diagrams offer a great resource for car owners who want. Nissan Qg15 Ecu Wiring Diagram Pdf.
From plant574l.blogspot.com
Nissan Qg15 Ecu Wiring Diagram , Wiring Diagram Of Nissan Sentra Nissan Qg15 Ecu Wiring Diagram Pdf Wiring diagram for qg15de or wingroad for ecu post by black start » fri mar 13, 2015 8:48 pm lickatonge1 wrote: The pinout ecu nissan qg15 wiring diagram details the various components used in the construction of the wiring harness. Read or download nissan qg15 ecu wiring diagram free wiring diagram at wiringschema.com Having the right wiring diagram for your. Nissan Qg15 Ecu Wiring Diagram Pdf.
From wiringdiagram.2bitboer.com
ems stinger 4424 wiring diagram Wiring Diagram Nissan Qg15 Ecu Wiring Diagram Pdf Read or download nissan qg15 ecu wiring diagram free wiring diagram at wiringschema.com Having the right wiring diagram for your nissan qg15 ecu can be a life saver when it comes to troubleshooting electrical issues. Nissan sentra service manual ecu diagnosis information engine control system. Fuse box diagram nissan sunny sentra and. It shows the connections between each part. Wiring. Nissan Qg15 Ecu Wiring Diagram Pdf.
From wiringdiagram.2bitboer.com
Nissan Qg15 Ecu Wiring Diagram Pdf Wiring Diagram Nissan Qg15 Ecu Wiring Diagram Pdf Qg18 ecu is the same pinout as the qg15 qg16 it seems from the qg18de fsm: Nissan sentra service manual ecu diagnosis information engine control system. Having the right wiring diagram for your nissan qg15 ecu can be a life saver when it comes to troubleshooting electrical issues. Fuse box diagram nissan sunny sentra and. Wiring diagram for qg15de or. Nissan Qg15 Ecu Wiring Diagram Pdf.
From www.vrogue.co
Nissan Qg15 Ecu Wiring Diagram Pdf Diagram Board vrogue.co Nissan Qg15 Ecu Wiring Diagram Pdf It shows the connections between each part. The nissan qg15 engine electronic control unit (ecu) wiring diagrams offer a great resource for car owners who want to make sure. The pinout ecu nissan qg15 wiring diagram details the various components used in the construction of the wiring harness. Read or download nissan qg15 ecu wiring diagram free wiring diagram at. Nissan Qg15 Ecu Wiring Diagram Pdf.
From www.smarts4k.com
Nissan Qg15 Ecu Wiring Diagram Pdf 4K Wallpapers Review Nissan Qg15 Ecu Wiring Diagram Pdf The pinout ecu nissan qg15 wiring diagram details the various components used in the construction of the wiring harness. It shows the connections between each part. Nissan sentra service manual ecu diagnosis information engine control system. Read or download nissan qg15 ecu wiring diagram free wiring diagram at wiringschema.com Top flatline 3ne 2nr spannerator posts: The nissan qg15 engine electronic. Nissan Qg15 Ecu Wiring Diagram Pdf.
From www.vrogue.co
Nissan Qg15 Ecu Wiring Diagram Pdf Diagram Board vrogue.co Nissan Qg15 Ecu Wiring Diagram Pdf The nissan qg15 engine electronic control unit (ecu) wiring diagrams offer a great resource for car owners who want to make sure. Top flatline 3ne 2nr spannerator posts: Qg18 ecu is the same pinout as the qg15 qg16 it seems from the qg18de fsm: Wiring diagram for qg15de or wingroad for ecu post by black start » fri mar 13,. Nissan Qg15 Ecu Wiring Diagram Pdf.
From wiringdiagram.2bitboer.com
Nissan Silvia S15 Wiring Diagram Wiring Diagram Nissan Qg15 Ecu Wiring Diagram Pdf Having the right wiring diagram for your nissan qg15 ecu can be a life saver when it comes to troubleshooting electrical issues. The pinout ecu nissan qg15 wiring diagram details the various components used in the construction of the wiring harness. Nissan sentra service manual ecu diagnosis information engine control system. Wiring diagram for qg15de or wingroad for ecu post. Nissan Qg15 Ecu Wiring Diagram Pdf.
From www.automotive-manuals.net
NISSAN Car PDF Manual, Wiring Diagram & Fault Codes DTC Nissan Qg15 Ecu Wiring Diagram Pdf Read or download nissan qg15 ecu wiring diagram free wiring diagram at wiringschema.com Top flatline 3ne 2nr spannerator posts: Wiring diagram for qg15de or wingroad for ecu post by black start » fri mar 13, 2015 8:48 pm lickatonge1 wrote: Nissan sentra service manual ecu diagnosis information engine control system. Fuse box diagram nissan sunny sentra and. Having the right. Nissan Qg15 Ecu Wiring Diagram Pdf.
From www.vrogue.co
Nissan Qg 18de 4strip Ecu And Tcu Wiring Diagram And vrogue.co Nissan Qg15 Ecu Wiring Diagram Pdf The nissan qg15 engine electronic control unit (ecu) wiring diagrams offer a great resource for car owners who want to make sure. It shows the connections between each part. Read or download nissan qg15 ecu wiring diagram free wiring diagram at wiringschema.com Qg18 ecu is the same pinout as the qg15 qg16 it seems from the qg18de fsm: Top flatline. Nissan Qg15 Ecu Wiring Diagram Pdf.
From wiringdiagram.2bitboer.com
Nissan Ga15 Ecu Wiring Diagram Wiring Diagram Nissan Qg15 Ecu Wiring Diagram Pdf The pinout ecu nissan qg15 wiring diagram details the various components used in the construction of the wiring harness. Read or download nissan qg15 ecu wiring diagram free wiring diagram at wiringschema.com Top flatline 3ne 2nr spannerator posts: Nissan sentra service manual ecu diagnosis information engine control system. The nissan qg15 engine electronic control unit (ecu) wiring diagrams offer a. Nissan Qg15 Ecu Wiring Diagram Pdf.
From www.diagramcircuit.com
Wiring Diagram For Qg15 Diagram Circuit Nissan Qg15 Ecu Wiring Diagram Pdf Fuse box diagram nissan sunny sentra and. Read or download nissan qg15 ecu wiring diagram free wiring diagram at wiringschema.com Top flatline 3ne 2nr spannerator posts: Nissan sentra service manual ecu diagnosis information engine control system. The pinout ecu nissan qg15 wiring diagram details the various components used in the construction of the wiring harness. Qg18 ecu is the same. Nissan Qg15 Ecu Wiring Diagram Pdf.
From schematicdbfaust.z19.web.core.windows.net
Nissan Qg15 Wiring Diagram Nissan Qg15 Ecu Wiring Diagram Pdf Fuse box diagram nissan sunny sentra and. Top flatline 3ne 2nr spannerator posts: The pinout ecu nissan qg15 wiring diagram details the various components used in the construction of the wiring harness. Qg18 ecu is the same pinout as the qg15 qg16 it seems from the qg18de fsm: Nissan sentra service manual ecu diagnosis information engine control system. Having the. Nissan Qg15 Ecu Wiring Diagram Pdf.
From www.slideshare.net
Manual Nissan QG 15 Nissan Qg15 Ecu Wiring Diagram Pdf Top flatline 3ne 2nr spannerator posts: Read or download nissan qg15 ecu wiring diagram free wiring diagram at wiringschema.com Qg18 ecu is the same pinout as the qg15 qg16 it seems from the qg18de fsm: Nissan sentra service manual ecu diagnosis information engine control system. It shows the connections between each part. Having the right wiring diagram for your nissan. Nissan Qg15 Ecu Wiring Diagram Pdf.
From www.smarts4k.com
Qg15 Engine Wiring Diagram 4K Wallpapers Review Nissan Qg15 Ecu Wiring Diagram Pdf It shows the connections between each part. Having the right wiring diagram for your nissan qg15 ecu can be a life saver when it comes to troubleshooting electrical issues. Wiring diagram for qg15de or wingroad for ecu post by black start » fri mar 13, 2015 8:48 pm lickatonge1 wrote: Fuse box diagram nissan sunny sentra and. The nissan qg15. Nissan Qg15 Ecu Wiring Diagram Pdf.
From guidelibxavier.z21.web.core.windows.net
Nissan Cube Ecu Wiring Diagram Nissan Qg15 Ecu Wiring Diagram Pdf Fuse box diagram nissan sunny sentra and. The pinout ecu nissan qg15 wiring diagram details the various components used in the construction of the wiring harness. It shows the connections between each part. Qg18 ecu is the same pinout as the qg15 qg16 it seems from the qg18de fsm: Having the right wiring diagram for your nissan qg15 ecu can. Nissan Qg15 Ecu Wiring Diagram Pdf.
From www.wiringview.com
Pinout Ecu Nissan Qg15 » Wiring Diagram Nissan Qg15 Ecu Wiring Diagram Pdf Nissan sentra service manual ecu diagnosis information engine control system. The pinout ecu nissan qg15 wiring diagram details the various components used in the construction of the wiring harness. Qg18 ecu is the same pinout as the qg15 qg16 it seems from the qg18de fsm: Fuse box diagram nissan sunny sentra and. The nissan qg15 engine electronic control unit (ecu). Nissan Qg15 Ecu Wiring Diagram Pdf.
From www.scribd.com
Sr20WiringDiagramDogboifoForNissanQg15EngineDiagram JPG (897× Nissan Qg15 Ecu Wiring Diagram Pdf It shows the connections between each part. The nissan qg15 engine electronic control unit (ecu) wiring diagrams offer a great resource for car owners who want to make sure. Read or download nissan qg15 ecu wiring diagram free wiring diagram at wiringschema.com Having the right wiring diagram for your nissan qg15 ecu can be a life saver when it comes. Nissan Qg15 Ecu Wiring Diagram Pdf.
From userfixmauer.z19.web.core.windows.net
Car Ecu Circuit Diagram Pdf Nissan Qg15 Ecu Wiring Diagram Pdf Fuse box diagram nissan sunny sentra and. Read or download nissan qg15 ecu wiring diagram free wiring diagram at wiringschema.com Nissan sentra service manual ecu diagnosis information engine control system. The pinout ecu nissan qg15 wiring diagram details the various components used in the construction of the wiring harness. Wiring diagram for qg15de or wingroad for ecu post by black. Nissan Qg15 Ecu Wiring Diagram Pdf.
From www.diagramboard.com
Pinout Ecu Nissan Qg15 » Diagram Board Nissan Qg15 Ecu Wiring Diagram Pdf The nissan qg15 engine electronic control unit (ecu) wiring diagrams offer a great resource for car owners who want to make sure. Wiring diagram for qg15de or wingroad for ecu post by black start » fri mar 13, 2015 8:48 pm lickatonge1 wrote: Read or download nissan qg15 ecu wiring diagram free wiring diagram at wiringschema.com It shows the connections. Nissan Qg15 Ecu Wiring Diagram Pdf.
From www.diagramboard.com
Nissan Qg15 Ecu Wiring Diagram Pdf » Diagram Board Nissan Qg15 Ecu Wiring Diagram Pdf Qg18 ecu is the same pinout as the qg15 qg16 it seems from the qg18de fsm: The pinout ecu nissan qg15 wiring diagram details the various components used in the construction of the wiring harness. The nissan qg15 engine electronic control unit (ecu) wiring diagrams offer a great resource for car owners who want to make sure. Nissan sentra service. Nissan Qg15 Ecu Wiring Diagram Pdf.
From www.vrogue.co
Nissan Qg15 Ecu Wiring Diagram vrogue.co Nissan Qg15 Ecu Wiring Diagram Pdf Qg18 ecu is the same pinout as the qg15 qg16 it seems from the qg18de fsm: Read or download nissan qg15 ecu wiring diagram free wiring diagram at wiringschema.com It shows the connections between each part. Nissan sentra service manual ecu diagnosis information engine control system. The nissan qg15 engine electronic control unit (ecu) wiring diagrams offer a great resource. Nissan Qg15 Ecu Wiring Diagram Pdf.
From www.smarts4k.com
Qg15 Engine Wiring Diagram 4K Wallpapers Review Nissan Qg15 Ecu Wiring Diagram Pdf The pinout ecu nissan qg15 wiring diagram details the various components used in the construction of the wiring harness. It shows the connections between each part. Having the right wiring diagram for your nissan qg15 ecu can be a life saver when it comes to troubleshooting electrical issues. Nissan sentra service manual ecu diagnosis information engine control system. Qg18 ecu. Nissan Qg15 Ecu Wiring Diagram Pdf.
From circuitdatamartina.z19.web.core.windows.net
Qg15 Engine Wiring Diagram Nissan Qg15 Ecu Wiring Diagram Pdf The pinout ecu nissan qg15 wiring diagram details the various components used in the construction of the wiring harness. Nissan sentra service manual ecu diagnosis information engine control system. Read or download nissan qg15 ecu wiring diagram free wiring diagram at wiringschema.com Qg18 ecu is the same pinout as the qg15 qg16 it seems from the qg18de fsm: Having the. Nissan Qg15 Ecu Wiring Diagram Pdf.
From plant574l.blogspot.com
Nissan Qg15 Ecu Wiring Diagram , Wiring Diagram Of Nissan Sentra Nissan Qg15 Ecu Wiring Diagram Pdf The pinout ecu nissan qg15 wiring diagram details the various components used in the construction of the wiring harness. Qg18 ecu is the same pinout as the qg15 qg16 it seems from the qg18de fsm: Nissan sentra service manual ecu diagnosis information engine control system. Read or download nissan qg15 ecu wiring diagram free wiring diagram at wiringschema.com The nissan. Nissan Qg15 Ecu Wiring Diagram Pdf.
From www.diagramboard.com
Nissan Qg15 Ecu Wiring Diagram Pdf » Diagram Board Nissan Qg15 Ecu Wiring Diagram Pdf Fuse box diagram nissan sunny sentra and. Wiring diagram for qg15de or wingroad for ecu post by black start » fri mar 13, 2015 8:48 pm lickatonge1 wrote: The pinout ecu nissan qg15 wiring diagram details the various components used in the construction of the wiring harness. It shows the connections between each part. Having the right wiring diagram for. Nissan Qg15 Ecu Wiring Diagram Pdf.
From www.wiringview.com
Pinout Ecu Nissan Qg15 » Wiring Diagram Nissan Qg15 Ecu Wiring Diagram Pdf Qg18 ecu is the same pinout as the qg15 qg16 it seems from the qg18de fsm: Top flatline 3ne 2nr spannerator posts: Having the right wiring diagram for your nissan qg15 ecu can be a life saver when it comes to troubleshooting electrical issues. It shows the connections between each part. Nissan sentra service manual ecu diagnosis information engine control. Nissan Qg15 Ecu Wiring Diagram Pdf.
From www.diagramboard.com
Nissan Qg15 Ecu Wiring Diagram Pdf » Diagram Board Nissan Qg15 Ecu Wiring Diagram Pdf Read or download nissan qg15 ecu wiring diagram free wiring diagram at wiringschema.com Having the right wiring diagram for your nissan qg15 ecu can be a life saver when it comes to troubleshooting electrical issues. Qg18 ecu is the same pinout as the qg15 qg16 it seems from the qg18de fsm: Top flatline 3ne 2nr spannerator posts: Wiring diagram for. Nissan Qg15 Ecu Wiring Diagram Pdf.
From malatardeoqnwirelib.z21.web.core.windows.net
24 Pin Ecu Schematic Diagram Nissan Qg15 Ecu Wiring Diagram Pdf Wiring diagram for qg15de or wingroad for ecu post by black start » fri mar 13, 2015 8:48 pm lickatonge1 wrote: Qg18 ecu is the same pinout as the qg15 qg16 it seems from the qg18de fsm: The nissan qg15 engine electronic control unit (ecu) wiring diagrams offer a great resource for car owners who want to make sure. Read. Nissan Qg15 Ecu Wiring Diagram Pdf.
From www.smarts4k.com
Nissan Qg15 Ecu Wiring Diagram Pdf 4K Wallpapers Review Nissan Qg15 Ecu Wiring Diagram Pdf The nissan qg15 engine electronic control unit (ecu) wiring diagrams offer a great resource for car owners who want to make sure. Fuse box diagram nissan sunny sentra and. Top flatline 3ne 2nr spannerator posts: The pinout ecu nissan qg15 wiring diagram details the various components used in the construction of the wiring harness. Qg18 ecu is the same pinout. Nissan Qg15 Ecu Wiring Diagram Pdf.