Kobelco Hydraulic Fittings . hydraulic supply company is a leading distributor of adaptall adapters and fittings solutions. there is ample space in the engine compartment for a mechanic to do maintenance work inside. discover our comprehensive range of komatsu and kobelco hydraulic solutions designed for demanding industrial. adaptall specializes in the conversion of hydraulic adapters & fittings, between international (metric) and american. there are two japanese jis specs, there's the jis code b 0207 that's a 30 degree flare with metric threads, this.
from www.winsparts.com
hydraulic supply company is a leading distributor of adaptall adapters and fittings solutions. adaptall specializes in the conversion of hydraulic adapters & fittings, between international (metric) and american. discover our comprehensive range of komatsu and kobelco hydraulic solutions designed for demanding industrial. there are two japanese jis specs, there's the jis code b 0207 that's a 30 degree flare with metric threads, this. there is ample space in the engine compartment for a mechanic to do maintenance work inside.
00002 HYDRAULIC SERVICE COMPONENTS FITTINGSTUBE SLEEVESKobelco
Kobelco Hydraulic Fittings adaptall specializes in the conversion of hydraulic adapters & fittings, between international (metric) and american. there are two japanese jis specs, there's the jis code b 0207 that's a 30 degree flare with metric threads, this. there is ample space in the engine compartment for a mechanic to do maintenance work inside. adaptall specializes in the conversion of hydraulic adapters & fittings, between international (metric) and american. discover our comprehensive range of komatsu and kobelco hydraulic solutions designed for demanding industrial. hydraulic supply company is a leading distributor of adaptall adapters and fittings solutions.
From www.procouplings.com
Kobelco Hydraulic Pumps Pro Couplings Kobelco Hydraulic Fittings discover our comprehensive range of komatsu and kobelco hydraulic solutions designed for demanding industrial. hydraulic supply company is a leading distributor of adaptall adapters and fittings solutions. there are two japanese jis specs, there's the jis code b 0207 that's a 30 degree flare with metric threads, this. there is ample space in the engine compartment. Kobelco Hydraulic Fittings.
From www.winsparts.com
00002 HYDRAULIC SERVICE COMPONENTS FITTINGSTUBE SLEEVESKobelco Kobelco Hydraulic Fittings adaptall specializes in the conversion of hydraulic adapters & fittings, between international (metric) and american. there is ample space in the engine compartment for a mechanic to do maintenance work inside. hydraulic supply company is a leading distributor of adaptall adapters and fittings solutions. discover our comprehensive range of komatsu and kobelco hydraulic solutions designed for. Kobelco Hydraulic Fittings.
From www.winsparts.com
YN15V00011F4 72150239 YN15V00011F1 YN15V00003F2 YN15V00017F2 HYDRAULIC Kobelco Hydraulic Fittings adaptall specializes in the conversion of hydraulic adapters & fittings, between international (metric) and american. there are two japanese jis specs, there's the jis code b 0207 that's a 30 degree flare with metric threads, this. hydraulic supply company is a leading distributor of adaptall adapters and fittings solutions. discover our comprehensive range of komatsu and. Kobelco Hydraulic Fittings.
From www.hydraulicpartsexcavator.com
SK2006 SK2106 Hydraulic Pump Regulator SK2306 SK2506 Kobelco Kobelco Hydraulic Fittings discover our comprehensive range of komatsu and kobelco hydraulic solutions designed for demanding industrial. there are two japanese jis specs, there's the jis code b 0207 that's a 30 degree flare with metric threads, this. hydraulic supply company is a leading distributor of adaptall adapters and fittings solutions. there is ample space in the engine compartment. Kobelco Hydraulic Fittings.
From www.winsparts.com
YN35V00061F1 KWE5K31/G24DB50 Hydraulic Pump Solenoid Valve Kobelco SK Kobelco Hydraulic Fittings adaptall specializes in the conversion of hydraulic adapters & fittings, between international (metric) and american. discover our comprehensive range of komatsu and kobelco hydraulic solutions designed for demanding industrial. there are two japanese jis specs, there's the jis code b 0207 that's a 30 degree flare with metric threads, this. hydraulic supply company is a leading. Kobelco Hydraulic Fittings.
From www.jiayuanfitting.com
China Custom Kobelco Hydraulic Fittings Manufacturers, Suppliers Kobelco Hydraulic Fittings there are two japanese jis specs, there's the jis code b 0207 that's a 30 degree flare with metric threads, this. hydraulic supply company is a leading distributor of adaptall adapters and fittings solutions. there is ample space in the engine compartment for a mechanic to do maintenance work inside. adaptall specializes in the conversion of. Kobelco Hydraulic Fittings.
From needfitting.com
Data of hydraulic hose and fittings on KOBELCO Excavator Fluid Power Kobelco Hydraulic Fittings adaptall specializes in the conversion of hydraulic adapters & fittings, between international (metric) and american. hydraulic supply company is a leading distributor of adaptall adapters and fittings solutions. discover our comprehensive range of komatsu and kobelco hydraulic solutions designed for demanding industrial. there are two japanese jis specs, there's the jis code b 0207 that's a. Kobelco Hydraulic Fittings.
From www.commercialvalves.com
KDRDE5K31/40C50 213 YN35V00049F1 Hydraulic Solenoid Valve FIT KOBELCO Kobelco Hydraulic Fittings there is ample space in the engine compartment for a mechanic to do maintenance work inside. hydraulic supply company is a leading distributor of adaptall adapters and fittings solutions. discover our comprehensive range of komatsu and kobelco hydraulic solutions designed for demanding industrial. adaptall specializes in the conversion of hydraulic adapters & fittings, between international (metric). Kobelco Hydraulic Fittings.
From quangtuong-hydraulics.com
KOBELCO FITTINGS METRIC MALE FEMALE FRENCH TYPE Hydraulic Kobelco Hydraulic Fittings discover our comprehensive range of komatsu and kobelco hydraulic solutions designed for demanding industrial. there are two japanese jis specs, there's the jis code b 0207 that's a 30 degree flare with metric threads, this. there is ample space in the engine compartment for a mechanic to do maintenance work inside. adaptall specializes in the conversion. Kobelco Hydraulic Fittings.
From www.hydraulicstore.com
KOBELCO STYLE "J" SERIES HOSE ENDS Trausch Dynamics Kobelco Hydraulic Fittings discover our comprehensive range of komatsu and kobelco hydraulic solutions designed for demanding industrial. hydraulic supply company is a leading distributor of adaptall adapters and fittings solutions. adaptall specializes in the conversion of hydraulic adapters & fittings, between international (metric) and american. there is ample space in the engine compartment for a mechanic to do maintenance. Kobelco Hydraulic Fittings.
From www.ebay.com
16 Pack JIS30 Cap and Plug Hydraulic Adapter Fittings for Excavator Kobelco Hydraulic Fittings hydraulic supply company is a leading distributor of adaptall adapters and fittings solutions. adaptall specializes in the conversion of hydraulic adapters & fittings, between international (metric) and american. there is ample space in the engine compartment for a mechanic to do maintenance work inside. there are two japanese jis specs, there's the jis code b 0207. Kobelco Hydraulic Fittings.
From www.sinocmpexcavatorparts.com
Kobelco Excavator SK3508 SK3308 Hydraulic Valve Assy LC22V00011F1 Kobelco Hydraulic Fittings there is ample space in the engine compartment for a mechanic to do maintenance work inside. there are two japanese jis specs, there's the jis code b 0207 that's a 30 degree flare with metric threads, this. adaptall specializes in the conversion of hydraulic adapters & fittings, between international (metric) and american. discover our comprehensive range. Kobelco Hydraulic Fittings.
From www.disenparts.com
Hydraulic Filter YN52V01020P1 Kobelco Kobelco Hydraulic Fittings hydraulic supply company is a leading distributor of adaptall adapters and fittings solutions. there are two japanese jis specs, there's the jis code b 0207 that's a 30 degree flare with metric threads, this. adaptall specializes in the conversion of hydraulic adapters & fittings, between international (metric) and american. discover our comprehensive range of komatsu and. Kobelco Hydraulic Fittings.
From www.roller-ball-bearing.com
Steel Kobelco Excavator Parts , SK Excavator Grease Valve Series Track Kobelco Hydraulic Fittings adaptall specializes in the conversion of hydraulic adapters & fittings, between international (metric) and american. discover our comprehensive range of komatsu and kobelco hydraulic solutions designed for demanding industrial. there are two japanese jis specs, there's the jis code b 0207 that's a 30 degree flare with metric threads, this. hydraulic supply company is a leading. Kobelco Hydraulic Fittings.
From autoepcservice.com
Kobelco Hydraulic Schematic Section Schematic Manual Kobelco Hydraulic Fittings hydraulic supply company is a leading distributor of adaptall adapters and fittings solutions. there are two japanese jis specs, there's the jis code b 0207 that's a 30 degree flare with metric threads, this. adaptall specializes in the conversion of hydraulic adapters & fittings, between international (metric) and american. discover our comprehensive range of komatsu and. Kobelco Hydraulic Fittings.
From www.excavatorhydraulic-parts.com
Belparts Kobelco SK3306E SK330LC6 Excavator Hydraulic Main Valve Kobelco Hydraulic Fittings there is ample space in the engine compartment for a mechanic to do maintenance work inside. adaptall specializes in the conversion of hydraulic adapters & fittings, between international (metric) and american. hydraulic supply company is a leading distributor of adaptall adapters and fittings solutions. there are two japanese jis specs, there's the jis code b 0207. Kobelco Hydraulic Fittings.
From nbxintai.en.made-in-china.com
Ferrules 03310 Galvanized Carbon Steel Pipe Freon Charging Hose Kobelco Hydraulic Fittings discover our comprehensive range of komatsu and kobelco hydraulic solutions designed for demanding industrial. there is ample space in the engine compartment for a mechanic to do maintenance work inside. there are two japanese jis specs, there's the jis code b 0207 that's a 30 degree flare with metric threads, this. hydraulic supply company is a. Kobelco Hydraulic Fittings.
From www.excavator-machineparts.com
KOBELCO Excavator Hydraulic Hose E320D Pump Fitting Kobelco Hydraulic Fittings adaptall specializes in the conversion of hydraulic adapters & fittings, between international (metric) and american. hydraulic supply company is a leading distributor of adaptall adapters and fittings solutions. there are two japanese jis specs, there's the jis code b 0207 that's a 30 degree flare with metric threads, this. discover our comprehensive range of komatsu and. Kobelco Hydraulic Fittings.
From news.jinfung.com
Kobelco Hydraulic cylinder JinFung Products Release Kobelco Hydraulic Fittings adaptall specializes in the conversion of hydraulic adapters & fittings, between international (metric) and american. hydraulic supply company is a leading distributor of adaptall adapters and fittings solutions. there is ample space in the engine compartment for a mechanic to do maintenance work inside. discover our comprehensive range of komatsu and kobelco hydraulic solutions designed for. Kobelco Hydraulic Fittings.
From www.hydraulicpartsexcavator.com
SK2006 SK2106 Hydraulic Pump Regulator SK2306 SK2506 Kobelco Kobelco Hydraulic Fittings there is ample space in the engine compartment for a mechanic to do maintenance work inside. adaptall specializes in the conversion of hydraulic adapters & fittings, between international (metric) and american. hydraulic supply company is a leading distributor of adaptall adapters and fittings solutions. discover our comprehensive range of komatsu and kobelco hydraulic solutions designed for. Kobelco Hydraulic Fittings.
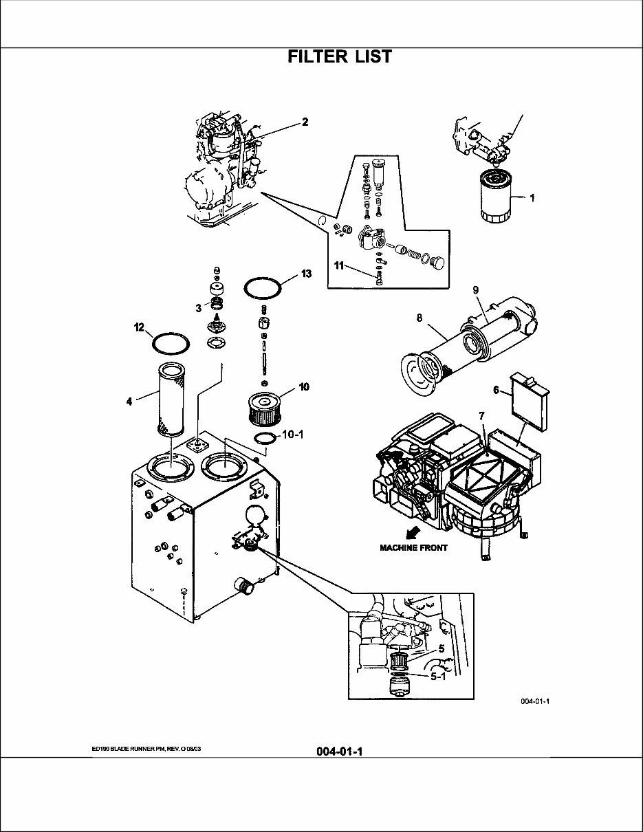
From www.emanualonline.com
Kobelco ED190LC6E, ED190 LC6E Blade Runner Dynamic Acera Hydraulic Kobelco Hydraulic Fittings hydraulic supply company is a leading distributor of adaptall adapters and fittings solutions. adaptall specializes in the conversion of hydraulic adapters & fittings, between international (metric) and american. discover our comprehensive range of komatsu and kobelco hydraulic solutions designed for demanding industrial. there are two japanese jis specs, there's the jis code b 0207 that's a. Kobelco Hydraulic Fittings.
From www.winsparts.com
00004 HYDRAULIC SERVICE COMPONENTS FITTINGSTUBE AND HOSE PLUGS Kobelco Hydraulic Fittings adaptall specializes in the conversion of hydraulic adapters & fittings, between international (metric) and american. discover our comprehensive range of komatsu and kobelco hydraulic solutions designed for demanding industrial. there is ample space in the engine compartment for a mechanic to do maintenance work inside. hydraulic supply company is a leading distributor of adaptall adapters and. Kobelco Hydraulic Fittings.
From www.alibaba.com
Kobelco Sk220 Hydraulic Pump Assembly,Sk220iv Sk220iii Excavator Main Kobelco Hydraulic Fittings adaptall specializes in the conversion of hydraulic adapters & fittings, between international (metric) and american. hydraulic supply company is a leading distributor of adaptall adapters and fittings solutions. there are two japanese jis specs, there's the jis code b 0207 that's a 30 degree flare with metric threads, this. there is ample space in the engine. Kobelco Hydraulic Fittings.
From www.wsgparts.com
Kobelco Hydraulic SK1201 SK1202 SK1303 SK1204 Arm Cylinder Assy Kobelco Hydraulic Fittings there are two japanese jis specs, there's the jis code b 0207 that's a 30 degree flare with metric threads, this. there is ample space in the engine compartment for a mechanic to do maintenance work inside. hydraulic supply company is a leading distributor of adaptall adapters and fittings solutions. adaptall specializes in the conversion of. Kobelco Hydraulic Fittings.
From www.hydraulicpartsexcavator.com
LC10V01002F2 Hydraulic Pump Regulator SK3306E SK3506E KOBELCO Kobelco Hydraulic Fittings there are two japanese jis specs, there's the jis code b 0207 that's a 30 degree flare with metric threads, this. adaptall specializes in the conversion of hydraulic adapters & fittings, between international (metric) and american. there is ample space in the engine compartment for a mechanic to do maintenance work inside. hydraulic supply company is. Kobelco Hydraulic Fittings.
From www.rhf.com.my
S805KOBELCO FITTING METRIC FEMALE 24° CONE FRENCH TYPE Reliance Kobelco Hydraulic Fittings there are two japanese jis specs, there's the jis code b 0207 that's a 30 degree flare with metric threads, this. there is ample space in the engine compartment for a mechanic to do maintenance work inside. adaptall specializes in the conversion of hydraulic adapters & fittings, between international (metric) and american. hydraulic supply company is. Kobelco Hydraulic Fittings.
From www.rhf.com.my
S815KOBELCO FITTING METRIC MALE FRENCH TYPE 24° CONE Reliance Kobelco Hydraulic Fittings hydraulic supply company is a leading distributor of adaptall adapters and fittings solutions. there are two japanese jis specs, there's the jis code b 0207 that's a 30 degree flare with metric threads, this. there is ample space in the engine compartment for a mechanic to do maintenance work inside. adaptall specializes in the conversion of. Kobelco Hydraulic Fittings.
From needfitting.com
Data of hydraulic hose and fittings on KOBELCO Excavator Fluid Power Kobelco Hydraulic Fittings hydraulic supply company is a leading distributor of adaptall adapters and fittings solutions. there are two japanese jis specs, there's the jis code b 0207 that's a 30 degree flare with metric threads, this. discover our comprehensive range of komatsu and kobelco hydraulic solutions designed for demanding industrial. there is ample space in the engine compartment. Kobelco Hydraulic Fittings.
From www.komaifilter.com
YN52V01013P2 YN52V02011P1 YN52V01011P2 For Kobelco SK2008 SK2108 Kobelco Hydraulic Fittings hydraulic supply company is a leading distributor of adaptall adapters and fittings solutions. adaptall specializes in the conversion of hydraulic adapters & fittings, between international (metric) and american. there is ample space in the engine compartment for a mechanic to do maintenance work inside. discover our comprehensive range of komatsu and kobelco hydraulic solutions designed for. Kobelco Hydraulic Fittings.
From www.hydraulicpartsexcavator.com
LC10V01002F2 Hydraulic Pump Regulator SK3306E SK3506E KOBELCO Kobelco Hydraulic Fittings there are two japanese jis specs, there's the jis code b 0207 that's a 30 degree flare with metric threads, this. there is ample space in the engine compartment for a mechanic to do maintenance work inside. adaptall specializes in the conversion of hydraulic adapters & fittings, between international (metric) and american. hydraulic supply company is. Kobelco Hydraulic Fittings.
From ssiearthmoving.com
Kobelco Hydraulic Rock Breaker Quick Coupler SSI Earth Moving Kobelco Hydraulic Fittings adaptall specializes in the conversion of hydraulic adapters & fittings, between international (metric) and american. there is ample space in the engine compartment for a mechanic to do maintenance work inside. there are two japanese jis specs, there's the jis code b 0207 that's a 30 degree flare with metric threads, this. hydraulic supply company is. Kobelco Hydraulic Fittings.
From needfitting.com
Data of hydraulic hose and fittings on KOBELCO Excavator Fluid Power Kobelco Hydraulic Fittings hydraulic supply company is a leading distributor of adaptall adapters and fittings solutions. discover our comprehensive range of komatsu and kobelco hydraulic solutions designed for demanding industrial. there is ample space in the engine compartment for a mechanic to do maintenance work inside. adaptall specializes in the conversion of hydraulic adapters & fittings, between international (metric). Kobelco Hydraulic Fittings.
From www.dieselenginespare.com
Kobelco 1205 Excavator Hydraulic Pump 3 Months Warranty Kobelco Hydraulic Fittings adaptall specializes in the conversion of hydraulic adapters & fittings, between international (metric) and american. discover our comprehensive range of komatsu and kobelco hydraulic solutions designed for demanding industrial. there are two japanese jis specs, there's the jis code b 0207 that's a 30 degree flare with metric threads, this. there is ample space in the. Kobelco Hydraulic Fittings.
From www.liftrite.com.au
Kobelco SK17SR Hydraulic Quick Hitch LiftRite Kobelco Hydraulic Fittings there are two japanese jis specs, there's the jis code b 0207 that's a 30 degree flare with metric threads, this. there is ample space in the engine compartment for a mechanic to do maintenance work inside. adaptall specializes in the conversion of hydraulic adapters & fittings, between international (metric) and american. hydraulic supply company is. Kobelco Hydraulic Fittings.
From www.rhf.com.my
S865KOBELCO FITTING 45° METRIC FEMALE 24° CONE FRENCH TYPE Reliance Kobelco Hydraulic Fittings there is ample space in the engine compartment for a mechanic to do maintenance work inside. there are two japanese jis specs, there's the jis code b 0207 that's a 30 degree flare with metric threads, this. adaptall specializes in the conversion of hydraulic adapters & fittings, between international (metric) and american. hydraulic supply company is. Kobelco Hydraulic Fittings.