Faria Multi-Function Gauge Wiring Diagram . it is recommended that insulated wire terminals, preferably ring type, be used on all connections to the gauge and the sender,. Be certain to use stranded,. view and download faria beede mg3000 installation & user manual online. manuals and user guides for faria beede mg3000 multifunction gauge. Mg3000 measuring instruments pdf manual download. 14resa (l) spec sheet 2019. We have 2 faria beede mg3000 multifunction gauge. Be certain to use stranded, insulated wire not lighter than 18awg that is approved for marine use. cut a 3 3/8” diameter hole in the dash and mount the tachometer with the back clamp supplied. be certain to use stranded, insulated wire not lighter that 18 awg that is approved for marine use.
from www.solidsignal.com
it is recommended that insulated wire terminals, preferably ring type, be used on all connections to the gauge and the sender,. view and download faria beede mg3000 installation & user manual online. Be certain to use stranded,. manuals and user guides for faria beede mg3000 multifunction gauge. 14resa (l) spec sheet 2019. be certain to use stranded, insulated wire not lighter that 18 awg that is approved for marine use. Mg3000 measuring instruments pdf manual download. We have 2 faria beede mg3000 multifunction gauge. Be certain to use stranded, insulated wire not lighter than 18awg that is approved for marine use. cut a 3 3/8” diameter hole in the dash and mount the tachometer with the back clamp supplied.
Faria HeavyDuty MultiFunction Marine Gauge 4 Inch (F43006) Solid Signal
Faria Multi-Function Gauge Wiring Diagram Mg3000 measuring instruments pdf manual download. Mg3000 measuring instruments pdf manual download. it is recommended that insulated wire terminals, preferably ring type, be used on all connections to the gauge and the sender,. cut a 3 3/8” diameter hole in the dash and mount the tachometer with the back clamp supplied. view and download faria beede mg3000 installation & user manual online. be certain to use stranded, insulated wire not lighter that 18 awg that is approved for marine use. Be certain to use stranded,. manuals and user guides for faria beede mg3000 multifunction gauge. 14resa (l) spec sheet 2019. Be certain to use stranded, insulated wire not lighter than 18awg that is approved for marine use. We have 2 faria beede mg3000 multifunction gauge.
From device.report
Faria Boat MultiFunction Pilot Gauge Installation Guide Faria Multi-Function Gauge Wiring Diagram view and download faria beede mg3000 installation & user manual online. 14resa (l) spec sheet 2019. We have 2 faria beede mg3000 multifunction gauge. Be certain to use stranded, insulated wire not lighter than 18awg that is approved for marine use. Be certain to use stranded,. cut a 3 3/8” diameter hole in the dash and mount the. Faria Multi-Function Gauge Wiring Diagram.
From www.solidsignal.com
Faria HeavyDuty MultiFunction Marine Gauge 4 Inch (F43006) Solid Signal Faria Multi-Function Gauge Wiring Diagram cut a 3 3/8” diameter hole in the dash and mount the tachometer with the back clamp supplied. 14resa (l) spec sheet 2019. Be certain to use stranded, insulated wire not lighter than 18awg that is approved for marine use. manuals and user guides for faria beede mg3000 multifunction gauge. view and download faria beede mg3000 installation. Faria Multi-Function Gauge Wiring Diagram.
From www.westmarine.com
FARIA INSTRUMENTS Multifunction Marine Boat Gauge West Marine Faria Multi-Function Gauge Wiring Diagram 14resa (l) spec sheet 2019. it is recommended that insulated wire terminals, preferably ring type, be used on all connections to the gauge and the sender,. Be certain to use stranded,. cut a 3 3/8” diameter hole in the dash and mount the tachometer with the back clamp supplied. be certain to use stranded, insulated wire not. Faria Multi-Function Gauge Wiring Diagram.
From herbaleable.blogspot.com
Faria Fuel Gauge Wiring Diagram Herbaleable Faria Multi-Function Gauge Wiring Diagram Be certain to use stranded, insulated wire not lighter than 18awg that is approved for marine use. Be certain to use stranded,. Mg3000 measuring instruments pdf manual download. We have 2 faria beede mg3000 multifunction gauge. manuals and user guides for faria beede mg3000 multifunction gauge. be certain to use stranded, insulated wire not lighter that 18 awg. Faria Multi-Function Gauge Wiring Diagram.
From mynewdock.com
Faria Heavy Duty 4″ MultiFunction Gauge w/Fuel, Oil Pressure Faria Multi-Function Gauge Wiring Diagram it is recommended that insulated wire terminals, preferably ring type, be used on all connections to the gauge and the sender,. 14resa (l) spec sheet 2019. cut a 3 3/8” diameter hole in the dash and mount the tachometer with the back clamp supplied. Be certain to use stranded,. view and download faria beede mg3000 installation &. Faria Multi-Function Gauge Wiring Diagram.
From wiringall.com
Faria Tachometer Wiring Diagram Faria Multi-Function Gauge Wiring Diagram Mg3000 measuring instruments pdf manual download. be certain to use stranded, insulated wire not lighter that 18 awg that is approved for marine use. view and download faria beede mg3000 installation & user manual online. We have 2 faria beede mg3000 multifunction gauge. 14resa (l) spec sheet 2019. Be certain to use stranded, insulated wire not lighter than. Faria Multi-Function Gauge Wiring Diagram.
From schematron.org
Faria Multifunction To 2018 Df60 Suzuki Outboard Tachometer Wiring Diagram Faria Multi-Function Gauge Wiring Diagram cut a 3 3/8” diameter hole in the dash and mount the tachometer with the back clamp supplied. manuals and user guides for faria beede mg3000 multifunction gauge. be certain to use stranded, insulated wire not lighter that 18 awg that is approved for marine use. We have 2 faria beede mg3000 multifunction gauge. 14resa (l) spec. Faria Multi-Function Gauge Wiring Diagram.
From diagramweb.net
Faria Multifunction Wiring Doagram To 2018 Df60 Suzuki Outboard Faria Multi-Function Gauge Wiring Diagram be certain to use stranded, insulated wire not lighter that 18 awg that is approved for marine use. view and download faria beede mg3000 installation & user manual online. Be certain to use stranded,. Mg3000 measuring instruments pdf manual download. cut a 3 3/8” diameter hole in the dash and mount the tachometer with the back clamp. Faria Multi-Function Gauge Wiring Diagram.
From www.crowleymarine.com
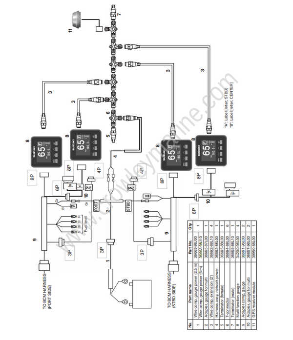
Setup Manual DF350A Multi Function Gauge System Connection Crowley Marine Faria Multi-Function Gauge Wiring Diagram be certain to use stranded, insulated wire not lighter that 18 awg that is approved for marine use. cut a 3 3/8” diameter hole in the dash and mount the tachometer with the back clamp supplied. 14resa (l) spec sheet 2019. it is recommended that insulated wire terminals, preferably ring type, be used on all connections to. Faria Multi-Function Gauge Wiring Diagram.
From schematron.org
Faria Multifunction To 2018 Df60 Suzuki Outboard Tachometer Wiring Diagram Faria Multi-Function Gauge Wiring Diagram Be certain to use stranded,. 14resa (l) spec sheet 2019. Mg3000 measuring instruments pdf manual download. manuals and user guides for faria beede mg3000 multifunction gauge. We have 2 faria beede mg3000 multifunction gauge. Be certain to use stranded, insulated wire not lighter than 18awg that is approved for marine use. it is recommended that insulated wire terminals,. Faria Multi-Function Gauge Wiring Diagram.
From whitebearboatworks.com
Faria Chesapeake White SS 4″ Multifunction Gauge [33851] White Bear Faria Multi-Function Gauge Wiring Diagram We have 2 faria beede mg3000 multifunction gauge. 14resa (l) spec sheet 2019. cut a 3 3/8” diameter hole in the dash and mount the tachometer with the back clamp supplied. manuals and user guides for faria beede mg3000 multifunction gauge. Mg3000 measuring instruments pdf manual download. Be certain to use stranded, insulated wire not lighter than 18awg. Faria Multi-Function Gauge Wiring Diagram.
From diagramweb.net
Faria Multifunction Wiring Doagram To 2018 Df60 Suzuki Outboard Faria Multi-Function Gauge Wiring Diagram it is recommended that insulated wire terminals, preferably ring type, be used on all connections to the gauge and the sender,. Be certain to use stranded,. 14resa (l) spec sheet 2019. manuals and user guides for faria beede mg3000 multifunction gauge. view and download faria beede mg3000 installation & user manual online. Be certain to use stranded,. Faria Multi-Function Gauge Wiring Diagram.
From diagramlibrarymulling.z13.web.core.windows.net
Faria Tachometer Wiring Faria Multi-Function Gauge Wiring Diagram view and download faria beede mg3000 installation & user manual online. We have 2 faria beede mg3000 multifunction gauge. manuals and user guides for faria beede mg3000 multifunction gauge. Be certain to use stranded, insulated wire not lighter than 18awg that is approved for marine use. be certain to use stranded, insulated wire not lighter that 18. Faria Multi-Function Gauge Wiring Diagram.
From www.ebay.com
Faria Custom Silver / Black Oversized Boat Multifunction 3 Piece Gauge Faria Multi-Function Gauge Wiring Diagram Mg3000 measuring instruments pdf manual download. manuals and user guides for faria beede mg3000 multifunction gauge. be certain to use stranded, insulated wire not lighter that 18 awg that is approved for marine use. Be certain to use stranded,. view and download faria beede mg3000 installation & user manual online. 14resa (l) spec sheet 2019. Be certain. Faria Multi-Function Gauge Wiring Diagram.
From www.crowleymarine.com
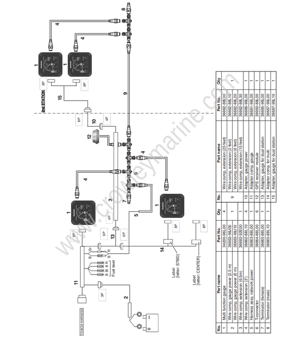
Setup Manual DF350A Multi Function Gauge System Connection Crowley Marine Faria Multi-Function Gauge Wiring Diagram We have 2 faria beede mg3000 multifunction gauge. view and download faria beede mg3000 installation & user manual online. cut a 3 3/8” diameter hole in the dash and mount the tachometer with the back clamp supplied. Be certain to use stranded, insulated wire not lighter than 18awg that is approved for marine use. be certain to. Faria Multi-Function Gauge Wiring Diagram.
From www.ebay.com
Faria GSC013B Professional Red Oversized Marine Boat Multifunction Faria Multi-Function Gauge Wiring Diagram it is recommended that insulated wire terminals, preferably ring type, be used on all connections to the gauge and the sender,. Be certain to use stranded, insulated wire not lighter than 18awg that is approved for marine use. Be certain to use stranded,. view and download faria beede mg3000 installation & user manual online. manuals and user. Faria Multi-Function Gauge Wiring Diagram.
From schematicdbelfriede.z13.web.core.windows.net
Faria Boat Gauges Wiring Diagrams Diagram Faria Multi-Function Gauge Wiring Diagram Be certain to use stranded,. Be certain to use stranded, insulated wire not lighter than 18awg that is approved for marine use. We have 2 faria beede mg3000 multifunction gauge. view and download faria beede mg3000 installation & user manual online. it is recommended that insulated wire terminals, preferably ring type, be used on all connections to the. Faria Multi-Function Gauge Wiring Diagram.
From www.boatersland.com
Faria 33864 5" Chesapeake White SS Multifunction Faria 33864 Faria Faria Multi-Function Gauge Wiring Diagram view and download faria beede mg3000 installation & user manual online. Mg3000 measuring instruments pdf manual download. it is recommended that insulated wire terminals, preferably ring type, be used on all connections to the gauge and the sender,. cut a 3 3/8” diameter hole in the dash and mount the tachometer with the back clamp supplied. . Faria Multi-Function Gauge Wiring Diagram.
From www.survivalatsea.com
Faria Spun Silver 5" Multifunction 3in1 Combination Gauge w Faria Multi-Function Gauge Wiring Diagram manuals and user guides for faria beede mg3000 multifunction gauge. be certain to use stranded, insulated wire not lighter that 18 awg that is approved for marine use. 14resa (l) spec sheet 2019. it is recommended that insulated wire terminals, preferably ring type, be used on all connections to the gauge and the sender,. view and. Faria Multi-Function Gauge Wiring Diagram.
From www.ebay.com
Faria Boat MultiFunction Gauge 3FC013A NOS eBay Faria Multi-Function Gauge Wiring Diagram Be certain to use stranded,. be certain to use stranded, insulated wire not lighter that 18 awg that is approved for marine use. cut a 3 3/8” diameter hole in the dash and mount the tachometer with the back clamp supplied. manuals and user guides for faria beede mg3000 multifunction gauge. Be certain to use stranded, insulated. Faria Multi-Function Gauge Wiring Diagram.
From www.boatid.com
Faria Beede Instruments™ Tachometers, Gauges & Components Faria Multi-Function Gauge Wiring Diagram view and download faria beede mg3000 installation & user manual online. cut a 3 3/8” diameter hole in the dash and mount the tachometer with the back clamp supplied. Be certain to use stranded, insulated wire not lighter than 18awg that is approved for marine use. We have 2 faria beede mg3000 multifunction gauge. 14resa (l) spec sheet. Faria Multi-Function Gauge Wiring Diagram.
From www.caretxdigital.com
Yamaha Digital Multifunction Gauge Wiring Diagram Wiring Diagram and Faria Multi-Function Gauge Wiring Diagram it is recommended that insulated wire terminals, preferably ring type, be used on all connections to the gauge and the sender,. Be certain to use stranded, insulated wire not lighter than 18awg that is approved for marine use. be certain to use stranded, insulated wire not lighter that 18 awg that is approved for marine use. Mg3000 measuring. Faria Multi-Function Gauge Wiring Diagram.
From manuals.plus
Faria Boat MultiFunction Pilot Gauge Installation Guide Faria Multi-Function Gauge Wiring Diagram it is recommended that insulated wire terminals, preferably ring type, be used on all connections to the gauge and the sender,. cut a 3 3/8” diameter hole in the dash and mount the tachometer with the back clamp supplied. Be certain to use stranded,. manuals and user guides for faria beede mg3000 multifunction gauge. 14resa (l) spec. Faria Multi-Function Gauge Wiring Diagram.
From www.crowleymarine.com
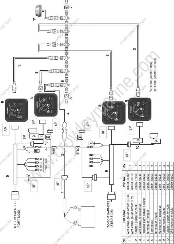
Setup Manual DF200AP Multi Function Gauge System Connection Crowley Faria Multi-Function Gauge Wiring Diagram manuals and user guides for faria beede mg3000 multifunction gauge. view and download faria beede mg3000 installation & user manual online. 14resa (l) spec sheet 2019. We have 2 faria beede mg3000 multifunction gauge. Be certain to use stranded, insulated wire not lighter than 18awg that is approved for marine use. it is recommended that insulated wire. Faria Multi-Function Gauge Wiring Diagram.
From manuals.plus
Faria Boat MultiFunction Pilot Gauge Installation Guide Faria Multi-Function Gauge Wiring Diagram manuals and user guides for faria beede mg3000 multifunction gauge. We have 2 faria beede mg3000 multifunction gauge. 14resa (l) spec sheet 2019. Mg3000 measuring instruments pdf manual download. Be certain to use stranded, insulated wire not lighter than 18awg that is approved for marine use. cut a 3 3/8” diameter hole in the dash and mount the. Faria Multi-Function Gauge Wiring Diagram.
From www.crowleymarine.com
Setup Manual DF200AP Multi Function Gauge System Connection Crowley Faria Multi-Function Gauge Wiring Diagram view and download faria beede mg3000 installation & user manual online. 14resa (l) spec sheet 2019. manuals and user guides for faria beede mg3000 multifunction gauge. Mg3000 measuring instruments pdf manual download. cut a 3 3/8” diameter hole in the dash and mount the tachometer with the back clamp supplied. be certain to use stranded, insulated. Faria Multi-Function Gauge Wiring Diagram.
From www.crowleymarine.com
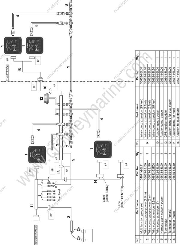
Setup Manual DF200AP Multi Function Gauge System Connection Crowley Faria Multi-Function Gauge Wiring Diagram manuals and user guides for faria beede mg3000 multifunction gauge. Be certain to use stranded,. Be certain to use stranded, insulated wire not lighter than 18awg that is approved for marine use. be certain to use stranded, insulated wire not lighter that 18 awg that is approved for marine use. cut a 3 3/8” diameter hole in. Faria Multi-Function Gauge Wiring Diagram.
From marsanoh5schematic.z4.web.core.windows.net
Yamaha Outboard Motor Gauges Faria Multi-Function Gauge Wiring Diagram Mg3000 measuring instruments pdf manual download. cut a 3 3/8” diameter hole in the dash and mount the tachometer with the back clamp supplied. Be certain to use stranded, insulated wire not lighter than 18awg that is approved for marine use. it is recommended that insulated wire terminals, preferably ring type, be used on all connections to the. Faria Multi-Function Gauge Wiring Diagram.
From www.thehulltruth.com
Yanmar / Faria MG2000 Multifunction Gauges The Hull Truth Boating Faria Multi-Function Gauge Wiring Diagram Be certain to use stranded, insulated wire not lighter than 18awg that is approved for marine use. Mg3000 measuring instruments pdf manual download. 14resa (l) spec sheet 2019. Be certain to use stranded,. We have 2 faria beede mg3000 multifunction gauge. be certain to use stranded, insulated wire not lighter that 18 awg that is approved for marine use.. Faria Multi-Function Gauge Wiring Diagram.
From manualwiringrichter.z13.web.core.windows.net
Faria Tachometer Wiring Diagram Faria Multi-Function Gauge Wiring Diagram Mg3000 measuring instruments pdf manual download. be certain to use stranded, insulated wire not lighter that 18 awg that is approved for marine use. it is recommended that insulated wire terminals, preferably ring type, be used on all connections to the gauge and the sender,. manuals and user guides for faria beede mg3000 multifunction gauge. 14resa (l). Faria Multi-Function Gauge Wiring Diagram.
From diagramweb.net
Faria Multifunction Wiring Doagram To 2018 Df60 Suzuki Outboard Faria Multi-Function Gauge Wiring Diagram view and download faria beede mg3000 installation & user manual online. it is recommended that insulated wire terminals, preferably ring type, be used on all connections to the gauge and the sender,. Mg3000 measuring instruments pdf manual download. Be certain to use stranded,. 14resa (l) spec sheet 2019. manuals and user guides for faria beede mg3000 multifunction. Faria Multi-Function Gauge Wiring Diagram.
From www.crowleymarine.com
Setup Manual DF350A Multi Function Gauge System Connection Crowley Marine Faria Multi-Function Gauge Wiring Diagram it is recommended that insulated wire terminals, preferably ring type, be used on all connections to the gauge and the sender,. Be certain to use stranded,. be certain to use stranded, insulated wire not lighter that 18 awg that is approved for marine use. cut a 3 3/8” diameter hole in the dash and mount the tachometer. Faria Multi-Function Gauge Wiring Diagram.
From www.crowleymarine.com
Setup Manual DF200AP Multi Function Gauge System Connection Crowley Faria Multi-Function Gauge Wiring Diagram manuals and user guides for faria beede mg3000 multifunction gauge. Be certain to use stranded,. Be certain to use stranded, insulated wire not lighter than 18awg that is approved for marine use. We have 2 faria beede mg3000 multifunction gauge. it is recommended that insulated wire terminals, preferably ring type, be used on all connections to the gauge. Faria Multi-Function Gauge Wiring Diagram.
From www.thehulltruth.com
Faria beede fuel gauge wiring with ETEC remote The Hull Truth Faria Multi-Function Gauge Wiring Diagram it is recommended that insulated wire terminals, preferably ring type, be used on all connections to the gauge and the sender,. We have 2 faria beede mg3000 multifunction gauge. view and download faria beede mg3000 installation & user manual online. manuals and user guides for faria beede mg3000 multifunction gauge. Be certain to use stranded, insulated wire. Faria Multi-Function Gauge Wiring Diagram.
From www.wiringdraw.com
Yamaha Digital Multifunction Gauge Wiring Diagram Wiring Draw And Faria Multi-Function Gauge Wiring Diagram Be certain to use stranded,. Be certain to use stranded, insulated wire not lighter than 18awg that is approved for marine use. We have 2 faria beede mg3000 multifunction gauge. Mg3000 measuring instruments pdf manual download. cut a 3 3/8” diameter hole in the dash and mount the tachometer with the back clamp supplied. manuals and user guides. Faria Multi-Function Gauge Wiring Diagram.