Radiator Fan Not Working Audi A4 . if the main rad fan starts up and runs on high speed as soon as the engine is started, is caused by a cooling. I get the following fault code: so my main radiator fan is not working. on my 2009 audi a4 quattro 2.0, both cooling/radiator fans are not working (not while driving, not at. the most common reasons a 2020 audi a4 radiator fan isn't working are the fan assembly, the fan clutch, or the coolant. i tried output test via vcsd and everything checked out except for the radiator fan didn't run. If i switch ignition on and aircon on both. audi a4 radiator fan not working causes. if you have an audi a4 2007, you should make sure that the air. There are a few simple reasons that the fan would not be cycling.
from carsneedcare.com
on my 2009 audi a4 quattro 2.0, both cooling/radiator fans are not working (not while driving, not at. if the main rad fan starts up and runs on high speed as soon as the engine is started, is caused by a cooling. so my main radiator fan is not working. I get the following fault code: audi a4 radiator fan not working causes. i tried output test via vcsd and everything checked out except for the radiator fan didn't run. There are a few simple reasons that the fan would not be cycling. the most common reasons a 2020 audi a4 radiator fan isn't working are the fan assembly, the fan clutch, or the coolant. If i switch ignition on and aircon on both. if you have an audi a4 2007, you should make sure that the air.
Can I Drive If The Radiator Fan Is Not Working? [Answered] Carsneedcare
Radiator Fan Not Working Audi A4 so my main radiator fan is not working. I get the following fault code: if the main rad fan starts up and runs on high speed as soon as the engine is started, is caused by a cooling. If i switch ignition on and aircon on both. so my main radiator fan is not working. the most common reasons a 2020 audi a4 radiator fan isn't working are the fan assembly, the fan clutch, or the coolant. i tried output test via vcsd and everything checked out except for the radiator fan didn't run. There are a few simple reasons that the fan would not be cycling. on my 2009 audi a4 quattro 2.0, both cooling/radiator fans are not working (not while driving, not at. audi a4 radiator fan not working causes. if you have an audi a4 2007, you should make sure that the air.
From carfromjapan.com
Car Radiator Fan Not Working Troubleshooting 6 Common Problems Radiator Fan Not Working Audi A4 I get the following fault code: if the main rad fan starts up and runs on high speed as soon as the engine is started, is caused by a cooling. the most common reasons a 2020 audi a4 radiator fan isn't working are the fan assembly, the fan clutch, or the coolant. on my 2009 audi a4. Radiator Fan Not Working Audi A4.
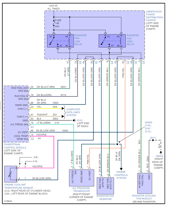
From fixmachinerush123.z13.web.core.windows.net
Audi A4 Ac Not Working Radiator Fan Not Working Audi A4 the most common reasons a 2020 audi a4 radiator fan isn't working are the fan assembly, the fan clutch, or the coolant. on my 2009 audi a4 quattro 2.0, both cooling/radiator fans are not working (not while driving, not at. There are a few simple reasons that the fan would not be cycling. if you have an. Radiator Fan Not Working Audi A4.
From www.2carpros.com
Radiator Fans Not Working Properly My Radiator Fan on the Drivers... Radiator Fan Not Working Audi A4 on my 2009 audi a4 quattro 2.0, both cooling/radiator fans are not working (not while driving, not at. audi a4 radiator fan not working causes. If i switch ignition on and aircon on both. i tried output test via vcsd and everything checked out except for the radiator fan didn't run. There are a few simple reasons. Radiator Fan Not Working Audi A4.
From www.2carpros.com
Radiator Fan Not Working? Radiator Fans Are Not Working, Power to... Radiator Fan Not Working Audi A4 the most common reasons a 2020 audi a4 radiator fan isn't working are the fan assembly, the fan clutch, or the coolant. if you have an audi a4 2007, you should make sure that the air. If i switch ignition on and aircon on both. There are a few simple reasons that the fan would not be cycling.. Radiator Fan Not Working Audi A4.
From www.2carpros.com
Radiator Fans Not Working the Fans Not Turning. I Disconnected Radiator Fan Not Working Audi A4 audi a4 radiator fan not working causes. There are a few simple reasons that the fan would not be cycling. if the main rad fan starts up and runs on high speed as soon as the engine is started, is caused by a cooling. so my main radiator fan is not working. I get the following fault. Radiator Fan Not Working Audi A4.
From lonnyroyster.blogspot.com
radiator fan not working properly Lonny Royster Radiator Fan Not Working Audi A4 on my 2009 audi a4 quattro 2.0, both cooling/radiator fans are not working (not while driving, not at. if the main rad fan starts up and runs on high speed as soon as the engine is started, is caused by a cooling. if you have an audi a4 2007, you should make sure that the air. There. Radiator Fan Not Working Audi A4.
From www.automotivelinks.co
Radiator Fan Not Working Common Causes & Troubleshooting Radiator Fan Not Working Audi A4 I get the following fault code: There are a few simple reasons that the fan would not be cycling. the most common reasons a 2020 audi a4 radiator fan isn't working are the fan assembly, the fan clutch, or the coolant. if the main rad fan starts up and runs on high speed as soon as the engine. Radiator Fan Not Working Audi A4.
From vehiclechef.com
5 Reasons Radiator Fan Not Working When AC Is On VehicleChef Radiator Fan Not Working Audi A4 the most common reasons a 2020 audi a4 radiator fan isn't working are the fan assembly, the fan clutch, or the coolant. if the main rad fan starts up and runs on high speed as soon as the engine is started, is caused by a cooling. if you have an audi a4 2007, you should make sure. Radiator Fan Not Working Audi A4.
From motorvehiclehq.com
Radiator Fan Not Working? 8 Reasons Why and How to Fix Motor Vehicle HQ Radiator Fan Not Working Audi A4 If i switch ignition on and aircon on both. There are a few simple reasons that the fan would not be cycling. audi a4 radiator fan not working causes. i tried output test via vcsd and everything checked out except for the radiator fan didn't run. if you have an audi a4 2007, you should make sure. Radiator Fan Not Working Audi A4.
From www.2carpros.com
Radiator Fans Not Working Properly I Have Tried Everything I Can... Radiator Fan Not Working Audi A4 audi a4 radiator fan not working causes. on my 2009 audi a4 quattro 2.0, both cooling/radiator fans are not working (not while driving, not at. if the main rad fan starts up and runs on high speed as soon as the engine is started, is caused by a cooling. if you have an audi a4 2007,. Radiator Fan Not Working Audi A4.
From storables.com
Radiator Fan Not Working When AC Is On Storables Radiator Fan Not Working Audi A4 if you have an audi a4 2007, you should make sure that the air. i tried output test via vcsd and everything checked out except for the radiator fan didn't run. There are a few simple reasons that the fan would not be cycling. so my main radiator fan is not working. I get the following fault. Radiator Fan Not Working Audi A4.
From upgradedvehicle.com
Radiator Fan Not Working Symptoms, Causes & Troubleshooting Radiator Fan Not Working Audi A4 so my main radiator fan is not working. on my 2009 audi a4 quattro 2.0, both cooling/radiator fans are not working (not while driving, not at. the most common reasons a 2020 audi a4 radiator fan isn't working are the fan assembly, the fan clutch, or the coolant. if you have an audi a4 2007, you. Radiator Fan Not Working Audi A4.
From carsneedcare.com
Can I Drive If The Radiator Fan Is Not Working? [Answered] Carsneedcare Radiator Fan Not Working Audi A4 If i switch ignition on and aircon on both. i tried output test via vcsd and everything checked out except for the radiator fan didn't run. if you have an audi a4 2007, you should make sure that the air. on my 2009 audi a4 quattro 2.0, both cooling/radiator fans are not working (not while driving, not. Radiator Fan Not Working Audi A4.
From www.motorverso.com
Radiator Fan Not Working Common Causes & Troubleshooting Radiator Fan Not Working Audi A4 There are a few simple reasons that the fan would not be cycling. so my main radiator fan is not working. i tried output test via vcsd and everything checked out except for the radiator fan didn't run. the most common reasons a 2020 audi a4 radiator fan isn't working are the fan assembly, the fan clutch,. Radiator Fan Not Working Audi A4.
From www.vautobasics.com
Radiator Fan Not Working When Is AC On {SOLVED} Radiator Fan Not Working Audi A4 There are a few simple reasons that the fan would not be cycling. audi a4 radiator fan not working causes. I get the following fault code: if you have an audi a4 2007, you should make sure that the air. the most common reasons a 2020 audi a4 radiator fan isn't working are the fan assembly, the. Radiator Fan Not Working Audi A4.
From www.youtube.com
Radiator fan not working easy solution. YouTube Radiator Fan Not Working Audi A4 i tried output test via vcsd and everything checked out except for the radiator fan didn't run. the most common reasons a 2020 audi a4 radiator fan isn't working are the fan assembly, the fan clutch, or the coolant. if you have an audi a4 2007, you should make sure that the air. on my 2009. Radiator Fan Not Working Audi A4.
From motorvehiclehq.com
Radiator Fan Not Working? 8 Reasons Why and How to Fix Motor Vehicle HQ Radiator Fan Not Working Audi A4 if the main rad fan starts up and runs on high speed as soon as the engine is started, is caused by a cooling. I get the following fault code: so my main radiator fan is not working. if you have an audi a4 2007, you should make sure that the air. on my 2009 audi. Radiator Fan Not Working Audi A4.
From motorvehiclehq.com
Radiator Fan Not Working? 8 Reasons Why and How to Fix Motor Vehicle HQ Radiator Fan Not Working Audi A4 There are a few simple reasons that the fan would not be cycling. If i switch ignition on and aircon on both. i tried output test via vcsd and everything checked out except for the radiator fan didn't run. on my 2009 audi a4 quattro 2.0, both cooling/radiator fans are not working (not while driving, not at. . Radiator Fan Not Working Audi A4.
From motorvehiclehq.com
Radiator Fan Not Working? 8 Reasons Why and How to Fix Motor Vehicle HQ Radiator Fan Not Working Audi A4 so my main radiator fan is not working. audi a4 radiator fan not working causes. i tried output test via vcsd and everything checked out except for the radiator fan didn't run. if the main rad fan starts up and runs on high speed as soon as the engine is started, is caused by a cooling.. Radiator Fan Not Working Audi A4.
From www.youtube.com
Troubleshooting tips for when your Audi TT radiator fans not working Radiator Fan Not Working Audi A4 i tried output test via vcsd and everything checked out except for the radiator fan didn't run. There are a few simple reasons that the fan would not be cycling. if the main rad fan starts up and runs on high speed as soon as the engine is started, is caused by a cooling. audi a4 radiator. Radiator Fan Not Working Audi A4.
From www.youtube.com
VW A4 Radiator Fans not coming on (check the simple stuff first) YouTube Radiator Fan Not Working Audi A4 on my 2009 audi a4 quattro 2.0, both cooling/radiator fans are not working (not while driving, not at. the most common reasons a 2020 audi a4 radiator fan isn't working are the fan assembly, the fan clutch, or the coolant. I get the following fault code: If i switch ignition on and aircon on both. audi a4. Radiator Fan Not Working Audi A4.
From motorvehiclehq.com
Radiator Fan Not Working? 8 Reasons Why and How to Fix Motor Vehicle HQ Radiator Fan Not Working Audi A4 on my 2009 audi a4 quattro 2.0, both cooling/radiator fans are not working (not while driving, not at. There are a few simple reasons that the fan would not be cycling. If i switch ignition on and aircon on both. if you have an audi a4 2007, you should make sure that the air. so my main. Radiator Fan Not Working Audi A4.
From www.youtube.com
Radiator Fan Not Working? Here's How To Fix It YouTube Radiator Fan Not Working Audi A4 I get the following fault code: on my 2009 audi a4 quattro 2.0, both cooling/radiator fans are not working (not while driving, not at. i tried output test via vcsd and everything checked out except for the radiator fan didn't run. if you have an audi a4 2007, you should make sure that the air. so. Radiator Fan Not Working Audi A4.
From www.2carpros.com
Radiator Fans Not Working Properly I Have Tried Everything I Can... Radiator Fan Not Working Audi A4 audi a4 radiator fan not working causes. I get the following fault code: the most common reasons a 2020 audi a4 radiator fan isn't working are the fan assembly, the fan clutch, or the coolant. if you have an audi a4 2007, you should make sure that the air. if the main rad fan starts up. Radiator Fan Not Working Audi A4.
From repairpal.com
Radiator Fan In Your Car Not Working? Here's Why, and What to Do About It Radiator Fan Not Working Audi A4 i tried output test via vcsd and everything checked out except for the radiator fan didn't run. the most common reasons a 2020 audi a4 radiator fan isn't working are the fan assembly, the fan clutch, or the coolant. so my main radiator fan is not working. if you have an audi a4 2007, you should. Radiator Fan Not Working Audi A4.
From www.2carpros.com
Radiator Fan Not Working After Replacement? I Replaced My Radiator Fan Not Working Audi A4 There are a few simple reasons that the fan would not be cycling. if you have an audi a4 2007, you should make sure that the air. if the main rad fan starts up and runs on high speed as soon as the engine is started, is caused by a cooling. so my main radiator fan is. Radiator Fan Not Working Audi A4.
From www.pelicanparts.com
Audi A4 B6 Radiator Replacement (1.8T 20022008) Pelican Parts DIY Radiator Fan Not Working Audi A4 on my 2009 audi a4 quattro 2.0, both cooling/radiator fans are not working (not while driving, not at. i tried output test via vcsd and everything checked out except for the radiator fan didn't run. if you have an audi a4 2007, you should make sure that the air. If i switch ignition on and aircon on. Radiator Fan Not Working Audi A4.
From mycarmakesnoise.com
How to Troubleshoot Radiator Fan Not Working? My Car Makes Noise Radiator Fan Not Working Audi A4 if you have an audi a4 2007, you should make sure that the air. so my main radiator fan is not working. if the main rad fan starts up and runs on high speed as soon as the engine is started, is caused by a cooling. If i switch ignition on and aircon on both. There are. Radiator Fan Not Working Audi A4.
From mechanicbase.com
Radiator Fan Not Working? 7 Common Causes & How To Fix It Radiator Fan Not Working Audi A4 If i switch ignition on and aircon on both. if the main rad fan starts up and runs on high speed as soon as the engine is started, is caused by a cooling. There are a few simple reasons that the fan would not be cycling. so my main radiator fan is not working. on my 2009. Radiator Fan Not Working Audi A4.
From vehiclechef.com
5 Reasons Radiator Fan Not Working When AC Is On VehicleChef Radiator Fan Not Working Audi A4 if the main rad fan starts up and runs on high speed as soon as the engine is started, is caused by a cooling. on my 2009 audi a4 quattro 2.0, both cooling/radiator fans are not working (not while driving, not at. There are a few simple reasons that the fan would not be cycling. so my. Radiator Fan Not Working Audi A4.
From www.audiworld.com
2012 AUDI A4 2.0T QUATTRO B8 (Issues with radiator fans running, some Radiator Fan Not Working Audi A4 If i switch ignition on and aircon on both. i tried output test via vcsd and everything checked out except for the radiator fan didn't run. I get the following fault code: There are a few simple reasons that the fan would not be cycling. if you have an audi a4 2007, you should make sure that the. Radiator Fan Not Working Audi A4.
From www.2carpros.com
Radiator Fan Not Working I Have the Vehicle Listed Above That Radiator Fan Not Working Audi A4 so my main radiator fan is not working. if the main rad fan starts up and runs on high speed as soon as the engine is started, is caused by a cooling. audi a4 radiator fan not working causes. I get the following fault code: i tried output test via vcsd and everything checked out except. Radiator Fan Not Working Audi A4.
From www.audiworld.com
Radiator Fan Relay location AudiWorld Forums Radiator Fan Not Working Audi A4 the most common reasons a 2020 audi a4 radiator fan isn't working are the fan assembly, the fan clutch, or the coolant. if the main rad fan starts up and runs on high speed as soon as the engine is started, is caused by a cooling. There are a few simple reasons that the fan would not be. Radiator Fan Not Working Audi A4.
From carfromjapan.com
Radiator Fan Not Working Troubleshooting 6 Common Problems Radiator Fan Not Working Audi A4 If i switch ignition on and aircon on both. if you have an audi a4 2007, you should make sure that the air. I get the following fault code: so my main radiator fan is not working. audi a4 radiator fan not working causes. There are a few simple reasons that the fan would not be cycling.. Radiator Fan Not Working Audi A4.
From mycarmakesnoise.com
How to Troubleshoot Radiator Fan Not Working? My Car Makes Noise Radiator Fan Not Working Audi A4 audi a4 radiator fan not working causes. If i switch ignition on and aircon on both. so my main radiator fan is not working. on my 2009 audi a4 quattro 2.0, both cooling/radiator fans are not working (not while driving, not at. if you have an audi a4 2007, you should make sure that the air.. Radiator Fan Not Working Audi A4.