Solid State Relay Using Mosfet . The solid state relay (ssr) is a safe, versatile, rugged on/off switch between a low level control signal and an ac/dc load, but needs to be. Mosfet relays are a subset of the class of solid state relays (ssrs), using mosfets to drive their output loads. A simple high current spdt solid state dc relay or a dc ssr can be constructed using a couple of mosfets and an optocoupler,. A power mosfet is bidirectional but fully controllable in only one direction. In terms of operation, ssrs are not very different from mechanical. A mosfet relay offers superior performance to an electromechanical relay in many applications. A solid state relay (ssr) is a relay that does not have a moving contact. They are mainly used for switching and connecting. A solution to this problem is the power mosfet.
        
         
         
        from oshwlab.com 
     
        
        They are mainly used for switching and connecting. A mosfet relay offers superior performance to an electromechanical relay in many applications. A solid state relay (ssr) is a relay that does not have a moving contact. A power mosfet is bidirectional but fully controllable in only one direction. Mosfet relays are a subset of the class of solid state relays (ssrs), using mosfets to drive their output loads. A simple high current spdt solid state dc relay or a dc ssr can be constructed using a couple of mosfets and an optocoupler,. The solid state relay (ssr) is a safe, versatile, rugged on/off switch between a low level control signal and an ac/dc load, but needs to be. A solution to this problem is the power mosfet. In terms of operation, ssrs are not very different from mechanical.
    
    	
            
	
		 
	 
         
    MOSFET based SolidState Relay with Optoisolated Input OSHWLab 
    Solid State Relay Using Mosfet  A solid state relay (ssr) is a relay that does not have a moving contact. A power mosfet is bidirectional but fully controllable in only one direction. A solution to this problem is the power mosfet. They are mainly used for switching and connecting. A simple high current spdt solid state dc relay or a dc ssr can be constructed using a couple of mosfets and an optocoupler,. Mosfet relays are a subset of the class of solid state relays (ssrs), using mosfets to drive their output loads. In terms of operation, ssrs are not very different from mechanical. A solid state relay (ssr) is a relay that does not have a moving contact. A mosfet relay offers superior performance to an electromechanical relay in many applications. The solid state relay (ssr) is a safe, versatile, rugged on/off switch between a low level control signal and an ac/dc load, but needs to be.
            
	
		 
	 
         
 
    
         
        From www.relay.com.tw 
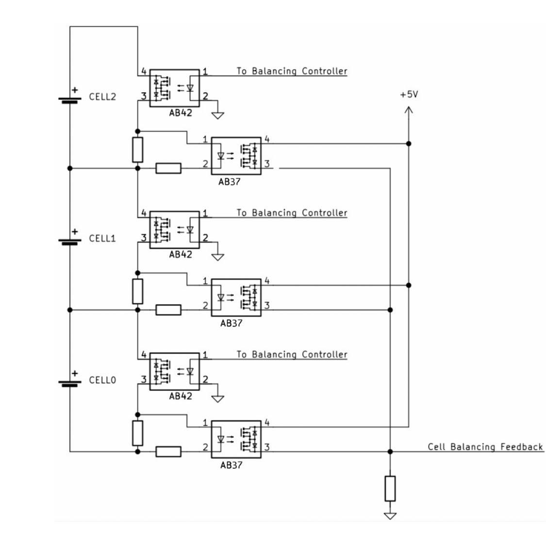
                    OptoMOSFET Relays' Role in BMS's battery balancing B.T A Solid State Relay Using Mosfet  A simple high current spdt solid state dc relay or a dc ssr can be constructed using a couple of mosfets and an optocoupler,. Mosfet relays are a subset of the class of solid state relays (ssrs), using mosfets to drive their output loads. They are mainly used for switching and connecting. The solid state relay (ssr) is a safe,. Solid State Relay Using Mosfet.
     
    
         
        From www.rs-online.vn 
                    Omron 0.5 A SPNO Solid State Relay, DC, PCB Mount, MOSFET, 60 V ac Solid State Relay Using Mosfet  A solid state relay (ssr) is a relay that does not have a moving contact. Mosfet relays are a subset of the class of solid state relays (ssrs), using mosfets to drive their output loads. They are mainly used for switching and connecting. In terms of operation, ssrs are not very different from mechanical. The solid state relay (ssr) is. Solid State Relay Using Mosfet.
     
    
         
        From www.grainger.com 
                    CRYDOM Solid State Relay 4 to 32V DC, 1 to 60V DC, 60 A Max. Output Solid State Relay Using Mosfet  The solid state relay (ssr) is a safe, versatile, rugged on/off switch between a low level control signal and an ac/dc load, but needs to be. A simple high current spdt solid state dc relay or a dc ssr can be constructed using a couple of mosfets and an optocoupler,. Mosfet relays are a subset of the class of solid. Solid State Relay Using Mosfet.
     
    
         
        From www.homemade-circuits.com 
                    Solid State Relay (SSR) Circuit using MOSFETs Homemade Circuit Projects Solid State Relay Using Mosfet  A solution to this problem is the power mosfet. The solid state relay (ssr) is a safe, versatile, rugged on/off switch between a low level control signal and an ac/dc load, but needs to be. They are mainly used for switching and connecting. Mosfet relays are a subset of the class of solid state relays (ssrs), using mosfets to drive. Solid State Relay Using Mosfet.
     
    
         
        From oshwlab.com 
                    MOSFET based SolidState Relay with Optoisolated Input OSHWLab Solid State Relay Using Mosfet  The solid state relay (ssr) is a safe, versatile, rugged on/off switch between a low level control signal and an ac/dc load, but needs to be. In terms of operation, ssrs are not very different from mechanical. A solid state relay (ssr) is a relay that does not have a moving contact. A power mosfet is bidirectional but fully controllable. Solid State Relay Using Mosfet.
     
    
         
        From www.raypcb.com 
                    Solid State Relay Vs MOSFET What are their Similarities and Solid State Relay Using Mosfet  A solution to this problem is the power mosfet. They are mainly used for switching and connecting. A mosfet relay offers superior performance to an electromechanical relay in many applications. Mosfet relays are a subset of the class of solid state relays (ssrs), using mosfets to drive their output loads. The solid state relay (ssr) is a safe, versatile, rugged. Solid State Relay Using Mosfet.
     
    
         
        From www.circuits-diy.com 
                    12 Volt DC Solid State Relay using BUZ71A Solid State Relay Using Mosfet  Mosfet relays are a subset of the class of solid state relays (ssrs), using mosfets to drive their output loads. A simple high current spdt solid state dc relay or a dc ssr can be constructed using a couple of mosfets and an optocoupler,. A solid state relay (ssr) is a relay that does not have a moving contact. The. Solid State Relay Using Mosfet.
     
    
         
        From schematicengineamber.z21.web.core.windows.net 
                    Solid State Relay Schematic Circuit Solid State Relay Using Mosfet  A simple high current spdt solid state dc relay or a dc ssr can be constructed using a couple of mosfets and an optocoupler,. In terms of operation, ssrs are not very different from mechanical. Mosfet relays are a subset of the class of solid state relays (ssrs), using mosfets to drive their output loads. A power mosfet is bidirectional. Solid State Relay Using Mosfet.
     
    
         
        From www.circuitdiagram.co 
                    Solid State Relay Mosfet Circuit Diagram Circuit Diagram Solid State Relay Using Mosfet  A power mosfet is bidirectional but fully controllable in only one direction. A mosfet relay offers superior performance to an electromechanical relay in many applications. In terms of operation, ssrs are not very different from mechanical. A solid state relay (ssr) is a relay that does not have a moving contact. Mosfet relays are a subset of the class of. Solid State Relay Using Mosfet.
     
    
         
        From www.youtube.com 
                    DC Solid State Relay using high current Mosfet and Optically isolated Solid State Relay Using Mosfet  Mosfet relays are a subset of the class of solid state relays (ssrs), using mosfets to drive their output loads. A solid state relay (ssr) is a relay that does not have a moving contact. A simple high current spdt solid state dc relay or a dc ssr can be constructed using a couple of mosfets and an optocoupler,. A. Solid State Relay Using Mosfet.
     
    
         
        From digital-pack-rat.com 
                    Solid State Relay (SSR) Circuit using MOSFETs Homemade Circuit Projects Solid State Relay Using Mosfet  Mosfet relays are a subset of the class of solid state relays (ssrs), using mosfets to drive their output loads. A solid state relay (ssr) is a relay that does not have a moving contact. The solid state relay (ssr) is a safe, versatile, rugged on/off switch between a low level control signal and an ac/dc load, but needs to. Solid State Relay Using Mosfet.
     
    
         
        From www.homemade-circuits.com 
                    Solid State Relay (SSR) Circuit using MOSFETs Homemade Circuit Projects Solid State Relay Using Mosfet  A solid state relay (ssr) is a relay that does not have a moving contact. The solid state relay (ssr) is a safe, versatile, rugged on/off switch between a low level control signal and an ac/dc load, but needs to be. They are mainly used for switching and connecting. Mosfet relays are a subset of the class of solid state. Solid State Relay Using Mosfet.
     
    
         
        From www.electro-tech-online.com 
                    Isolated Input, MOSFET AC/DC Solid State Relay (SSR) Electronics Solid State Relay Using Mosfet  A solution to this problem is the power mosfet. In terms of operation, ssrs are not very different from mechanical. A power mosfet is bidirectional but fully controllable in only one direction. A mosfet relay offers superior performance to an electromechanical relay in many applications. The solid state relay (ssr) is a safe, versatile, rugged on/off switch between a low. Solid State Relay Using Mosfet.
     
    
         
        From www.rs-online.id 
                    Sensata / Crydom 20 A Solid State Relay, Surface Mount, MOSFET, 100 V Solid State Relay Using Mosfet  A simple high current spdt solid state dc relay or a dc ssr can be constructed using a couple of mosfets and an optocoupler,. Mosfet relays are a subset of the class of solid state relays (ssrs), using mosfets to drive their output loads. A mosfet relay offers superior performance to an electromechanical relay in many applications. A power mosfet. Solid State Relay Using Mosfet.
     
    
         
        From www.homemade-circuits.com 
                    Solid State Relay (SSR) Circuit using MOSFETs Homemade Circuit Projects Solid State Relay Using Mosfet  A simple high current spdt solid state dc relay or a dc ssr can be constructed using a couple of mosfets and an optocoupler,. The solid state relay (ssr) is a safe, versatile, rugged on/off switch between a low level control signal and an ac/dc load, but needs to be. Mosfet relays are a subset of the class of solid. Solid State Relay Using Mosfet.
     
    
         
        From www.ourpcb.com 
                    MOSFET Solid State Relay An Ideal Choice for Applications Solid State Relay Using Mosfet  In terms of operation, ssrs are not very different from mechanical. A power mosfet is bidirectional but fully controllable in only one direction. A simple high current spdt solid state dc relay or a dc ssr can be constructed using a couple of mosfets and an optocoupler,. Mosfet relays are a subset of the class of solid state relays (ssrs),. Solid State Relay Using Mosfet.
     
    
         
        From www.raypcb.com 
                    Solid State Relay Vs MOSFET What are their Similarities and Solid State Relay Using Mosfet  They are mainly used for switching and connecting. In terms of operation, ssrs are not very different from mechanical. A simple high current spdt solid state dc relay or a dc ssr can be constructed using a couple of mosfets and an optocoupler,. A solution to this problem is the power mosfet. A mosfet relay offers superior performance to an. Solid State Relay Using Mosfet.
     
    
         
        From www.eedesignit.com 
                    Solid state relay employs optically coupled MOSFET technology Solid State Relay Using Mosfet  The solid state relay (ssr) is a safe, versatile, rugged on/off switch between a low level control signal and an ac/dc load, but needs to be. A simple high current spdt solid state dc relay or a dc ssr can be constructed using a couple of mosfets and an optocoupler,. A solution to this problem is the power mosfet. A. Solid State Relay Using Mosfet.
     
    
         
        From www.relay.com.tw 
                    3300V/300mA/DIP65 Solid State Relay (SiC MOSFET) Supplier High Solid State Relay Using Mosfet  They are mainly used for switching and connecting. A mosfet relay offers superior performance to an electromechanical relay in many applications. In terms of operation, ssrs are not very different from mechanical. A simple high current spdt solid state dc relay or a dc ssr can be constructed using a couple of mosfets and an optocoupler,. Mosfet relays are a. Solid State Relay Using Mosfet.
     
    
         
        From www.relay.com.tw 
                    OptoMOSFET Relays' Role in BMS's battery balancing B.T A Solid State Relay Using Mosfet  Mosfet relays are a subset of the class of solid state relays (ssrs), using mosfets to drive their output loads. They are mainly used for switching and connecting. A solution to this problem is the power mosfet. A simple high current spdt solid state dc relay or a dc ssr can be constructed using a couple of mosfets and an. Solid State Relay Using Mosfet.
     
    
         
        From huimuindustrial.blogspot.com 
                    HUIMULTD Eblog SPDT Solid State Relay 2.WHAT IS SPDT SOLID STATE RELAY Solid State Relay Using Mosfet  In terms of operation, ssrs are not very different from mechanical. Mosfet relays are a subset of the class of solid state relays (ssrs), using mosfets to drive their output loads. The solid state relay (ssr) is a safe, versatile, rugged on/off switch between a low level control signal and an ac/dc load, but needs to be. A simple high. Solid State Relay Using Mosfet.
     
    
         
        From www.reddit.com 
                    Replacing solid state relay in PID temperature control with a MOSFET Solid State Relay Using Mosfet  They are mainly used for switching and connecting. A solid state relay (ssr) is a relay that does not have a moving contact. In terms of operation, ssrs are not very different from mechanical. Mosfet relays are a subset of the class of solid state relays (ssrs), using mosfets to drive their output loads. A simple high current spdt solid. Solid State Relay Using Mosfet.
     
    
         
        From www.youtube.com 
                    MOSFET Solid State Relay YouTube Solid State Relay Using Mosfet  A simple high current spdt solid state dc relay or a dc ssr can be constructed using a couple of mosfets and an optocoupler,. A mosfet relay offers superior performance to an electromechanical relay in many applications. A solution to this problem is the power mosfet. They are mainly used for switching and connecting. Mosfet relays are a subset of. Solid State Relay Using Mosfet.
     
    
         
        From www.rs-online.vn 
                    Sensata / Crydom 10 A rms Solid State Relay, DC, PCB Mount, MOSFET, 60 Solid State Relay Using Mosfet  The solid state relay (ssr) is a safe, versatile, rugged on/off switch between a low level control signal and an ac/dc load, but needs to be. A power mosfet is bidirectional but fully controllable in only one direction. A simple high current spdt solid state dc relay or a dc ssr can be constructed using a couple of mosfets and. Solid State Relay Using Mosfet.
     
    
         
        From www.rs-online.id 
                    Sensata / Crydom 12 A Solid State Relay, Surface Mount, MOSFET, 200 V Solid State Relay Using Mosfet  A power mosfet is bidirectional but fully controllable in only one direction. They are mainly used for switching and connecting. A solution to this problem is the power mosfet. A solid state relay (ssr) is a relay that does not have a moving contact. The solid state relay (ssr) is a safe, versatile, rugged on/off switch between a low level. Solid State Relay Using Mosfet.
     
    
         
        From www.artofit.org 
                    Solid state relay ssr circuit using mosfets Artofit Solid State Relay Using Mosfet  A power mosfet is bidirectional but fully controllable in only one direction. A solution to this problem is the power mosfet. In terms of operation, ssrs are not very different from mechanical. Mosfet relays are a subset of the class of solid state relays (ssrs), using mosfets to drive their output loads. The solid state relay (ssr) is a safe,. Solid State Relay Using Mosfet.
     
    
         
        From www.bristolwatch.com 
                    Connecting Crydom MOSFET Solid State Relays Solid State Relay Using Mosfet  They are mainly used for switching and connecting. A mosfet relay offers superior performance to an electromechanical relay in many applications. Mosfet relays are a subset of the class of solid state relays (ssrs), using mosfets to drive their output loads. In terms of operation, ssrs are not very different from mechanical. A solution to this problem is the power. Solid State Relay Using Mosfet.
     
    
         
        From www.ourpcb.com 
                    MOSFET Solid State Relay An Ideal Choice for Applications Solid State Relay Using Mosfet  In terms of operation, ssrs are not very different from mechanical. A power mosfet is bidirectional but fully controllable in only one direction. A mosfet relay offers superior performance to an electromechanical relay in many applications. Mosfet relays are a subset of the class of solid state relays (ssrs), using mosfets to drive their output loads. A simple high current. Solid State Relay Using Mosfet.
     
    
         
        From www.venture-mfg.com 
                    Excellent Quality Relay PCB Manufacturer and Supplier Solid State Relay Using Mosfet  A solid state relay (ssr) is a relay that does not have a moving contact. The solid state relay (ssr) is a safe, versatile, rugged on/off switch between a low level control signal and an ac/dc load, but needs to be. Mosfet relays are a subset of the class of solid state relays (ssrs), using mosfets to drive their output. Solid State Relay Using Mosfet.
     
    
         
        From erp.vitalmro.com 
                    PANASONIC AQZ204 Solid State Relay, PCB Mount, MOSFET IndusMart Solid State Relay Using Mosfet  The solid state relay (ssr) is a safe, versatile, rugged on/off switch between a low level control signal and an ac/dc load, but needs to be. In terms of operation, ssrs are not very different from mechanical. A mosfet relay offers superior performance to an electromechanical relay in many applications. Mosfet relays are a subset of the class of solid. Solid State Relay Using Mosfet.
     
    
         
        From standexelectronics.com 
                    Standex Electronics Photo MOSFET Solid State Relays Now Available for Solid State Relay Using Mosfet  A solid state relay (ssr) is a relay that does not have a moving contact. A solution to this problem is the power mosfet. Mosfet relays are a subset of the class of solid state relays (ssrs), using mosfets to drive their output loads. The solid state relay (ssr) is a safe, versatile, rugged on/off switch between a low level. Solid State Relay Using Mosfet.
     
    
         
        From www.ourpcb.com 
                    MOSFET Solid State Relay An Ideal Choice for Applications Solid State Relay Using Mosfet  A simple high current spdt solid state dc relay or a dc ssr can be constructed using a couple of mosfets and an optocoupler,. In terms of operation, ssrs are not very different from mechanical. A solution to this problem is the power mosfet. A mosfet relay offers superior performance to an electromechanical relay in many applications. A solid state. Solid State Relay Using Mosfet.
     
    
         
        From www.ourpcb.com 
                    MOSFET Solid State Relay An Ideal Choice for Applications Solid State Relay Using Mosfet  A solution to this problem is the power mosfet. The solid state relay (ssr) is a safe, versatile, rugged on/off switch between a low level control signal and an ac/dc load, but needs to be. In terms of operation, ssrs are not very different from mechanical. A mosfet relay offers superior performance to an electromechanical relay in many applications. A. Solid State Relay Using Mosfet.
     
    
         
        From favpng.com 
                    MOSFET Solidstate Relay Fieldeffect Transistor, PNG, 1000x942px Solid State Relay Using Mosfet  A simple high current spdt solid state dc relay or a dc ssr can be constructed using a couple of mosfets and an optocoupler,. A mosfet relay offers superior performance to an electromechanical relay in many applications. Mosfet relays are a subset of the class of solid state relays (ssrs), using mosfets to drive their output loads. In terms of. Solid State Relay Using Mosfet.
     
    
         
        From www.radiolocman.com 
                    One Oscillator Drives Multiple SolidState Relays Solid State Relay Using Mosfet  Mosfet relays are a subset of the class of solid state relays (ssrs), using mosfets to drive their output loads. A mosfet relay offers superior performance to an electromechanical relay in many applications. They are mainly used for switching and connecting. A solution to this problem is the power mosfet. In terms of operation, ssrs are not very different from. Solid State Relay Using Mosfet.