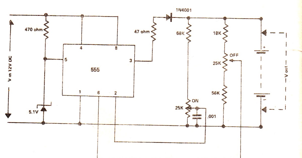
Automatic Battery Charger Circuit With Ic 555 . In this tutorial, we are making a smart universal automatic battery charger. Automatic battery charger circuit diagram with ic 555 | battery charger | diy battery chargerhello friends, in this video i. You can use this charger to The 555 timer ic is at the heart of the. Afte charging time over, it disconnects battery from power supply through spdt relay. This battery charger with timer ic gives you minimum charging time 11 minutes to maximum charging time 35 minutes, it can be achieved by varying the trimpot (rv1). This circuit will help revive. This charger will charge all your rechargeable batteries automatically when the battery voltage falls on the preset level.
from www.electrician-1.com
Afte charging time over, it disconnects battery from power supply through spdt relay. Automatic battery charger circuit diagram with ic 555 | battery charger | diy battery chargerhello friends, in this video i. This battery charger with timer ic gives you minimum charging time 11 minutes to maximum charging time 35 minutes, it can be achieved by varying the trimpot (rv1). In this tutorial, we are making a smart universal automatic battery charger. This circuit will help revive. You can use this charger to The 555 timer ic is at the heart of the. This charger will charge all your rechargeable batteries automatically when the battery voltage falls on the preset level.
on video 3.7volt Battery Charger Circuit With Auto Cut electrical and electronics technology
Automatic Battery Charger Circuit With Ic 555 The 555 timer ic is at the heart of the. Automatic battery charger circuit diagram with ic 555 | battery charger | diy battery chargerhello friends, in this video i. This circuit will help revive. You can use this charger to This charger will charge all your rechargeable batteries automatically when the battery voltage falls on the preset level. The 555 timer ic is at the heart of the. Afte charging time over, it disconnects battery from power supply through spdt relay. In this tutorial, we are making a smart universal automatic battery charger. This battery charger with timer ic gives you minimum charging time 11 minutes to maximum charging time 35 minutes, it can be achieved by varying the trimpot (rv1).
From www.pinterest.com
In this post we learn how to make a simple IC 555 based alternate relay timer circuit for Automatic Battery Charger Circuit With Ic 555 Afte charging time over, it disconnects battery from power supply through spdt relay. This charger will charge all your rechargeable batteries automatically when the battery voltage falls on the preset level. You can use this charger to Automatic battery charger circuit diagram with ic 555 | battery charger | diy battery chargerhello friends, in this video i. This battery charger. Automatic Battery Charger Circuit With Ic 555.
From www.youtube.com
How to make 12V Automatic Battery Charger using 555 IC YouTube Automatic Battery Charger Circuit With Ic 555 This battery charger with timer ic gives you minimum charging time 11 minutes to maximum charging time 35 minutes, it can be achieved by varying the trimpot (rv1). Automatic battery charger circuit diagram with ic 555 | battery charger | diy battery chargerhello friends, in this video i. You can use this charger to The 555 timer ic is at. Automatic Battery Charger Circuit With Ic 555.
From www.electrician-1.com
on video 3.7volt Battery Charger Circuit With Auto Cut electrical and electronics technology Automatic Battery Charger Circuit With Ic 555 You can use this charger to The 555 timer ic is at the heart of the. Afte charging time over, it disconnects battery from power supply through spdt relay. This circuit will help revive. In this tutorial, we are making a smart universal automatic battery charger. Automatic battery charger circuit diagram with ic 555 | battery charger | diy battery. Automatic Battery Charger Circuit With Ic 555.
From www.eleccircuit.com
Automatic Battery Charger Circuit projects Automatic Battery Charger Circuit With Ic 555 You can use this charger to In this tutorial, we are making a smart universal automatic battery charger. This battery charger with timer ic gives you minimum charging time 11 minutes to maximum charging time 35 minutes, it can be achieved by varying the trimpot (rv1). Afte charging time over, it disconnects battery from power supply through spdt relay. The. Automatic Battery Charger Circuit With Ic 555.
From makingcircuits.com
Simple 12V Battery Charger Circuits with Auto Cutoff Automatic Battery Charger Circuit With Ic 555 This charger will charge all your rechargeable batteries automatically when the battery voltage falls on the preset level. In this tutorial, we are making a smart universal automatic battery charger. The 555 timer ic is at the heart of the. This battery charger with timer ic gives you minimum charging time 11 minutes to maximum charging time 35 minutes, it. Automatic Battery Charger Circuit With Ic 555.
From diagramparteberhart.z19.web.core.windows.net
12v Battery Charging Indicator Circuit Diagram Automatic Battery Charger Circuit With Ic 555 Automatic battery charger circuit diagram with ic 555 | battery charger | diy battery chargerhello friends, in this video i. This battery charger with timer ic gives you minimum charging time 11 minutes to maximum charging time 35 minutes, it can be achieved by varying the trimpot (rv1). In this tutorial, we are making a smart universal automatic battery charger.. Automatic Battery Charger Circuit With Ic 555.
From circuitdiagramcentre.blogspot.com
Simple Low Battery Indicator Circuit Using IC 555 Circuit Diagram Centre Automatic Battery Charger Circuit With Ic 555 In this tutorial, we are making a smart universal automatic battery charger. You can use this charger to Afte charging time over, it disconnects battery from power supply through spdt relay. This charger will charge all your rechargeable batteries automatically when the battery voltage falls on the preset level. This circuit will help revive. This battery charger with timer ic. Automatic Battery Charger Circuit With Ic 555.
From homemade-circuits.com
Automatic 12 volt Battery Charger Circuit Using IC LM 338 Automatic Battery Charger Circuit With Ic 555 In this tutorial, we are making a smart universal automatic battery charger. This circuit will help revive. You can use this charger to The 555 timer ic is at the heart of the. This charger will charge all your rechargeable batteries automatically when the battery voltage falls on the preset level. This battery charger with timer ic gives you minimum. Automatic Battery Charger Circuit With Ic 555.
From amkp40technology.blogspot.com
How to make 12V smart automatic battery charger circuit with auto start charging function Automatic Battery Charger Circuit With Ic 555 Automatic battery charger circuit diagram with ic 555 | battery charger | diy battery chargerhello friends, in this video i. This circuit will help revive. This charger will charge all your rechargeable batteries automatically when the battery voltage falls on the preset level. This battery charger with timer ic gives you minimum charging time 11 minutes to maximum charging time. Automatic Battery Charger Circuit With Ic 555.
From supplyvolt.blogspot.com
Schematic Volt Simplest Automatic Ni Cd Battery Charger Circuit Using IC 555 Automatic Battery Charger Circuit With Ic 555 In this tutorial, we are making a smart universal automatic battery charger. Afte charging time over, it disconnects battery from power supply through spdt relay. This circuit will help revive. This battery charger with timer ic gives you minimum charging time 11 minutes to maximum charging time 35 minutes, it can be achieved by varying the trimpot (rv1). You can. Automatic Battery Charger Circuit With Ic 555.
From userdbjennifer77.z19.web.core.windows.net
Battery Charger Diagram Circuit Automatic Battery Charger Circuit With Ic 555 The 555 timer ic is at the heart of the. Afte charging time over, it disconnects battery from power supply through spdt relay. This battery charger with timer ic gives you minimum charging time 11 minutes to maximum charging time 35 minutes, it can be achieved by varying the trimpot (rv1). This charger will charge all your rechargeable batteries automatically. Automatic Battery Charger Circuit With Ic 555.
From www.elcircuit.com
Automatic 12V Battery Charger Circuit Electronic Circuit Automatic Battery Charger Circuit With Ic 555 Afte charging time over, it disconnects battery from power supply through spdt relay. The 555 timer ic is at the heart of the. You can use this charger to In this tutorial, we are making a smart universal automatic battery charger. This battery charger with timer ic gives you minimum charging time 11 minutes to maximum charging time 35 minutes,. Automatic Battery Charger Circuit With Ic 555.
From putra-ind.blogspot.com
Making a Simple, Smart Automatic Battery Charger Circuit Universal Battery Charger Circuit Automatic Battery Charger Circuit With Ic 555 In this tutorial, we are making a smart universal automatic battery charger. Automatic battery charger circuit diagram with ic 555 | battery charger | diy battery chargerhello friends, in this video i. This charger will charge all your rechargeable batteries automatically when the battery voltage falls on the preset level. Afte charging time over, it disconnects battery from power supply. Automatic Battery Charger Circuit With Ic 555.
From www.circuits-diy.com
Automatic Battery Charger Circuit Automatic Battery Charger Circuit With Ic 555 Afte charging time over, it disconnects battery from power supply through spdt relay. Automatic battery charger circuit diagram with ic 555 | battery charger | diy battery chargerhello friends, in this video i. You can use this charger to In this tutorial, we are making a smart universal automatic battery charger. The 555 timer ic is at the heart of. Automatic Battery Charger Circuit With Ic 555.
From www.circuits-diy.com
555 Universal Automatic Battery Charger Automatic Battery Charger Circuit With Ic 555 Automatic battery charger circuit diagram with ic 555 | battery charger | diy battery chargerhello friends, in this video i. This charger will charge all your rechargeable batteries automatically when the battery voltage falls on the preset level. You can use this charger to This circuit will help revive. This battery charger with timer ic gives you minimum charging time. Automatic Battery Charger Circuit With Ic 555.
From www.circuits-diy.com
555 Universal Automatic Battery Charger Automatic Battery Charger Circuit With Ic 555 You can use this charger to In this tutorial, we are making a smart universal automatic battery charger. This circuit will help revive. The 555 timer ic is at the heart of the. Automatic battery charger circuit diagram with ic 555 | battery charger | diy battery chargerhello friends, in this video i. This charger will charge all your rechargeable. Automatic Battery Charger Circuit With Ic 555.
From bestengineeringprojects.com
12v, 7Ah Smart Battery Charger with PCB Diagram Engineering Projects Automatic Battery Charger Circuit With Ic 555 This battery charger with timer ic gives you minimum charging time 11 minutes to maximum charging time 35 minutes, it can be achieved by varying the trimpot (rv1). You can use this charger to The 555 timer ic is at the heart of the. This circuit will help revive. This charger will charge all your rechargeable batteries automatically when the. Automatic Battery Charger Circuit With Ic 555.
From theorycircuit.com
12V Battery Charger Circuit with 555 Timer Automatic Battery Charger Circuit With Ic 555 Automatic battery charger circuit diagram with ic 555 | battery charger | diy battery chargerhello friends, in this video i. Afte charging time over, it disconnects battery from power supply through spdt relay. This circuit will help revive. You can use this charger to This battery charger with timer ic gives you minimum charging time 11 minutes to maximum charging. Automatic Battery Charger Circuit With Ic 555.
From www.artofit.org
Automatic battery charger circuit using lm358 op amp Artofit Automatic Battery Charger Circuit With Ic 555 The 555 timer ic is at the heart of the. This charger will charge all your rechargeable batteries automatically when the battery voltage falls on the preset level. This circuit will help revive. This battery charger with timer ic gives you minimum charging time 11 minutes to maximum charging time 35 minutes, it can be achieved by varying the trimpot. Automatic Battery Charger Circuit With Ic 555.
From www.circuits-diy.com
493+ 555 Timer Circuits Automatic Battery Charger Circuit With Ic 555 You can use this charger to This battery charger with timer ic gives you minimum charging time 11 minutes to maximum charging time 35 minutes, it can be achieved by varying the trimpot (rv1). Afte charging time over, it disconnects battery from power supply through spdt relay. This charger will charge all your rechargeable batteries automatically when the battery voltage. Automatic Battery Charger Circuit With Ic 555.
From www.homemade-circuits.com
Lead Acid Battery Charger Using IC 555 Automatic Battery Charger Circuit With Ic 555 The 555 timer ic is at the heart of the. This battery charger with timer ic gives you minimum charging time 11 minutes to maximum charging time 35 minutes, it can be achieved by varying the trimpot (rv1). In this tutorial, we are making a smart universal automatic battery charger. You can use this charger to This circuit will help. Automatic Battery Charger Circuit With Ic 555.
From www.youtube.com
How To Make Smart 12V Automatic Battery Charger Circuit with autostart charging and don't Automatic Battery Charger Circuit With Ic 555 Afte charging time over, it disconnects battery from power supply through spdt relay. This battery charger with timer ic gives you minimum charging time 11 minutes to maximum charging time 35 minutes, it can be achieved by varying the trimpot (rv1). In this tutorial, we are making a smart universal automatic battery charger. Automatic battery charger circuit diagram with ic. Automatic Battery Charger Circuit With Ic 555.
From www.homemade-circuits.com
High Current Wireless Battery Charger Circuit Automatic Battery Charger Circuit With Ic 555 In this tutorial, we are making a smart universal automatic battery charger. This battery charger with timer ic gives you minimum charging time 11 minutes to maximum charging time 35 minutes, it can be achieved by varying the trimpot (rv1). You can use this charger to Afte charging time over, it disconnects battery from power supply through spdt relay. The. Automatic Battery Charger Circuit With Ic 555.
From www.youtube.com
12V Battery Charger Circuit With Auto Cut OFF & ON (PCB Automatic) YouTube Automatic Battery Charger Circuit With Ic 555 Automatic battery charger circuit diagram with ic 555 | battery charger | diy battery chargerhello friends, in this video i. You can use this charger to This circuit will help revive. This battery charger with timer ic gives you minimum charging time 11 minutes to maximum charging time 35 minutes, it can be achieved by varying the trimpot (rv1). The. Automatic Battery Charger Circuit With Ic 555.
From ethcircuits.com
36V or 48V Automatic Battery Charger Circuit Diagram Automatic Battery Charger Circuit With Ic 555 This circuit will help revive. Afte charging time over, it disconnects battery from power supply through spdt relay. This charger will charge all your rechargeable batteries automatically when the battery voltage falls on the preset level. The 555 timer ic is at the heart of the. Automatic battery charger circuit diagram with ic 555 | battery charger | diy battery. Automatic Battery Charger Circuit With Ic 555.
From www.homemade-circuits.com
Simple 48V Automatic Battery Charger Circuit Homemade Circuit Projects Automatic Battery Charger Circuit With Ic 555 Afte charging time over, it disconnects battery from power supply through spdt relay. This circuit will help revive. You can use this charger to This charger will charge all your rechargeable batteries automatically when the battery voltage falls on the preset level. Automatic battery charger circuit diagram with ic 555 | battery charger | diy battery chargerhello friends, in this. Automatic Battery Charger Circuit With Ic 555.
From solderingmind.com
12v 100Ah Automatic Battery Charge Control Circuit Automatic Battery Charger Circuit With Ic 555 This circuit will help revive. In this tutorial, we are making a smart universal automatic battery charger. This charger will charge all your rechargeable batteries automatically when the battery voltage falls on the preset level. You can use this charger to The 555 timer ic is at the heart of the. This battery charger with timer ic gives you minimum. Automatic Battery Charger Circuit With Ic 555.
From guideonszelfce.z21.web.core.windows.net
Projects Using 555 Timer Automatic Battery Charger Circuit With Ic 555 This battery charger with timer ic gives you minimum charging time 11 minutes to maximum charging time 35 minutes, it can be achieved by varying the trimpot (rv1). The 555 timer ic is at the heart of the. In this tutorial, we are making a smart universal automatic battery charger. This circuit will help revive. Automatic battery charger circuit diagram. Automatic Battery Charger Circuit With Ic 555.
From www.wiringview.co
6 Volt Battery Charger Circuit Diagram Without Transformer Wiring View and Schematics Diagram Automatic Battery Charger Circuit With Ic 555 This battery charger with timer ic gives you minimum charging time 11 minutes to maximum charging time 35 minutes, it can be achieved by varying the trimpot (rv1). Automatic battery charger circuit diagram with ic 555 | battery charger | diy battery chargerhello friends, in this video i. This circuit will help revive. You can use this charger to This. Automatic Battery Charger Circuit With Ic 555.
From www.homemade-circuits.com
3 Step Automatic Battery Charger/Controller Circuit Homemade Circuit Projects Automatic Battery Charger Circuit With Ic 555 The 555 timer ic is at the heart of the. You can use this charger to This charger will charge all your rechargeable batteries automatically when the battery voltage falls on the preset level. In this tutorial, we are making a smart universal automatic battery charger. Afte charging time over, it disconnects battery from power supply through spdt relay. Automatic. Automatic Battery Charger Circuit With Ic 555.
From www.eleccircuit.com
Convert power supply to battery charger Automatic Battery Charger Circuit With Ic 555 Automatic battery charger circuit diagram with ic 555 | battery charger | diy battery chargerhello friends, in this video i. Afte charging time over, it disconnects battery from power supply through spdt relay. In this tutorial, we are making a smart universal automatic battery charger. This circuit will help revive. You can use this charger to This charger will charge. Automatic Battery Charger Circuit With Ic 555.
From www.homemade-circuits.com
LiIon Battery Charger Using IC 555 Homemade Circuit Projects Automatic Battery Charger Circuit With Ic 555 You can use this charger to This battery charger with timer ic gives you minimum charging time 11 minutes to maximum charging time 35 minutes, it can be achieved by varying the trimpot (rv1). Automatic battery charger circuit diagram with ic 555 | battery charger | diy battery chargerhello friends, in this video i. In this tutorial, we are making. Automatic Battery Charger Circuit With Ic 555.
From www.pinterest.fr
The circuit explains a simple PWM based MPPT battery charger circuit using IC 555 regulator Automatic Battery Charger Circuit With Ic 555 You can use this charger to The 555 timer ic is at the heart of the. Automatic battery charger circuit diagram with ic 555 | battery charger | diy battery chargerhello friends, in this video i. This circuit will help revive. Afte charging time over, it disconnects battery from power supply through spdt relay. This charger will charge all your. Automatic Battery Charger Circuit With Ic 555.
From putra-ind.blogspot.com
Automatic Lead Acid Battery Charger Circuit Using IC 555 skema elektronika Automatic Battery Charger Circuit With Ic 555 Automatic battery charger circuit diagram with ic 555 | battery charger | diy battery chargerhello friends, in this video i. The 555 timer ic is at the heart of the. In this tutorial, we are making a smart universal automatic battery charger. Afte charging time over, it disconnects battery from power supply through spdt relay. This battery charger with timer. Automatic Battery Charger Circuit With Ic 555.
From www.homemade-circuits.com
Lead Acid Battery Charger Using IC 555 Automatic Battery Charger Circuit With Ic 555 In this tutorial, we are making a smart universal automatic battery charger. This circuit will help revive. Afte charging time over, it disconnects battery from power supply through spdt relay. You can use this charger to This battery charger with timer ic gives you minimum charging time 11 minutes to maximum charging time 35 minutes, it can be achieved by. Automatic Battery Charger Circuit With Ic 555.