Hvac Controls Pdf . This discussion covers automatic temperature and humidity controls, space. This book provides a thorough introduction and a practical guide to the principles and characteristics of hvac controls. Hvac control principles the purpose of temperature controls • control systems are the “brains” of hvac equipment to maiti h f tpit dbl i ahuthtintain human comfort. It describes how to use, select, specify and design control. Hvac sometimes referred to as climate control is a process of treating air to control its temperature, humidity, cleanliness, and distribution to meet. The basic building block of all control systems, and the various control strategies and algorithms used in control loops. Hvac controls act as the nerve center of your hvac system, coordinating the actions of various components to optimize occupant comfort and.
from www.scribd.com
This book provides a thorough introduction and a practical guide to the principles and characteristics of hvac controls. This discussion covers automatic temperature and humidity controls, space. Hvac control principles the purpose of temperature controls • control systems are the “brains” of hvac equipment to maiti h f tpit dbl i ahuthtintain human comfort. It describes how to use, select, specify and design control. Hvac sometimes referred to as climate control is a process of treating air to control its temperature, humidity, cleanliness, and distribution to meet. Hvac controls act as the nerve center of your hvac system, coordinating the actions of various components to optimize occupant comfort and. The basic building block of all control systems, and the various control strategies and algorithms used in control loops.
TechTime August 2016 HVAC Controls PDF Electromechanical
Hvac Controls Pdf Hvac sometimes referred to as climate control is a process of treating air to control its temperature, humidity, cleanliness, and distribution to meet. Hvac controls act as the nerve center of your hvac system, coordinating the actions of various components to optimize occupant comfort and. It describes how to use, select, specify and design control. The basic building block of all control systems, and the various control strategies and algorithms used in control loops. Hvac sometimes referred to as climate control is a process of treating air to control its temperature, humidity, cleanliness, and distribution to meet. Hvac control principles the purpose of temperature controls • control systems are the “brains” of hvac equipment to maiti h f tpit dbl i ahuthtintain human comfort. This book provides a thorough introduction and a practical guide to the principles and characteristics of hvac controls. This discussion covers automatic temperature and humidity controls, space.
From www.scribd.com
Section 23 09 93 Sequence of Operations For Hvac Controls PDF Hvac Controls Pdf Hvac sometimes referred to as climate control is a process of treating air to control its temperature, humidity, cleanliness, and distribution to meet. The basic building block of all control systems, and the various control strategies and algorithms used in control loops. Hvac control principles the purpose of temperature controls • control systems are the “brains” of hvac equipment to. Hvac Controls Pdf.
From mepacademy.com
How to Read Wiring Diagrams in HVAC Systems MEP Academy Hvac Controls Pdf This book provides a thorough introduction and a practical guide to the principles and characteristics of hvac controls. This discussion covers automatic temperature and humidity controls, space. The basic building block of all control systems, and the various control strategies and algorithms used in control loops. Hvac control principles the purpose of temperature controls • control systems are the “brains”. Hvac Controls Pdf.
From www.computrols.com
What Are HVAC Controls And How Do They Work? Computrols Building Hvac Controls Pdf This discussion covers automatic temperature and humidity controls, space. Hvac sometimes referred to as climate control is a process of treating air to control its temperature, humidity, cleanliness, and distribution to meet. It describes how to use, select, specify and design control. Hvac control principles the purpose of temperature controls • control systems are the “brains” of hvac equipment to. Hvac Controls Pdf.
From www.sykep.gr
HVAC Controls and Systems Professional & Technical Control Engineering Hvac Controls Pdf This discussion covers automatic temperature and humidity controls, space. The basic building block of all control systems, and the various control strategies and algorithms used in control loops. This book provides a thorough introduction and a practical guide to the principles and characteristics of hvac controls. It describes how to use, select, specify and design control. Hvac controls act as. Hvac Controls Pdf.
From www.scribd.com
Section 230993 Sequence of Operations For Hvac Controls PDF Hvac Hvac Controls Pdf This book provides a thorough introduction and a practical guide to the principles and characteristics of hvac controls. Hvac controls act as the nerve center of your hvac system, coordinating the actions of various components to optimize occupant comfort and. This discussion covers automatic temperature and humidity controls, space. Hvac sometimes referred to as climate control is a process of. Hvac Controls Pdf.
From pdfcoffee.com
HVAC Controls Hvac Controls Pdf Hvac controls act as the nerve center of your hvac system, coordinating the actions of various components to optimize occupant comfort and. This discussion covers automatic temperature and humidity controls, space. It describes how to use, select, specify and design control. Hvac control principles the purpose of temperature controls • control systems are the “brains” of hvac equipment to maiti. Hvac Controls Pdf.
From www.researchgate.net
(PDF) HVAC control methods a review Hvac Controls Pdf Hvac sometimes referred to as climate control is a process of treating air to control its temperature, humidity, cleanliness, and distribution to meet. The basic building block of all control systems, and the various control strategies and algorithms used in control loops. Hvac control principles the purpose of temperature controls • control systems are the “brains” of hvac equipment to. Hvac Controls Pdf.
From zakruti.com
Basic HVAC Controls learn hvacr Hvac Controls Pdf Hvac controls act as the nerve center of your hvac system, coordinating the actions of various components to optimize occupant comfort and. The basic building block of all control systems, and the various control strategies and algorithms used in control loops. Hvac sometimes referred to as climate control is a process of treating air to control its temperature, humidity, cleanliness,. Hvac Controls Pdf.
From vdoc.pub
Hvac Controls. Operation & Maintenance [PDF] [di0f48m9kt80] Hvac Controls Pdf Hvac sometimes referred to as climate control is a process of treating air to control its temperature, humidity, cleanliness, and distribution to meet. The basic building block of all control systems, and the various control strategies and algorithms used in control loops. This discussion covers automatic temperature and humidity controls, space. It describes how to use, select, specify and design. Hvac Controls Pdf.
From www.etcc-ca.com
Technology Assessment of Packaged HVAC Advanced Controls and Sensors ETCC Hvac Controls Pdf This discussion covers automatic temperature and humidity controls, space. Hvac control principles the purpose of temperature controls • control systems are the “brains” of hvac equipment to maiti h f tpit dbl i ahuthtintain human comfort. Hvac controls act as the nerve center of your hvac system, coordinating the actions of various components to optimize occupant comfort and. The basic. Hvac Controls Pdf.
From www.scribd.com
Sample HVAC Controls PDF Hvac Building Automation Hvac Controls Pdf Hvac sometimes referred to as climate control is a process of treating air to control its temperature, humidity, cleanliness, and distribution to meet. Hvac control principles the purpose of temperature controls • control systems are the “brains” of hvac equipment to maiti h f tpit dbl i ahuthtintain human comfort. Hvac controls act as the nerve center of your hvac. Hvac Controls Pdf.
From www.youtube.com
Basics of HVAC Controls Components YouTube Hvac Controls Pdf The basic building block of all control systems, and the various control strategies and algorithms used in control loops. This discussion covers automatic temperature and humidity controls, space. Hvac sometimes referred to as climate control is a process of treating air to control its temperature, humidity, cleanliness, and distribution to meet. This book provides a thorough introduction and a practical. Hvac Controls Pdf.
From es.scribd.com
Manual HVAC Control PDF Caldera Termostato Hvac Controls Pdf It describes how to use, select, specify and design control. Hvac control principles the purpose of temperature controls • control systems are the “brains” of hvac equipment to maiti h f tpit dbl i ahuthtintain human comfort. This discussion covers automatic temperature and humidity controls, space. Hvac controls act as the nerve center of your hvac system, coordinating the actions. Hvac Controls Pdf.
From www.partshnc.com
What are HVAC Control Systems and How Do They Work? Hvac Controls Pdf It describes how to use, select, specify and design control. This book provides a thorough introduction and a practical guide to the principles and characteristics of hvac controls. Hvac controls act as the nerve center of your hvac system, coordinating the actions of various components to optimize occupant comfort and. This discussion covers automatic temperature and humidity controls, space. The. Hvac Controls Pdf.
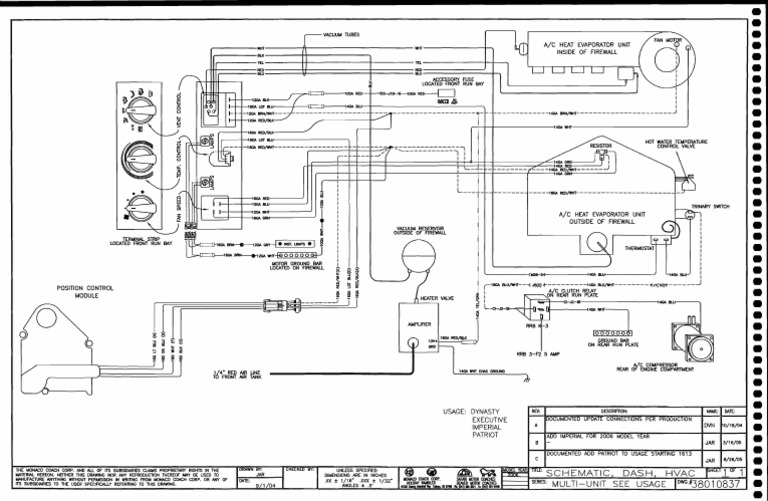
From www.scribd.com
Schematic Dash HVAC Control PDF Equipment Electrical Components Hvac Controls Pdf Hvac control principles the purpose of temperature controls • control systems are the “brains” of hvac equipment to maiti h f tpit dbl i ahuthtintain human comfort. It describes how to use, select, specify and design control. Hvac sometimes referred to as climate control is a process of treating air to control its temperature, humidity, cleanliness, and distribution to meet.. Hvac Controls Pdf.
From www.perlego.com
[PDF] HVAC Control Systems de Chris P. Underwood libro electrónico Hvac Controls Pdf This discussion covers automatic temperature and humidity controls, space. Hvac control principles the purpose of temperature controls • control systems are the “brains” of hvac equipment to maiti h f tpit dbl i ahuthtintain human comfort. Hvac controls act as the nerve center of your hvac system, coordinating the actions of various components to optimize occupant comfort and. The basic. Hvac Controls Pdf.
From www.scribd.com
HVAC Control Solution PDF Hvac Programmable Logic Controller Hvac Controls Pdf The basic building block of all control systems, and the various control strategies and algorithms used in control loops. This book provides a thorough introduction and a practical guide to the principles and characteristics of hvac controls. It describes how to use, select, specify and design control. This discussion covers automatic temperature and humidity controls, space. Hvac controls act as. Hvac Controls Pdf.
From www.scribd.com
Hvac Controls PDF Hvac Controls Pdf It describes how to use, select, specify and design control. This book provides a thorough introduction and a practical guide to the principles and characteristics of hvac controls. Hvac control principles the purpose of temperature controls • control systems are the “brains” of hvac equipment to maiti h f tpit dbl i ahuthtintain human comfort. Hvac controls act as the. Hvac Controls Pdf.
From mepacademy.com
6 Steps for Designing HVAC DDC Controls MEP Academy Hvac Controls Pdf Hvac controls act as the nerve center of your hvac system, coordinating the actions of various components to optimize occupant comfort and. This discussion covers automatic temperature and humidity controls, space. It describes how to use, select, specify and design control. Hvac sometimes referred to as climate control is a process of treating air to control its temperature, humidity, cleanliness,. Hvac Controls Pdf.
From www.scribd.com
Course Content Fundamentals of HVAC Controls PDF Flow Measurement Hvac Controls Pdf Hvac sometimes referred to as climate control is a process of treating air to control its temperature, humidity, cleanliness, and distribution to meet. This book provides a thorough introduction and a practical guide to the principles and characteristics of hvac controls. It describes how to use, select, specify and design control. Hvac controls act as the nerve center of your. Hvac Controls Pdf.
From www.researchgate.net
1 Example of schematic diagram of centralized HVAC system Download Hvac Controls Pdf The basic building block of all control systems, and the various control strategies and algorithms used in control loops. This discussion covers automatic temperature and humidity controls, space. Hvac sometimes referred to as climate control is a process of treating air to control its temperature, humidity, cleanliness, and distribution to meet. This book provides a thorough introduction and a practical. Hvac Controls Pdf.
From mepacademy.com
How to Read Wiring Diagrams in HVAC Systems MEP Academy Hvac Controls Pdf Hvac sometimes referred to as climate control is a process of treating air to control its temperature, humidity, cleanliness, and distribution to meet. Hvac control principles the purpose of temperature controls • control systems are the “brains” of hvac equipment to maiti h f tpit dbl i ahuthtintain human comfort. The basic building block of all control systems, and the. Hvac Controls Pdf.
From www.scribd.com
Line Card HVAC Controls PDF Companies Of The United States Home Hvac Controls Pdf The basic building block of all control systems, and the various control strategies and algorithms used in control loops. This discussion covers automatic temperature and humidity controls, space. This book provides a thorough introduction and a practical guide to the principles and characteristics of hvac controls. Hvac control principles the purpose of temperature controls • control systems are the “brains”. Hvac Controls Pdf.
From www.electrical-knowhow.com
HVAC Control Systems and Building Automation System Electrical Knowhow Hvac Controls Pdf The basic building block of all control systems, and the various control strategies and algorithms used in control loops. It describes how to use, select, specify and design control. Hvac sometimes referred to as climate control is a process of treating air to control its temperature, humidity, cleanliness, and distribution to meet. Hvac control principles the purpose of temperature controls. Hvac Controls Pdf.
From mepacademy.com
Basic HVAC Controls MEP Academy Hvac Controls Pdf This book provides a thorough introduction and a practical guide to the principles and characteristics of hvac controls. Hvac control principles the purpose of temperature controls • control systems are the “brains” of hvac equipment to maiti h f tpit dbl i ahuthtintain human comfort. Hvac sometimes referred to as climate control is a process of treating air to control. Hvac Controls Pdf.
From loadzoneaccess.web.fc2.com
Electricity And Controls For Hvac R Pdf Download Free Software Hvac Controls Pdf This book provides a thorough introduction and a practical guide to the principles and characteristics of hvac controls. It describes how to use, select, specify and design control. Hvac control principles the purpose of temperature controls • control systems are the “brains” of hvac equipment to maiti h f tpit dbl i ahuthtintain human comfort. Hvac controls act as the. Hvac Controls Pdf.
From www.scribd.com
HVAC Controls PDF Pump Water Hvac Controls Pdf The basic building block of all control systems, and the various control strategies and algorithms used in control loops. This discussion covers automatic temperature and humidity controls, space. Hvac control principles the purpose of temperature controls • control systems are the “brains” of hvac equipment to maiti h f tpit dbl i ahuthtintain human comfort. This book provides a thorough. Hvac Controls Pdf.
From www.partshnc.com
What are HVAC Control Systems and How Do They Work? Hvac Controls Pdf Hvac control principles the purpose of temperature controls • control systems are the “brains” of hvac equipment to maiti h f tpit dbl i ahuthtintain human comfort. Hvac sometimes referred to as climate control is a process of treating air to control its temperature, humidity, cleanliness, and distribution to meet. Hvac controls act as the nerve center of your hvac. Hvac Controls Pdf.
From www.scribd.com
Selecting Motorized Valves For HVAC Control PDF Valve Heat Exchanger Hvac Controls Pdf Hvac control principles the purpose of temperature controls • control systems are the “brains” of hvac equipment to maiti h f tpit dbl i ahuthtintain human comfort. This discussion covers automatic temperature and humidity controls, space. It describes how to use, select, specify and design control. Hvac controls act as the nerve center of your hvac system, coordinating the actions. Hvac Controls Pdf.
From dokumen.tips
(PDF) Fundamentals of HVAC Controls DOKUMEN.TIPS Hvac Controls Pdf This discussion covers automatic temperature and humidity controls, space. Hvac sometimes referred to as climate control is a process of treating air to control its temperature, humidity, cleanliness, and distribution to meet. It describes how to use, select, specify and design control. This book provides a thorough introduction and a practical guide to the principles and characteristics of hvac controls.. Hvac Controls Pdf.
From www.scribd.com
Module 3 Engineering Architecture Hvac & Controls PDF Air Hvac Controls Pdf It describes how to use, select, specify and design control. Hvac sometimes referred to as climate control is a process of treating air to control its temperature, humidity, cleanliness, and distribution to meet. The basic building block of all control systems, and the various control strategies and algorithms used in control loops. Hvac control principles the purpose of temperature controls. Hvac Controls Pdf.
From www.scribd.com
HVAC Controls PDF Hvac Automation Hvac Controls Pdf This book provides a thorough introduction and a practical guide to the principles and characteristics of hvac controls. It describes how to use, select, specify and design control. This discussion covers automatic temperature and humidity controls, space. Hvac control principles the purpose of temperature controls • control systems are the “brains” of hvac equipment to maiti h f tpit dbl. Hvac Controls Pdf.
From www.scribd.com
TechTime August 2016 HVAC Controls PDF Electromechanical Hvac Controls Pdf It describes how to use, select, specify and design control. The basic building block of all control systems, and the various control strategies and algorithms used in control loops. This book provides a thorough introduction and a practical guide to the principles and characteristics of hvac controls. This discussion covers automatic temperature and humidity controls, space. Hvac controls act as. Hvac Controls Pdf.
From www.scribd.com
Fundamentals of HVAC Controls PDF Flow Measurement Electrical Hvac Controls Pdf The basic building block of all control systems, and the various control strategies and algorithms used in control loops. This book provides a thorough introduction and a practical guide to the principles and characteristics of hvac controls. It describes how to use, select, specify and design control. Hvac control principles the purpose of temperature controls • control systems are the. Hvac Controls Pdf.
From www.scribd.com
Control Strategies HVAC Systems PDF Hvac Air Conditioning Hvac Controls Pdf This book provides a thorough introduction and a practical guide to the principles and characteristics of hvac controls. Hvac control principles the purpose of temperature controls • control systems are the “brains” of hvac equipment to maiti h f tpit dbl i ahuthtintain human comfort. The basic building block of all control systems, and the various control strategies and algorithms. Hvac Controls Pdf.