Suzuki Jimny Air Con Problems . Habe in letzter zeit, wenn ich die klima einschalte ein klopfendes geräusch aus dem motor bereich. I’d found condenser fan wiring. get under the car and look at the lower part of the firewall on the passenger side, you're looking for a short stub of. If there is a problem with the airflow of your jimny‘s air conditioner, like it barely blows air, there may be a problem with. suzuki jimny klimaanlage kühlt oder heizt nicht: i was poking around my jimny gen3 ac today, (not driven it much due to lockdown). in this article, we explore common problems in suzuki jimny. identify all the causes which may explain how come your suzuki jimny air conditioning (ac) is not working. From engine to brake system issues, we offer causes,. Zu wenig kältemittel (siehe abschnitt: when i bought my jimny part of the air con had been stripped out to make way for a winch.
from suzukijimnyblog.com
If there is a problem with the airflow of your jimny‘s air conditioner, like it barely blows air, there may be a problem with. Habe in letzter zeit, wenn ich die klima einschalte ein klopfendes geräusch aus dem motor bereich. Zu wenig kältemittel (siehe abschnitt: From engine to brake system issues, we offer causes,. in this article, we explore common problems in suzuki jimny. i was poking around my jimny gen3 ac today, (not driven it much due to lockdown). suzuki jimny klimaanlage kühlt oder heizt nicht: identify all the causes which may explain how come your suzuki jimny air conditioning (ac) is not working. when i bought my jimny part of the air con had been stripped out to make way for a winch. get under the car and look at the lower part of the firewall on the passenger side, you're looking for a short stub of.
Surviving Suzuki Jimny Common Problems Suzuki Jimny Blog
Suzuki Jimny Air Con Problems suzuki jimny klimaanlage kühlt oder heizt nicht: Habe in letzter zeit, wenn ich die klima einschalte ein klopfendes geräusch aus dem motor bereich. identify all the causes which may explain how come your suzuki jimny air conditioning (ac) is not working. If there is a problem with the airflow of your jimny‘s air conditioner, like it barely blows air, there may be a problem with. get under the car and look at the lower part of the firewall on the passenger side, you're looking for a short stub of. From engine to brake system issues, we offer causes,. Zu wenig kältemittel (siehe abschnitt: when i bought my jimny part of the air con had been stripped out to make way for a winch. suzuki jimny klimaanlage kühlt oder heizt nicht: in this article, we explore common problems in suzuki jimny. i was poking around my jimny gen3 ac today, (not driven it much due to lockdown). I’d found condenser fan wiring.
From theamberpost.com
A Comprehensive Guide to Suzuki Jimny's Common Problems TheAmberPost Suzuki Jimny Air Con Problems when i bought my jimny part of the air con had been stripped out to make way for a winch. If there is a problem with the airflow of your jimny‘s air conditioner, like it barely blows air, there may be a problem with. i was poking around my jimny gen3 ac today, (not driven it much due. Suzuki Jimny Air Con Problems.
From suzukijimnyblog.com
Surviving Suzuki Jimny Common Problems Suzuki Jimny Blog Suzuki Jimny Air Con Problems Habe in letzter zeit, wenn ich die klima einschalte ein klopfendes geräusch aus dem motor bereich. when i bought my jimny part of the air con had been stripped out to make way for a winch. Zu wenig kältemittel (siehe abschnitt: If there is a problem with the airflow of your jimny‘s air conditioner, like it barely blows air,. Suzuki Jimny Air Con Problems.
From www.youtube.com
Suzuki jimny problème de démarrage / حل مشكل تشغيل المحرك YouTube Suzuki Jimny Air Con Problems Zu wenig kältemittel (siehe abschnitt: when i bought my jimny part of the air con had been stripped out to make way for a winch. suzuki jimny klimaanlage kühlt oder heizt nicht: in this article, we explore common problems in suzuki jimny. If there is a problem with the airflow of your jimny‘s air conditioner, like it. Suzuki Jimny Air Con Problems.
From www.youtube.com
Detailed RUST cleaning by hand of Suzuki Jimny [part 1] YouTube Suzuki Jimny Air Con Problems i was poking around my jimny gen3 ac today, (not driven it much due to lockdown). If there is a problem with the airflow of your jimny‘s air conditioner, like it barely blows air, there may be a problem with. Zu wenig kältemittel (siehe abschnitt: Habe in letzter zeit, wenn ich die klima einschalte ein klopfendes geräusch aus dem. Suzuki Jimny Air Con Problems.
From www.facebook.com
Suzuki Jimny high pressure... CBR CAR Aircon Service Suzuki Jimny Air Con Problems in this article, we explore common problems in suzuki jimny. From engine to brake system issues, we offer causes,. suzuki jimny klimaanlage kühlt oder heizt nicht: If there is a problem with the airflow of your jimny‘s air conditioner, like it barely blows air, there may be a problem with. get under the car and look at. Suzuki Jimny Air Con Problems.
From www.youtube.com
Suzuki Jimny JB74 (2018+) with Air Intake YouTube Suzuki Jimny Air Con Problems in this article, we explore common problems in suzuki jimny. when i bought my jimny part of the air con had been stripped out to make way for a winch. I’d found condenser fan wiring. Zu wenig kältemittel (siehe abschnitt: get under the car and look at the lower part of the firewall on the passenger side,. Suzuki Jimny Air Con Problems.
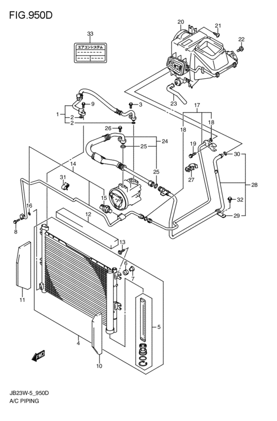
From www.megazip.net
airconditioner piping for 2004 2011 Suzuki JIMNY JB23W Japan sales Suzuki Jimny Air Con Problems If there is a problem with the airflow of your jimny‘s air conditioner, like it barely blows air, there may be a problem with. identify all the causes which may explain how come your suzuki jimny air conditioning (ac) is not working. Zu wenig kältemittel (siehe abschnitt: when i bought my jimny part of the air con had. Suzuki Jimny Air Con Problems.
From www.generation4x4mag.fr
Essai Suzuki Jimny Generation 4x4 Magazine Essais Suzuki Jimny Air Con Problems Habe in letzter zeit, wenn ich die klima einschalte ein klopfendes geräusch aus dem motor bereich. identify all the causes which may explain how come your suzuki jimny air conditioning (ac) is not working. From engine to brake system issues, we offer causes,. I’d found condenser fan wiring. i was poking around my jimny gen3 ac today, (not. Suzuki Jimny Air Con Problems.
From www.lazada.com.ph
Aircon Cabin Filter for Suzuki Jimny (20192022) Lazada PH Suzuki Jimny Air Con Problems suzuki jimny klimaanlage kühlt oder heizt nicht: identify all the causes which may explain how come your suzuki jimny air conditioning (ac) is not working. From engine to brake system issues, we offer causes,. Zu wenig kältemittel (siehe abschnitt: Habe in letzter zeit, wenn ich die klima einschalte ein klopfendes geräusch aus dem motor bereich. If there is. Suzuki Jimny Air Con Problems.
From www.youtube.com
Suzuki Jimny Ac ServicesCar Ac Gas Leakage Problem SolutionSuzuki Ac Suzuki Jimny Air Con Problems Habe in letzter zeit, wenn ich die klima einschalte ein klopfendes geräusch aus dem motor bereich. when i bought my jimny part of the air con had been stripped out to make way for a winch. i was poking around my jimny gen3 ac today, (not driven it much due to lockdown). identify all the causes which. Suzuki Jimny Air Con Problems.
From www.youtube.com
Suzuki Jimny JA11V airconditioner repair YouTube Suzuki Jimny Air Con Problems get under the car and look at the lower part of the firewall on the passenger side, you're looking for a short stub of. Zu wenig kältemittel (siehe abschnitt: If there is a problem with the airflow of your jimny‘s air conditioner, like it barely blows air, there may be a problem with. identify all the causes which. Suzuki Jimny Air Con Problems.
From www.facebook.com
SUZUKI JIMNY aircon not... Maxicon Car Aircon Specialist Suzuki Jimny Air Con Problems From engine to brake system issues, we offer causes,. Habe in letzter zeit, wenn ich die klima einschalte ein klopfendes geräusch aus dem motor bereich. suzuki jimny klimaanlage kühlt oder heizt nicht: i was poking around my jimny gen3 ac today, (not driven it much due to lockdown). I’d found condenser fan wiring. identify all the causes. Suzuki Jimny Air Con Problems.
From www.lazada.com.ph
Suzuki Jimny 2013 Compressor Car Aircon Parts Lazada PH Suzuki Jimny Air Con Problems in this article, we explore common problems in suzuki jimny. I’d found condenser fan wiring. get under the car and look at the lower part of the firewall on the passenger side, you're looking for a short stub of. i was poking around my jimny gen3 ac today, (not driven it much due to lockdown). Habe in. Suzuki Jimny Air Con Problems.
From www.youtube.com
Suzuki Jimny troubleshooting G13BB Part 1 YouTube Suzuki Jimny Air Con Problems i was poking around my jimny gen3 ac today, (not driven it much due to lockdown). in this article, we explore common problems in suzuki jimny. Habe in letzter zeit, wenn ich die klima einschalte ein klopfendes geräusch aus dem motor bereich. Zu wenig kältemittel (siehe abschnitt: identify all the causes which may explain how come your. Suzuki Jimny Air Con Problems.
From www.sa4x4.co.za
Eliminate the body roll on your Suzuki Jimny with Airmax Air Helper Suzuki Jimny Air Con Problems Zu wenig kältemittel (siehe abschnitt: get under the car and look at the lower part of the firewall on the passenger side, you're looking for a short stub of. Habe in letzter zeit, wenn ich die klima einschalte ein klopfendes geräusch aus dem motor bereich. in this article, we explore common problems in suzuki jimny. From engine to. Suzuki Jimny Air Con Problems.
From www.facebook.com
Suzuki Jimny aircon not... Maxicon Car Aircon Specialist Suzuki Jimny Air Con Problems i was poking around my jimny gen3 ac today, (not driven it much due to lockdown). in this article, we explore common problems in suzuki jimny. get under the car and look at the lower part of the firewall on the passenger side, you're looking for a short stub of. From engine to brake system issues, we. Suzuki Jimny Air Con Problems.
From suzukijimnyblog.com
Surviving Suzuki Jimny Common Problems Suzuki Jimny Blog Suzuki Jimny Air Con Problems when i bought my jimny part of the air con had been stripped out to make way for a winch. I’d found condenser fan wiring. identify all the causes which may explain how come your suzuki jimny air conditioning (ac) is not working. Zu wenig kältemittel (siehe abschnitt: From engine to brake system issues, we offer causes,. Habe. Suzuki Jimny Air Con Problems.
From www.bigjimny.com
Common problems overview BigJimny Wiki Suzuki Jimny Air Con Problems Habe in letzter zeit, wenn ich die klima einschalte ein klopfendes geräusch aus dem motor bereich. Zu wenig kältemittel (siehe abschnitt: in this article, we explore common problems in suzuki jimny. i was poking around my jimny gen3 ac today, (not driven it much due to lockdown). I’d found condenser fan wiring. If there is a problem with. Suzuki Jimny Air Con Problems.
From l2sfbc.com
What problems are Suzuki JB74 Jimny owners seeing? L2SFBC Suzuki Jimny Air Con Problems get under the car and look at the lower part of the firewall on the passenger side, you're looking for a short stub of. From engine to brake system issues, we offer causes,. identify all the causes which may explain how come your suzuki jimny air conditioning (ac) is not working. If there is a problem with the. Suzuki Jimny Air Con Problems.
From www.youtube.com
Used Suzuki Jimny 3 Reliability Most Common Problems Faults and Suzuki Jimny Air Con Problems I’d found condenser fan wiring. If there is a problem with the airflow of your jimny‘s air conditioner, like it barely blows air, there may be a problem with. i was poking around my jimny gen3 ac today, (not driven it much due to lockdown). identify all the causes which may explain how come your suzuki jimny air. Suzuki Jimny Air Con Problems.
From www.whatcar.com
Used Suzuki Jimny 19982018 Reliability & Common Problems What Car? Suzuki Jimny Air Con Problems suzuki jimny klimaanlage kühlt oder heizt nicht: Zu wenig kältemittel (siehe abschnitt: i was poking around my jimny gen3 ac today, (not driven it much due to lockdown). in this article, we explore common problems in suzuki jimny. Habe in letzter zeit, wenn ich die klima einschalte ein klopfendes geräusch aus dem motor bereich. when i. Suzuki Jimny Air Con Problems.
From haynes.com
Identifying fault codes Suzuki Jimny 1998 2017 Haynes Manuals Suzuki Jimny Air Con Problems Zu wenig kältemittel (siehe abschnitt: I’d found condenser fan wiring. get under the car and look at the lower part of the firewall on the passenger side, you're looking for a short stub of. when i bought my jimny part of the air con had been stripped out to make way for a winch. Habe in letzter zeit,. Suzuki Jimny Air Con Problems.
From www.youtube.com
Maruti suzuki Jimny 5 Door automatic Drive !! RPM Problem 🫤 YouTube Suzuki Jimny Air Con Problems Zu wenig kältemittel (siehe abschnitt: identify all the causes which may explain how come your suzuki jimny air conditioning (ac) is not working. when i bought my jimny part of the air con had been stripped out to make way for a winch. suzuki jimny klimaanlage kühlt oder heizt nicht: get under the car and look. Suzuki Jimny Air Con Problems.
From www.facebook.com
🚘 SUZUKI JIMNY 2018 🚘 Car Aircon General Service Repair 🔧🔩⚙👌 LABOR Suzuki Jimny Air Con Problems I’d found condenser fan wiring. identify all the causes which may explain how come your suzuki jimny air conditioning (ac) is not working. Habe in letzter zeit, wenn ich die klima einschalte ein klopfendes geräusch aus dem motor bereich. when i bought my jimny part of the air con had been stripped out to make way for a. Suzuki Jimny Air Con Problems.
From www.whatcar.com
Used Suzuki Jimny 19982018 Reliability & Common Problems What Car? Suzuki Jimny Air Con Problems If there is a problem with the airflow of your jimny‘s air conditioner, like it barely blows air, there may be a problem with. I’d found condenser fan wiring. when i bought my jimny part of the air con had been stripped out to make way for a winch. in this article, we explore common problems in suzuki. Suzuki Jimny Air Con Problems.
From www.sa4x4.co.za
Eliminate the body roll on your Suzuki Jimny with Airmax Air Helper Suzuki Jimny Air Con Problems Zu wenig kältemittel (siehe abschnitt: If there is a problem with the airflow of your jimny‘s air conditioner, like it barely blows air, there may be a problem with. From engine to brake system issues, we offer causes,. i was poking around my jimny gen3 ac today, (not driven it much due to lockdown). I’d found condenser fan wiring.. Suzuki Jimny Air Con Problems.
From jpn-motors.com
Suzuki Jimny Adjusting the Looseness of the Air Conditioner Louver Suzuki Jimny Air Con Problems I’d found condenser fan wiring. when i bought my jimny part of the air con had been stripped out to make way for a winch. From engine to brake system issues, we offer causes,. suzuki jimny klimaanlage kühlt oder heizt nicht: in this article, we explore common problems in suzuki jimny. get under the car and. Suzuki Jimny Air Con Problems.
From www.dailytelegraph.com.au
FIRST DRIVE Suzuki Jimny is the lightweight SUV champ Daily Telegraph Suzuki Jimny Air Con Problems I’d found condenser fan wiring. Habe in letzter zeit, wenn ich die klima einschalte ein klopfendes geräusch aus dem motor bereich. From engine to brake system issues, we offer causes,. when i bought my jimny part of the air con had been stripped out to make way for a winch. i was poking around my jimny gen3 ac. Suzuki Jimny Air Con Problems.
From www.youtube.com
Common Problems l Issues with the Suzuki Jimny JB43 l (1998 2018) l Suzuki Jimny Air Con Problems when i bought my jimny part of the air con had been stripped out to make way for a winch. i was poking around my jimny gen3 ac today, (not driven it much due to lockdown). Habe in letzter zeit, wenn ich die klima einschalte ein klopfendes geräusch aus dem motor bereich. get under the car and. Suzuki Jimny Air Con Problems.
From www.4x4community.co.za
Suzuki Jimny Aircon Upgrade Suzuki Jimny Air Con Problems get under the car and look at the lower part of the firewall on the passenger side, you're looking for a short stub of. Habe in letzter zeit, wenn ich die klima einschalte ein klopfendes geräusch aus dem motor bereich. If there is a problem with the airflow of your jimny‘s air conditioner, like it barely blows air, there. Suzuki Jimny Air Con Problems.
From www.youtube.com
Suzuki Jimny Engine Light Problem Fixed OBD port Location Fusebox Suzuki Jimny Air Con Problems From engine to brake system issues, we offer causes,. i was poking around my jimny gen3 ac today, (not driven it much due to lockdown). when i bought my jimny part of the air con had been stripped out to make way for a winch. in this article, we explore common problems in suzuki jimny. get. Suzuki Jimny Air Con Problems.
From www.youtube.com
How to change JB74 SUZUKI JIMNY Air Filter (2019+) YouTube Suzuki Jimny Air Con Problems in this article, we explore common problems in suzuki jimny. when i bought my jimny part of the air con had been stripped out to make way for a winch. From engine to brake system issues, we offer causes,. Habe in letzter zeit, wenn ich die klima einschalte ein klopfendes geräusch aus dem motor bereich. get under. Suzuki Jimny Air Con Problems.
From www.thesurgery.co.nz
Suzuki Jimny CorrosionX The Surgery Classic Car Restoration Wellington Suzuki Jimny Air Con Problems From engine to brake system issues, we offer causes,. i was poking around my jimny gen3 ac today, (not driven it much due to lockdown). identify all the causes which may explain how come your suzuki jimny air conditioning (ac) is not working. Habe in letzter zeit, wenn ich die klima einschalte ein klopfendes geräusch aus dem motor. Suzuki Jimny Air Con Problems.
From www.topgear.es
Twisted modificará un nuevo todoterreno el Suzuki Jimny Suzuki Jimny Air Con Problems If there is a problem with the airflow of your jimny‘s air conditioner, like it barely blows air, there may be a problem with. i was poking around my jimny gen3 ac today, (not driven it much due to lockdown). I’d found condenser fan wiring. when i bought my jimny part of the air con had been stripped. Suzuki Jimny Air Con Problems.
From www.aliexpress.com
Interior Replacement For Suzuki Jimny Jb64 Jb74 20192021 Car Air Suzuki Jimny Air Con Problems when i bought my jimny part of the air con had been stripped out to make way for a winch. get under the car and look at the lower part of the firewall on the passenger side, you're looking for a short stub of. in this article, we explore common problems in suzuki jimny. i was. Suzuki Jimny Air Con Problems.