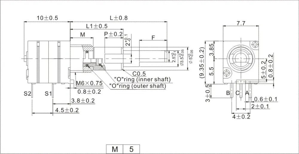
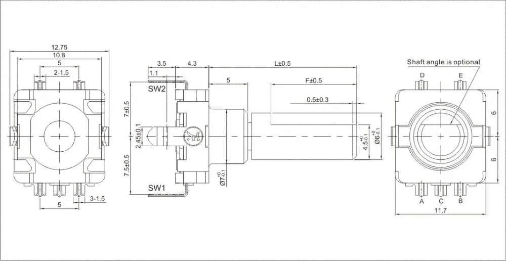
Rotary Encoder Dimensions . Tolerance class it16 applies to dimensions in this datasheet unless otherwise specified. Tolerance class it16 applies to dimensions in this datasheet unless otherwise specified. This section provides the 2d model of the rotary module along with its dimensions. This information can be used to design custom. Code off area v = 3.5v or more. 16mm rotary incremental encoder for use in electronic equipment. Tolerance class it16 applies to dimensions in this datasheet unless otherwise specified. Code on area v=1.5v or less. Extensive experiencebest in class performance
from www.soundwell.hk
16mm rotary incremental encoder for use in electronic equipment. This section provides the 2d model of the rotary module along with its dimensions. Code on area v=1.5v or less. This information can be used to design custom. Code off area v = 3.5v or more. Tolerance class it16 applies to dimensions in this datasheet unless otherwise specified. Extensive experiencebest in class performance Tolerance class it16 applies to dimensions in this datasheet unless otherwise specified. Tolerance class it16 applies to dimensions in this datasheet unless otherwise specified.
Ec12 Rotary EncoderRotary EncodersEc12 Rotary Encoder Data Sheet Pdf
Rotary Encoder Dimensions Code off area v = 3.5v or more. 16mm rotary incremental encoder for use in electronic equipment. Tolerance class it16 applies to dimensions in this datasheet unless otherwise specified. Code on area v=1.5v or less. This section provides the 2d model of the rotary module along with its dimensions. Code off area v = 3.5v or more. This information can be used to design custom. Tolerance class it16 applies to dimensions in this datasheet unless otherwise specified. Tolerance class it16 applies to dimensions in this datasheet unless otherwise specified. Extensive experiencebest in class performance
From www.soundwell.hk
Ec12 Rotary EncoderRotary EncodersEc12 Rotary Encoder Data Sheet Pdf Rotary Encoder Dimensions Tolerance class it16 applies to dimensions in this datasheet unless otherwise specified. Extensive experiencebest in class performance Tolerance class it16 applies to dimensions in this datasheet unless otherwise specified. 16mm rotary incremental encoder for use in electronic equipment. Tolerance class it16 applies to dimensions in this datasheet unless otherwise specified. This section provides the 2d model of the rotary module. Rotary Encoder Dimensions.
From www.posic.com
Rotary Encoder Chip with Index IT5602C POSIC Rotary Encoder Dimensions Tolerance class it16 applies to dimensions in this datasheet unless otherwise specified. Extensive experiencebest in class performance This section provides the 2d model of the rotary module along with its dimensions. Code off area v = 3.5v or more. Code on area v=1.5v or less. 16mm rotary incremental encoder for use in electronic equipment. Tolerance class it16 applies to dimensions. Rotary Encoder Dimensions.
From www.youtube.com
KY040 Rotary Encoder Arduino básico YouTube Rotary Encoder Dimensions Extensive experiencebest in class performance Tolerance class it16 applies to dimensions in this datasheet unless otherwise specified. This information can be used to design custom. Code on area v=1.5v or less. Code off area v = 3.5v or more. Tolerance class it16 applies to dimensions in this datasheet unless otherwise specified. Tolerance class it16 applies to dimensions in this datasheet. Rotary Encoder Dimensions.
From www.tinytronics.nl
Rotary Encoder EC11 20mm ROTENC Rotary Encoder Dimensions Tolerance class it16 applies to dimensions in this datasheet unless otherwise specified. This information can be used to design custom. Extensive experiencebest in class performance Tolerance class it16 applies to dimensions in this datasheet unless otherwise specified. This section provides the 2d model of the rotary module along with its dimensions. Tolerance class it16 applies to dimensions in this datasheet. Rotary Encoder Dimensions.
From store.minitools.com
24ppr rotary encoder, with push button 24 detents 20 mm shaft Rotary Encoder Dimensions Extensive experiencebest in class performance This section provides the 2d model of the rotary module along with its dimensions. Tolerance class it16 applies to dimensions in this datasheet unless otherwise specified. Code on area v=1.5v or less. Tolerance class it16 applies to dimensions in this datasheet unless otherwise specified. Tolerance class it16 applies to dimensions in this datasheet unless otherwise. Rotary Encoder Dimensions.
From holcim.com.vn
Module Volume xoay Rotary Encoder KY040 Cảm biến xoay 360 độ HolCim Rotary Encoder Dimensions 16mm rotary incremental encoder for use in electronic equipment. This information can be used to design custom. Tolerance class it16 applies to dimensions in this datasheet unless otherwise specified. Tolerance class it16 applies to dimensions in this datasheet unless otherwise specified. Code on area v=1.5v or less. Code off area v = 3.5v or more. This section provides the 2d. Rotary Encoder Dimensions.
From keycapsss.com
Rotary Encoder with switch Parts Keyboard Parts Keycapsss Rotary Encoder Dimensions Code on area v=1.5v or less. Extensive experiencebest in class performance This information can be used to design custom. Tolerance class it16 applies to dimensions in this datasheet unless otherwise specified. Code off area v = 3.5v or more. 16mm rotary incremental encoder for use in electronic equipment. This section provides the 2d model of the rotary module along with. Rotary Encoder Dimensions.
From www.usdigital.com
Encoder size US Digital Rotary Encoder Dimensions Code off area v = 3.5v or more. This information can be used to design custom. Tolerance class it16 applies to dimensions in this datasheet unless otherwise specified. Code on area v=1.5v or less. Extensive experiencebest in class performance Tolerance class it16 applies to dimensions in this datasheet unless otherwise specified. Tolerance class it16 applies to dimensions in this datasheet. Rotary Encoder Dimensions.
From www.botnroll.com
Encoder Rotativo 20imp/rot Rotary Encoder Dimensions Code on area v=1.5v or less. This information can be used to design custom. Extensive experiencebest in class performance Code off area v = 3.5v or more. This section provides the 2d model of the rotary module along with its dimensions. 16mm rotary incremental encoder for use in electronic equipment. Tolerance class it16 applies to dimensions in this datasheet unless. Rotary Encoder Dimensions.
From www.yumoelectric.com
10mm Shaft Diameter 1000 PPR Optical Rotary Encoder, China Rotary Rotary Encoder Dimensions Extensive experiencebest in class performance This section provides the 2d model of the rotary module along with its dimensions. Tolerance class it16 applies to dimensions in this datasheet unless otherwise specified. Tolerance class it16 applies to dimensions in this datasheet unless otherwise specified. Tolerance class it16 applies to dimensions in this datasheet unless otherwise specified. Code off area v =. Rotary Encoder Dimensions.
From www.sigmanortec.ro
Rotary encoder module, KY040 Rotary Encoder Dimensions Tolerance class it16 applies to dimensions in this datasheet unless otherwise specified. This information can be used to design custom. Extensive experiencebest in class performance Code off area v = 3.5v or more. Tolerance class it16 applies to dimensions in this datasheet unless otherwise specified. This section provides the 2d model of the rotary module along with its dimensions. 16mm. Rotary Encoder Dimensions.
From www.directindustry.com
Incremental rotary encoder E40S series Autonics solidshaft Rotary Encoder Dimensions This section provides the 2d model of the rotary module along with its dimensions. Code on area v=1.5v or less. Tolerance class it16 applies to dimensions in this datasheet unless otherwise specified. Code off area v = 3.5v or more. This information can be used to design custom. 16mm rotary incremental encoder for use in electronic equipment. Tolerance class it16. Rotary Encoder Dimensions.
From www.youtube.com
KY040 Rotary Encoder Module YouTube Rotary Encoder Dimensions Tolerance class it16 applies to dimensions in this datasheet unless otherwise specified. 16mm rotary incremental encoder for use in electronic equipment. This section provides the 2d model of the rotary module along with its dimensions. Tolerance class it16 applies to dimensions in this datasheet unless otherwise specified. Code on area v=1.5v or less. This information can be used to design. Rotary Encoder Dimensions.
From www.encoder.com
Industrial Size 25 Shaft Encoder Incremental Rotary Encoders Rotary Encoder Dimensions Code off area v = 3.5v or more. Tolerance class it16 applies to dimensions in this datasheet unless otherwise specified. 16mm rotary incremental encoder for use in electronic equipment. Code on area v=1.5v or less. Extensive experiencebest in class performance Tolerance class it16 applies to dimensions in this datasheet unless otherwise specified. Tolerance class it16 applies to dimensions in this. Rotary Encoder Dimensions.
From store.minitools.com
24 ppr rotary encoder, with push button 24 detents 15 mm shaft Rotary Encoder Dimensions Tolerance class it16 applies to dimensions in this datasheet unless otherwise specified. Tolerance class it16 applies to dimensions in this datasheet unless otherwise specified. This information can be used to design custom. Extensive experiencebest in class performance Code off area v = 3.5v or more. This section provides the 2d model of the rotary module along with its dimensions. Code. Rotary Encoder Dimensions.
From probots.co.in
Probots 600 PPR AB 2 Phase Incremental Optical Rotary Encoder Solid Rotary Encoder Dimensions Tolerance class it16 applies to dimensions in this datasheet unless otherwise specified. Extensive experiencebest in class performance Code on area v=1.5v or less. This information can be used to design custom. This section provides the 2d model of the rotary module along with its dimensions. 16mm rotary incremental encoder for use in electronic equipment. Tolerance class it16 applies to dimensions. Rotary Encoder Dimensions.
From www.flyrobo.in
5V KY040 Rotary Encoder Module For Arduino Rotary Encoder Dimensions Extensive experiencebest in class performance Tolerance class it16 applies to dimensions in this datasheet unless otherwise specified. Tolerance class it16 applies to dimensions in this datasheet unless otherwise specified. Tolerance class it16 applies to dimensions in this datasheet unless otherwise specified. Code off area v = 3.5v or more. This section provides the 2d model of the rotary module along. Rotary Encoder Dimensions.
From www.robotechbd.com
HW040 Rotary Encoder Module Robotech BD Rotary Encoder Dimensions Code on area v=1.5v or less. Extensive experiencebest in class performance This information can be used to design custom. Code off area v = 3.5v or more. 16mm rotary incremental encoder for use in electronic equipment. Tolerance class it16 applies to dimensions in this datasheet unless otherwise specified. This section provides the 2d model of the rotary module along with. Rotary Encoder Dimensions.
From www.alibaba.com
F11et Series Rotary Shaft Encoder Incremental Type High Accuracy Rotary Encoder Dimensions Tolerance class it16 applies to dimensions in this datasheet unless otherwise specified. Code on area v=1.5v or less. Tolerance class it16 applies to dimensions in this datasheet unless otherwise specified. This section provides the 2d model of the rotary module along with its dimensions. This information can be used to design custom. Tolerance class it16 applies to dimensions in this. Rotary Encoder Dimensions.
From electronics.stackexchange.com
circuit analysis Adafruit rotary encoder I2C Board Electrical Rotary Encoder Dimensions Extensive experiencebest in class performance Tolerance class it16 applies to dimensions in this datasheet unless otherwise specified. Code on area v=1.5v or less. Tolerance class it16 applies to dimensions in this datasheet unless otherwise specified. 16mm rotary incremental encoder for use in electronic equipment. Tolerance class it16 applies to dimensions in this datasheet unless otherwise specified. This information can be. Rotary Encoder Dimensions.
From www.opticalrotaryencoder.com
Large Size Photoelectric Encoder K158 , Incremental High Speed Rotary Rotary Encoder Dimensions Tolerance class it16 applies to dimensions in this datasheet unless otherwise specified. Code on area v=1.5v or less. Tolerance class it16 applies to dimensions in this datasheet unless otherwise specified. Code off area v = 3.5v or more. This information can be used to design custom. Extensive experiencebest in class performance Tolerance class it16 applies to dimensions in this datasheet. Rotary Encoder Dimensions.
From sinotech.com
Optical Encoder 38mm Diameter 68mm Shaft Incremental Solid Shaft Rotary Encoder Dimensions Code off area v = 3.5v or more. Tolerance class it16 applies to dimensions in this datasheet unless otherwise specified. Extensive experiencebest in class performance Tolerance class it16 applies to dimensions in this datasheet unless otherwise specified. 16mm rotary incremental encoder for use in electronic equipment. This section provides the 2d model of the rotary module along with its dimensions.. Rotary Encoder Dimensions.
From www.encoder.com
Industrial Size 25 Shaft Encoder Incremental Rotary Encoders Rotary Encoder Dimensions Code on area v=1.5v or less. Tolerance class it16 applies to dimensions in this datasheet unless otherwise specified. 16mm rotary incremental encoder for use in electronic equipment. Tolerance class it16 applies to dimensions in this datasheet unless otherwise specified. This section provides the 2d model of the rotary module along with its dimensions. This information can be used to design. Rotary Encoder Dimensions.
From www.robotechbd.com
HW040 Rotary Encoder Module Robotech BD Rotary Encoder Dimensions Tolerance class it16 applies to dimensions in this datasheet unless otherwise specified. Code on area v=1.5v or less. This information can be used to design custom. Tolerance class it16 applies to dimensions in this datasheet unless otherwise specified. This section provides the 2d model of the rotary module along with its dimensions. Extensive experiencebest in class performance Tolerance class it16. Rotary Encoder Dimensions.
From www.analogictips.com
Rotary encoder basics and applications, Part 1 Optical encoders Rotary Encoder Dimensions Extensive experiencebest in class performance Tolerance class it16 applies to dimensions in this datasheet unless otherwise specified. This information can be used to design custom. This section provides the 2d model of the rotary module along with its dimensions. Code on area v=1.5v or less. 16mm rotary incremental encoder for use in electronic equipment. Tolerance class it16 applies to dimensions. Rotary Encoder Dimensions.
From www.encoder.com
Industrial Size 25 Shaft Encoder Incremental Rotary Encoders Rotary Encoder Dimensions Code on area v=1.5v or less. Tolerance class it16 applies to dimensions in this datasheet unless otherwise specified. Tolerance class it16 applies to dimensions in this datasheet unless otherwise specified. This section provides the 2d model of the rotary module along with its dimensions. Tolerance class it16 applies to dimensions in this datasheet unless otherwise specified. 16mm rotary incremental encoder. Rotary Encoder Dimensions.
From docs.rakwireless.com
RAK14006 WisBlock Rotary Encoder Module Datasheet RAKwireless Rotary Encoder Dimensions Extensive experiencebest in class performance Code on area v=1.5v or less. This information can be used to design custom. This section provides the 2d model of the rotary module along with its dimensions. 16mm rotary incremental encoder for use in electronic equipment. Tolerance class it16 applies to dimensions in this datasheet unless otherwise specified. Tolerance class it16 applies to dimensions. Rotary Encoder Dimensions.
From www.alibaba.com
F082e Series Rotary Shaft Encoder Incremental Type High Accuracy Rotary Encoder Dimensions Tolerance class it16 applies to dimensions in this datasheet unless otherwise specified. Code on area v=1.5v or less. This section provides the 2d model of the rotary module along with its dimensions. 16mm rotary incremental encoder for use in electronic equipment. Tolerance class it16 applies to dimensions in this datasheet unless otherwise specified. This information can be used to design. Rotary Encoder Dimensions.
From dokumen.tips
(PDF) Rotary Encoder 318ENC130175F12PS · Rotary Encoder 318 Rotary Encoder Dimensions 16mm rotary incremental encoder for use in electronic equipment. Extensive experiencebest in class performance Tolerance class it16 applies to dimensions in this datasheet unless otherwise specified. This section provides the 2d model of the rotary module along with its dimensions. Code on area v=1.5v or less. Tolerance class it16 applies to dimensions in this datasheet unless otherwise specified. This information. Rotary Encoder Dimensions.
From www.encoderrotary.com
industrial rotary encoder incremental encoder Rotary Encoder Dimensions This information can be used to design custom. Code on area v=1.5v or less. Extensive experiencebest in class performance Tolerance class it16 applies to dimensions in this datasheet unless otherwise specified. Code off area v = 3.5v or more. This section provides the 2d model of the rotary module along with its dimensions. Tolerance class it16 applies to dimensions in. Rotary Encoder Dimensions.
From www.machine-dro.co.uk
Incremental Rotary Encoder 4096 Pulses Per Revolution Rotary Encoder Dimensions This information can be used to design custom. This section provides the 2d model of the rotary module along with its dimensions. Tolerance class it16 applies to dimensions in this datasheet unless otherwise specified. Tolerance class it16 applies to dimensions in this datasheet unless otherwise specified. Tolerance class it16 applies to dimensions in this datasheet unless otherwise specified. Extensive experiencebest. Rotary Encoder Dimensions.
From www.sunrom.com
Rotary Encoder EC11 Shaft 15mm [6830] Sunrom Electronics Rotary Encoder Dimensions This section provides the 2d model of the rotary module along with its dimensions. This information can be used to design custom. Tolerance class it16 applies to dimensions in this datasheet unless otherwise specified. Tolerance class it16 applies to dimensions in this datasheet unless otherwise specified. Tolerance class it16 applies to dimensions in this datasheet unless otherwise specified. Extensive experiencebest. Rotary Encoder Dimensions.
From arduino-projekte.info
KY040 Rotary Encoder Rotary Encoder Dimensions Tolerance class it16 applies to dimensions in this datasheet unless otherwise specified. Tolerance class it16 applies to dimensions in this datasheet unless otherwise specified. This information can be used to design custom. 16mm rotary incremental encoder for use in electronic equipment. Code off area v = 3.5v or more. This section provides the 2d model of the rotary module along. Rotary Encoder Dimensions.
From components101.com
Rotary Encoder Pinout, Features, Circuit and Working Rotary Encoder Dimensions Tolerance class it16 applies to dimensions in this datasheet unless otherwise specified. This section provides the 2d model of the rotary module along with its dimensions. Code off area v = 3.5v or more. Code on area v=1.5v or less. Tolerance class it16 applies to dimensions in this datasheet unless otherwise specified. Tolerance class it16 applies to dimensions in this. Rotary Encoder Dimensions.
From encoder.co.uk
50.8mm Size 20 Shaft Encoder > Encoder Products Rotary Encoder Dimensions This section provides the 2d model of the rotary module along with its dimensions. Tolerance class it16 applies to dimensions in this datasheet unless otherwise specified. Code on area v=1.5v or less. Tolerance class it16 applies to dimensions in this datasheet unless otherwise specified. This information can be used to design custom. Code off area v = 3.5v or more.. Rotary Encoder Dimensions.