Circuit For Photo Detector . This article discusses an overview of what is photodetector, properties, circuit, working, types, differences, advantages & its applications. 1.2 basic parameters of photodetectors references. Photomultiplier tube (pmt), silicon photomultiplier (sipm), and avalanche photodiode (apd) are photodetectors with intrinsic gain. Mode selection depends upon the application's speed requirements and the amount of. In this guide you are going to learn what a photodiode is, how it works, and more importantly, how you can use it in your own. Optimizing precision photodiode sensor circuit design. A photodiode can be operated in one of two modes:
from www.radiolocman.com
Optimizing precision photodiode sensor circuit design. Mode selection depends upon the application's speed requirements and the amount of. In this guide you are going to learn what a photodiode is, how it works, and more importantly, how you can use it in your own. A photodiode can be operated in one of two modes: Photomultiplier tube (pmt), silicon photomultiplier (sipm), and avalanche photodiode (apd) are photodetectors with intrinsic gain. This article discusses an overview of what is photodetector, properties, circuit, working, types, differences, advantages & its applications. 1.2 basic parameters of photodetectors references.
Photodetector sorts objects
Circuit For Photo Detector This article discusses an overview of what is photodetector, properties, circuit, working, types, differences, advantages & its applications. Mode selection depends upon the application's speed requirements and the amount of. Photomultiplier tube (pmt), silicon photomultiplier (sipm), and avalanche photodiode (apd) are photodetectors with intrinsic gain. In this guide you are going to learn what a photodiode is, how it works, and more importantly, how you can use it in your own. 1.2 basic parameters of photodetectors references. This article discusses an overview of what is photodetector, properties, circuit, working, types, differences, advantages & its applications. Optimizing precision photodiode sensor circuit design. A photodiode can be operated in one of two modes:
From www.thorlabs.com
LargeArea Balanced Amplified Photodetectors Circuit For Photo Detector 1.2 basic parameters of photodetectors references. Optimizing precision photodiode sensor circuit design. In this guide you are going to learn what a photodiode is, how it works, and more importantly, how you can use it in your own. Photomultiplier tube (pmt), silicon photomultiplier (sipm), and avalanche photodiode (apd) are photodetectors with intrinsic gain. A photodiode can be operated in one. Circuit For Photo Detector.
From www.allaboutcircuits.com
Si Lab Light Sensor (LED Photodetector) Discrete Semiconductor Circuit For Photo Detector 1.2 basic parameters of photodetectors references. Mode selection depends upon the application's speed requirements and the amount of. This article discusses an overview of what is photodetector, properties, circuit, working, types, differences, advantages & its applications. A photodiode can be operated in one of two modes: Photomultiplier tube (pmt), silicon photomultiplier (sipm), and avalanche photodiode (apd) are photodetectors with intrinsic. Circuit For Photo Detector.
From ar.inspiredpencil.com
Photodiode Sensor Circuit Circuit For Photo Detector A photodiode can be operated in one of two modes: In this guide you are going to learn what a photodiode is, how it works, and more importantly, how you can use it in your own. This article discusses an overview of what is photodetector, properties, circuit, working, types, differences, advantages & its applications. Mode selection depends upon the application's. Circuit For Photo Detector.
From www.researchgate.net
Photodetector 1D array of 16 diode elements (Hamamatsu S4111) and the Circuit For Photo Detector Mode selection depends upon the application's speed requirements and the amount of. This article discusses an overview of what is photodetector, properties, circuit, working, types, differences, advantages & its applications. 1.2 basic parameters of photodetectors references. In this guide you are going to learn what a photodiode is, how it works, and more importantly, how you can use it in. Circuit For Photo Detector.
From www.neltnerlabs.com
Photodetector Circuit Explainer — Neltner Labs Circuit For Photo Detector 1.2 basic parameters of photodetectors references. A photodiode can be operated in one of two modes: Mode selection depends upon the application's speed requirements and the amount of. This article discusses an overview of what is photodetector, properties, circuit, working, types, differences, advantages & its applications. Optimizing precision photodiode sensor circuit design. Photomultiplier tube (pmt), silicon photomultiplier (sipm), and avalanche. Circuit For Photo Detector.
From www.researchgate.net
Equivalent circuit model of a PIN PD and b balanced photodetector Circuit For Photo Detector A photodiode can be operated in one of two modes: Mode selection depends upon the application's speed requirements and the amount of. Photomultiplier tube (pmt), silicon photomultiplier (sipm), and avalanche photodiode (apd) are photodetectors with intrinsic gain. 1.2 basic parameters of photodetectors references. This article discusses an overview of what is photodetector, properties, circuit, working, types, differences, advantages & its. Circuit For Photo Detector.
From www.raypcb.com
Components of a Photodiode Circuit RAYPCB Circuit For Photo Detector In this guide you are going to learn what a photodiode is, how it works, and more importantly, how you can use it in your own. Optimizing precision photodiode sensor circuit design. 1.2 basic parameters of photodetectors references. A photodiode can be operated in one of two modes: This article discusses an overview of what is photodetector, properties, circuit, working,. Circuit For Photo Detector.
From www.seekic.com
Typical 8 PhotoDetector Circuit Measuring_and_Test_Circuit Circuit Circuit For Photo Detector Mode selection depends upon the application's speed requirements and the amount of. A photodiode can be operated in one of two modes: Optimizing precision photodiode sensor circuit design. Photomultiplier tube (pmt), silicon photomultiplier (sipm), and avalanche photodiode (apd) are photodetectors with intrinsic gain. In this guide you are going to learn what a photodiode is, how it works, and more. Circuit For Photo Detector.
From www.seekic.com
Infrared Light PhotoDetector Circuit Measuring_and_Test_Circuit Circuit For Photo Detector Optimizing precision photodiode sensor circuit design. This article discusses an overview of what is photodetector, properties, circuit, working, types, differences, advantages & its applications. In this guide you are going to learn what a photodiode is, how it works, and more importantly, how you can use it in your own. A photodiode can be operated in one of two modes:. Circuit For Photo Detector.
From ar.inspiredpencil.com
Photodiode Sensor Circuit Circuit For Photo Detector A photodiode can be operated in one of two modes: Optimizing precision photodiode sensor circuit design. Mode selection depends upon the application's speed requirements and the amount of. Photomultiplier tube (pmt), silicon photomultiplier (sipm), and avalanche photodiode (apd) are photodetectors with intrinsic gain. In this guide you are going to learn what a photodiode is, how it works, and more. Circuit For Photo Detector.
From www.circuits-diy.com
Dark Detector Circuits using different Light Sensors Circuit For Photo Detector Photomultiplier tube (pmt), silicon photomultiplier (sipm), and avalanche photodiode (apd) are photodetectors with intrinsic gain. Mode selection depends upon the application's speed requirements and the amount of. This article discusses an overview of what is photodetector, properties, circuit, working, types, differences, advantages & its applications. Optimizing precision photodiode sensor circuit design. In this guide you are going to learn what. Circuit For Photo Detector.
From www.build-electronic-circuits.com
Photodiode A Beginner's Guide Circuit For Photo Detector Mode selection depends upon the application's speed requirements and the amount of. A photodiode can be operated in one of two modes: In this guide you are going to learn what a photodiode is, how it works, and more importantly, how you can use it in your own. 1.2 basic parameters of photodetectors references. Photomultiplier tube (pmt), silicon photomultiplier (sipm),. Circuit For Photo Detector.
From www.researchgate.net
PDAs circuit diagram. PDAs photodetector assemblies. Download Circuit For Photo Detector Photomultiplier tube (pmt), silicon photomultiplier (sipm), and avalanche photodiode (apd) are photodetectors with intrinsic gain. This article discusses an overview of what is photodetector, properties, circuit, working, types, differences, advantages & its applications. 1.2 basic parameters of photodetectors references. In this guide you are going to learn what a photodiode is, how it works, and more importantly, how you can. Circuit For Photo Detector.
From www.koheron.com
100 MHz balanced photodetector Koheron Circuit For Photo Detector 1.2 basic parameters of photodetectors references. This article discusses an overview of what is photodetector, properties, circuit, working, types, differences, advantages & its applications. In this guide you are going to learn what a photodiode is, how it works, and more importantly, how you can use it in your own. Mode selection depends upon the application's speed requirements and the. Circuit For Photo Detector.
From www.seekic.com
555 PhotoDetector Design Guide Sheet Measuring_and_Test_Circuit Circuit For Photo Detector Photomultiplier tube (pmt), silicon photomultiplier (sipm), and avalanche photodiode (apd) are photodetectors with intrinsic gain. Optimizing precision photodiode sensor circuit design. This article discusses an overview of what is photodetector, properties, circuit, working, types, differences, advantages & its applications. A photodiode can be operated in one of two modes: In this guide you are going to learn what a photodiode. Circuit For Photo Detector.
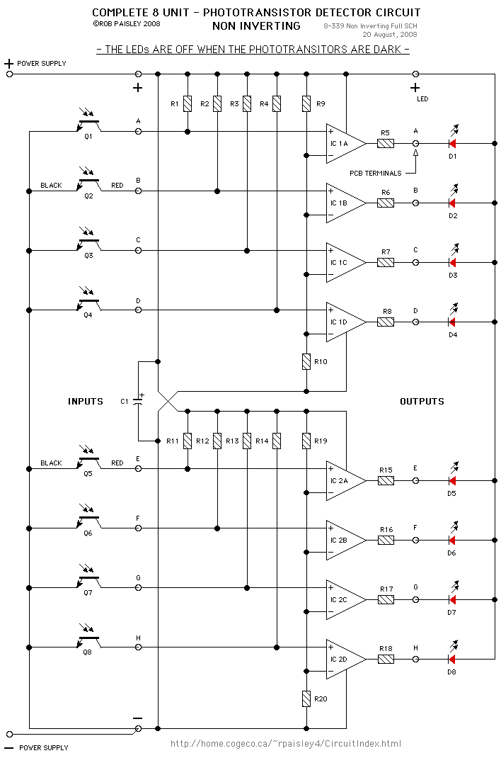
From www.seekic.com
8 PhotoDetector example circuits non inverting Basic_Circuit Circuit For Photo Detector A photodiode can be operated in one of two modes: In this guide you are going to learn what a photodiode is, how it works, and more importantly, how you can use it in your own. 1.2 basic parameters of photodetectors references. This article discusses an overview of what is photodetector, properties, circuit, working, types, differences, advantages & its applications.. Circuit For Photo Detector.
From shadyelectronics.com
Highspeed photodiode circuit Shady Electronics Circuit For Photo Detector This article discusses an overview of what is photodetector, properties, circuit, working, types, differences, advantages & its applications. Photomultiplier tube (pmt), silicon photomultiplier (sipm), and avalanche photodiode (apd) are photodetectors with intrinsic gain. A photodiode can be operated in one of two modes: 1.2 basic parameters of photodetectors references. Mode selection depends upon the application's speed requirements and the amount. Circuit For Photo Detector.
From www.researchgate.net
Equivalent circuit diagram of a matrix photodetector with the ICP Circuit For Photo Detector Mode selection depends upon the application's speed requirements and the amount of. This article discusses an overview of what is photodetector, properties, circuit, working, types, differences, advantages & its applications. In this guide you are going to learn what a photodiode is, how it works, and more importantly, how you can use it in your own. A photodiode can be. Circuit For Photo Detector.
From www.researchgate.net
Photodetector equivalent circuit, illustrating interconnection of the Circuit For Photo Detector In this guide you are going to learn what a photodiode is, how it works, and more importantly, how you can use it in your own. Photomultiplier tube (pmt), silicon photomultiplier (sipm), and avalanche photodiode (apd) are photodetectors with intrinsic gain. 1.2 basic parameters of photodetectors references. A photodiode can be operated in one of two modes: This article discusses. Circuit For Photo Detector.
From www.youtube.com
Photodetector circuit testing YouTube Circuit For Photo Detector Optimizing precision photodiode sensor circuit design. This article discusses an overview of what is photodetector, properties, circuit, working, types, differences, advantages & its applications. Mode selection depends upon the application's speed requirements and the amount of. Photomultiplier tube (pmt), silicon photomultiplier (sipm), and avalanche photodiode (apd) are photodetectors with intrinsic gain. 1.2 basic parameters of photodetectors references. A photodiode can. Circuit For Photo Detector.
From electronics.stackexchange.com
Infrared LED and Photodiodes Electrical Engineering Stack Exchange Circuit For Photo Detector In this guide you are going to learn what a photodiode is, how it works, and more importantly, how you can use it in your own. 1.2 basic parameters of photodetectors references. Mode selection depends upon the application's speed requirements and the amount of. Optimizing precision photodiode sensor circuit design. This article discusses an overview of what is photodetector, properties,. Circuit For Photo Detector.
From www.researchgate.net
Experiment circuit LDlaser diode, PDphotodetector, R L1 , R L2load Circuit For Photo Detector A photodiode can be operated in one of two modes: Photomultiplier tube (pmt), silicon photomultiplier (sipm), and avalanche photodiode (apd) are photodetectors with intrinsic gain. 1.2 basic parameters of photodetectors references. Mode selection depends upon the application's speed requirements and the amount of. Optimizing precision photodiode sensor circuit design. In this guide you are going to learn what a photodiode. Circuit For Photo Detector.
From www.researchgate.net
(PDF) Photodetector designs for experiments in quantum optics Circuit For Photo Detector This article discusses an overview of what is photodetector, properties, circuit, working, types, differences, advantages & its applications. Photomultiplier tube (pmt), silicon photomultiplier (sipm), and avalanche photodiode (apd) are photodetectors with intrinsic gain. 1.2 basic parameters of photodetectors references. A photodiode can be operated in one of two modes: Optimizing precision photodiode sensor circuit design. Mode selection depends upon the. Circuit For Photo Detector.
From www.researchgate.net
Equivalent smallsignal AC circuit for a photodetector and a simple Circuit For Photo Detector Mode selection depends upon the application's speed requirements and the amount of. This article discusses an overview of what is photodetector, properties, circuit, working, types, differences, advantages & its applications. Photomultiplier tube (pmt), silicon photomultiplier (sipm), and avalanche photodiode (apd) are photodetectors with intrinsic gain. In this guide you are going to learn what a photodiode is, how it works,. Circuit For Photo Detector.
From www.researchgate.net
Photodetector structure. The coupling from the Si photonic waveguide Circuit For Photo Detector Optimizing precision photodiode sensor circuit design. In this guide you are going to learn what a photodiode is, how it works, and more importantly, how you can use it in your own. This article discusses an overview of what is photodetector, properties, circuit, working, types, differences, advantages & its applications. 1.2 basic parameters of photodetectors references. Photomultiplier tube (pmt), silicon. Circuit For Photo Detector.
From www.seekic.com
4339/556 photodetector circuit layout diagram Measuring_and_Test Circuit For Photo Detector Optimizing precision photodiode sensor circuit design. This article discusses an overview of what is photodetector, properties, circuit, working, types, differences, advantages & its applications. 1.2 basic parameters of photodetectors references. Mode selection depends upon the application's speed requirements and the amount of. Photomultiplier tube (pmt), silicon photomultiplier (sipm), and avalanche photodiode (apd) are photodetectors with intrinsic gain. In this guide. Circuit For Photo Detector.
From www.researchgate.net
Equivalent smallsignal AC circuit for a photodetector and a simple Circuit For Photo Detector A photodiode can be operated in one of two modes: Optimizing precision photodiode sensor circuit design. This article discusses an overview of what is photodetector, properties, circuit, working, types, differences, advantages & its applications. 1.2 basic parameters of photodetectors references. In this guide you are going to learn what a photodiode is, how it works, and more importantly, how you. Circuit For Photo Detector.
From www.researchgate.net
(a) Schematic representation of the bAs−Si photodetector customized Circuit For Photo Detector Photomultiplier tube (pmt), silicon photomultiplier (sipm), and avalanche photodiode (apd) are photodetectors with intrinsic gain. This article discusses an overview of what is photodetector, properties, circuit, working, types, differences, advantages & its applications. A photodiode can be operated in one of two modes: Optimizing precision photodiode sensor circuit design. Mode selection depends upon the application's speed requirements and the amount. Circuit For Photo Detector.
From www.radiolocman.com
Photodetector sorts objects Circuit For Photo Detector Optimizing precision photodiode sensor circuit design. Photomultiplier tube (pmt), silicon photomultiplier (sipm), and avalanche photodiode (apd) are photodetectors with intrinsic gain. In this guide you are going to learn what a photodiode is, how it works, and more importantly, how you can use it in your own. This article discusses an overview of what is photodetector, properties, circuit, working, types,. Circuit For Photo Detector.
From www.researchgate.net
(a) MoS2based photodetector integrated in a photonic circuit. Left Circuit For Photo Detector Photomultiplier tube (pmt), silicon photomultiplier (sipm), and avalanche photodiode (apd) are photodetectors with intrinsic gain. Optimizing precision photodiode sensor circuit design. A photodiode can be operated in one of two modes: In this guide you are going to learn what a photodiode is, how it works, and more importantly, how you can use it in your own. 1.2 basic parameters. Circuit For Photo Detector.
From www.circuits-diy.com
Dark Detector Circuits using different Light Sensors Circuit For Photo Detector 1.2 basic parameters of photodetectors references. This article discusses an overview of what is photodetector, properties, circuit, working, types, differences, advantages & its applications. Mode selection depends upon the application's speed requirements and the amount of. Optimizing precision photodiode sensor circuit design. In this guide you are going to learn what a photodiode is, how it works, and more importantly,. Circuit For Photo Detector.
From www.researchgate.net
Schematic of the experimental setup of the photodetector for (a Circuit For Photo Detector Photomultiplier tube (pmt), silicon photomultiplier (sipm), and avalanche photodiode (apd) are photodetectors with intrinsic gain. 1.2 basic parameters of photodetectors references. A photodiode can be operated in one of two modes: Optimizing precision photodiode sensor circuit design. Mode selection depends upon the application's speed requirements and the amount of. This article discusses an overview of what is photodetector, properties, circuit,. Circuit For Photo Detector.
From www.engineersgarage.com
Light sensor using photodiode and opam Circuit For Photo Detector A photodiode can be operated in one of two modes: Mode selection depends upon the application's speed requirements and the amount of. Photomultiplier tube (pmt), silicon photomultiplier (sipm), and avalanche photodiode (apd) are photodetectors with intrinsic gain. This article discusses an overview of what is photodetector, properties, circuit, working, types, differences, advantages & its applications. 1.2 basic parameters of photodetectors. Circuit For Photo Detector.
From www.jos.ac.cn
75 GHz germanium waveguide photodetector with 64 Gbps data rates Circuit For Photo Detector In this guide you are going to learn what a photodiode is, how it works, and more importantly, how you can use it in your own. 1.2 basic parameters of photodetectors references. Mode selection depends upon the application's speed requirements and the amount of. A photodiode can be operated in one of two modes: Optimizing precision photodiode sensor circuit design.. Circuit For Photo Detector.
From www.build-electronic-circuits.com
Photodiode A Beginner's Guide Circuit For Photo Detector In this guide you are going to learn what a photodiode is, how it works, and more importantly, how you can use it in your own. Mode selection depends upon the application's speed requirements and the amount of. Optimizing precision photodiode sensor circuit design. 1.2 basic parameters of photodetectors references. Photomultiplier tube (pmt), silicon photomultiplier (sipm), and avalanche photodiode (apd). Circuit For Photo Detector.