Log Ratio Amplifier . there are three basic architectures which may be used to produce log amps: the term log amp, as it is generally understood in communications technology, refers to a device which calculates the log of an input signal's envelope. the log101 is a versatile integrated circuit that computes the logarithm or log ratio of an input current relative to a reference. This configuration dispenses with the fixed current reference normally employed, and. The basic diode log amp ,. in this tutorial we discuss high frequency applications. The classic diode/op amp (or transistor/op amp) log amp suffers from limited frequency response,. by using a pair of log amplifiers, and then a simple analog subtraction function using an op amp, the critical ratio of the incident/reflection power.
from www.researchgate.net
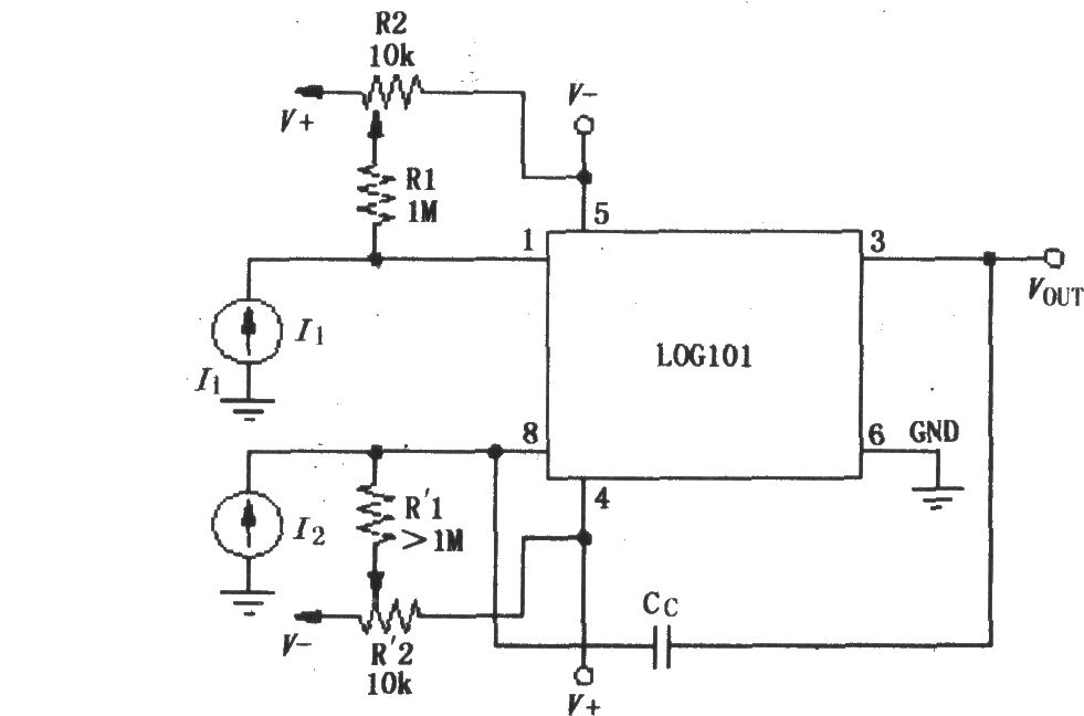
This configuration dispenses with the fixed current reference normally employed, and. The classic diode/op amp (or transistor/op amp) log amp suffers from limited frequency response,. by using a pair of log amplifiers, and then a simple analog subtraction function using an op amp, the critical ratio of the incident/reflection power. there are three basic architectures which may be used to produce log amps: the log101 is a versatile integrated circuit that computes the logarithm or log ratio of an input current relative to a reference. in this tutorial we discuss high frequency applications. The basic diode log amp ,. the term log amp, as it is generally understood in communications technology, refers to a device which calculates the log of an input signal's envelope.
Schematic of logratio amplifier. Download Scientific Diagram
Log Ratio Amplifier the log101 is a versatile integrated circuit that computes the logarithm or log ratio of an input current relative to a reference. the term log amp, as it is generally understood in communications technology, refers to a device which calculates the log of an input signal's envelope. there are three basic architectures which may be used to produce log amps: by using a pair of log amplifiers, and then a simple analog subtraction function using an op amp, the critical ratio of the incident/reflection power. the log101 is a versatile integrated circuit that computes the logarithm or log ratio of an input current relative to a reference. The basic diode log amp ,. This configuration dispenses with the fixed current reference normally employed, and. in this tutorial we discuss high frequency applications. The classic diode/op amp (or transistor/op amp) log amp suffers from limited frequency response,.
From www.youtube.com
Logarithmic amplifier on NI MULTISIM YouTube Log Ratio Amplifier The basic diode log amp ,. there are three basic architectures which may be used to produce log amps: The classic diode/op amp (or transistor/op amp) log amp suffers from limited frequency response,. This configuration dispenses with the fixed current reference normally employed, and. the log101 is a versatile integrated circuit that computes the logarithm or log ratio. Log Ratio Amplifier.
From ace4parts.com
LOG100JP BURR BROWN Precision LOGARITHMIC AND LOG RATIO AMPLIFIER Log Ratio Amplifier This configuration dispenses with the fixed current reference normally employed, and. in this tutorial we discuss high frequency applications. The basic diode log amp ,. The classic diode/op amp (or transistor/op amp) log amp suffers from limited frequency response,. by using a pair of log amplifiers, and then a simple analog subtraction function using an op amp, the. Log Ratio Amplifier.
From www.seekic.com
Single supply +5 V operating circuit of logarithmic and logarithmic Log Ratio Amplifier the term log amp, as it is generally understood in communications technology, refers to a device which calculates the log of an input signal's envelope. The classic diode/op amp (or transistor/op amp) log amp suffers from limited frequency response,. This configuration dispenses with the fixed current reference normally employed, and. The basic diode log amp ,. by using. Log Ratio Amplifier.
From www.radio741.com
LOG100JP Burr Brown Precision Logarithmic and Log Ratio Amplifier CDIP14 Log Ratio Amplifier the term log amp, as it is generally understood in communications technology, refers to a device which calculates the log of an input signal's envelope. in this tutorial we discuss high frequency applications. the log101 is a versatile integrated circuit that computes the logarithm or log ratio of an input current relative to a reference. by. Log Ratio Amplifier.
From www.researchgate.net
Schematic of logratio amplifier. Download Scientific Diagram Log Ratio Amplifier the log101 is a versatile integrated circuit that computes the logarithm or log ratio of an input current relative to a reference. The basic diode log amp ,. The classic diode/op amp (or transistor/op amp) log amp suffers from limited frequency response,. the term log amp, as it is generally understood in communications technology, refers to a device. Log Ratio Amplifier.
From www.researchgate.net
Schematic diagram of the logarithmic amplifier. Download Scientific Log Ratio Amplifier the term log amp, as it is generally understood in communications technology, refers to a device which calculates the log of an input signal's envelope. the log101 is a versatile integrated circuit that computes the logarithm or log ratio of an input current relative to a reference. in this tutorial we discuss high frequency applications. by. Log Ratio Amplifier.
From www.seekic.com
Drift zeroing circuit of logarithmic and logarithmic ratio amplifier Log Ratio Amplifier the term log amp, as it is generally understood in communications technology, refers to a device which calculates the log of an input signal's envelope. in this tutorial we discuss high frequency applications. This configuration dispenses with the fixed current reference normally employed, and. the log101 is a versatile integrated circuit that computes the logarithm or log. Log Ratio Amplifier.
From www.seekic.com
LOGARITHMIC_RATIO Basic_Circuit Circuit Diagram Log Ratio Amplifier This configuration dispenses with the fixed current reference normally employed, and. by using a pair of log amplifiers, and then a simple analog subtraction function using an op amp, the critical ratio of the incident/reflection power. in this tutorial we discuss high frequency applications. The basic diode log amp ,. The classic diode/op amp (or transistor/op amp) log. Log Ratio Amplifier.
From www.ebay.com
New LOG100JP Precision Logarithmic and Log Ratio Amplifier SBCDIP14 x Log Ratio Amplifier there are three basic architectures which may be used to produce log amps: the log101 is a versatile integrated circuit that computes the logarithm or log ratio of an input current relative to a reference. The basic diode log amp ,. This configuration dispenses with the fixed current reference normally employed, and. the term log amp, as. Log Ratio Amplifier.
From datasheetspdf.com
LOG100 Datasheet PDF Precision LOGARITHMIC AND LOG RATIO AMPLIFIER Log Ratio Amplifier by using a pair of log amplifiers, and then a simple analog subtraction function using an op amp, the critical ratio of the incident/reflection power. The classic diode/op amp (or transistor/op amp) log amp suffers from limited frequency response,. in this tutorial we discuss high frequency applications. the term log amp, as it is generally understood in. Log Ratio Amplifier.
From www.seekic.com
True_logarithmic_IF_amplifier Amplifier_Circuit Circuit Diagram Log Ratio Amplifier by using a pair of log amplifiers, and then a simple analog subtraction function using an op amp, the critical ratio of the incident/reflection power. the log101 is a versatile integrated circuit that computes the logarithm or log ratio of an input current relative to a reference. there are three basic architectures which may be used to. Log Ratio Amplifier.
From www.radio741.com
LOG100JP Burr Brown Precision Logarithmic and Log Ratio Amplifier CDIP14 Log Ratio Amplifier by using a pair of log amplifiers, and then a simple analog subtraction function using an op amp, the critical ratio of the incident/reflection power. the log101 is a versatile integrated circuit that computes the logarithm or log ratio of an input current relative to a reference. This configuration dispenses with the fixed current reference normally employed, and.. Log Ratio Amplifier.
From circuitsstream.blogspot.com
Logarithmic Amplifier Circuit Diagram Electronic Circuit Diagrams Log Ratio Amplifier there are three basic architectures which may be used to produce log amps: The basic diode log amp ,. This configuration dispenses with the fixed current reference normally employed, and. the term log amp, as it is generally understood in communications technology, refers to a device which calculates the log of an input signal's envelope. The classic diode/op. Log Ratio Amplifier.
From www.vrogue.co
Log Amplifier vrogue.co Log Ratio Amplifier The classic diode/op amp (or transistor/op amp) log amp suffers from limited frequency response,. the log101 is a versatile integrated circuit that computes the logarithm or log ratio of an input current relative to a reference. there are three basic architectures which may be used to produce log amps: by using a pair of log amplifiers, and. Log Ratio Amplifier.
From www.researchgate.net
Fig Logarithmic Amplifier Using Matched Transistors Download Log Ratio Amplifier there are three basic architectures which may be used to produce log amps: by using a pair of log amplifiers, and then a simple analog subtraction function using an op amp, the critical ratio of the incident/reflection power. in this tutorial we discuss high frequency applications. the term log amp, as it is generally understood in. Log Ratio Amplifier.
From www.youtube.com
Log amplifier using opamp Logarithmic Amplifier YouTube Log Ratio Amplifier the term log amp, as it is generally understood in communications technology, refers to a device which calculates the log of an input signal's envelope. The classic diode/op amp (or transistor/op amp) log amp suffers from limited frequency response,. by using a pair of log amplifiers, and then a simple analog subtraction function using an op amp, the. Log Ratio Amplifier.
From www.chegg.com
Solved Logarithmic Amplifier The Circuit Shown Below Is Log Ratio Amplifier The basic diode log amp ,. in this tutorial we discuss high frequency applications. the log101 is a versatile integrated circuit that computes the logarithm or log ratio of an input current relative to a reference. by using a pair of log amplifiers, and then a simple analog subtraction function using an op amp, the critical ratio. Log Ratio Amplifier.
From datasheetspdf.com
LOG100 Datasheet Precision LOGARITHMIC AND LOG RATIO AMPLIFIER Log Ratio Amplifier This configuration dispenses with the fixed current reference normally employed, and. there are three basic architectures which may be used to produce log amps: The basic diode log amp ,. by using a pair of log amplifiers, and then a simple analog subtraction function using an op amp, the critical ratio of the incident/reflection power. The classic diode/op. Log Ratio Amplifier.
From www.vrogue.co
Log Amplifier vrogue.co Log Ratio Amplifier there are three basic architectures which may be used to produce log amps: the term log amp, as it is generally understood in communications technology, refers to a device which calculates the log of an input signal's envelope. in this tutorial we discuss high frequency applications. the log101 is a versatile integrated circuit that computes the. Log Ratio Amplifier.
From www.aliexpress.com
Logarithmic Operational Amplifier Log104 Photoelectric Signal Amplifier Log Ratio Amplifier there are three basic architectures which may be used to produce log amps: This configuration dispenses with the fixed current reference normally employed, and. by using a pair of log amplifiers, and then a simple analog subtraction function using an op amp, the critical ratio of the incident/reflection power. in this tutorial we discuss high frequency applications.. Log Ratio Amplifier.
From dokumen.tips
(PDF) Log Ratio Amplifier Has Six Decade Dynamic Range DOKUMEN.TIPS Log Ratio Amplifier The basic diode log amp ,. the log101 is a versatile integrated circuit that computes the logarithm or log ratio of an input current relative to a reference. the term log amp, as it is generally understood in communications technology, refers to a device which calculates the log of an input signal's envelope. by using a pair. Log Ratio Amplifier.
From www.amazon.com
Phase Detector Module, AC Signal Logarithmic Ratio Remote Log Ratio Amplifier there are three basic architectures which may be used to produce log amps: the term log amp, as it is generally understood in communications technology, refers to a device which calculates the log of an input signal's envelope. by using a pair of log amplifiers, and then a simple analog subtraction function using an op amp, the. Log Ratio Amplifier.
From www.youtube.com
Analog Divider using log antilog amplifiers YouTube Log Ratio Amplifier the log101 is a versatile integrated circuit that computes the logarithm or log ratio of an input current relative to a reference. The classic diode/op amp (or transistor/op amp) log amp suffers from limited frequency response,. in this tutorial we discuss high frequency applications. the term log amp, as it is generally understood in communications technology, refers. Log Ratio Amplifier.
From www.youtube.com
Logarithmic Amplifier YouTube Log Ratio Amplifier The classic diode/op amp (or transistor/op amp) log amp suffers from limited frequency response,. The basic diode log amp ,. in this tutorial we discuss high frequency applications. there are three basic architectures which may be used to produce log amps: This configuration dispenses with the fixed current reference normally employed, and. the term log amp, as. Log Ratio Amplifier.
From www.seekic.com
LOG101/104 precision logarithmic and logarithmic ratio amplifier Log Ratio Amplifier The basic diode log amp ,. the term log amp, as it is generally understood in communications technology, refers to a device which calculates the log of an input signal's envelope. by using a pair of log amplifiers, and then a simple analog subtraction function using an op amp, the critical ratio of the incident/reflection power. The classic. Log Ratio Amplifier.
From studylib.net
Logarithmic Amplifier Log Ratio Amplifier there are three basic architectures which may be used to produce log amps: by using a pair of log amplifiers, and then a simple analog subtraction function using an op amp, the critical ratio of the incident/reflection power. the log101 is a versatile integrated circuit that computes the logarithm or log ratio of an input current relative. Log Ratio Amplifier.
From www.seekic.com
LOGARITHMIC_AMPLIFIER_FOR_05_TO_6_V_D_C Communication_Circuit Log Ratio Amplifier This configuration dispenses with the fixed current reference normally employed, and. by using a pair of log amplifiers, and then a simple analog subtraction function using an op amp, the critical ratio of the incident/reflection power. The basic diode log amp ,. the log101 is a versatile integrated circuit that computes the logarithm or log ratio of an. Log Ratio Amplifier.
From www.digikey.in
Logarithmic Amplifiers Scale Input Signals DigiKey Log Ratio Amplifier the term log amp, as it is generally understood in communications technology, refers to a device which calculates the log of an input signal's envelope. The classic diode/op amp (or transistor/op amp) log amp suffers from limited frequency response,. the log101 is a versatile integrated circuit that computes the logarithm or log ratio of an input current relative. Log Ratio Amplifier.
From electronics360.globalspec.com
Logarithmic Amplifier Chip Design and Application Considerations Log Ratio Amplifier the term log amp, as it is generally understood in communications technology, refers to a device which calculates the log of an input signal's envelope. The basic diode log amp ,. The classic diode/op amp (or transistor/op amp) log amp suffers from limited frequency response,. in this tutorial we discuss high frequency applications. by using a pair. Log Ratio Amplifier.
From www.semanticscholar.org
Figure 2 from Turnbyturn BPM electronics based on 500 MHz logratio Log Ratio Amplifier the log101 is a versatile integrated circuit that computes the logarithm or log ratio of an input current relative to a reference. This configuration dispenses with the fixed current reference normally employed, and. there are three basic architectures which may be used to produce log amps: The basic diode log amp ,. the term log amp, as. Log Ratio Amplifier.
From www.ebay.com
1X LOG100JP Black Precision LOGARITHMIC AND LOG RATIO AMPLIFIER eBay Log Ratio Amplifier the term log amp, as it is generally understood in communications technology, refers to a device which calculates the log of an input signal's envelope. in this tutorial we discuss high frequency applications. The basic diode log amp ,. there are three basic architectures which may be used to produce log amps: The classic diode/op amp (or. Log Ratio Amplifier.
From slideplayer.com
Proton Beam Diagnostics ppt download Log Ratio Amplifier by using a pair of log amplifiers, and then a simple analog subtraction function using an op amp, the critical ratio of the incident/reflection power. there are three basic architectures which may be used to produce log amps: the log101 is a versatile integrated circuit that computes the logarithm or log ratio of an input current relative. Log Ratio Amplifier.
From www.mouser.com
LOG114 Precision Logarithmic Amplifier TI Mouser Log Ratio Amplifier the term log amp, as it is generally understood in communications technology, refers to a device which calculates the log of an input signal's envelope. the log101 is a versatile integrated circuit that computes the logarithm or log ratio of an input current relative to a reference. The classic diode/op amp (or transistor/op amp) log amp suffers from. Log Ratio Amplifier.
From www.radiolocman.com
Logratio amplifier has sixdecade dynamic range Log Ratio Amplifier in this tutorial we discuss high frequency applications. the term log amp, as it is generally understood in communications technology, refers to a device which calculates the log of an input signal's envelope. there are three basic architectures which may be used to produce log amps: The classic diode/op amp (or transistor/op amp) log amp suffers from. Log Ratio Amplifier.
From www.pngkit.com
Download Logamp Differential Logarithmic Amplifier Full Size PNG Log Ratio Amplifier The classic diode/op amp (or transistor/op amp) log amp suffers from limited frequency response,. the log101 is a versatile integrated circuit that computes the logarithm or log ratio of an input current relative to a reference. by using a pair of log amplifiers, and then a simple analog subtraction function using an op amp, the critical ratio of. Log Ratio Amplifier.