Lxm62 Hardware Guide . Click here to see this page in full context. Show only results that contain all wordsfind whole words only. This manual is to help you use the capabilities of the lexium62drivesystem safely and properly. This manual is supposed to help you use the capabilities of the lxm62 component safely and properly. Click on it to obtain the technical information of the product: This manual is supposed to help you use the capabilities of the lxm62 component safely. Characteristics, dimensions and drawings, mounting and clearance, connections. Follow the instructions within this manual to. This manual is to help you use the capabilities of the lexium 62 drive system safely and properly. This manual is supposed to help you use the capabilities of the lxm62 component safely and properly. Follow the instructions within this manual to. Machine expert > v2.1 > drives, motors and robotic > lexium 62 multi axis drive system and motors.
from www.ymgk.com
Follow the instructions within this manual to. Show only results that contain all wordsfind whole words only. Follow the instructions within this manual to. Characteristics, dimensions and drawings, mounting and clearance, connections. This manual is to help you use the capabilities of the lexium62drivesystem safely and properly. Machine expert > v2.1 > drives, motors and robotic > lexium 62 multi axis drive system and motors. This manual is supposed to help you use the capabilities of the lxm62 component safely and properly. This manual is to help you use the capabilities of the lexium 62 drive system safely and properly. Click on it to obtain the technical information of the product: This manual is supposed to help you use the capabilities of the lxm62 component safely.
Schneider Electric Lexium LXM 62 D LXM62DD27D LXM62DD27D2100[品牌 价格 图片
Lxm62 Hardware Guide This manual is to help you use the capabilities of the lexium 62 drive system safely and properly. Machine expert > v2.1 > drives, motors and robotic > lexium 62 multi axis drive system and motors. This manual is to help you use the capabilities of the lexium 62 drive system safely and properly. Follow the instructions within this manual to. This manual is supposed to help you use the capabilities of the lxm62 component safely and properly. This manual is to help you use the capabilities of the lexium62drivesystem safely and properly. This manual is supposed to help you use the capabilities of the lxm62 component safely and properly. Click on it to obtain the technical information of the product: Click here to see this page in full context. Characteristics, dimensions and drawings, mounting and clearance, connections. Show only results that contain all wordsfind whole words only. This manual is supposed to help you use the capabilities of the lxm62 component safely. Follow the instructions within this manual to.
From www.ebay.com
NEW!!! SCHNEIDER LXM62DD27C21000 LXM62 Lexium 62 Single Drive 27 A eBay Lxm62 Hardware Guide Machine expert > v2.1 > drives, motors and robotic > lexium 62 multi axis drive system and motors. This manual is supposed to help you use the capabilities of the lxm62 component safely and properly. Click here to see this page in full context. This manual is to help you use the capabilities of the lexium62drivesystem safely and properly. Characteristics,. Lxm62 Hardware Guide.
From www.anertkom.de
Schneider Elrctric LXM62PD84A11000 Lexium LXM 62 Antrieb Refurbished Lxm62 Hardware Guide Follow the instructions within this manual to. Click here to see this page in full context. Characteristics, dimensions and drawings, mounting and clearance, connections. Follow the instructions within this manual to. This manual is to help you use the capabilities of the lexium 62 drive system safely and properly. This manual is supposed to help you use the capabilities of. Lxm62 Hardware Guide.
From www.anertkom.de
Schneider Elrctric LXM62DD27D21000 Doppelantrieb Lexium LXM 62 Lxm62 Hardware Guide Follow the instructions within this manual to. Follow the instructions within this manual to. Characteristics, dimensions and drawings, mounting and clearance, connections. This manual is supposed to help you use the capabilities of the lxm62 component safely and properly. This manual is supposed to help you use the capabilities of the lxm62 component safely. This manual is supposed to help. Lxm62 Hardware Guide.
From product-help.schneider-electric.com
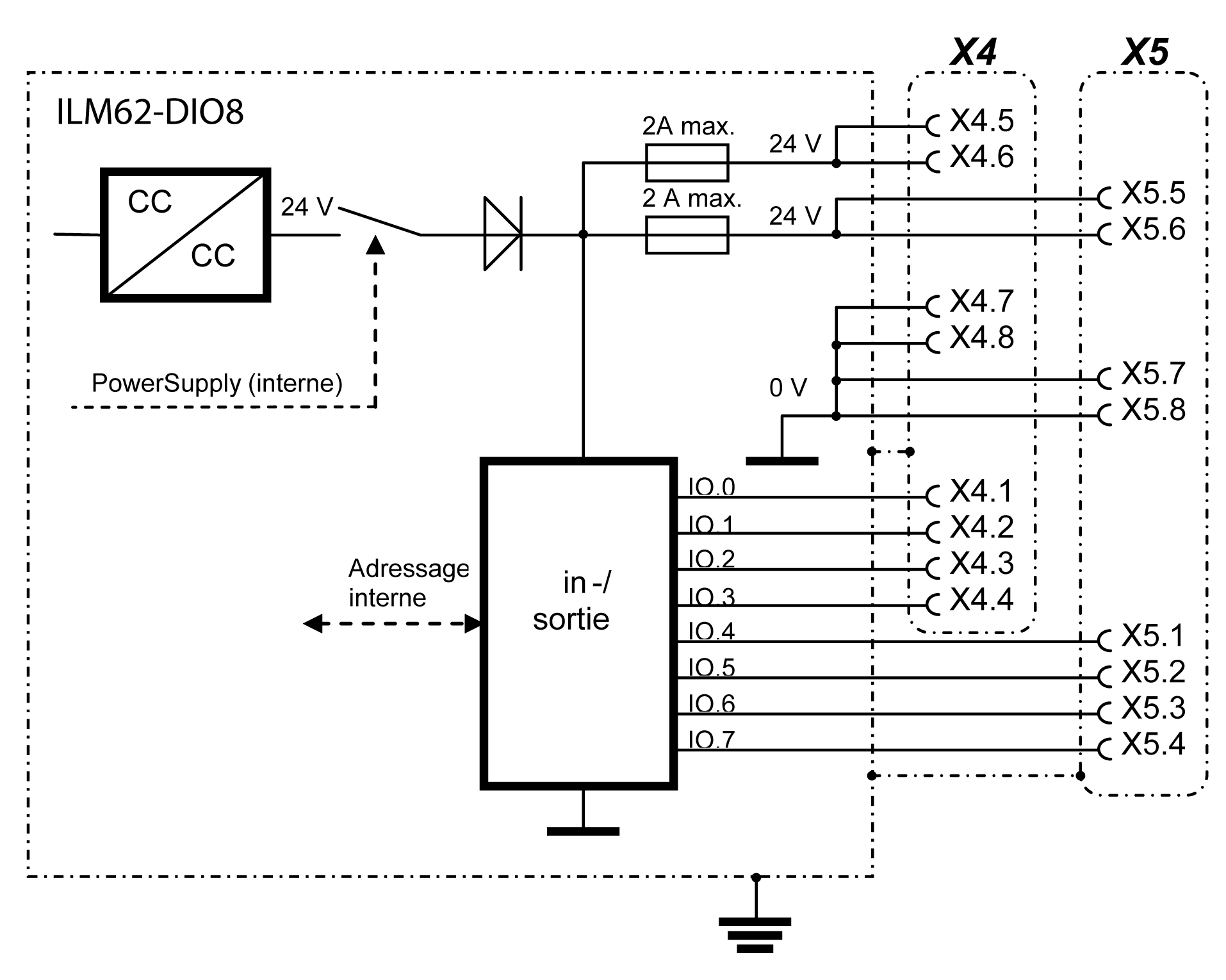
Module d'E/S numériques Lexium 62 ILM Connexions électriques Lxm62 Hardware Guide Click here to see this page in full context. Follow the instructions within this manual to. This manual is supposed to help you use the capabilities of the lxm62 component safely and properly. Machine expert > v2.1 > drives, motors and robotic > lexium 62 multi axis drive system and motors. Click on it to obtain the technical information of. Lxm62 Hardware Guide.
From rainhilllogiccontrols.com
Schneider LXM62DD15D21000. Lexium LXM 62 D. (UK / EU Read) Rainhill Lxm62 Hardware Guide Follow the instructions within this manual to. Click here to see this page in full context. Follow the instructions within this manual to. Click on it to obtain the technical information of the product: This manual is supposed to help you use the capabilities of the lxm62 component safely and properly. This manual is to help you use the capabilities. Lxm62 Hardware Guide.
From www.orbitri.com
LXM 62 Drive & Power Supply Orbit Motion Systems Lxm62 Hardware Guide Show only results that contain all wordsfind whole words only. This manual is supposed to help you use the capabilities of the lxm62 component safely and properly. Follow the instructions within this manual to. This manual is to help you use the capabilities of the lexium 62 drive system safely and properly. Characteristics, dimensions and drawings, mounting and clearance, connections.. Lxm62 Hardware Guide.
From www.scribd.com
LXM62 DS Us 032012 PDF Electric Motor Power Supply Lxm62 Hardware Guide This manual is to help you use the capabilities of the lexium 62 drive system safely and properly. This manual is supposed to help you use the capabilities of the lxm62 component safely and properly. This manual is supposed to help you use the capabilities of the lxm62 component safely and properly. Follow the instructions within this manual to. This. Lxm62 Hardware Guide.
From www.ebay.com
Schneider Electric Lexium Lxm62 LXM62DD15C21000 Motion Controller for Lxm62 Hardware Guide Machine expert > v2.1 > drives, motors and robotic > lexium 62 multi axis drive system and motors. This manual is supposed to help you use the capabilities of the lxm62 component safely. Click on it to obtain the technical information of the product: This manual is supposed to help you use the capabilities of the lxm62 component safely and. Lxm62 Hardware Guide.
From www.eletroflash.com.br
Conector Unico Para Drive Lxm62 Eletroflash Tudo em Automação Lxm62 Hardware Guide Click here to see this page in full context. This manual is to help you use the capabilities of the lexium62drivesystem safely and properly. This manual is supposed to help you use the capabilities of the lxm62 component safely. Click on it to obtain the technical information of the product: This manual is to help you use the capabilities of. Lxm62 Hardware Guide.
From rainhilllogiccontrols.com
Schneider LXM62DD15C21322. Lexium LXM 62 D. (UK / EU Read) Rainhill Lxm62 Hardware Guide Follow the instructions within this manual to. Follow the instructions within this manual to. Click on it to obtain the technical information of the product: This manual is supposed to help you use the capabilities of the lxm62 component safely and properly. This manual is supposed to help you use the capabilities of the lxm62 component safely and properly. Show. Lxm62 Hardware Guide.
From www.ebay.com
NEW!!! SCHNEIDER LXM62DD27C21000 LXM62 Lexium 62 Single Drive 27 A eBay Lxm62 Hardware Guide Characteristics, dimensions and drawings, mounting and clearance, connections. Follow the instructions within this manual to. Machine expert > v2.1 > drives, motors and robotic > lexium 62 multi axis drive system and motors. Click here to see this page in full context. This manual is supposed to help you use the capabilities of the lxm62 component safely and properly. Show. Lxm62 Hardware Guide.
From www.starline.vn
Schneider LXM62 Servo Drive Công Nghiệp Starline.vn Lxm62 Hardware Guide Follow the instructions within this manual to. This manual is to help you use the capabilities of the lexium 62 drive system safely and properly. Click on it to obtain the technical information of the product: This manual is to help you use the capabilities of the lexium62drivesystem safely and properly. Follow the instructions within this manual to. This manual. Lxm62 Hardware Guide.
From www.ebay.com
NEW!!! SCHNEIDER LXM62DD27C21000 LXM62 Lexium 62 Single Drive 27 A eBay Lxm62 Hardware Guide Machine expert > v2.1 > drives, motors and robotic > lexium 62 multi axis drive system and motors. Follow the instructions within this manual to. This manual is supposed to help you use the capabilities of the lxm62 component safely and properly. Characteristics, dimensions and drawings, mounting and clearance, connections. This manual is to help you use the capabilities of. Lxm62 Hardware Guide.
From grandlyautomation.com
LXM62 Schneider Lxm62 Hardware Guide Show only results that contain all wordsfind whole words only. This manual is supposed to help you use the capabilities of the lxm62 component safely and properly. Follow the instructions within this manual to. Machine expert > v2.1 > drives, motors and robotic > lexium 62 multi axis drive system and motors. Click on it to obtain the technical information. Lxm62 Hardware Guide.
From www.ebay.com
Schneider LXM62DD27D21322. Lexium LXM 62 D. (UK / EU Read) eBay Lxm62 Hardware Guide Machine expert > v2.1 > drives, motors and robotic > lexium 62 multi axis drive system and motors. This manual is to help you use the capabilities of the lexium62drivesystem safely and properly. This manual is supposed to help you use the capabilities of the lxm62 component safely. Follow the instructions within this manual to. Click here to see this. Lxm62 Hardware Guide.
From aucview.aucfan.com
1F031815 Schneider サーボアンプ LXM62DD27D21000 Lexium LXM 62 D ジャンク(電材、配電用品 Lxm62 Hardware Guide Follow the instructions within this manual to. This manual is to help you use the capabilities of the lexium 62 drive system safely and properly. This manual is supposed to help you use the capabilities of the lxm62 component safely and properly. This manual is supposed to help you use the capabilities of the lxm62 component safely. Machine expert >. Lxm62 Hardware Guide.
From www.ebay.com
Schneider Electric Lexium Lxm62 LXM62DD15C21000 Motion Controller for Lxm62 Hardware Guide This manual is supposed to help you use the capabilities of the lxm62 component safely and properly. This manual is to help you use the capabilities of the lexium62drivesystem safely and properly. This manual is supposed to help you use the capabilities of the lxm62 component safely. Show only results that contain all wordsfind whole words only. Follow the instructions. Lxm62 Hardware Guide.
From bssong69.tistory.com
LXM62DD27D21000 , Schneider , Lexium62 Double Drive , 전문수리 판매 메인텍 , 듀얼드라이브 Lxm62 Hardware Guide Machine expert > v2.1 > drives, motors and robotic > lexium 62 multi axis drive system and motors. This manual is supposed to help you use the capabilities of the lxm62 component safely. This manual is supposed to help you use the capabilities of the lxm62 component safely and properly. Follow the instructions within this manual to. Click here to. Lxm62 Hardware Guide.
From cameduae.com
LXM62DD27C21000 Lexium 62 servo drive; power 4.3kW Coast & Middle Lxm62 Hardware Guide This manual is supposed to help you use the capabilities of the lxm62 component safely. Follow the instructions within this manual to. Click here to see this page in full context. Characteristics, dimensions and drawings, mounting and clearance, connections. Machine expert > v2.1 > drives, motors and robotic > lexium 62 multi axis drive system and motors. Click on it. Lxm62 Hardware Guide.
From vb-steuerungstechnik.de
Schneider Lexium LXM 62 D Servodrive Servoantrieb Typ LXM62DU60A2100 Lxm62 Hardware Guide Follow the instructions within this manual to. Click here to see this page in full context. This manual is to help you use the capabilities of the lexium 62 drive system safely and properly. Follow the instructions within this manual to. This manual is supposed to help you use the capabilities of the lxm62 component safely. This manual is to. Lxm62 Hardware Guide.
From raw.githubusercontent.com
in modern manuals the servicing book will directly correspond to Lxm62 Hardware Guide This manual is to help you use the capabilities of the lexium 62 drive system safely and properly. Characteristics, dimensions and drawings, mounting and clearance, connections. This manual is supposed to help you use the capabilities of the lxm62 component safely and properly. Follow the instructions within this manual to. Show only results that contain all wordsfind whole words only.. Lxm62 Hardware Guide.
From www.nexinstrument.com
LXM62DD15C21000 Schneider Electric Lexium 62 Drive Module Lxm62 Hardware Guide Characteristics, dimensions and drawings, mounting and clearance, connections. This manual is supposed to help you use the capabilities of the lxm62 component safely and properly. Click here to see this page in full context. This manual is to help you use the capabilities of the lexium62drivesystem safely and properly. This manual is supposed to help you use the capabilities of. Lxm62 Hardware Guide.
From www.ymgk.com
Schneider Electric Lexium LXM 62 D LXM62DD27D LXM62DD27D2100[品牌 价格 图片 Lxm62 Hardware Guide Click here to see this page in full context. This manual is supposed to help you use the capabilities of the lxm62 component safely. Machine expert > v2.1 > drives, motors and robotic > lexium 62 multi axis drive system and motors. Show only results that contain all wordsfind whole words only. This manual is to help you use the. Lxm62 Hardware Guide.
From www.ebay.com
1PCS LXM62DD45C21000 server Driver LXM62DD45C21000 LXM62DD45C21000 eBay Lxm62 Hardware Guide Characteristics, dimensions and drawings, mounting and clearance, connections. Click on it to obtain the technical information of the product: This manual is to help you use the capabilities of the lexium 62 drive system safely and properly. This manual is supposed to help you use the capabilities of the lxm62 component safely and properly. Follow the instructions within this manual. Lxm62 Hardware Guide.
From www.electronics-lab.com
Metro ESP32S3 is The Next Generation IoT Board with Circuit Python Lxm62 Hardware Guide This manual is supposed to help you use the capabilities of the lxm62 component safely. This manual is to help you use the capabilities of the lexium62drivesystem safely and properly. Follow the instructions within this manual to. This manual is supposed to help you use the capabilities of the lxm62 component safely and properly. Show only results that contain all. Lxm62 Hardware Guide.
From www.eletroflash.com.br
Servoinversor Simples Pd3 Lxm62 24kw In/ Eletroflash Tudo em Lxm62 Hardware Guide Follow the instructions within this manual to. This manual is supposed to help you use the capabilities of the lxm62 component safely and properly. Machine expert > v2.1 > drives, motors and robotic > lexium 62 multi axis drive system and motors. Follow the instructions within this manual to. Click on it to obtain the technical information of the product:. Lxm62 Hardware Guide.
From www.bpx.co.uk
LXM62DU60C21000 SCHNEIDER LEXIUM 62 SERVO DRIVE BPX Lxm62 Hardware Guide Machine expert > v2.1 > drives, motors and robotic > lexium 62 multi axis drive system and motors. Characteristics, dimensions and drawings, mounting and clearance, connections. This manual is supposed to help you use the capabilities of the lxm62 component safely. This manual is to help you use the capabilities of the lexium 62 drive system safely and properly. Show. Lxm62 Hardware Guide.
From www.anertkom.de
Schneider Elrctric LXM62DD27C21000 Single drive Lexium LXM 62 Multi Lxm62 Hardware Guide Click on it to obtain the technical information of the product: This manual is supposed to help you use the capabilities of the lxm62 component safely. Follow the instructions within this manual to. This manual is to help you use the capabilities of the lexium 62 drive system safely and properly. This manual is supposed to help you use the. Lxm62 Hardware Guide.
From rainhilllogiccontrols.com
Schneider LXM62DD27D21000. Lexium LXM 62 D. (UK / EU Read) Rainhill Lxm62 Hardware Guide Follow the instructions within this manual to. Show only results that contain all wordsfind whole words only. This manual is to help you use the capabilities of the lexium62drivesystem safely and properly. This manual is to help you use the capabilities of the lexium 62 drive system safely and properly. Follow the instructions within this manual to. Click on it. Lxm62 Hardware Guide.
From rainhilllogiccontrols.com
Schneider LXM62DD15C21322. Lexium LXM 62 D. (UK / EU Read) Rainhill Lxm62 Hardware Guide Characteristics, dimensions and drawings, mounting and clearance, connections. Show only results that contain all wordsfind whole words only. This manual is to help you use the capabilities of the lexium62drivesystem safely and properly. This manual is to help you use the capabilities of the lexium 62 drive system safely and properly. Click on it to obtain the technical information of. Lxm62 Hardware Guide.
From www.sonepar.fr
cable codeur sh3 mh3 lxm6252 Schneider Electric Lxm62 Hardware Guide This manual is supposed to help you use the capabilities of the lxm62 component safely and properly. This manual is to help you use the capabilities of the lexium62drivesystem safely and properly. This manual is supposed to help you use the capabilities of the lxm62 component safely. This manual is supposed to help you use the capabilities of the lxm62. Lxm62 Hardware Guide.
From www.se.com
LXM62PD84A11000 Lexium LXM 62 power supply drive 42/84 A Lxm62 Hardware Guide This manual is supposed to help you use the capabilities of the lxm62 component safely. Follow the instructions within this manual to. Follow the instructions within this manual to. This manual is to help you use the capabilities of the lexium62drivesystem safely and properly. Click here to see this page in full context. This manual is supposed to help you. Lxm62 Hardware Guide.
From dokumen.tips
(PDF) TE3000 Hardware Guide V10 Impedance Analyzer DOKUMEN.TIPS Lxm62 Hardware Guide Click on it to obtain the technical information of the product: This manual is to help you use the capabilities of the lexium 62 drive system safely and properly. This manual is supposed to help you use the capabilities of the lxm62 component safely and properly. Follow the instructions within this manual to. Machine expert > v2.1 > drives, motors. Lxm62 Hardware Guide.
From docs.hello-robot.com
Hardware Guide Stretch Documentation Lxm62 Hardware Guide This manual is to help you use the capabilities of the lexium62drivesystem safely and properly. This manual is to help you use the capabilities of the lexium 62 drive system safely and properly. Click on it to obtain the technical information of the product: This manual is supposed to help you use the capabilities of the lxm62 component safely. Characteristics,. Lxm62 Hardware Guide.
From www.timeequipment.cn
LXM62PD84A11000 Schneider LXM62 Power Supply Drive TIMECO Lxm62 Hardware Guide This manual is supposed to help you use the capabilities of the lxm62 component safely. Follow the instructions within this manual to. This manual is supposed to help you use the capabilities of the lxm62 component safely and properly. Click on it to obtain the technical information of the product: Click here to see this page in full context. This. Lxm62 Hardware Guide.