How To Check Generator Output Voltage . verify electrical output: Read the generator’s manual, locate the regulator, inspect its wires and connections,. how to test a generator voltage regulator, follow these steps: Compare the reading with the generator’s rated. to conduct an output test, you will need to connect the generator to a load bank that is capable of simulating the electrical load that the generator. check voltage output: Use a multimeter to measure the voltage output at the generator’s outlets. connect the electrical load to the generator’s output terminals. to check the output of a portable generator, follow these steps: Check the voltage output using a voltmeter to ensure the generator is producing the correct voltage for. verify that a portable generator can provide the power levels it. Using the multimeter, measure the voltage (in volts).
from hxekcvoxb.blob.core.windows.net
Using the multimeter, measure the voltage (in volts). to conduct an output test, you will need to connect the generator to a load bank that is capable of simulating the electrical load that the generator. how to test a generator voltage regulator, follow these steps: connect the electrical load to the generator’s output terminals. verify electrical output: Use a multimeter to measure the voltage output at the generator’s outlets. Read the generator’s manual, locate the regulator, inspect its wires and connections,. verify that a portable generator can provide the power levels it. check voltage output: Compare the reading with the generator’s rated.
Generator Voltage Regulator Wiring Diagram at Jack Chow blog
How To Check Generator Output Voltage to check the output of a portable generator, follow these steps: Read the generator’s manual, locate the regulator, inspect its wires and connections,. check voltage output: verify electrical output: how to test a generator voltage regulator, follow these steps: Check the voltage output using a voltmeter to ensure the generator is producing the correct voltage for. to check the output of a portable generator, follow these steps: Use a multimeter to measure the voltage output at the generator’s outlets. Using the multimeter, measure the voltage (in volts). to conduct an output test, you will need to connect the generator to a load bank that is capable of simulating the electrical load that the generator. connect the electrical load to the generator’s output terminals. Compare the reading with the generator’s rated. verify that a portable generator can provide the power levels it.
From www.researchgate.net
Output voltage of the generator. Download Scientific Diagram How To Check Generator Output Voltage connect the electrical load to the generator’s output terminals. Read the generator’s manual, locate the regulator, inspect its wires and connections,. check voltage output: Use a multimeter to measure the voltage output at the generator’s outlets. Check the voltage output using a voltmeter to ensure the generator is producing the correct voltage for. how to test a. How To Check Generator Output Voltage.
From generatormechanic.com
10 Tips How To Test A Generator Voltage Regulator Guide How To Check Generator Output Voltage to check the output of a portable generator, follow these steps: Check the voltage output using a voltmeter to ensure the generator is producing the correct voltage for. Using the multimeter, measure the voltage (in volts). Use a multimeter to measure the voltage output at the generator’s outlets. connect the electrical load to the generator’s output terminals. . How To Check Generator Output Voltage.
From generatorinspect.com
How to Adjust Generator Voltage? GeneratorInspect How To Check Generator Output Voltage how to test a generator voltage regulator, follow these steps: Using the multimeter, measure the voltage (in volts). check voltage output: verify electrical output: Read the generator’s manual, locate the regulator, inspect its wires and connections,. Compare the reading with the generator’s rated. Use a multimeter to measure the voltage output at the generator’s outlets. connect. How To Check Generator Output Voltage.
From gr.pinterest.com
How to Connect a Portable Generator to the Home? NEC and IEC Portable How To Check Generator Output Voltage Use a multimeter to measure the voltage output at the generator’s outlets. how to test a generator voltage regulator, follow these steps: to conduct an output test, you will need to connect the generator to a load bank that is capable of simulating the electrical load that the generator. to check the output of a portable generator,. How To Check Generator Output Voltage.
From www.generatorszone.com
Best Voltage Regulators for Generators (Tips & Tricks) Generators Zone How To Check Generator Output Voltage connect the electrical load to the generator’s output terminals. how to test a generator voltage regulator, follow these steps: to conduct an output test, you will need to connect the generator to a load bank that is capable of simulating the electrical load that the generator. Using the multimeter, measure the voltage (in volts). Read the generator’s. How To Check Generator Output Voltage.
From emadrlc.blogspot.co.uk
Engineering Photos,Videos and Articels (Engineering Search Engine How To Check Generator Output Voltage verify that a portable generator can provide the power levels it. Read the generator’s manual, locate the regulator, inspect its wires and connections,. connect the electrical load to the generator’s output terminals. Compare the reading with the generator’s rated. check voltage output: Using the multimeter, measure the voltage (in volts). to check the output of a. How To Check Generator Output Voltage.
From generatorhacks.com.ng
Generator Output Voltage Too High Troubleshooting Guide Generator Hacks How To Check Generator Output Voltage to check the output of a portable generator, follow these steps: to conduct an output test, you will need to connect the generator to a load bank that is capable of simulating the electrical load that the generator. Check the voltage output using a voltmeter to ensure the generator is producing the correct voltage for. verify that. How To Check Generator Output Voltage.
From www.researchgate.net
system output voltage. Download Scientific Diagram How To Check Generator Output Voltage Check the voltage output using a voltmeter to ensure the generator is producing the correct voltage for. verify that a portable generator can provide the power levels it. Use a multimeter to measure the voltage output at the generator’s outlets. to conduct an output test, you will need to connect the generator to a load bank that is. How To Check Generator Output Voltage.
From circuitengineflimsy.z21.web.core.windows.net
How To Check A 420ma Signal How To Check Generator Output Voltage connect the electrical load to the generator’s output terminals. verify that a portable generator can provide the power levels it. to conduct an output test, you will need to connect the generator to a load bank that is capable of simulating the electrical load that the generator. to check the output of a portable generator, follow. How To Check Generator Output Voltage.
From wiringall.com
Generac 18kw Generator Voltage Regulator Wiring Diagram How To Check Generator Output Voltage check voltage output: connect the electrical load to the generator’s output terminals. Read the generator’s manual, locate the regulator, inspect its wires and connections,. Compare the reading with the generator’s rated. Use a multimeter to measure the voltage output at the generator’s outlets. verify that a portable generator can provide the power levels it. Check the voltage. How To Check Generator Output Voltage.
From www.researchgate.net
Hardware structure of the proposed generator and output voltage How To Check Generator Output Voltage Use a multimeter to measure the voltage output at the generator’s outlets. Read the generator’s manual, locate the regulator, inspect its wires and connections,. check voltage output: Compare the reading with the generator’s rated. to conduct an output test, you will need to connect the generator to a load bank that is capable of simulating the electrical load. How To Check Generator Output Voltage.
From electricala2z.com
Types of AC Generators Single Phase and Three Phase AC Generator How To Check Generator Output Voltage verify that a portable generator can provide the power levels it. Compare the reading with the generator’s rated. Read the generator’s manual, locate the regulator, inspect its wires and connections,. to check the output of a portable generator, follow these steps: Use a multimeter to measure the voltage output at the generator’s outlets. connect the electrical load. How To Check Generator Output Voltage.
From www.researchgate.net
Generator output voltage and speed with ELC Download Scientific Diagram How To Check Generator Output Voltage verify that a portable generator can provide the power levels it. check voltage output: to check the output of a portable generator, follow these steps: to conduct an output test, you will need to connect the generator to a load bank that is capable of simulating the electrical load that the generator. Compare the reading with. How To Check Generator Output Voltage.
From www.youtube.com
12V DC Generator output voltage waveform in Hindi YouTube How To Check Generator Output Voltage Read the generator’s manual, locate the regulator, inspect its wires and connections,. verify electrical output: how to test a generator voltage regulator, follow these steps: to check the output of a portable generator, follow these steps: check voltage output: connect the electrical load to the generator’s output terminals. verify that a portable generator can. How To Check Generator Output Voltage.
From www.iectestingequipment.com
IEC602555 Electrical Appliance Tester High Voltage Impulse Generator How To Check Generator Output Voltage to conduct an output test, you will need to connect the generator to a load bank that is capable of simulating the electrical load that the generator. to check the output of a portable generator, follow these steps: Use a multimeter to measure the voltage output at the generator’s outlets. verify electrical output: Compare the reading with. How To Check Generator Output Voltage.
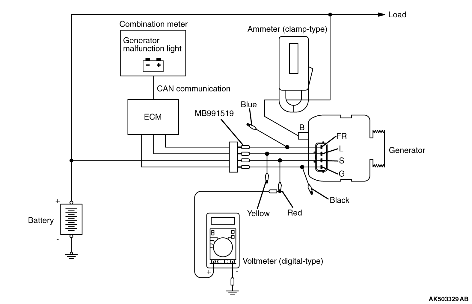
From mitsubishitechinfo.com
13BGENERATOR OUTPUT VOLTAGE IS LOW (APPROXIMATELY 12.3 VOLTS) How To Check Generator Output Voltage to check the output of a portable generator, follow these steps: verify electrical output: check voltage output: Check the voltage output using a voltmeter to ensure the generator is producing the correct voltage for. Using the multimeter, measure the voltage (in volts). verify that a portable generator can provide the power levels it. to conduct. How To Check Generator Output Voltage.
From gcsephysicsninja.com
26. AC voltage generator graph How To Check Generator Output Voltage verify electrical output: Use a multimeter to measure the voltage output at the generator’s outlets. verify that a portable generator can provide the power levels it. Check the voltage output using a voltmeter to ensure the generator is producing the correct voltage for. to conduct an output test, you will need to connect the generator to a. How To Check Generator Output Voltage.
From www.youtube.com
Generator Excitation function and its types YouTube How To Check Generator Output Voltage to conduct an output test, you will need to connect the generator to a load bank that is capable of simulating the electrical load that the generator. Compare the reading with the generator’s rated. verify electrical output: verify that a portable generator can provide the power levels it. Using the multimeter, measure the voltage (in volts). . How To Check Generator Output Voltage.
From exyzgkdpo.blob.core.windows.net
Generator Voltage Regulation Formula at Glenn Pope blog How To Check Generator Output Voltage verify electrical output: check voltage output: Check the voltage output using a voltmeter to ensure the generator is producing the correct voltage for. Compare the reading with the generator’s rated. verify that a portable generator can provide the power levels it. Use a multimeter to measure the voltage output at the generator’s outlets. Using the multimeter, measure. How To Check Generator Output Voltage.
From www.sensorsone.com
4 to 20 mA Current Loop Output Signal How To Check Generator Output Voltage to conduct an output test, you will need to connect the generator to a load bank that is capable of simulating the electrical load that the generator. Compare the reading with the generator’s rated. verify electrical output: verify that a portable generator can provide the power levels it. how to test a generator voltage regulator, follow. How To Check Generator Output Voltage.
From mitsubishitechinfo.com
16 REGULATED VOLTAGE TEST How To Check Generator Output Voltage Read the generator’s manual, locate the regulator, inspect its wires and connections,. verify electrical output: how to test a generator voltage regulator, follow these steps: Compare the reading with the generator’s rated. to conduct an output test, you will need to connect the generator to a load bank that is capable of simulating the electrical load that. How To Check Generator Output Voltage.
From www.youtube.com
Generator over voltage fault how to change an automatic voltage How To Check Generator Output Voltage Use a multimeter to measure the voltage output at the generator’s outlets. check voltage output: Check the voltage output using a voltmeter to ensure the generator is producing the correct voltage for. Compare the reading with the generator’s rated. verify electrical output: to conduct an output test, you will need to connect the generator to a load. How To Check Generator Output Voltage.
From studylib.net
Generator Voltage Regulation Introduction How To Check Generator Output Voltage Using the multimeter, measure the voltage (in volts). check voltage output: Compare the reading with the generator’s rated. Use a multimeter to measure the voltage output at the generator’s outlets. how to test a generator voltage regulator, follow these steps: to check the output of a portable generator, follow these steps: verify electrical output: Read the. How To Check Generator Output Voltage.
From hxekcvoxb.blob.core.windows.net
Generator Voltage Regulator Wiring Diagram at Jack Chow blog How To Check Generator Output Voltage connect the electrical load to the generator’s output terminals. to conduct an output test, you will need to connect the generator to a load bank that is capable of simulating the electrical load that the generator. Use a multimeter to measure the voltage output at the generator’s outlets. verify that a portable generator can provide the power. How To Check Generator Output Voltage.
From med-auto.com
How to check the relay generator regulator How To Check Generator Output Voltage check voltage output: Check the voltage output using a voltmeter to ensure the generator is producing the correct voltage for. Read the generator’s manual, locate the regulator, inspect its wires and connections,. Compare the reading with the generator’s rated. how to test a generator voltage regulator, follow these steps: connect the electrical load to the generator’s output. How To Check Generator Output Voltage.
From exowgcmpl.blob.core.windows.net
How To Test Generator Voltage Regulator at Roy Phillips blog How To Check Generator Output Voltage Using the multimeter, measure the voltage (in volts). connect the electrical load to the generator’s output terminals. to conduct an output test, you will need to connect the generator to a load bank that is capable of simulating the electrical load that the generator. verify electrical output: verify that a portable generator can provide the power. How To Check Generator Output Voltage.
From wirelistchristian.z19.web.core.windows.net
Generator Voltage Regulator Wiring Diagram How To Check Generator Output Voltage Using the multimeter, measure the voltage (in volts). connect the electrical load to the generator’s output terminals. to conduct an output test, you will need to connect the generator to a load bank that is capable of simulating the electrical load that the generator. Read the generator’s manual, locate the regulator, inspect its wires and connections,. Check the. How To Check Generator Output Voltage.
From www.safepowering.com
Generator Output Voltage Too High [5 Causes & DIY Fixes] How To Check Generator Output Voltage verify that a portable generator can provide the power levels it. how to test a generator voltage regulator, follow these steps: verify electrical output: Use a multimeter to measure the voltage output at the generator’s outlets. connect the electrical load to the generator’s output terminals. check voltage output: to conduct an output test, you. How To Check Generator Output Voltage.
From www.youtube.com
11KV High Voltage HT Metering Connection With CT & PT YouTube How To Check Generator Output Voltage Read the generator’s manual, locate the regulator, inspect its wires and connections,. Compare the reading with the generator’s rated. connect the electrical load to the generator’s output terminals. to conduct an output test, you will need to connect the generator to a load bank that is capable of simulating the electrical load that the generator. Check the voltage. How To Check Generator Output Voltage.
From www.researchgate.net
Output voltage and electrical current of output generator with How To Check Generator Output Voltage to conduct an output test, you will need to connect the generator to a load bank that is capable of simulating the electrical load that the generator. verify electrical output: check voltage output: verify that a portable generator can provide the power levels it. Using the multimeter, measure the voltage (in volts). to check the. How To Check Generator Output Voltage.
From fixlibsilke.z13.web.core.windows.net
Simple Electric Generator Circuit Diagram How To Check Generator Output Voltage connect the electrical load to the generator’s output terminals. how to test a generator voltage regulator, follow these steps: Check the voltage output using a voltmeter to ensure the generator is producing the correct voltage for. check voltage output: Use a multimeter to measure the voltage output at the generator’s outlets. Using the multimeter, measure the voltage. How To Check Generator Output Voltage.
From www.researchgate.net
Output voltage of the generator. Download Scientific Diagram How To Check Generator Output Voltage to conduct an output test, you will need to connect the generator to a load bank that is capable of simulating the electrical load that the generator. check voltage output: how to test a generator voltage regulator, follow these steps: Check the voltage output using a voltmeter to ensure the generator is producing the correct voltage for.. How To Check Generator Output Voltage.
From www.youtube.com
DC generator formula YouTube How To Check Generator Output Voltage check voltage output: connect the electrical load to the generator’s output terminals. to check the output of a portable generator, follow these steps: Check the voltage output using a voltmeter to ensure the generator is producing the correct voltage for. to conduct an output test, you will need to connect the generator to a load bank. How To Check Generator Output Voltage.
From www.youtube.com
Sync Check Relay Synchronization of a Machine with a Power System How To Check Generator Output Voltage Using the multimeter, measure the voltage (in volts). Compare the reading with the generator’s rated. to check the output of a portable generator, follow these steps: to conduct an output test, you will need to connect the generator to a load bank that is capable of simulating the electrical load that the generator. how to test a. How To Check Generator Output Voltage.
From shinegil.en.made-in-china.com
Wvt 255 Impulse Voltage Generator Test System for Withstanding Voltage How To Check Generator Output Voltage verify that a portable generator can provide the power levels it. check voltage output: Use a multimeter to measure the voltage output at the generator’s outlets. verify electrical output: Using the multimeter, measure the voltage (in volts). Compare the reading with the generator’s rated. connect the electrical load to the generator’s output terminals. how to. How To Check Generator Output Voltage.