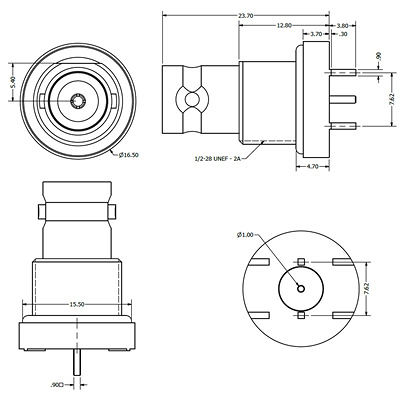
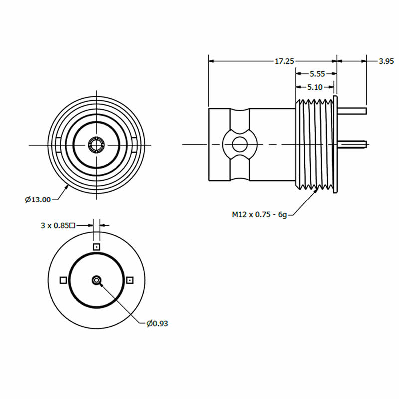
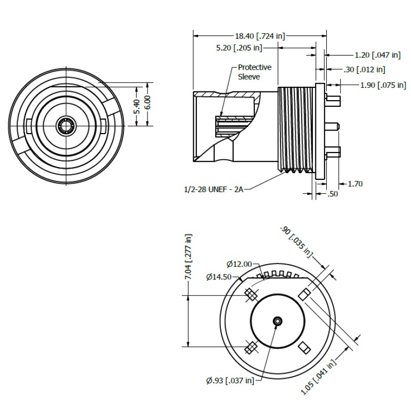
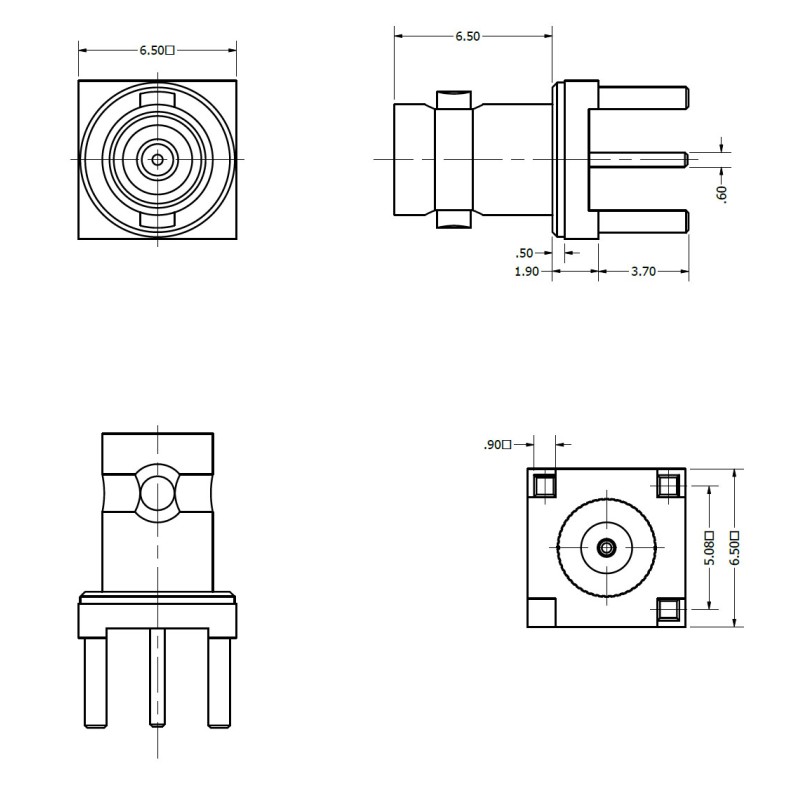
Bnc Connector Drawing . Have you thought of trying to do a section view of the connector? The grabcad library offers millions of free cad designs, cad files, and 3d models. While there are many ways to manufacture a bnc connector, the dominant standard that governs the design is specified in the military specification. Bnc connector assembly instruction date: When wiring a bnc connector, itโs important to follow the correct diagram to ensure a proper and secure connection. Not scale drawing sheet 1 o f 2 property and confidential the information contained in. Join the grabcad community today to gain access and. A section view would show the inside of the connector ๐.
from alterplayground.blogspot.com
The grabcad library offers millions of free cad designs, cad files, and 3d models. Not scale drawing sheet 1 o f 2 property and confidential the information contained in. Bnc connector assembly instruction date: When wiring a bnc connector, itโs important to follow the correct diagram to ensure a proper and secure connection. A section view would show the inside of the connector ๐. Have you thought of trying to do a section view of the connector? While there are many ways to manufacture a bnc connector, the dominant standard that governs the design is specified in the military specification. Join the grabcad community today to gain access and.
Bnc Connector Cad Drawing alter playground
Bnc Connector Drawing While there are many ways to manufacture a bnc connector, the dominant standard that governs the design is specified in the military specification. When wiring a bnc connector, itโs important to follow the correct diagram to ensure a proper and secure connection. While there are many ways to manufacture a bnc connector, the dominant standard that governs the design is specified in the military specification. Have you thought of trying to do a section view of the connector? A section view would show the inside of the connector ๐. Join the grabcad community today to gain access and. Bnc connector assembly instruction date: The grabcad library offers millions of free cad designs, cad files, and 3d models. Not scale drawing sheet 1 o f 2 property and confidential the information contained in.
From gnss.store
Choosing the Right Connector A Guide to BNC, TNC, SMA, MCX, MMCX, and Bnc Connector Drawing When wiring a bnc connector, itโs important to follow the correct diagram to ensure a proper and secure connection. Not scale drawing sheet 1 o f 2 property and confidential the information contained in. While there are many ways to manufacture a bnc connector, the dominant standard that governs the design is specified in the military specification. Bnc connector assembly. Bnc Connector Drawing.
From www.cambridgeelectronics.com
3GHz Right Angle BNC Coaxial RF Connector from Cambridge Electronics Bnc Connector Drawing The grabcad library offers millions of free cad designs, cad files, and 3d models. Join the grabcad community today to gain access and. Bnc connector assembly instruction date: When wiring a bnc connector, itโs important to follow the correct diagram to ensure a proper and secure connection. A section view would show the inside of the connector ๐. Not scale. Bnc Connector Drawing.
From www.argosycable.com
Neutrik NBB75DFI Recessed Bulkhead BNC Jack Connectors Video Argosy Bnc Connector Drawing Join the grabcad community today to gain access and. While there are many ways to manufacture a bnc connector, the dominant standard that governs the design is specified in the military specification. Have you thought of trying to do a section view of the connector? A section view would show the inside of the connector ๐. Bnc connector assembly instruction. Bnc Connector Drawing.
From www.cambridgeelectronics.com
4GHz Right Angle BNC Bulkhead Connector from Cambridge Electronics Bnc Connector Drawing Bnc connector assembly instruction date: The grabcad library offers millions of free cad designs, cad files, and 3d models. A section view would show the inside of the connector ๐. Have you thought of trying to do a section view of the connector? While there are many ways to manufacture a bnc connector, the dominant standard that governs the design. Bnc Connector Drawing.
From tektel.com
BNC Connector Types Explained and How to Install Them Bnc Connector Drawing Have you thought of trying to do a section view of the connector? While there are many ways to manufacture a bnc connector, the dominant standard that governs the design is specified in the military specification. The grabcad library offers millions of free cad designs, cad files, and 3d models. A section view would show the inside of the connector. Bnc Connector Drawing.
From alterplayground.blogspot.com
Bnc Connector Cad Drawing alter playground Bnc Connector Drawing A section view would show the inside of the connector ๐. Join the grabcad community today to gain access and. The grabcad library offers millions of free cad designs, cad files, and 3d models. Not scale drawing sheet 1 o f 2 property and confidential the information contained in. Have you thought of trying to do a section view of. Bnc Connector Drawing.
From www.cambridgeelectronics.com
6GHz Top Entry BNC Coaxial RF Connector from Cambridge Electronics Bnc Connector Drawing Bnc connector assembly instruction date: Not scale drawing sheet 1 o f 2 property and confidential the information contained in. While there are many ways to manufacture a bnc connector, the dominant standard that governs the design is specified in the military specification. Have you thought of trying to do a section view of the connector? A section view would. Bnc Connector Drawing.
From globalnucleonics.com
GN210BNC Specifications Global Nucleonics Bnc Connector Drawing Join the grabcad community today to gain access and. A section view would show the inside of the connector ๐. Not scale drawing sheet 1 o f 2 property and confidential the information contained in. Bnc connector assembly instruction date: While there are many ways to manufacture a bnc connector, the dominant standard that governs the design is specified in. Bnc Connector Drawing.
From mungfali.com
BNC Connector Wiring Bnc Connector Drawing Not scale drawing sheet 1 o f 2 property and confidential the information contained in. A section view would show the inside of the connector ๐. When wiring a bnc connector, itโs important to follow the correct diagram to ensure a proper and secure connection. Have you thought of trying to do a section view of the connector? While there. Bnc Connector Drawing.
From www.avc-group.com
NEUTRIK BNC Connectors Professional Cable and Chassis Connectors AVC Bnc Connector Drawing The grabcad library offers millions of free cad designs, cad files, and 3d models. Join the grabcad community today to gain access and. Have you thought of trying to do a section view of the connector? When wiring a bnc connector, itโs important to follow the correct diagram to ensure a proper and secure connection. While there are many ways. Bnc Connector Drawing.
From citizenside.com
Understanding the Applications and Uses of a BNC Connector CitizenSide Bnc Connector Drawing A section view would show the inside of the connector ๐. Not scale drawing sheet 1 o f 2 property and confidential the information contained in. Bnc connector assembly instruction date: While there are many ways to manufacture a bnc connector, the dominant standard that governs the design is specified in the military specification. The grabcad library offers millions of. Bnc Connector Drawing.
From www.electricity-magnetism.org
BNC Connectors How it works, Application & Advantages Bnc Connector Drawing Have you thought of trying to do a section view of the connector? A section view would show the inside of the connector ๐. When wiring a bnc connector, itโs important to follow the correct diagram to ensure a proper and secure connection. Join the grabcad community today to gain access and. Not scale drawing sheet 1 o f 2. Bnc Connector Drawing.
From blog.elecbee.com
Introduction to BNC connector Elecbee Blog Bnc Connector Drawing Join the grabcad community today to gain access and. A section view would show the inside of the connector ๐. Have you thought of trying to do a section view of the connector? When wiring a bnc connector, itโs important to follow the correct diagram to ensure a proper and secure connection. The grabcad library offers millions of free cad. Bnc Connector Drawing.
From birdrf.zendesk.com
4240125 BNC female QC Connector Drawing Bird Bnc Connector Drawing Bnc connector assembly instruction date: Have you thought of trying to do a section view of the connector? Join the grabcad community today to gain access and. Not scale drawing sheet 1 o f 2 property and confidential the information contained in. A section view would show the inside of the connector ๐. The grabcad library offers millions of free. Bnc Connector Drawing.
From www.dosinconn.com
coaxial bnc connector_bnc connector female_bnc connector male Bnc Connector Drawing The grabcad library offers millions of free cad designs, cad files, and 3d models. When wiring a bnc connector, itโs important to follow the correct diagram to ensure a proper and secure connection. A section view would show the inside of the connector ๐. Join the grabcad community today to gain access and. Bnc connector assembly instruction date: While there. Bnc Connector Drawing.
From www.cambridgeelectronics.com
CSX140ZZR2 Top Entry 3 Pin Short Body Micro BNC Connector Bnc Connector Drawing The grabcad library offers millions of free cad designs, cad files, and 3d models. Not scale drawing sheet 1 o f 2 property and confidential the information contained in. A section view would show the inside of the connector ๐. While there are many ways to manufacture a bnc connector, the dominant standard that governs the design is specified in. Bnc Connector Drawing.
From halberdbastion.com
BNC HB Radiofrequency Bnc Connector Drawing Bnc connector assembly instruction date: While there are many ways to manufacture a bnc connector, the dominant standard that governs the design is specified in the military specification. Not scale drawing sheet 1 o f 2 property and confidential the information contained in. When wiring a bnc connector, itโs important to follow the correct diagram to ensure a proper and. Bnc Connector Drawing.
From enginepartlaura.z19.web.core.windows.net
Bnc Connector Wiring Diagram Bnc Connector Drawing A section view would show the inside of the connector ๐. The grabcad library offers millions of free cad designs, cad files, and 3d models. While there are many ways to manufacture a bnc connector, the dominant standard that governs the design is specified in the military specification. Bnc connector assembly instruction date: Have you thought of trying to do. Bnc Connector Drawing.
From dokumen.tips
(PDF) BNC connector assembly instruction VAQTEC ยท Dimensions BNC Bnc Connector Drawing A section view would show the inside of the connector ๐. While there are many ways to manufacture a bnc connector, the dominant standard that governs the design is specified in the military specification. Not scale drawing sheet 1 o f 2 property and confidential the information contained in. Join the grabcad community today to gain access and. The grabcad. Bnc Connector Drawing.
From www.cambridgeelectronics.com
CSX222RT Top Entry Bulkhead BNC Connector Bnc Connector Drawing Not scale drawing sheet 1 o f 2 property and confidential the information contained in. The grabcad library offers millions of free cad designs, cad files, and 3d models. While there are many ways to manufacture a bnc connector, the dominant standard that governs the design is specified in the military specification. Have you thought of trying to do a. Bnc Connector Drawing.
From www.dosinconn.com
BNC Connector Male Straight Injection Molding for Cable with Knurl Bnc Connector Drawing While there are many ways to manufacture a bnc connector, the dominant standard that governs the design is specified in the military specification. A section view would show the inside of the connector ๐. Not scale drawing sheet 1 o f 2 property and confidential the information contained in. Bnc connector assembly instruction date: Have you thought of trying to. Bnc Connector Drawing.
From www.cambridgeelectronics.com
Dual Port Vertical BNC Socket Connector from Cambridge Electronics Bnc Connector Drawing Join the grabcad community today to gain access and. Not scale drawing sheet 1 o f 2 property and confidential the information contained in. The grabcad library offers millions of free cad designs, cad files, and 3d models. A section view would show the inside of the connector ๐. Bnc connector assembly instruction date: Have you thought of trying to. Bnc Connector Drawing.
From www.cambridgeelectronics.com
3GHz Top Entry BNC Coaxial Connector from Cambridge Electronics Bnc Connector Drawing Have you thought of trying to do a section view of the connector? A section view would show the inside of the connector ๐. The grabcad library offers millions of free cad designs, cad files, and 3d models. Join the grabcad community today to gain access and. Not scale drawing sheet 1 o f 2 property and confidential the information. Bnc Connector Drawing.
From www.cambridgeelectronics.com
12GHz Dual Port Right Angled Micro BNC Connector from CEI Bnc Connector Drawing Join the grabcad community today to gain access and. Have you thought of trying to do a section view of the connector? Not scale drawing sheet 1 o f 2 property and confidential the information contained in. While there are many ways to manufacture a bnc connector, the dominant standard that governs the design is specified in the military specification.. Bnc Connector Drawing.
From alterplayground.blogspot.com
Bnc Connector Cad Drawing alter playground Bnc Connector Drawing Bnc connector assembly instruction date: A section view would show the inside of the connector ๐. Join the grabcad community today to gain access and. The grabcad library offers millions of free cad designs, cad files, and 3d models. When wiring a bnc connector, itโs important to follow the correct diagram to ensure a proper and secure connection. While there. Bnc Connector Drawing.
From triptonkosti.ru
Bnc ัะฐะทัะตะผ ัั
ะตะผะฐ 94 ัะพัะพ Bnc Connector Drawing A section view would show the inside of the connector ๐. Bnc connector assembly instruction date: Join the grabcad community today to gain access and. While there are many ways to manufacture a bnc connector, the dominant standard that governs the design is specified in the military specification. Have you thought of trying to do a section view of the. Bnc Connector Drawing.
From birdrf.zendesk.com
4240132 BNC male QC Connector Drawing Bird Bnc Connector Drawing A section view would show the inside of the connector ๐. Bnc connector assembly instruction date: The grabcad library offers millions of free cad designs, cad files, and 3d models. Join the grabcad community today to gain access and. Have you thought of trying to do a section view of the connector? When wiring a bnc connector, itโs important to. Bnc Connector Drawing.
From www.cambridgeelectronics.com
12GHz Right Angle Micro BNC Coax Connector from Cambridge Electronics Bnc Connector Drawing Bnc connector assembly instruction date: A section view would show the inside of the connector ๐. Have you thought of trying to do a section view of the connector? The grabcad library offers millions of free cad designs, cad files, and 3d models. Join the grabcad community today to gain access and. When wiring a bnc connector, itโs important to. Bnc Connector Drawing.
From www.cambridgeelectronics.com
Top Entry BNC Connector with Seal Bnc Connector Drawing Join the grabcad community today to gain access and. A section view would show the inside of the connector ๐. Not scale drawing sheet 1 o f 2 property and confidential the information contained in. While there are many ways to manufacture a bnc connector, the dominant standard that governs the design is specified in the military specification. Bnc connector. Bnc Connector Drawing.
From www.rfsupplier.com
RP BNC straight Jack Female Connector For RG316 Cable Bnc Connector Drawing Bnc connector assembly instruction date: The grabcad library offers millions of free cad designs, cad files, and 3d models. Have you thought of trying to do a section view of the connector? Join the grabcad community today to gain access and. A section view would show the inside of the connector ๐. When wiring a bnc connector, itโs important to. Bnc Connector Drawing.
From wiringmanualeva.z13.web.core.windows.net
Bnc Connector Circuit Diagram Bnc Connector Drawing Join the grabcad community today to gain access and. While there are many ways to manufacture a bnc connector, the dominant standard that governs the design is specified in the military specification. Have you thought of trying to do a section view of the connector? Not scale drawing sheet 1 o f 2 property and confidential the information contained in.. Bnc Connector Drawing.
From www.cambridgeelectronics.com
25GHz Right Angle Micro BNC Coax Connector from Cambridge Electronics Bnc Connector Drawing Bnc connector assembly instruction date: When wiring a bnc connector, itโs important to follow the correct diagram to ensure a proper and secure connection. The grabcad library offers millions of free cad designs, cad files, and 3d models. While there are many ways to manufacture a bnc connector, the dominant standard that governs the design is specified in the military. Bnc Connector Drawing.
From www.rfsupplier.com
BNC Jack Female Connector Straight Bulkhead Solder Bnc Connector Drawing A section view would show the inside of the connector ๐. When wiring a bnc connector, itโs important to follow the correct diagram to ensure a proper and secure connection. The grabcad library offers millions of free cad designs, cad files, and 3d models. Not scale drawing sheet 1 o f 2 property and confidential the information contained in. Have. Bnc Connector Drawing.
From www.elecbee.com
BNC Bulkhead Panel Mount Straight Female Connector Bnc Connector Drawing While there are many ways to manufacture a bnc connector, the dominant standard that governs the design is specified in the military specification. Join the grabcad community today to gain access and. A section view would show the inside of the connector ๐. The grabcad library offers millions of free cad designs, cad files, and 3d models. Not scale drawing. Bnc Connector Drawing.
From www.cambridgeelectronics.com
12GHz Top Entry BNC Coaxial RF Connector from Cambridge Electronics Bnc Connector Drawing The grabcad library offers millions of free cad designs, cad files, and 3d models. While there are many ways to manufacture a bnc connector, the dominant standard that governs the design is specified in the military specification. A section view would show the inside of the connector ๐. When wiring a bnc connector, itโs important to follow the correct diagram. Bnc Connector Drawing.