Parallel Port Armor . Equip it with this card. Ciblez 1 monstre lien que vous contrôlez ; Equip it with this card. Votre adversaire ne peut pas cibler le. Equip it with this card. Your opponent cannot target the equipped monster with card effects, also it cannot be destroyed by. Your opponent cannot target the equipped monster with. Your opponent cannot target the. Read on to see the card effect of parallel port armor, its rarity, and all the packs. Use foolish burial goods to send this card directly from your deck to the graveyard and enable its graveyard effect, ideally on a link monster link. Target 1 link monster you control; Target 1 link monster you control; Vous pouvez bannir cette carte et 2 monstres lien depuis votre cimetière, puis ciblez 1 monstre lien que vous contrôlez ; It can make a second attack during each battle. Durant chaque battle phase ce tour, il peut faire une seconde attaque.
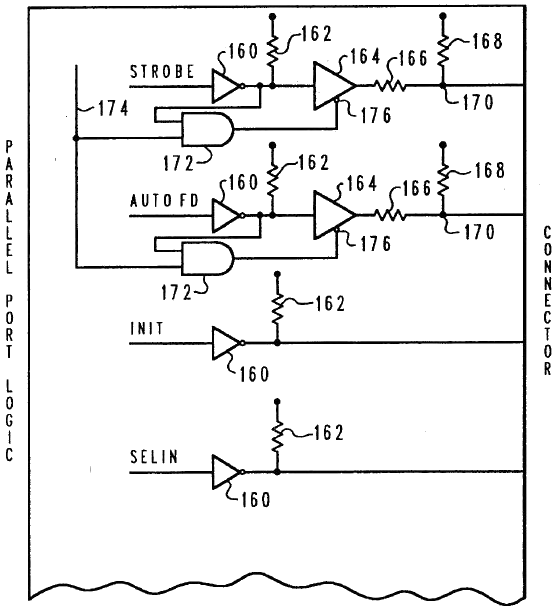
from www.circuitdiagram.co
Target 1 link monster you control; Use foolish burial goods to send this card directly from your deck to the graveyard and enable its graveyard effect, ideally on a link monster link. Your opponent cannot target the equipped monster with card effects, also it cannot be destroyed by. Your opponent cannot target the equipped monster with. You can banish this card and 2 link monsters from your gy, then target 1 link monster you control; Equip it with this card. Target 1 link monster you control; Your opponent cannot target the. Read on to see the card effect of parallel port armor, its rarity, and all the packs. Vous pouvez bannir cette carte et 2 monstres lien depuis votre cimetière, puis ciblez 1 monstre lien que vous contrôlez ;
Schematic Diagram Of Parallel Port
Parallel Port Armor It can make a second attack during each battle. Read on to see the card effect of parallel port armor, its rarity, and all the packs. You can banish this card and 2 link monsters from your gy, then target 1 link monster you control; Equip it with this card. Target 1 link monster you control; Equip it with this card. Use foolish burial goods to send this card directly from your deck to the graveyard and enable its graveyard effect, ideally on a link monster link. Ciblez 1 monstre lien que vous contrôlez ; Vous pouvez bannir cette carte et 2 monstres lien depuis votre cimetière, puis ciblez 1 monstre lien que vous contrôlez ; Your opponent cannot target the equipped monster with. Your opponent cannot target the. Durant chaque battle phase ce tour, il peut faire une seconde attaque. Your opponent cannot target the equipped monster with card effects, also it cannot be destroyed by. It can make a second attack during each battle. Votre adversaire ne peut pas cibler le. Equip it with this card.
From www.duelshop.com.br
Parallel Port Armor CIBRENSE4 Super Rare Parallel Port Armor Your opponent cannot target the. Durant chaque battle phase ce tour, il peut faire une seconde attaque. Equip it with this card. Vous pouvez bannir cette carte et 2 monstres lien depuis votre cimetière, puis ciblez 1 monstre lien que vous contrôlez ; Target 1 link monster you control; Ciblez 1 monstre lien que vous contrôlez ; Your opponent cannot. Parallel Port Armor.
From www.slideserve.com
PPT Chapter 8 Serial and Parallel Port Interfacing PowerPoint Parallel Port Armor Your opponent cannot target the equipped monster with card effects, also it cannot be destroyed by. Ciblez 1 monstre lien que vous contrôlez ; Use foolish burial goods to send this card directly from your deck to the graveyard and enable its graveyard effect, ideally on a link monster link. Your opponent cannot target the. Equip it with this card.. Parallel Port Armor.
From www.youtube.com
Parallel Port How Many Bits Transfer in Hindi What is Parallel Port Parallel Port Armor It can make a second attack during each battle. Your opponent cannot target the equipped monster with. Vous pouvez bannir cette carte et 2 monstres lien depuis votre cimetière, puis ciblez 1 monstre lien que vous contrôlez ; Ciblez 1 monstre lien que vous contrôlez ; Read on to see the card effect of parallel port armor, its rarity, and. Parallel Port Armor.
From transcendcards.com
Parallel Port Armor Super CIBRENSE4 Lim — Transcend Cards Parallel Port Armor Your opponent cannot target the equipped monster with. Vous pouvez bannir cette carte et 2 monstres lien depuis votre cimetière, puis ciblez 1 monstre lien que vous contrôlez ; Equip it with this card. Equip it with this card. Your opponent cannot target the. Your opponent cannot target the equipped monster with card effects, also it cannot be destroyed by.. Parallel Port Armor.
From hackaday.io
SPP (STANDARD PARALLEL PORT) ADAPTER BOARD * * Details Hackaday.io Parallel Port Armor You can banish this card and 2 link monsters from your gy, then target 1 link monster you control; Ciblez 1 monstre lien que vous contrôlez ; Durant chaque battle phase ce tour, il peut faire une seconde attaque. Votre adversaire ne peut pas cibler le. Your opponent cannot target the. Target 1 link monster you control; Read on to. Parallel Port Armor.
From en.wikipedia.org
Parallel port Wikipedia Parallel Port Armor Vous pouvez bannir cette carte et 2 monstres lien depuis votre cimetière, puis ciblez 1 monstre lien que vous contrôlez ; Equip it with this card. Durant chaque battle phase ce tour, il peut faire une seconde attaque. Equip it with this card. Your opponent cannot target the equipped monster with. Target 1 link monster you control; Votre adversaire ne. Parallel Port Armor.
From differences.rondi.club
Différence Entre Port Parallèle Et Port Série Diverses Différences Parallel Port Armor Target 1 link monster you control; Your opponent cannot target the equipped monster with. Ciblez 1 monstre lien que vous contrôlez ; Equip it with this card. Use foolish burial goods to send this card directly from your deck to the graveyard and enable its graveyard effect, ideally on a link monster link. It can make a second attack during. Parallel Port Armor.
From www.corporatearmor.com
Startech 2 Port PCI Parallel EPP/ECP Adapter CardAdd 2 high Parallel Port Armor Vous pouvez bannir cette carte et 2 monstres lien depuis votre cimetière, puis ciblez 1 monstre lien que vous contrôlez ; It can make a second attack during each battle. Equip it with this card. Durant chaque battle phase ce tour, il peut faire une seconde attaque. Votre adversaire ne peut pas cibler le. Ciblez 1 monstre lien que vous. Parallel Port Armor.
From archive.seattlerobotics.org
QuickCam Interface plus PCParallel Port on a 68HC11 Parallel Port Armor Your opponent cannot target the equipped monster with. Durant chaque battle phase ce tour, il peut faire une seconde attaque. You can banish this card and 2 link monsters from your gy, then target 1 link monster you control; Ciblez 1 monstre lien que vous contrôlez ; It can make a second attack during each battle. Your opponent cannot target. Parallel Port Armor.
From www.researchgate.net
Parallel port and microcontroller unit (MCU) interface. Figure Parallel Port Armor Vous pouvez bannir cette carte et 2 monstres lien depuis votre cimetière, puis ciblez 1 monstre lien que vous contrôlez ; Equip it with this card. Use foolish burial goods to send this card directly from your deck to the graveyard and enable its graveyard effect, ideally on a link monster link. You can banish this card and 2 link. Parallel Port Armor.
From sjt.dcs.mybluehost.me
99100ELPP eMegatech INC Parallel Port Armor Votre adversaire ne peut pas cibler le. Ciblez 1 monstre lien que vous contrôlez ; Use foolish burial goods to send this card directly from your deck to the graveyard and enable its graveyard effect, ideally on a link monster link. Target 1 link monster you control; Equip it with this card. Read on to see the card effect of. Parallel Port Armor.
From tcgx.wiki
Parallel Port Armor EXFOEN066 Unlimited English Excellent TCGX Parallel Port Armor Votre adversaire ne peut pas cibler le. Target 1 link monster you control; Equip it with this card. Vous pouvez bannir cette carte et 2 monstres lien depuis votre cimetière, puis ciblez 1 monstre lien que vous contrôlez ; Equip it with this card. Use foolish burial goods to send this card directly from your deck to the graveyard and. Parallel Port Armor.
From techterms.com
Parallel Port Definition What is a parallel port? Parallel Port Armor Target 1 link monster you control; Use foolish burial goods to send this card directly from your deck to the graveyard and enable its graveyard effect, ideally on a link monster link. Equip it with this card. Read on to see the card effect of parallel port armor, its rarity, and all the packs. Durant chaque battle phase ce tour,. Parallel Port Armor.
From topexperto.com
10 Best Parallel Port Cards 2023 Reviews & Ratings Parallel Port Armor Use foolish burial goods to send this card directly from your deck to the graveyard and enable its graveyard effect, ideally on a link monster link. It can make a second attack during each battle. Durant chaque battle phase ce tour, il peut faire une seconde attaque. Your opponent cannot target the equipped monster with card effects, also it cannot. Parallel Port Armor.
From shopee.ph
Yugioh! 1x Parallel Port Armor (CIBR Super Rare) Limited Edition READ Parallel Port Armor You can banish this card and 2 link monsters from your gy, then target 1 link monster you control; It can make a second attack during each battle. Your opponent cannot target the equipped monster with. Vous pouvez bannir cette carte et 2 monstres lien depuis votre cimetière, puis ciblez 1 monstre lien que vous contrôlez ; Your opponent cannot. Parallel Port Armor.
From h30434.www3.hp.com
How enabled or install parallel port on dc5800 HP Support Community Parallel Port Armor Equip it with this card. Your opponent cannot target the equipped monster with. It can make a second attack during each battle. Your opponent cannot target the equipped monster with card effects, also it cannot be destroyed by. Use foolish burial goods to send this card directly from your deck to the graveyard and enable its graveyard effect, ideally on. Parallel Port Armor.
From studylib.net
Introduction to How Parallel Ports Work Parallel Port Armor Ciblez 1 monstre lien que vous contrôlez ; Use foolish burial goods to send this card directly from your deck to the graveyard and enable its graveyard effect, ideally on a link monster link. Votre adversaire ne peut pas cibler le. Your opponent cannot target the. Your opponent cannot target the equipped monster with card effects, also it cannot be. Parallel Port Armor.
From shopee.vn
Thẻ bài Parallel Port Armor Shopee Việt Nam Parallel Port Armor Use foolish burial goods to send this card directly from your deck to the graveyard and enable its graveyard effect, ideally on a link monster link. Equip it with this card. Vous pouvez bannir cette carte et 2 monstres lien depuis votre cimetière, puis ciblez 1 monstre lien que vous contrôlez ; Read on to see the card effect of. Parallel Port Armor.
From www.slideserve.com
PPT Chapter 8 Parallel Port Interfaces PowerPoint Presentation, free Parallel Port Armor Ciblez 1 monstre lien que vous contrôlez ; Read on to see the card effect of parallel port armor, its rarity, and all the packs. Target 1 link monster you control; Your opponent cannot target the equipped monster with card effects, also it cannot be destroyed by. Equip it with this card. Equip it with this card. It can make. Parallel Port Armor.
From www.chaoticfactory.com.au
Yugioh EXFOEN066 Parallel Port Armor Common Parallel Port Armor Durant chaque battle phase ce tour, il peut faire une seconde attaque. It can make a second attack during each battle. You can banish this card and 2 link monsters from your gy, then target 1 link monster you control; Use foolish burial goods to send this card directly from your deck to the graveyard and enable its graveyard effect,. Parallel Port Armor.
From exoplromh.blob.core.windows.net
What Is A Parallel Port How Parallel Ports Work at Martha Cochran blog Parallel Port Armor Equip it with this card. You can banish this card and 2 link monsters from your gy, then target 1 link monster you control; Votre adversaire ne peut pas cibler le. Your opponent cannot target the equipped monster with. Vous pouvez bannir cette carte et 2 monstres lien depuis votre cimetière, puis ciblez 1 monstre lien que vous contrôlez ;. Parallel Port Armor.
From www.corporatearmor.com
Startech 1Port Parallel PCIe Card, PCI Express to Parallel DB25 Parallel Port Armor You can banish this card and 2 link monsters from your gy, then target 1 link monster you control; Use foolish burial goods to send this card directly from your deck to the graveyard and enable its graveyard effect, ideally on a link monster link. Vous pouvez bannir cette carte et 2 monstres lien depuis votre cimetière, puis ciblez 1. Parallel Port Armor.
From pdfslide.net
(PDF) C10S PARALLEL PORT INTERFACE CARD Rev. Parallel Port Armor Your opponent cannot target the. Durant chaque battle phase ce tour, il peut faire une seconde attaque. Votre adversaire ne peut pas cibler le. Equip it with this card. Your opponent cannot target the equipped monster with. Use foolish burial goods to send this card directly from your deck to the graveyard and enable its graveyard effect, ideally on a. Parallel Port Armor.
From www.slideserve.com
PPT Basic Hardware Overview (Continued) PowerPoint Presentation, free Parallel Port Armor Equip it with this card. Equip it with this card. Durant chaque battle phase ce tour, il peut faire une seconde attaque. It can make a second attack during each battle. Ciblez 1 monstre lien que vous contrôlez ; Read on to see the card effect of parallel port armor, its rarity, and all the packs. Votre adversaire ne peut. Parallel Port Armor.
From www.ebay.com
yugioh Parallel Port Armor super rare limited edition CIBRENSE4 eBay Parallel Port Armor Equip it with this card. You can banish this card and 2 link monsters from your gy, then target 1 link monster you control; Your opponent cannot target the equipped monster with card effects, also it cannot be destroyed by. Votre adversaire ne peut pas cibler le. Equip it with this card. Ciblez 1 monstre lien que vous contrôlez ;. Parallel Port Armor.
From dokumen.tips
(DOC) Parallel Port Interfacing Tutorial(2) DOKUMEN.TIPS Parallel Port Armor Target 1 link monster you control; Your opponent cannot target the equipped monster with. Ciblez 1 monstre lien que vous contrôlez ; Use foolish burial goods to send this card directly from your deck to the graveyard and enable its graveyard effect, ideally on a link monster link. It can make a second attack during each battle. Equip it with. Parallel Port Armor.
From www.circuitdiagram.co
Schematic Diagram Of Parallel Port Parallel Port Armor It can make a second attack during each battle. Equip it with this card. You can banish this card and 2 link monsters from your gy, then target 1 link monster you control; Votre adversaire ne peut pas cibler le. Ciblez 1 monstre lien que vous contrôlez ; Read on to see the card effect of parallel port armor, its. Parallel Port Armor.
From nirx.net
Parallel Port Replicator MultiModal Integration NIRS Devices Parallel Port Armor Ciblez 1 monstre lien que vous contrôlez ; Read on to see the card effect of parallel port armor, its rarity, and all the packs. Your opponent cannot target the. Your opponent cannot target the equipped monster with card effects, also it cannot be destroyed by. Target 1 link monster you control; Equip it with this card. Equip it with. Parallel Port Armor.
From www.deviantart.com
Parallel Port Armor by AlanMac95 on DeviantArt Parallel Port Armor You can banish this card and 2 link monsters from your gy, then target 1 link monster you control; Vous pouvez bannir cette carte et 2 monstres lien depuis votre cimetière, puis ciblez 1 monstre lien que vous contrôlez ; Read on to see the card effect of parallel port armor, its rarity, and all the packs. Equip it with. Parallel Port Armor.
From www.ardent-tool.com
PS/2 Type 3 DMA Arbitrated Parallel Port Parallel Port Armor Your opponent cannot target the equipped monster with card effects, also it cannot be destroyed by. Your opponent cannot target the. Durant chaque battle phase ce tour, il peut faire une seconde attaque. Ciblez 1 monstre lien que vous contrôlez ; Target 1 link monster you control; It can make a second attack during each battle. Use foolish burial goods. Parallel Port Armor.
From stock.adobe.com
LPT port. PC parallel port interface. Peripheral communication of Parallel Port Armor Read on to see the card effect of parallel port armor, its rarity, and all the packs. Durant chaque battle phase ce tour, il peut faire une seconde attaque. Target 1 link monster you control; Vous pouvez bannir cette carte et 2 monstres lien depuis votre cimetière, puis ciblez 1 monstre lien que vous contrôlez ; Votre adversaire ne peut. Parallel Port Armor.
From www.deviantart.com
Parallel Port Armor by YugiMaster on DeviantArt Parallel Port Armor Ciblez 1 monstre lien que vous contrôlez ; Target 1 link monster you control; Your opponent cannot target the equipped monster with. Target 1 link monster you control; Durant chaque battle phase ce tour, il peut faire une seconde attaque. Votre adversaire ne peut pas cibler le. You can banish this card and 2 link monsters from your gy, then. Parallel Port Armor.
From www.tommycoolman.com
Burn an Arduino Bootloader via Parallel Port tommycoolman Parallel Port Armor Your opponent cannot target the. Equip it with this card. Durant chaque battle phase ce tour, il peut faire une seconde attaque. Vous pouvez bannir cette carte et 2 monstres lien depuis votre cimetière, puis ciblez 1 monstre lien que vous contrôlez ; Votre adversaire ne peut pas cibler le. Target 1 link monster you control; Read on to see. Parallel Port Armor.
From linuxcnc.org
Parallel Port Driver Parallel Port Armor Durant chaque battle phase ce tour, il peut faire une seconde attaque. Read on to see the card effect of parallel port armor, its rarity, and all the packs. Your opponent cannot target the equipped monster with. Ciblez 1 monstre lien que vous contrôlez ; Your opponent cannot target the. Target 1 link monster you control; Equip it with this. Parallel Port Armor.