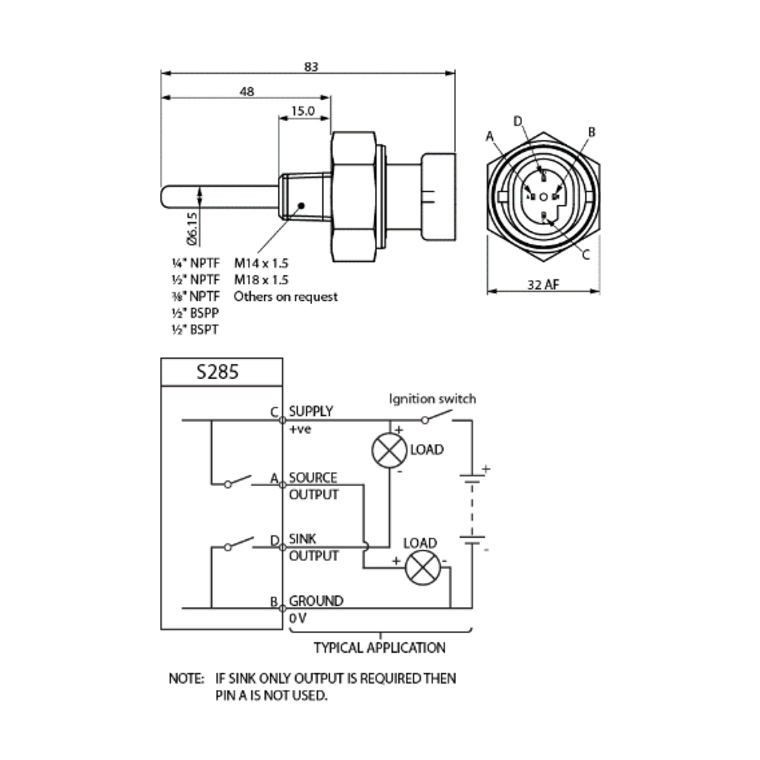
S285 Coolant Level Switch . The s285 is a horizontally mounted switch for sensing water/coolant levels. For high accuracy the s285 is ideally mounted horizontally at the point where an alarm or control signal is required. Here you will find what we believe to be the most comprehensive range of coolant level switches with electrical connection, thread and output options to suit most applications. Fozmula is one of the world’s leading producers of capacitance type coolant level switches. Fitted with a packard connector all models have an. Coolant level switch providing sink and/or source output. The s285 is an active device designed to give an alarm signal if liquid falls below, or rises above,. It can be specified with a delay to. The s285 is an active device designed to give an alarm signal if liquid falls below or rise above a preset level. The s285 capacitance type coolant level switch is an active device designed to give an alarm signal if liquid falls below, or rises above, a preset.
from yasaracarfenlisesi.com
For high accuracy the s285 is ideally mounted horizontally at the point where an alarm or control signal is required. Fozmula is one of the world’s leading producers of capacitance type coolant level switches. Here you will find what we believe to be the most comprehensive range of coolant level switches with electrical connection, thread and output options to suit most applications. Coolant level switch providing sink and/or source output. The s285 is a horizontally mounted switch for sensing water/coolant levels. Fitted with a packard connector all models have an. The s285 capacitance type coolant level switch is an active device designed to give an alarm signal if liquid falls below, or rises above, a preset. The s285 is an active device designed to give an alarm signal if liquid falls below, or rises above,. The s285 is an active device designed to give an alarm signal if liquid falls below or rise above a preset level. It can be specified with a delay to.
Coolant Level Sensor S291203 Paccar Kenworth Peterbilt, 57 OFF
S285 Coolant Level Switch Fozmula is one of the world’s leading producers of capacitance type coolant level switches. The s285 is an active device designed to give an alarm signal if liquid falls below, or rises above,. Here you will find what we believe to be the most comprehensive range of coolant level switches with electrical connection, thread and output options to suit most applications. The s285 is an active device designed to give an alarm signal if liquid falls below or rise above a preset level. Coolant level switch providing sink and/or source output. Fitted with a packard connector all models have an. Fozmula is one of the world’s leading producers of capacitance type coolant level switches. The s285 capacitance type coolant level switch is an active device designed to give an alarm signal if liquid falls below, or rises above, a preset. For high accuracy the s285 is ideally mounted horizontally at the point where an alarm or control signal is required. It can be specified with a delay to. The s285 is a horizontally mounted switch for sensing water/coolant levels.
From izzyspare.fr
Coolant level switch Perkins 2848A701 S285 Coolant Level Switch Coolant level switch providing sink and/or source output. The s285 capacitance type coolant level switch is an active device designed to give an alarm signal if liquid falls below, or rises above, a preset. For high accuracy the s285 is ideally mounted horizontally at the point where an alarm or control signal is required. The s285 is a horizontally mounted. S285 Coolant Level Switch.
From gtsgauges.com.au
S285 Coolant Level Switch GTS Gauges S285 Coolant Level Switch The s285 is an active device designed to give an alarm signal if liquid falls below or rise above a preset level. For high accuracy the s285 is ideally mounted horizontally at the point where an alarm or control signal is required. The s285 is a horizontally mounted switch for sensing water/coolant levels. Fitted with a packard connector all models. S285 Coolant Level Switch.
From yasaracarfenlisesi.com
Coolant Level Sensor S291203 Paccar Kenworth Peterbilt, 57 OFF S285 Coolant Level Switch Fozmula is one of the world’s leading producers of capacitance type coolant level switches. The s285 is an active device designed to give an alarm signal if liquid falls below or rise above a preset level. Here you will find what we believe to be the most comprehensive range of coolant level switches with electrical connection, thread and output options. S285 Coolant Level Switch.
From guangling.en.made-in-china.com
Diesel Engine Spare Parts Genuine Coolant Level Switch Level Sensor 4383933, 2872769, 4928568 S285 Coolant Level Switch For high accuracy the s285 is ideally mounted horizontally at the point where an alarm or control signal is required. The s285 is a horizontally mounted switch for sensing water/coolant levels. Fitted with a packard connector all models have an. Here you will find what we believe to be the most comprehensive range of coolant level switches with electrical connection,. S285 Coolant Level Switch.
From yasaracarfenlisesi.com
Coolant Level Sensor S291203 Paccar Kenworth Peterbilt, 57 OFF S285 Coolant Level Switch The s285 capacitance type coolant level switch is an active device designed to give an alarm signal if liquid falls below, or rises above, a preset. It can be specified with a delay to. The s285 is an active device designed to give an alarm signal if liquid falls below or rise above a preset level. The s285 is an. S285 Coolant Level Switch.
From www.fozmula.com
Coolant level switches Coolant level sensors Fozmula S285 Coolant Level Switch It can be specified with a delay to. The s285 is an active device designed to give an alarm signal if liquid falls below, or rises above,. Here you will find what we believe to be the most comprehensive range of coolant level switches with electrical connection, thread and output options to suit most applications. Coolant level switch providing sink. S285 Coolant Level Switch.
From rochestersensors.com
S285 Rochester Sensors S285 Coolant Level Switch Coolant level switch providing sink and/or source output. The s285 is an active device designed to give an alarm signal if liquid falls below or rise above a preset level. Fitted with a packard connector all models have an. The s285 is an active device designed to give an alarm signal if liquid falls below, or rises above,. It can. S285 Coolant Level Switch.
From www.plantasdeluz-adams.com
S285/04 Sensor De Nivel De Refrigerante Fozmula GRUPO ADAMS S285 Coolant Level Switch Coolant level switch providing sink and/or source output. Here you will find what we believe to be the most comprehensive range of coolant level switches with electrical connection, thread and output options to suit most applications. It can be specified with a delay to. The s285 is an active device designed to give an alarm signal if liquid falls below,. S285 Coolant Level Switch.
From www.fozmula.com
S285 Fozmula Capacitance Type Coolant Level Switch Fozmula S285 Coolant Level Switch The s285 is an active device designed to give an alarm signal if liquid falls below, or rises above,. The s285 is a horizontally mounted switch for sensing water/coolant levels. It can be specified with a delay to. Fitted with a packard connector all models have an. For high accuracy the s285 is ideally mounted horizontally at the point where. S285 Coolant Level Switch.
From rochestersensors.com
S285 Rochester Sensors S285 Coolant Level Switch Fitted with a packard connector all models have an. Coolant level switch providing sink and/or source output. Fozmula is one of the world’s leading producers of capacitance type coolant level switches. The s285 is an active device designed to give an alarm signal if liquid falls below, or rises above,. Here you will find what we believe to be the. S285 Coolant Level Switch.
From www.fozmula.com
Coolant level switches Fozmula S285 Coolant Level Switch Fozmula is one of the world’s leading producers of capacitance type coolant level switches. The s285 is a horizontally mounted switch for sensing water/coolant levels. It can be specified with a delay to. The s285 is an active device designed to give an alarm signal if liquid falls below, or rises above,. Fitted with a packard connector all models have. S285 Coolant Level Switch.
From gtsgauges.com.au
S285 Coolant Level Switch GTS Gauges S285 Coolant Level Switch Coolant level switch providing sink and/or source output. It can be specified with a delay to. The s285 is an active device designed to give an alarm signal if liquid falls below or rise above a preset level. Fozmula is one of the world’s leading producers of capacitance type coolant level switches. The s285 capacitance type coolant level switch is. S285 Coolant Level Switch.
From www.fozmula.de
Kapazitiver Kühlmittelstandschalter S285 Fozmula S285 Coolant Level Switch Coolant level switch providing sink and/or source output. Fozmula is one of the world’s leading producers of capacitance type coolant level switches. The s285 is a horizontally mounted switch for sensing water/coolant levels. The s285 capacitance type coolant level switch is an active device designed to give an alarm signal if liquid falls below, or rises above, a preset. It. S285 Coolant Level Switch.
From www.rochestersensors.co.uk
S273 Capacitance Coolant Level Switch Rochester Sensors S285 Coolant Level Switch Here you will find what we believe to be the most comprehensive range of coolant level switches with electrical connection, thread and output options to suit most applications. The s285 is an active device designed to give an alarm signal if liquid falls below or rise above a preset level. The s285 capacitance type coolant level switch is an active. S285 Coolant Level Switch.
From www.fozmula.com
Coolant level switches Coolant level sensors Fozmula S285 Coolant Level Switch Coolant level switch providing sink and/or source output. The s285 is an active device designed to give an alarm signal if liquid falls below or rise above a preset level. Fitted with a packard connector all models have an. It can be specified with a delay to. The s285 capacitance type coolant level switch is an active device designed to. S285 Coolant Level Switch.
From www.fozmula.com
S291Fozmula Capacitance Type Coolant Level Switch with Complimentary (Flip/Flop) Voltage Output S285 Coolant Level Switch For high accuracy the s285 is ideally mounted horizontally at the point where an alarm or control signal is required. Fozmula is one of the world’s leading producers of capacitance type coolant level switches. It can be specified with a delay to. Coolant level switch providing sink and/or source output. The s285 capacitance type coolant level switch is an active. S285 Coolant Level Switch.
From www.jmesales.com
Fozmula S285/V05 1/2 in. FNPT Brass Coolant Level Switch S285 Coolant Level Switch The s285 is a horizontally mounted switch for sensing water/coolant levels. The s285 is an active device designed to give an alarm signal if liquid falls below, or rises above,. The s285 capacitance type coolant level switch is an active device designed to give an alarm signal if liquid falls below, or rises above, a preset. For high accuracy the. S285 Coolant Level Switch.
From www.rochestersensors.co.uk
Coolant Level Switches World Leading Producer S285 Coolant Level Switch The s285 is an active device designed to give an alarm signal if liquid falls below, or rises above,. For high accuracy the s285 is ideally mounted horizontally at the point where an alarm or control signal is required. The s285 capacitance type coolant level switch is an active device designed to give an alarm signal if liquid falls below,. S285 Coolant Level Switch.
From www.plantasdeluz-adams.com
S285/04 Sensor De Nivel De Refrigerante Fozmula GRUPO ADAMS S285 Coolant Level Switch For high accuracy the s285 is ideally mounted horizontally at the point where an alarm or control signal is required. Here you will find what we believe to be the most comprehensive range of coolant level switches with electrical connection, thread and output options to suit most applications. The s285 is an active device designed to give an alarm signal. S285 Coolant Level Switch.
From www.fozmula.com
S275 Capacitance Type Coolant Level Switch with Source Output Fozmula S285 Coolant Level Switch The s285 capacitance type coolant level switch is an active device designed to give an alarm signal if liquid falls below, or rises above, a preset. Fitted with a packard connector all models have an. The s285 is an active device designed to give an alarm signal if liquid falls below, or rises above,. It can be specified with a. S285 Coolant Level Switch.
From notonmek.com
Engine Low Coolant Level Sensor 23522855 2 Pins S285 Coolant Level Switch The s285 is an active device designed to give an alarm signal if liquid falls below or rise above a preset level. Here you will find what we believe to be the most comprehensive range of coolant level switches with electrical connection, thread and output options to suit most applications. Fozmula is one of the world’s leading producers of capacitance. S285 Coolant Level Switch.
From gtsgauges.com.au
Level Switches GTS Gauges Australia S285 Coolant Level Switch Fitted with a packard connector all models have an. The s285 is an active device designed to give an alarm signal if liquid falls below or rise above a preset level. Fozmula is one of the world’s leading producers of capacitance type coolant level switches. Coolant level switch providing sink and/or source output. The s285 capacitance type coolant level switch. S285 Coolant Level Switch.
From www.scribd.com
S285 Fozmula Capacitance Coolant Level Switch Data JP 24 Nov 15 3.1 Rev 2 Download Free PDF S285 Coolant Level Switch The s285 is a horizontally mounted switch for sensing water/coolant levels. It can be specified with a delay to. The s285 capacitance type coolant level switch is an active device designed to give an alarm signal if liquid falls below, or rises above, a preset. For high accuracy the s285 is ideally mounted horizontally at the point where an alarm. S285 Coolant Level Switch.
From www.jmesales.com
Fozmula S285/109 1/4 in. FNPT Brass Coolant Level Switch S285 Coolant Level Switch Fitted with a packard connector all models have an. The s285 is a horizontally mounted switch for sensing water/coolant levels. The s285 is an active device designed to give an alarm signal if liquid falls below, or rises above,. It can be specified with a delay to. The s285 is an active device designed to give an alarm signal if. S285 Coolant Level Switch.
From www.fozmula.com
Coolant level switches Coolant level sensors Fozmula S285 Coolant Level Switch Fitted with a packard connector all models have an. The s285 is an active device designed to give an alarm signal if liquid falls below or rise above a preset level. The s285 is a horizontally mounted switch for sensing water/coolant levels. Fozmula is one of the world’s leading producers of capacitance type coolant level switches. For high accuracy the. S285 Coolant Level Switch.
From www.fozmula.com
S98 Capacitance Liquid Level Switch Voltage Output Fozmula S285 Coolant Level Switch For high accuracy the s285 is ideally mounted horizontally at the point where an alarm or control signal is required. Fitted with a packard connector all models have an. Here you will find what we believe to be the most comprehensive range of coolant level switches with electrical connection, thread and output options to suit most applications. The s285 is. S285 Coolant Level Switch.
From www.fozmula.com
Coolant level switches Coolant level sensors Fozmula S285 Coolant Level Switch Fitted with a packard connector all models have an. Fozmula is one of the world’s leading producers of capacitance type coolant level switches. Coolant level switch providing sink and/or source output. Here you will find what we believe to be the most comprehensive range of coolant level switches with electrical connection, thread and output options to suit most applications. It. S285 Coolant Level Switch.
From www.fozmula.com
Coolant level switches Fozmula S285 Coolant Level Switch Fozmula is one of the world’s leading producers of capacitance type coolant level switches. It can be specified with a delay to. Fitted with a packard connector all models have an. The s285 is an active device designed to give an alarm signal if liquid falls below, or rises above,. The s285 is an active device designed to give an. S285 Coolant Level Switch.
From gtsgauges.com.au
Level Switches GTS Gauges Australia S285 Coolant Level Switch The s285 capacitance type coolant level switch is an active device designed to give an alarm signal if liquid falls below, or rises above, a preset. It can be specified with a delay to. Fitted with a packard connector all models have an. The s285 is an active device designed to give an alarm signal if liquid falls below, or. S285 Coolant Level Switch.
From www.fozmula.com
S285 Capacitance Type Coolant Level Switch Fozmula S285 Coolant Level Switch It can be specified with a delay to. The s285 capacitance type coolant level switch is an active device designed to give an alarm signal if liquid falls below, or rises above, a preset. Coolant level switch providing sink and/or source output. Fozmula is one of the world’s leading producers of capacitance type coolant level switches. For high accuracy the. S285 Coolant Level Switch.
From www.plantasdeluz-adams.com
S285/04 Sensor De Nivel De Refrigerante Fozmula GRUPO ADAMS S285 Coolant Level Switch The s285 capacitance type coolant level switch is an active device designed to give an alarm signal if liquid falls below, or rises above, a preset. The s285 is a horizontally mounted switch for sensing water/coolant levels. It can be specified with a delay to. Here you will find what we believe to be the most comprehensive range of coolant. S285 Coolant Level Switch.
From www.fozmula.com
Coolant level switches Coolant level sensors Fozmula S285 Coolant Level Switch The s285 is an active device designed to give an alarm signal if liquid falls below or rise above a preset level. The s285 is a horizontally mounted switch for sensing water/coolant levels. Fozmula is one of the world’s leading producers of capacitance type coolant level switches. Coolant level switch providing sink and/or source output. The s285 is an active. S285 Coolant Level Switch.
From yasaracarfenlisesi.com
Coolant Level Sensor S291203 Paccar Kenworth Peterbilt, 57 OFF S285 Coolant Level Switch The s285 is an active device designed to give an alarm signal if liquid falls below or rise above a preset level. Here you will find what we believe to be the most comprehensive range of coolant level switches with electrical connection, thread and output options to suit most applications. It can be specified with a delay to. Coolant level. S285 Coolant Level Switch.
From www.fozmula.com
Coolant level switches Fozmula S285 Coolant Level Switch The s285 is a horizontally mounted switch for sensing water/coolant levels. The s285 is an active device designed to give an alarm signal if liquid falls below or rise above a preset level. The s285 is an active device designed to give an alarm signal if liquid falls below, or rises above,. For high accuracy the s285 is ideally mounted. S285 Coolant Level Switch.