Transmission Gate Simulation . When the switch input is high, the 40 hz signal can flow through the transmission gate. In fact, we can use switch networks to build a gate that implements any boolean function. This model includes the coefficients for the input voltage, output voltage, and the interaction terms between the input and output. The key is to realize a cmos gate is just two switch networks, one to vdd and one to gnd. In this tutorial we will design and simulate the transmission gate circuit using short channel cmos process. This is a cmos transmission gate, which acts as a switch.
from www.youtube.com
In this tutorial we will design and simulate the transmission gate circuit using short channel cmos process. The key is to realize a cmos gate is just two switch networks, one to vdd and one to gnd. When the switch input is high, the 40 hz signal can flow through the transmission gate. This model includes the coefficients for the input voltage, output voltage, and the interaction terms between the input and output. This is a cmos transmission gate, which acts as a switch. In fact, we can use switch networks to build a gate that implements any boolean function.
CMOS Transmission Gate Logic (PART 1) Day On My Plate VLSI Design
Transmission Gate Simulation When the switch input is high, the 40 hz signal can flow through the transmission gate. This is a cmos transmission gate, which acts as a switch. When the switch input is high, the 40 hz signal can flow through the transmission gate. The key is to realize a cmos gate is just two switch networks, one to vdd and one to gnd. In fact, we can use switch networks to build a gate that implements any boolean function. This model includes the coefficients for the input voltage, output voltage, and the interaction terms between the input and output. In this tutorial we will design and simulate the transmission gate circuit using short channel cmos process.
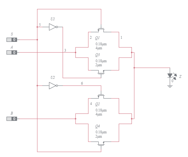
From cmosedu.com
Final Project EE421 Transmission Gate Simulation When the switch input is high, the 40 hz signal can flow through the transmission gate. This model includes the coefficients for the input voltage, output voltage, and the interaction terms between the input and output. In fact, we can use switch networks to build a gate that implements any boolean function. This is a cmos transmission gate, which acts. Transmission Gate Simulation.
From www.slideserve.com
PPT Parity bit generator PowerPoint Presentation, free download ID Transmission Gate Simulation When the switch input is high, the 40 hz signal can flow through the transmission gate. This model includes the coefficients for the input voltage, output voltage, and the interaction terms between the input and output. In fact, we can use switch networks to build a gate that implements any boolean function. In this tutorial we will design and simulate. Transmission Gate Simulation.
From www.circuitdiagram.co
Cmos Transmission Gate Circuit Circuit Diagram Transmission Gate Simulation When the switch input is high, the 40 hz signal can flow through the transmission gate. This is a cmos transmission gate, which acts as a switch. The key is to realize a cmos gate is just two switch networks, one to vdd and one to gnd. In this tutorial we will design and simulate the transmission gate circuit using. Transmission Gate Simulation.
From www.circuitdiagram.co
Cmos Transmission Gate Circuit Circuit Diagram Transmission Gate Simulation When the switch input is high, the 40 hz signal can flow through the transmission gate. This is a cmos transmission gate, which acts as a switch. In fact, we can use switch networks to build a gate that implements any boolean function. This model includes the coefficients for the input voltage, output voltage, and the interaction terms between the. Transmission Gate Simulation.
From www.edaboard.com
Transmission gate Dflip flop simulation issue Transmission Gate Simulation The key is to realize a cmos gate is just two switch networks, one to vdd and one to gnd. In this tutorial we will design and simulate the transmission gate circuit using short channel cmos process. In fact, we can use switch networks to build a gate that implements any boolean function. When the switch input is high, the. Transmission Gate Simulation.
From www.semanticscholar.org
Figure 2 from A High Speed Transmission Gate Logic Base 1/N Frequency Transmission Gate Simulation This is a cmos transmission gate, which acts as a switch. When the switch input is high, the 40 hz signal can flow through the transmission gate. This model includes the coefficients for the input voltage, output voltage, and the interaction terms between the input and output. In fact, we can use switch networks to build a gate that implements. Transmission Gate Simulation.
From slideplayer.com
PassTransistor Logic ppt download Transmission Gate Simulation In this tutorial we will design and simulate the transmission gate circuit using short channel cmos process. This is a cmos transmission gate, which acts as a switch. When the switch input is high, the 40 hz signal can flow through the transmission gate. The key is to realize a cmos gate is just two switch networks, one to vdd. Transmission Gate Simulation.
From www.youtube.com
02. Cadence 2 to 1 Multiplexer Schematic & Simulation (Gate level Transmission Gate Simulation When the switch input is high, the 40 hz signal can flow through the transmission gate. The key is to realize a cmos gate is just two switch networks, one to vdd and one to gnd. This model includes the coefficients for the input voltage, output voltage, and the interaction terms between the input and output. This is a cmos. Transmission Gate Simulation.
From cmosedu.com
Lab Transmission Gate Simulation The key is to realize a cmos gate is just two switch networks, one to vdd and one to gnd. In fact, we can use switch networks to build a gate that implements any boolean function. This is a cmos transmission gate, which acts as a switch. In this tutorial we will design and simulate the transmission gate circuit using. Transmission Gate Simulation.
From www.researchgate.net
TFET transmission gate based (a) 3‐stage cascaded delay chain,(b Transmission Gate Simulation When the switch input is high, the 40 hz signal can flow through the transmission gate. This is a cmos transmission gate, which acts as a switch. The key is to realize a cmos gate is just two switch networks, one to vdd and one to gnd. In fact, we can use switch networks to build a gate that implements. Transmission Gate Simulation.
From ar.inspiredpencil.com
Input Xor Transmission Gate Transmission Gate Simulation In fact, we can use switch networks to build a gate that implements any boolean function. When the switch input is high, the 40 hz signal can flow through the transmission gate. The key is to realize a cmos gate is just two switch networks, one to vdd and one to gnd. In this tutorial we will design and simulate. Transmission Gate Simulation.
From www.youtube.com
TRANSMISSION GATE SIMULATION IN ADS. YouTube Transmission Gate Simulation This is a cmos transmission gate, which acts as a switch. In fact, we can use switch networks to build a gate that implements any boolean function. This model includes the coefficients for the input voltage, output voltage, and the interaction terms between the input and output. The key is to realize a cmos gate is just two switch networks,. Transmission Gate Simulation.
From www.slideserve.com
PPT Introduction to CMOS VLSI Design Lecture 1 Circuits & Layout Transmission Gate Simulation The key is to realize a cmos gate is just two switch networks, one to vdd and one to gnd. This is a cmos transmission gate, which acts as a switch. In this tutorial we will design and simulate the transmission gate circuit using short channel cmos process. This model includes the coefficients for the input voltage, output voltage, and. Transmission Gate Simulation.
From www.youtube.com
21 Multiplexer Using Transmission Gates CMOS Layout Designs_4 Transmission Gate Simulation In this tutorial we will design and simulate the transmission gate circuit using short channel cmos process. The key is to realize a cmos gate is just two switch networks, one to vdd and one to gnd. This is a cmos transmission gate, which acts as a switch. In fact, we can use switch networks to build a gate that. Transmission Gate Simulation.
From electronics.stackexchange.com
circuit design Plotting MOS resistances in transmission gates in Transmission Gate Simulation In this tutorial we will design and simulate the transmission gate circuit using short channel cmos process. In fact, we can use switch networks to build a gate that implements any boolean function. This model includes the coefficients for the input voltage, output voltage, and the interaction terms between the input and output. This is a cmos transmission gate, which. Transmission Gate Simulation.
From electronics.stackexchange.com
mosfet Transmission gate simulation Electrical Engineering Stack Transmission Gate Simulation When the switch input is high, the 40 hz signal can flow through the transmission gate. This model includes the coefficients for the input voltage, output voltage, and the interaction terms between the input and output. This is a cmos transmission gate, which acts as a switch. In this tutorial we will design and simulate the transmission gate circuit using. Transmission Gate Simulation.
From www.animalia-life.club
Universal Gate Codes Entry Numbers Transmission Gate Simulation The key is to realize a cmos gate is just two switch networks, one to vdd and one to gnd. In this tutorial we will design and simulate the transmission gate circuit using short channel cmos process. In fact, we can use switch networks to build a gate that implements any boolean function. This model includes the coefficients for the. Transmission Gate Simulation.
From www.circuitdiagram.co
Cmos Transmission Gate Circuit Circuit Diagram Transmission Gate Simulation This model includes the coefficients for the input voltage, output voltage, and the interaction terms between the input and output. This is a cmos transmission gate, which acts as a switch. In fact, we can use switch networks to build a gate that implements any boolean function. In this tutorial we will design and simulate the transmission gate circuit using. Transmission Gate Simulation.
From electronics.stackexchange.com
creating symbol for Transmission gate switch in ltspice Electrical Transmission Gate Simulation This model includes the coefficients for the input voltage, output voltage, and the interaction terms between the input and output. In fact, we can use switch networks to build a gate that implements any boolean function. When the switch input is high, the 40 hz signal can flow through the transmission gate. In this tutorial we will design and simulate. Transmission Gate Simulation.
From www.allaboutcircuits.com
The CMOS Transmission Gate Transmission Gate Simulation The key is to realize a cmos gate is just two switch networks, one to vdd and one to gnd. This is a cmos transmission gate, which acts as a switch. When the switch input is high, the 40 hz signal can flow through the transmission gate. This model includes the coefficients for the input voltage, output voltage, and the. Transmission Gate Simulation.
From cmosedu.com
Final Project EE421 Transmission Gate Simulation The key is to realize a cmos gate is just two switch networks, one to vdd and one to gnd. In this tutorial we will design and simulate the transmission gate circuit using short channel cmos process. When the switch input is high, the 40 hz signal can flow through the transmission gate. In fact, we can use switch networks. Transmission Gate Simulation.
From www.researchgate.net
Simulation output waveform of AND gate. Download Scientific Diagram Transmission Gate Simulation In this tutorial we will design and simulate the transmission gate circuit using short channel cmos process. This model includes the coefficients for the input voltage, output voltage, and the interaction terms between the input and output. When the switch input is high, the 40 hz signal can flow through the transmission gate. The key is to realize a cmos. Transmission Gate Simulation.
From www.numerade.com
SOLVED How do I calculate the onresistance of a transmission gate Transmission Gate Simulation In fact, we can use switch networks to build a gate that implements any boolean function. The key is to realize a cmos gate is just two switch networks, one to vdd and one to gnd. In this tutorial we will design and simulate the transmission gate circuit using short channel cmos process. When the switch input is high, the. Transmission Gate Simulation.
From www.youtube.com
09 Transmission Gate Analysis & Delay Virtuoso Cadence Simulation Transmission Gate Simulation This is a cmos transmission gate, which acts as a switch. In fact, we can use switch networks to build a gate that implements any boolean function. The key is to realize a cmos gate is just two switch networks, one to vdd and one to gnd. In this tutorial we will design and simulate the transmission gate circuit using. Transmission Gate Simulation.
From www.youtube.com
Microwind Implementation of MUX Using TRANSMISSION GATES YouTube Transmission Gate Simulation This model includes the coefficients for the input voltage, output voltage, and the interaction terms between the input and output. When the switch input is high, the 40 hz signal can flow through the transmission gate. In this tutorial we will design and simulate the transmission gate circuit using short channel cmos process. This is a cmos transmission gate, which. Transmission Gate Simulation.
From www.youtube.com
Switch logic Pass Transistor & Transmission Gate VLSI Lec53 Transmission Gate Simulation In this tutorial we will design and simulate the transmission gate circuit using short channel cmos process. When the switch input is high, the 40 hz signal can flow through the transmission gate. This model includes the coefficients for the input voltage, output voltage, and the interaction terms between the input and output. This is a cmos transmission gate, which. Transmission Gate Simulation.
From www.slideserve.com
PPT CMOS Transmission Gate PowerPoint Presentation, free download Transmission Gate Simulation This model includes the coefficients for the input voltage, output voltage, and the interaction terms between the input and output. In this tutorial we will design and simulate the transmission gate circuit using short channel cmos process. When the switch input is high, the 40 hz signal can flow through the transmission gate. This is a cmos transmission gate, which. Transmission Gate Simulation.
From www.multisim.com
Transmission gate 2_1 mux Multisim Live Transmission Gate Simulation In fact, we can use switch networks to build a gate that implements any boolean function. This is a cmos transmission gate, which acts as a switch. In this tutorial we will design and simulate the transmission gate circuit using short channel cmos process. The key is to realize a cmos gate is just two switch networks, one to vdd. Transmission Gate Simulation.
From www.chegg.com
•Create and simulate a CMOS/Transmission gate mask Transmission Gate Simulation This is a cmos transmission gate, which acts as a switch. In this tutorial we will design and simulate the transmission gate circuit using short channel cmos process. This model includes the coefficients for the input voltage, output voltage, and the interaction terms between the input and output. In fact, we can use switch networks to build a gate that. Transmission Gate Simulation.
From www.slideserve.com
PPT CMOS Transmission Gate PowerPoint Presentation, free download Transmission Gate Simulation In this tutorial we will design and simulate the transmission gate circuit using short channel cmos process. When the switch input is high, the 40 hz signal can flow through the transmission gate. This is a cmos transmission gate, which acts as a switch. The key is to realize a cmos gate is just two switch networks, one to vdd. Transmission Gate Simulation.
From www.researchgate.net
Simulation Results for Transmission gate Download Scientific Diagram Transmission Gate Simulation This model includes the coefficients for the input voltage, output voltage, and the interaction terms between the input and output. In this tutorial we will design and simulate the transmission gate circuit using short channel cmos process. This is a cmos transmission gate, which acts as a switch. When the switch input is high, the 40 hz signal can flow. Transmission Gate Simulation.
From www.slideserve.com
PPT CMOS Transmission Gate PowerPoint Presentation, free download Transmission Gate Simulation When the switch input is high, the 40 hz signal can flow through the transmission gate. The key is to realize a cmos gate is just two switch networks, one to vdd and one to gnd. This model includes the coefficients for the input voltage, output voltage, and the interaction terms between the input and output. In fact, we can. Transmission Gate Simulation.
From www.youtube.com
LTspice tutorial 3 Simulation of Transmission gate circuit using BSIM4 Transmission Gate Simulation In this tutorial we will design and simulate the transmission gate circuit using short channel cmos process. When the switch input is high, the 40 hz signal can flow through the transmission gate. This is a cmos transmission gate, which acts as a switch. In fact, we can use switch networks to build a gate that implements any boolean function.. Transmission Gate Simulation.
From www.youtube.com
CMOS Transmission Gate Logic (PART 1) Day On My Plate VLSI Design Transmission Gate Simulation This is a cmos transmission gate, which acts as a switch. In fact, we can use switch networks to build a gate that implements any boolean function. In this tutorial we will design and simulate the transmission gate circuit using short channel cmos process. When the switch input is high, the 40 hz signal can flow through the transmission gate.. Transmission Gate Simulation.
From www.youtube.com
Design & Simulation of Transmission Gate(TG) & Pass Transistor Logic Transmission Gate Simulation The key is to realize a cmos gate is just two switch networks, one to vdd and one to gnd. In fact, we can use switch networks to build a gate that implements any boolean function. This model includes the coefficients for the input voltage, output voltage, and the interaction terms between the input and output. When the switch input. Transmission Gate Simulation.