What Is Voltage Controlled Oscillator . a voltage controlled oscillator is an oscillator which produces oscillating signals (waveforms) with variable. voltage controlled oscillators vary their output frequency proportional to an input voltage and find use in plls, radar,. a voltage controlled oscillator (vco) is a significant component within the domain of electronic signal processing and telecommunications. what are voltage controlled oscillators? a voltage controlled oscillator (vco) is defined as an oscillator whose output frequency is controlled by an input. A voltage controlled oscillator or as more commonly known, a vco, is an oscillator.
from synthesizeracademy.com
a voltage controlled oscillator (vco) is a significant component within the domain of electronic signal processing and telecommunications. what are voltage controlled oscillators? a voltage controlled oscillator is an oscillator which produces oscillating signals (waveforms) with variable. a voltage controlled oscillator (vco) is defined as an oscillator whose output frequency is controlled by an input. A voltage controlled oscillator or as more commonly known, a vco, is an oscillator. voltage controlled oscillators vary their output frequency proportional to an input voltage and find use in plls, radar,.
VoltageControlled Oscillator (VCO) The Synthesizer Academy
What Is Voltage Controlled Oscillator A voltage controlled oscillator or as more commonly known, a vco, is an oscillator. a voltage controlled oscillator (vco) is a significant component within the domain of electronic signal processing and telecommunications. what are voltage controlled oscillators? voltage controlled oscillators vary their output frequency proportional to an input voltage and find use in plls, radar,. a voltage controlled oscillator (vco) is defined as an oscillator whose output frequency is controlled by an input. a voltage controlled oscillator is an oscillator which produces oscillating signals (waveforms) with variable. A voltage controlled oscillator or as more commonly known, a vco, is an oscillator.
From www.electricity-magnetism.org
Voltage Controlled Oscillators (VCO) How it works, Application & Advantages What Is Voltage Controlled Oscillator a voltage controlled oscillator (vco) is defined as an oscillator whose output frequency is controlled by an input. a voltage controlled oscillator is an oscillator which produces oscillating signals (waveforms) with variable. A voltage controlled oscillator or as more commonly known, a vco, is an oscillator. what are voltage controlled oscillators? a voltage controlled oscillator (vco). What Is Voltage Controlled Oscillator.
From www.researchgate.net
Schematic of the voltagecontrolled oscillator. Download Scientific Diagram What Is Voltage Controlled Oscillator a voltage controlled oscillator is an oscillator which produces oscillating signals (waveforms) with variable. a voltage controlled oscillator (vco) is a significant component within the domain of electronic signal processing and telecommunications. voltage controlled oscillators vary their output frequency proportional to an input voltage and find use in plls, radar,. a voltage controlled oscillator (vco) is. What Is Voltage Controlled Oscillator.
From www.youtube.com
Voltage Controlled Oscillator (VCO) Explained YouTube What Is Voltage Controlled Oscillator voltage controlled oscillators vary their output frequency proportional to an input voltage and find use in plls, radar,. what are voltage controlled oscillators? a voltage controlled oscillator is an oscillator which produces oscillating signals (waveforms) with variable. a voltage controlled oscillator (vco) is a significant component within the domain of electronic signal processing and telecommunications. . What Is Voltage Controlled Oscillator.
From www.eletimes.com
Building a VoltageControlled Oscillator ELE Times What Is Voltage Controlled Oscillator what are voltage controlled oscillators? voltage controlled oscillators vary their output frequency proportional to an input voltage and find use in plls, radar,. a voltage controlled oscillator (vco) is defined as an oscillator whose output frequency is controlled by an input. a voltage controlled oscillator is an oscillator which produces oscillating signals (waveforms) with variable. . What Is Voltage Controlled Oscillator.
From www.youtube.com
Understanding Voltage Controlled Oscillators YouTube What Is Voltage Controlled Oscillator A voltage controlled oscillator or as more commonly known, a vco, is an oscillator. a voltage controlled oscillator is an oscillator which produces oscillating signals (waveforms) with variable. a voltage controlled oscillator (vco) is a significant component within the domain of electronic signal processing and telecommunications. voltage controlled oscillators vary their output frequency proportional to an input. What Is Voltage Controlled Oscillator.
From www.youtube.com
VOLTAGE CONTROLLED OSCILLATOR VCO Concept, IC 566 Block Diagram, IC 566 Pin Diagram YouTube What Is Voltage Controlled Oscillator a voltage controlled oscillator is an oscillator which produces oscillating signals (waveforms) with variable. a voltage controlled oscillator (vco) is defined as an oscillator whose output frequency is controlled by an input. A voltage controlled oscillator or as more commonly known, a vco, is an oscillator. what are voltage controlled oscillators? a voltage controlled oscillator (vco). What Is Voltage Controlled Oscillator.
From circuitdigest.com
Voltage Controlled Oscillator (VCO) Basics, Design, Working Principle & Types What Is Voltage Controlled Oscillator A voltage controlled oscillator or as more commonly known, a vco, is an oscillator. what are voltage controlled oscillators? a voltage controlled oscillator (vco) is defined as an oscillator whose output frequency is controlled by an input. a voltage controlled oscillator is an oscillator which produces oscillating signals (waveforms) with variable. a voltage controlled oscillator (vco). What Is Voltage Controlled Oscillator.
From www.miwv.com
Voltage Controlled Oscillator What Is Voltage Controlled Oscillator a voltage controlled oscillator (vco) is a significant component within the domain of electronic signal processing and telecommunications. voltage controlled oscillators vary their output frequency proportional to an input voltage and find use in plls, radar,. A voltage controlled oscillator or as more commonly known, a vco, is an oscillator. a voltage controlled oscillator is an oscillator. What Is Voltage Controlled Oscillator.
From www.researchgate.net
Schematic of the broadband LC voltagecontrolledoscillator (VCO). Download Scientific Diagram What Is Voltage Controlled Oscillator a voltage controlled oscillator (vco) is defined as an oscillator whose output frequency is controlled by an input. a voltage controlled oscillator (vco) is a significant component within the domain of electronic signal processing and telecommunications. A voltage controlled oscillator or as more commonly known, a vco, is an oscillator. voltage controlled oscillators vary their output frequency. What Is Voltage Controlled Oscillator.
From www.youtube.com
Voltage Controlled Oscillator (VCO) VCO Circuit, Construction & Working VCO Simulation What Is Voltage Controlled Oscillator what are voltage controlled oscillators? voltage controlled oscillators vary their output frequency proportional to an input voltage and find use in plls, radar,. a voltage controlled oscillator (vco) is defined as an oscillator whose output frequency is controlled by an input. a voltage controlled oscillator (vco) is a significant component within the domain of electronic signal. What Is Voltage Controlled Oscillator.
From www.researchgate.net
5 Cross coupled voltage controlled oscillator (VCO) circuit. Download Scientific Diagram What Is Voltage Controlled Oscillator a voltage controlled oscillator is an oscillator which produces oscillating signals (waveforms) with variable. a voltage controlled oscillator (vco) is a significant component within the domain of electronic signal processing and telecommunications. what are voltage controlled oscillators? A voltage controlled oscillator or as more commonly known, a vco, is an oscillator. a voltage controlled oscillator (vco). What Is Voltage Controlled Oscillator.
From www.hackatronic.com
voltage controlled oscillator block diagram » Hackatronic What Is Voltage Controlled Oscillator voltage controlled oscillators vary their output frequency proportional to an input voltage and find use in plls, radar,. what are voltage controlled oscillators? A voltage controlled oscillator or as more commonly known, a vco, is an oscillator. a voltage controlled oscillator (vco) is a significant component within the domain of electronic signal processing and telecommunications. a. What Is Voltage Controlled Oscillator.
From www.digikey.com
Understanding Voltage Controlled Oscillators DigiKey What Is Voltage Controlled Oscillator a voltage controlled oscillator (vco) is defined as an oscillator whose output frequency is controlled by an input. a voltage controlled oscillator is an oscillator which produces oscillating signals (waveforms) with variable. A voltage controlled oscillator or as more commonly known, a vco, is an oscillator. voltage controlled oscillators vary their output frequency proportional to an input. What Is Voltage Controlled Oscillator.
From www.homemade-circuits.com
6 Useful Voltage Controlled Oscillator Circuit Explored Homemade Circuit Projects What Is Voltage Controlled Oscillator voltage controlled oscillators vary their output frequency proportional to an input voltage and find use in plls, radar,. a voltage controlled oscillator (vco) is defined as an oscillator whose output frequency is controlled by an input. a voltage controlled oscillator (vco) is a significant component within the domain of electronic signal processing and telecommunications. what are. What Is Voltage Controlled Oscillator.
From www.next.gr
Voltage Controlled Oscillator under Repositorycircuits 37336 Next.gr What Is Voltage Controlled Oscillator a voltage controlled oscillator (vco) is defined as an oscillator whose output frequency is controlled by an input. what are voltage controlled oscillators? voltage controlled oscillators vary their output frequency proportional to an input voltage and find use in plls, radar,. a voltage controlled oscillator (vco) is a significant component within the domain of electronic signal. What Is Voltage Controlled Oscillator.
From synthesizeracademy.com
VoltageControlled Oscillator (VCO) The Synthesizer Academy What Is Voltage Controlled Oscillator voltage controlled oscillators vary their output frequency proportional to an input voltage and find use in plls, radar,. a voltage controlled oscillator is an oscillator which produces oscillating signals (waveforms) with variable. what are voltage controlled oscillators? A voltage controlled oscillator or as more commonly known, a vco, is an oscillator. a voltage controlled oscillator (vco). What Is Voltage Controlled Oscillator.
From mavink.com
Voltage Controlled Oscillator Circuit What Is Voltage Controlled Oscillator a voltage controlled oscillator (vco) is a significant component within the domain of electronic signal processing and telecommunications. what are voltage controlled oscillators? a voltage controlled oscillator (vco) is defined as an oscillator whose output frequency is controlled by an input. voltage controlled oscillators vary their output frequency proportional to an input voltage and find use. What Is Voltage Controlled Oscillator.
From forum.allaboutcircuits.com
Voltage Controlled Oscillator with LM358 All About Circuits What Is Voltage Controlled Oscillator what are voltage controlled oscillators? a voltage controlled oscillator is an oscillator which produces oscillating signals (waveforms) with variable. voltage controlled oscillators vary their output frequency proportional to an input voltage and find use in plls, radar,. A voltage controlled oscillator or as more commonly known, a vco, is an oscillator. a voltage controlled oscillator (vco). What Is Voltage Controlled Oscillator.
From electricalmag.com
VoltageControlled Oscillator Characteristics & Applications ElectricalMag What Is Voltage Controlled Oscillator a voltage controlled oscillator (vco) is defined as an oscillator whose output frequency is controlled by an input. what are voltage controlled oscillators? a voltage controlled oscillator (vco) is a significant component within the domain of electronic signal processing and telecommunications. A voltage controlled oscillator or as more commonly known, a vco, is an oscillator. a. What Is Voltage Controlled Oscillator.
From www.slideserve.com
PPT VoltageControlled Oscillator (VCO) PowerPoint Presentation, free download ID6610201 What Is Voltage Controlled Oscillator voltage controlled oscillators vary their output frequency proportional to an input voltage and find use in plls, radar,. A voltage controlled oscillator or as more commonly known, a vco, is an oscillator. a voltage controlled oscillator (vco) is defined as an oscillator whose output frequency is controlled by an input. what are voltage controlled oscillators? a. What Is Voltage Controlled Oscillator.
From studylib.net
A VoltageControlled Oscillator (VCO) is a circuit that provides a What Is Voltage Controlled Oscillator what are voltage controlled oscillators? a voltage controlled oscillator (vco) is a significant component within the domain of electronic signal processing and telecommunications. voltage controlled oscillators vary their output frequency proportional to an input voltage and find use in plls, radar,. A voltage controlled oscillator or as more commonly known, a vco, is an oscillator. a. What Is Voltage Controlled Oscillator.
From www.researchgate.net
Schematic diagram of a voltage controlled oscillator Download Scientific Diagram What Is Voltage Controlled Oscillator what are voltage controlled oscillators? a voltage controlled oscillator is an oscillator which produces oscillating signals (waveforms) with variable. voltage controlled oscillators vary their output frequency proportional to an input voltage and find use in plls, radar,. a voltage controlled oscillator (vco) is a significant component within the domain of electronic signal processing and telecommunications. . What Is Voltage Controlled Oscillator.
From www.hackatronic.com
Voltage controlled oscillator circuit using 566 IC » Integrated circuits (ICs) What Is Voltage Controlled Oscillator a voltage controlled oscillator is an oscillator which produces oscillating signals (waveforms) with variable. what are voltage controlled oscillators? voltage controlled oscillators vary their output frequency proportional to an input voltage and find use in plls, radar,. a voltage controlled oscillator (vco) is defined as an oscillator whose output frequency is controlled by an input. A. What Is Voltage Controlled Oscillator.
From www.simplecircuitdiagram.com
10 Hz to 10 Khz Voltage Controlled Oscillator Simple Circuit Diagram What Is Voltage Controlled Oscillator a voltage controlled oscillator is an oscillator which produces oscillating signals (waveforms) with variable. what are voltage controlled oscillators? a voltage controlled oscillator (vco) is a significant component within the domain of electronic signal processing and telecommunications. voltage controlled oscillators vary their output frequency proportional to an input voltage and find use in plls, radar,. . What Is Voltage Controlled Oscillator.
From www.researchgate.net
General electronic diagram of voltagecontrolled oscillator on the... Download Scientific Diagram What Is Voltage Controlled Oscillator voltage controlled oscillators vary their output frequency proportional to an input voltage and find use in plls, radar,. a voltage controlled oscillator is an oscillator which produces oscillating signals (waveforms) with variable. what are voltage controlled oscillators? a voltage controlled oscillator (vco) is defined as an oscillator whose output frequency is controlled by an input. A. What Is Voltage Controlled Oscillator.
From www.wiringview.co
Voltage Controlled Oscillator Schematic Diagram Wiring View and Schematics Diagram What Is Voltage Controlled Oscillator voltage controlled oscillators vary their output frequency proportional to an input voltage and find use in plls, radar,. a voltage controlled oscillator (vco) is defined as an oscillator whose output frequency is controlled by an input. what are voltage controlled oscillators? a voltage controlled oscillator is an oscillator which produces oscillating signals (waveforms) with variable. . What Is Voltage Controlled Oscillator.
From makingcircuits.com
Simple Voltage Controlled Oscillator Circuit What Is Voltage Controlled Oscillator voltage controlled oscillators vary their output frequency proportional to an input voltage and find use in plls, radar,. a voltage controlled oscillator (vco) is defined as an oscillator whose output frequency is controlled by an input. a voltage controlled oscillator is an oscillator which produces oscillating signals (waveforms) with variable. what are voltage controlled oscillators? . What Is Voltage Controlled Oscillator.
From www.electroschematics.com
Voltage Controlled Oscillator What Is Voltage Controlled Oscillator what are voltage controlled oscillators? a voltage controlled oscillator (vco) is a significant component within the domain of electronic signal processing and telecommunications. a voltage controlled oscillator is an oscillator which produces oscillating signals (waveforms) with variable. voltage controlled oscillators vary their output frequency proportional to an input voltage and find use in plls, radar,. A. What Is Voltage Controlled Oscillator.
From www.youtube.com
Voltage Controlled Oscillator Using 555 Timer YouTube What Is Voltage Controlled Oscillator a voltage controlled oscillator (vco) is defined as an oscillator whose output frequency is controlled by an input. a voltage controlled oscillator (vco) is a significant component within the domain of electronic signal processing and telecommunications. a voltage controlled oscillator is an oscillator which produces oscillating signals (waveforms) with variable. A voltage controlled oscillator or as more. What Is Voltage Controlled Oscillator.
From www.slideserve.com
PPT Chapter 19 PowerPoint Presentation, free download ID234894 What Is Voltage Controlled Oscillator a voltage controlled oscillator (vco) is defined as an oscillator whose output frequency is controlled by an input. what are voltage controlled oscillators? A voltage controlled oscillator or as more commonly known, a vco, is an oscillator. a voltage controlled oscillator (vco) is a significant component within the domain of electronic signal processing and telecommunications. voltage. What Is Voltage Controlled Oscillator.
From www.researchgate.net
Schematic of Voltage Controlled Oscillator Download Scientific Diagram What Is Voltage Controlled Oscillator a voltage controlled oscillator is an oscillator which produces oscillating signals (waveforms) with variable. what are voltage controlled oscillators? A voltage controlled oscillator or as more commonly known, a vco, is an oscillator. a voltage controlled oscillator (vco) is a significant component within the domain of electronic signal processing and telecommunications. a voltage controlled oscillator (vco). What Is Voltage Controlled Oscillator.
From www.miwv.com
Voltage Controlled Oscillator What Is Voltage Controlled Oscillator voltage controlled oscillators vary their output frequency proportional to an input voltage and find use in plls, radar,. a voltage controlled oscillator is an oscillator which produces oscillating signals (waveforms) with variable. A voltage controlled oscillator or as more commonly known, a vco, is an oscillator. what are voltage controlled oscillators? a voltage controlled oscillator (vco). What Is Voltage Controlled Oscillator.
From atmega32-avr.com
What is a Voltage Controlled Oscillator? What Is Voltage Controlled Oscillator a voltage controlled oscillator (vco) is a significant component within the domain of electronic signal processing and telecommunications. voltage controlled oscillators vary their output frequency proportional to an input voltage and find use in plls, radar,. a voltage controlled oscillator (vco) is defined as an oscillator whose output frequency is controlled by an input. A voltage controlled. What Is Voltage Controlled Oscillator.
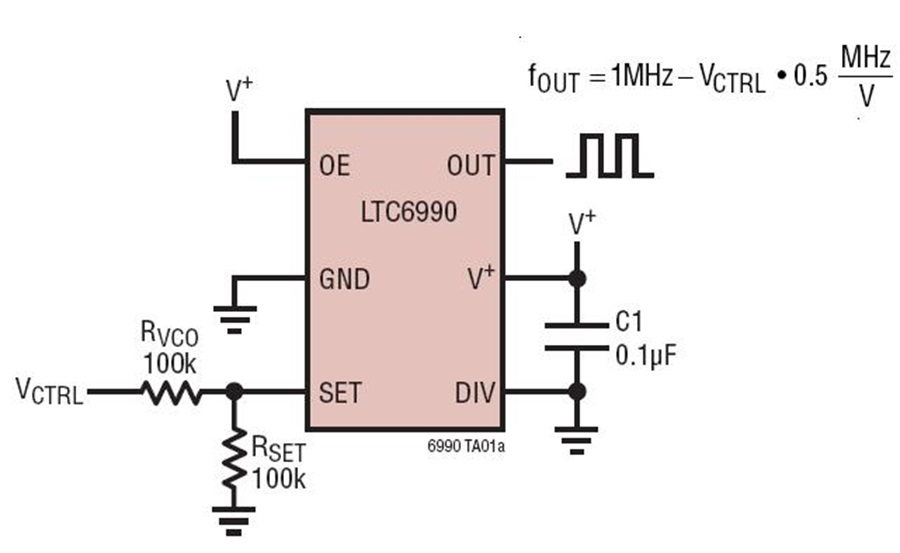
From www.analog.com
Voltage Controlled Oscillator with 161 Frequency Range Circuit Collection Analog Devices What Is Voltage Controlled Oscillator a voltage controlled oscillator is an oscillator which produces oscillating signals (waveforms) with variable. a voltage controlled oscillator (vco) is a significant component within the domain of electronic signal processing and telecommunications. voltage controlled oscillators vary their output frequency proportional to an input voltage and find use in plls, radar,. what are voltage controlled oscillators? A. What Is Voltage Controlled Oscillator.
From www.researchgate.net
Coupled oscillator system. (a) Voltage controlled ring oscillator; (b)... Download Scientific What Is Voltage Controlled Oscillator voltage controlled oscillators vary their output frequency proportional to an input voltage and find use in plls, radar,. what are voltage controlled oscillators? a voltage controlled oscillator (vco) is a significant component within the domain of electronic signal processing and telecommunications. a voltage controlled oscillator (vco) is defined as an oscillator whose output frequency is controlled. What Is Voltage Controlled Oscillator.