Nixie Tube Circuit Diagram . how to drive a nixie tube. If you want to build a nixie display for your project, you'll have to know how use and drive. Featuring a dcf77 receiver, alarm clock, timer, stopwatch, automatic brightness and more. the arduino nixie clock schematic provides a clear diagram of how the various components should be connected to. with this circuit you can test a nixie display, or power a multiplexed nixie clock. the tutorial for a diy nixie clock implemented on arduino; If you want to build a nixie display or a nixie clock you’ll have to know how to use and drive nixie. The potentiometer lets you change the output. how to drive nixie tubes. how to control a nixie tube with an arduino:
from tubetime.us
how to drive nixie tubes. how to control a nixie tube with an arduino: the arduino nixie clock schematic provides a clear diagram of how the various components should be connected to. how to drive a nixie tube. with this circuit you can test a nixie display, or power a multiplexed nixie clock. The potentiometer lets you change the output. If you want to build a nixie display or a nixie clock you’ll have to know how to use and drive nixie. the tutorial for a diy nixie clock implemented on arduino; If you want to build a nixie display for your project, you'll have to know how use and drive. Featuring a dcf77 receiver, alarm clock, timer, stopwatch, automatic brightness and more.
TubeTime » Blog Archive » Miniature Coin Cell Nixie Tube Power Supply
Nixie Tube Circuit Diagram the tutorial for a diy nixie clock implemented on arduino; with this circuit you can test a nixie display, or power a multiplexed nixie clock. If you want to build a nixie display for your project, you'll have to know how use and drive. how to drive nixie tubes. The potentiometer lets you change the output. If you want to build a nixie display or a nixie clock you’ll have to know how to use and drive nixie. how to control a nixie tube with an arduino: Featuring a dcf77 receiver, alarm clock, timer, stopwatch, automatic brightness and more. the arduino nixie clock schematic provides a clear diagram of how the various components should be connected to. the tutorial for a diy nixie clock implemented on arduino; how to drive a nixie tube.
From www.pinterest.com
Soemtron calculator Plastic moulding, Circuit diagram, Nixie tube Nixie Tube Circuit Diagram the tutorial for a diy nixie clock implemented on arduino; If you want to build a nixie display for your project, you'll have to know how use and drive. the arduino nixie clock schematic provides a clear diagram of how the various components should be connected to. how to drive a nixie tube. how to drive. Nixie Tube Circuit Diagram.
From electronics.stackexchange.com
ground Nixie tube clock circuit schematic Electrical Engineering Nixie Tube Circuit Diagram the arduino nixie clock schematic provides a clear diagram of how the various components should be connected to. Featuring a dcf77 receiver, alarm clock, timer, stopwatch, automatic brightness and more. how to drive a nixie tube. If you want to build a nixie display for your project, you'll have to know how use and drive. If you want. Nixie Tube Circuit Diagram.
From www.smbaker.com
Propellerpowered IN12 Nixie Clock Dr. Scott M. Baker Nixie Tube Circuit Diagram how to drive nixie tubes. how to drive a nixie tube. Featuring a dcf77 receiver, alarm clock, timer, stopwatch, automatic brightness and more. how to control a nixie tube with an arduino: the arduino nixie clock schematic provides a clear diagram of how the various components should be connected to. The potentiometer lets you change the. Nixie Tube Circuit Diagram.
From www.smbaker.com
Nixie Tube Calculator, Powered by a Raspberry Pi Dr. Scott M. Baker Nixie Tube Circuit Diagram how to drive a nixie tube. how to control a nixie tube with an arduino: the arduino nixie clock schematic provides a clear diagram of how the various components should be connected to. the tutorial for a diy nixie clock implemented on arduino; with this circuit you can test a nixie display, or power a. Nixie Tube Circuit Diagram.
From hazardousphysics.christophergerekos.eu
IN18 Nixie Tube Clock Circuits and wiring diagrams Hazardous Physics Nixie Tube Circuit Diagram how to control a nixie tube with an arduino: how to drive a nixie tube. If you want to build a nixie display for your project, you'll have to know how use and drive. the arduino nixie clock schematic provides a clear diagram of how the various components should be connected to. Featuring a dcf77 receiver, alarm. Nixie Tube Circuit Diagram.
From gra-afch.com
Schematic Nixie Clock TUBE NCT3566 V1.0 GRA & AFCH Nixie Tube Circuit Diagram how to drive nixie tubes. how to control a nixie tube with an arduino: with this circuit you can test a nixie display, or power a multiplexed nixie clock. If you want to build a nixie display for your project, you'll have to know how use and drive. If you want to build a nixie display or. Nixie Tube Circuit Diagram.
From www.pinterest.com
Nixie Tube Driver Circuit EasyEDA Nixie tube, Circuit, Tube Nixie Tube Circuit Diagram Featuring a dcf77 receiver, alarm clock, timer, stopwatch, automatic brightness and more. how to drive nixie tubes. If you want to build a nixie display for your project, you'll have to know how use and drive. the tutorial for a diy nixie clock implemented on arduino; If you want to build a nixie display or a nixie clock. Nixie Tube Circuit Diagram.
From mungfali.com
Single Tube Nixie Clock Schematic Nixie Tube Circuit Diagram Featuring a dcf77 receiver, alarm clock, timer, stopwatch, automatic brightness and more. how to control a nixie tube with an arduino: how to drive a nixie tube. If you want to build a nixie display or a nixie clock you’ll have to know how to use and drive nixie. how to drive nixie tubes. the tutorial. Nixie Tube Circuit Diagram.
From www.next.gr
nixie tube clock circuit under Repositorycircuits 47963 Next.gr Nixie Tube Circuit Diagram The potentiometer lets you change the output. the tutorial for a diy nixie clock implemented on arduino; If you want to build a nixie display or a nixie clock you’ll have to know how to use and drive nixie. the arduino nixie clock schematic provides a clear diagram of how the various components should be connected to. . Nixie Tube Circuit Diagram.
From andrewjkramer.net
Nixie Power Supply with 5V USB inputBot Blog Nixie Tube Circuit Diagram how to drive a nixie tube. with this circuit you can test a nixie display, or power a multiplexed nixie clock. the arduino nixie clock schematic provides a clear diagram of how the various components should be connected to. Featuring a dcf77 receiver, alarm clock, timer, stopwatch, automatic brightness and more. If you want to build a. Nixie Tube Circuit Diagram.
From www.micro-examples.com
SingleTube nixie clock Nixie Tube Circuit Diagram Featuring a dcf77 receiver, alarm clock, timer, stopwatch, automatic brightness and more. how to drive a nixie tube. the tutorial for a diy nixie clock implemented on arduino; If you want to build a nixie display for your project, you'll have to know how use and drive. If you want to build a nixie display or a nixie. Nixie Tube Circuit Diagram.
From www.pinterest.com
schematic for wiring up a nixie IN12 tube Nixie tube, Tube, Diagram Nixie Tube Circuit Diagram how to drive a nixie tube. If you want to build a nixie display or a nixie clock you’ll have to know how to use and drive nixie. how to drive nixie tubes. the tutorial for a diy nixie clock implemented on arduino; how to control a nixie tube with an arduino: with this circuit. Nixie Tube Circuit Diagram.
From nuclear.mutantstargoat.com
nixiedisp nixie tube USB/RS232 numeric display & standalone clock Nixie Tube Circuit Diagram with this circuit you can test a nixie display, or power a multiplexed nixie clock. how to drive nixie tubes. how to control a nixie tube with an arduino: how to drive a nixie tube. the arduino nixie clock schematic provides a clear diagram of how the various components should be connected to. The potentiometer. Nixie Tube Circuit Diagram.
From www.tube-tester.com
IN1 / LC516 Nixie Tube Clockeng Nixie Tube Circuit Diagram The potentiometer lets you change the output. Featuring a dcf77 receiver, alarm clock, timer, stopwatch, automatic brightness and more. how to control a nixie tube with an arduino: If you want to build a nixie display or a nixie clock you’ll have to know how to use and drive nixie. how to drive a nixie tube. the. Nixie Tube Circuit Diagram.
From www.pinterest.com
NixieSupply5vto160vDCMBoost.sch Nixie tube, Power supply design Nixie Tube Circuit Diagram the arduino nixie clock schematic provides a clear diagram of how the various components should be connected to. with this circuit you can test a nixie display, or power a multiplexed nixie clock. the tutorial for a diy nixie clock implemented on arduino; how to control a nixie tube with an arduino: Featuring a dcf77 receiver,. Nixie Tube Circuit Diagram.
From www.decodesystems.com
Multiplex Operation of Nixie Tubes Nixie Tube Circuit Diagram The potentiometer lets you change the output. how to drive nixie tubes. Featuring a dcf77 receiver, alarm clock, timer, stopwatch, automatic brightness and more. the arduino nixie clock schematic provides a clear diagram of how the various components should be connected to. how to drive a nixie tube. with this circuit you can test a nixie. Nixie Tube Circuit Diagram.
From tubetime.us
TubeTime » Blog Archive » Miniature Coin Cell Nixie Tube Power Supply Nixie Tube Circuit Diagram how to drive nixie tubes. If you want to build a nixie display for your project, you'll have to know how use and drive. how to drive a nixie tube. the tutorial for a diy nixie clock implemented on arduino; If you want to build a nixie display or a nixie clock you’ll have to know how. Nixie Tube Circuit Diagram.
From electronics.stackexchange.com
Nixie tube multiplexer circuit problem Electrical Engineering Stack Nixie Tube Circuit Diagram the tutorial for a diy nixie clock implemented on arduino; The potentiometer lets you change the output. how to drive nixie tubes. Featuring a dcf77 receiver, alarm clock, timer, stopwatch, automatic brightness and more. If you want to build a nixie display or a nixie clock you’ll have to know how to use and drive nixie. If you. Nixie Tube Circuit Diagram.
From userfixfrey.z19.web.core.windows.net
Nixie Tube Clock Circuit Diagram Nixie Tube Circuit Diagram If you want to build a nixie display for your project, you'll have to know how use and drive. The potentiometer lets you change the output. Featuring a dcf77 receiver, alarm clock, timer, stopwatch, automatic brightness and more. how to control a nixie tube with an arduino: the tutorial for a diy nixie clock implemented on arduino; If. Nixie Tube Circuit Diagram.
From electronics.digital
Nixie Tube Experiments · Brown Nixie Tube Circuit Diagram with this circuit you can test a nixie display, or power a multiplexed nixie clock. If you want to build a nixie display for your project, you'll have to know how use and drive. how to drive nixie tubes. the tutorial for a diy nixie clock implemented on arduino; Featuring a dcf77 receiver, alarm clock, timer, stopwatch,. Nixie Tube Circuit Diagram.
From oshwlab.com
Nixie Circuit EasyEDA open source hardware lab Nixie Tube Circuit Diagram Featuring a dcf77 receiver, alarm clock, timer, stopwatch, automatic brightness and more. If you want to build a nixie display for your project, you'll have to know how use and drive. how to drive nixie tubes. how to control a nixie tube with an arduino: The potentiometer lets you change the output. the arduino nixie clock schematic. Nixie Tube Circuit Diagram.
From www.hackster.io
Multiplexed Nixie Tube Clock Hackster.io Nixie Tube Circuit Diagram the arduino nixie clock schematic provides a clear diagram of how the various components should be connected to. with this circuit you can test a nixie display, or power a multiplexed nixie clock. how to drive a nixie tube. If you want to build a nixie display for your project, you'll have to know how use and. Nixie Tube Circuit Diagram.
From www.electronixandmore.com
Nixie Clock Version 1 Nixie Tube Circuit Diagram how to control a nixie tube with an arduino: If you want to build a nixie display or a nixie clock you’ll have to know how to use and drive nixie. Featuring a dcf77 receiver, alarm clock, timer, stopwatch, automatic brightness and more. how to drive nixie tubes. If you want to build a nixie display for your. Nixie Tube Circuit Diagram.
From jan.rychter.com
High Voltage Power Supply for Nixie Tube Projects Nixie Tube Circuit Diagram how to drive a nixie tube. the tutorial for a diy nixie clock implemented on arduino; Featuring a dcf77 receiver, alarm clock, timer, stopwatch, automatic brightness and more. If you want to build a nixie display or a nixie clock you’ll have to know how to use and drive nixie. If you want to build a nixie display. Nixie Tube Circuit Diagram.
From remsters.blogspot.com
Remster Electronics Projects Nixie Tube Power Supply Nixie Tube Circuit Diagram the arduino nixie clock schematic provides a clear diagram of how the various components should be connected to. the tutorial for a diy nixie clock implemented on arduino; If you want to build a nixie display or a nixie clock you’ll have to know how to use and drive nixie. how to control a nixie tube with. Nixie Tube Circuit Diagram.
From www.electronixandmore.com
Nixie Clock Version 4 Nixie Tube Circuit Diagram with this circuit you can test a nixie display, or power a multiplexed nixie clock. The potentiometer lets you change the output. Featuring a dcf77 receiver, alarm clock, timer, stopwatch, automatic brightness and more. the arduino nixie clock schematic provides a clear diagram of how the various components should be connected to. the tutorial for a diy. Nixie Tube Circuit Diagram.
From robocua.blogspot.com
NiXIE Static IN14 Nixie Clock Nixie Tube Circuit Diagram If you want to build a nixie display for your project, you'll have to know how use and drive. the arduino nixie clock schematic provides a clear diagram of how the various components should be connected to. with this circuit you can test a nixie display, or power a multiplexed nixie clock. The potentiometer lets you change the. Nixie Tube Circuit Diagram.
From diycrap.blogspot.com
DIYcrap Nixie tube experimentation with IN12 Nixie Tube Circuit Diagram with this circuit you can test a nixie display, or power a multiplexed nixie clock. If you want to build a nixie display for your project, you'll have to know how use and drive. Featuring a dcf77 receiver, alarm clock, timer, stopwatch, automatic brightness and more. how to control a nixie tube with an arduino: the arduino. Nixie Tube Circuit Diagram.
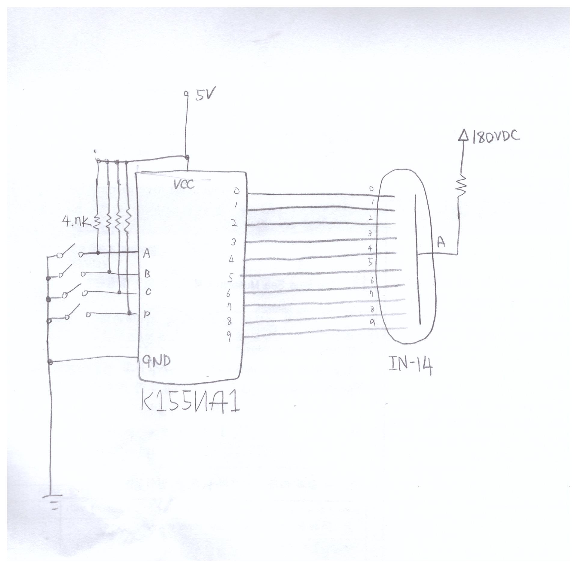
From itecnotes.com
Electrical When using the K155ID1 IC, some numbers of Nixie tubes do Nixie Tube Circuit Diagram how to control a nixie tube with an arduino: Featuring a dcf77 receiver, alarm clock, timer, stopwatch, automatic brightness and more. how to drive a nixie tube. If you want to build a nixie display or a nixie clock you’ll have to know how to use and drive nixie. how to drive nixie tubes. with this. Nixie Tube Circuit Diagram.
From hazardousphysics.christophergerekos.eu
IN18 Nixie Tube Clock Nixies presentation and clock construction Nixie Tube Circuit Diagram with this circuit you can test a nixie display, or power a multiplexed nixie clock. Featuring a dcf77 receiver, alarm clock, timer, stopwatch, automatic brightness and more. the tutorial for a diy nixie clock implemented on arduino; how to drive nixie tubes. If you want to build a nixie display or a nixie clock you’ll have to. Nixie Tube Circuit Diagram.
From crystal.uta.edu
Nixie Tube Clock Project Nixie Tube Circuit Diagram If you want to build a nixie display for your project, you'll have to know how use and drive. The potentiometer lets you change the output. Featuring a dcf77 receiver, alarm clock, timer, stopwatch, automatic brightness and more. the arduino nixie clock schematic provides a clear diagram of how the various components should be connected to. the tutorial. Nixie Tube Circuit Diagram.
From wiringmanualfassbinder.z19.web.core.windows.net
Nixie Tube Clock Instructions Nixie Tube Circuit Diagram Featuring a dcf77 receiver, alarm clock, timer, stopwatch, automatic brightness and more. how to drive a nixie tube. the arduino nixie clock schematic provides a clear diagram of how the various components should be connected to. how to drive nixie tubes. with this circuit you can test a nixie display, or power a multiplexed nixie clock.. Nixie Tube Circuit Diagram.
From www.tuberadios.com
My Nixie Clock Page Nixie Tube Circuit Diagram If you want to build a nixie display for your project, you'll have to know how use and drive. with this circuit you can test a nixie display, or power a multiplexed nixie clock. The potentiometer lets you change the output. how to drive a nixie tube. the tutorial for a diy nixie clock implemented on arduino;. Nixie Tube Circuit Diagram.
From kevinrye.net
Screen Shot 20141018 at 3.17.52 PM Nixie Tube Circuit Diagram how to drive nixie tubes. the tutorial for a diy nixie clock implemented on arduino; If you want to build a nixie display or a nixie clock you’ll have to know how to use and drive nixie. with this circuit you can test a nixie display, or power a multiplexed nixie clock. the arduino nixie clock. Nixie Tube Circuit Diagram.
From enginewiringmeyer.z13.web.core.windows.net
Nixie Tube Circuit Diagram Nixie Tube Circuit Diagram The potentiometer lets you change the output. the arduino nixie clock schematic provides a clear diagram of how the various components should be connected to. with this circuit you can test a nixie display, or power a multiplexed nixie clock. how to control a nixie tube with an arduino: Featuring a dcf77 receiver, alarm clock, timer, stopwatch,. Nixie Tube Circuit Diagram.