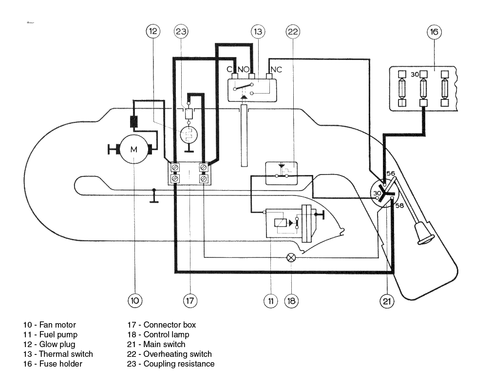
Eberspacher Heater Control Wiring Diagram . Control elements must be selected in accordance with the intended use of the airtronic and on the basis of the distinction: The installation instructions, particularly with regard to wiring (wiring diagrams), fuel supply, combustion air and exhaust ducts, and use of operating and. Air or water heater, simple. By following this comprehensive guide and understanding the wiring diagram for your eberspacher heater, you can confidently install and wire your heating system, ensuring efficient and reliable. This manual aims to support the service company installing the heater and to provide the user with all important information. Eberspcher climate control systems mb co eberspcherstrae 2 esslingen otline 22 fa hotline 1 222 infoeberspaechercom wwweberspaechercom. The wiring diagram shows the connections between the various components of the eberspacher heater system and the 701 controller.
from chen-wiring.blogspot.com
The installation instructions, particularly with regard to wiring (wiring diagrams), fuel supply, combustion air and exhaust ducts, and use of operating and. Eberspcher climate control systems mb co eberspcherstrae 2 esslingen otline 22 fa hotline 1 222 infoeberspaechercom wwweberspaechercom. By following this comprehensive guide and understanding the wiring diagram for your eberspacher heater, you can confidently install and wire your heating system, ensuring efficient and reliable. The wiring diagram shows the connections between the various components of the eberspacher heater system and the 701 controller. This manual aims to support the service company installing the heater and to provide the user with all important information. Air or water heater, simple. Control elements must be selected in accordance with the intended use of the airtronic and on the basis of the distinction:
Eberspacher D2 Wiring Diagram Chen Wiring
Eberspacher Heater Control Wiring Diagram Eberspcher climate control systems mb co eberspcherstrae 2 esslingen otline 22 fa hotline 1 222 infoeberspaechercom wwweberspaechercom. Air or water heater, simple. Control elements must be selected in accordance with the intended use of the airtronic and on the basis of the distinction: This manual aims to support the service company installing the heater and to provide the user with all important information. Eberspcher climate control systems mb co eberspcherstrae 2 esslingen otline 22 fa hotline 1 222 infoeberspaechercom wwweberspaechercom. The wiring diagram shows the connections between the various components of the eberspacher heater system and the 701 controller. The installation instructions, particularly with regard to wiring (wiring diagrams), fuel supply, combustion air and exhaust ducts, and use of operating and. By following this comprehensive guide and understanding the wiring diagram for your eberspacher heater, you can confidently install and wire your heating system, ensuring efficient and reliable.
From chen-wiring.blogspot.com
Eberspacher D2 Wiring Diagram Chen Wiring Eberspacher Heater Control Wiring Diagram This manual aims to support the service company installing the heater and to provide the user with all important information. The wiring diagram shows the connections between the various components of the eberspacher heater system and the 701 controller. Air or water heater, simple. By following this comprehensive guide and understanding the wiring diagram for your eberspacher heater, you can. Eberspacher Heater Control Wiring Diagram.
From schematron.org
Eberspacher Airtronic D2 Wiring Diagram Eberspacher Heater Control Wiring Diagram Air or water heater, simple. Eberspcher climate control systems mb co eberspcherstrae 2 esslingen otline 22 fa hotline 1 222 infoeberspaechercom wwweberspaechercom. Control elements must be selected in accordance with the intended use of the airtronic and on the basis of the distinction: By following this comprehensive guide and understanding the wiring diagram for your eberspacher heater, you can confidently. Eberspacher Heater Control Wiring Diagram.
From wiringall.com
Eberspacher D5wz Wiring Diagram Eberspacher Heater Control Wiring Diagram Air or water heater, simple. Control elements must be selected in accordance with the intended use of the airtronic and on the basis of the distinction: Eberspcher climate control systems mb co eberspcherstrae 2 esslingen otline 22 fa hotline 1 222 infoeberspaechercom wwweberspaechercom. This manual aims to support the service company installing the heater and to provide the user with. Eberspacher Heater Control Wiring Diagram.
From circuitengineeclair.z21.web.core.windows.net
Eberspacher Wiring Diagram Eberspacher Heater Control Wiring Diagram The installation instructions, particularly with regard to wiring (wiring diagrams), fuel supply, combustion air and exhaust ducts, and use of operating and. Control elements must be selected in accordance with the intended use of the airtronic and on the basis of the distinction: The wiring diagram shows the connections between the various components of the eberspacher heater system and the. Eberspacher Heater Control Wiring Diagram.
From www.shoptalkforums.com
Eberspacher Heaters Eberspacher Heater Control Wiring Diagram This manual aims to support the service company installing the heater and to provide the user with all important information. Air or water heater, simple. Control elements must be selected in accordance with the intended use of the airtronic and on the basis of the distinction: The wiring diagram shows the connections between the various components of the eberspacher heater. Eberspacher Heater Control Wiring Diagram.
From diagramweb.net
Eberspacher Night Heater Wiring Diagram Eberspacher Heater Control Wiring Diagram Control elements must be selected in accordance with the intended use of the airtronic and on the basis of the distinction: Air or water heater, simple. By following this comprehensive guide and understanding the wiring diagram for your eberspacher heater, you can confidently install and wire your heating system, ensuring efficient and reliable. This manual aims to support the service. Eberspacher Heater Control Wiring Diagram.
From schematron.org
Eberspacher Night Heater Wiring Diagram Wiring Diagram Pictures Eberspacher Heater Control Wiring Diagram By following this comprehensive guide and understanding the wiring diagram for your eberspacher heater, you can confidently install and wire your heating system, ensuring efficient and reliable. The installation instructions, particularly with regard to wiring (wiring diagrams), fuel supply, combustion air and exhaust ducts, and use of operating and. This manual aims to support the service company installing the heater. Eberspacher Heater Control Wiring Diagram.
From diagramweb.net
Eberspacher Night Heater Wiring Diagram Eberspacher Heater Control Wiring Diagram The wiring diagram shows the connections between the various components of the eberspacher heater system and the 701 controller. This manual aims to support the service company installing the heater and to provide the user with all important information. Eberspcher climate control systems mb co eberspcherstrae 2 esslingen otline 22 fa hotline 1 222 infoeberspaechercom wwweberspaechercom. Control elements must be. Eberspacher Heater Control Wiring Diagram.
From techschems.com
The Complete Guide to Eberspacher 701 Controller Wiring Diagram Eberspacher Heater Control Wiring Diagram Air or water heater, simple. Control elements must be selected in accordance with the intended use of the airtronic and on the basis of the distinction: By following this comprehensive guide and understanding the wiring diagram for your eberspacher heater, you can confidently install and wire your heating system, ensuring efficient and reliable. The installation instructions, particularly with regard to. Eberspacher Heater Control Wiring Diagram.
From userdatabombasines.z21.web.core.windows.net
Eberspacher D5 Wiring Diagram Eberspacher Heater Control Wiring Diagram By following this comprehensive guide and understanding the wiring diagram for your eberspacher heater, you can confidently install and wire your heating system, ensuring efficient and reliable. Eberspcher climate control systems mb co eberspcherstrae 2 esslingen otline 22 fa hotline 1 222 infoeberspaechercom wwweberspaechercom. Air or water heater, simple. The wiring diagram shows the connections between the various components of. Eberspacher Heater Control Wiring Diagram.
From wiringbase.blogspot.com
Eberspacher Water Heater Wiring Diagram see what we wiring Eberspacher Heater Control Wiring Diagram This manual aims to support the service company installing the heater and to provide the user with all important information. The installation instructions, particularly with regard to wiring (wiring diagrams), fuel supply, combustion air and exhaust ducts, and use of operating and. The wiring diagram shows the connections between the various components of the eberspacher heater system and the 701. Eberspacher Heater Control Wiring Diagram.
From chic-hub.blogspot.com
Eberspacher D1lc Wiring Diagram Chic Hub Eberspacher Heater Control Wiring Diagram This manual aims to support the service company installing the heater and to provide the user with all important information. By following this comprehensive guide and understanding the wiring diagram for your eberspacher heater, you can confidently install and wire your heating system, ensuring efficient and reliable. The wiring diagram shows the connections between the various components of the eberspacher. Eberspacher Heater Control Wiring Diagram.
From circuitengineeclair.z21.web.core.windows.net
Eberspacher 801 Wiring Diagram Eberspacher Heater Control Wiring Diagram Control elements must be selected in accordance with the intended use of the airtronic and on the basis of the distinction: By following this comprehensive guide and understanding the wiring diagram for your eberspacher heater, you can confidently install and wire your heating system, ensuring efficient and reliable. Air or water heater, simple. Eberspcher climate control systems mb co eberspcherstrae. Eberspacher Heater Control Wiring Diagram.
From www.youtube.com
Eberspacher Diesel Heater 801 controller wiring explained. YouTube Eberspacher Heater Control Wiring Diagram Air or water heater, simple. By following this comprehensive guide and understanding the wiring diagram for your eberspacher heater, you can confidently install and wire your heating system, ensuring efficient and reliable. The installation instructions, particularly with regard to wiring (wiring diagrams), fuel supply, combustion air and exhaust ducts, and use of operating and. This manual aims to support the. Eberspacher Heater Control Wiring Diagram.
From eleccircs.com
How to Install and Wire Your Eberspacher Heater A Comprehensive Wiring Eberspacher Heater Control Wiring Diagram Control elements must be selected in accordance with the intended use of the airtronic and on the basis of the distinction: This manual aims to support the service company installing the heater and to provide the user with all important information. By following this comprehensive guide and understanding the wiring diagram for your eberspacher heater, you can confidently install and. Eberspacher Heater Control Wiring Diagram.
From www.got2bwireless.com
Eberspacher Diesel Heater Wiring Diagram For Your Needs Eberspacher Heater Control Wiring Diagram This manual aims to support the service company installing the heater and to provide the user with all important information. By following this comprehensive guide and understanding the wiring diagram for your eberspacher heater, you can confidently install and wire your heating system, ensuring efficient and reliable. Eberspcher climate control systems mb co eberspcherstrae 2 esslingen otline 22 fa hotline. Eberspacher Heater Control Wiring Diagram.
From www.thesamba.com
Gallery BN4 Eberspacher heater wiring Eberspacher Heater Control Wiring Diagram By following this comprehensive guide and understanding the wiring diagram for your eberspacher heater, you can confidently install and wire your heating system, ensuring efficient and reliable. This manual aims to support the service company installing the heater and to provide the user with all important information. Eberspcher climate control systems mb co eberspcherstrae 2 esslingen otline 22 fa hotline. Eberspacher Heater Control Wiring Diagram.
From techschems.com
The Complete Guide to Eberspacher 701 Controller Wiring Diagram Eberspacher Heater Control Wiring Diagram Air or water heater, simple. This manual aims to support the service company installing the heater and to provide the user with all important information. The wiring diagram shows the connections between the various components of the eberspacher heater system and the 701 controller. By following this comprehensive guide and understanding the wiring diagram for your eberspacher heater, you can. Eberspacher Heater Control Wiring Diagram.
From www.scribd.com
Eberspacher_Heater_D8LC_Wiring_Diagram PDF Eberspacher Heater Control Wiring Diagram Control elements must be selected in accordance with the intended use of the airtronic and on the basis of the distinction: Eberspcher climate control systems mb co eberspcherstrae 2 esslingen otline 22 fa hotline 1 222 infoeberspaechercom wwweberspaechercom. This manual aims to support the service company installing the heater and to provide the user with all important information. Air or. Eberspacher Heater Control Wiring Diagram.
From ornohartdel.weebly.com
eberspacherheaterwiringdiagram Eberspacher Heater Control Wiring Diagram This manual aims to support the service company installing the heater and to provide the user with all important information. Eberspcher climate control systems mb co eberspcherstrae 2 esslingen otline 22 fa hotline 1 222 infoeberspaechercom wwweberspaechercom. The wiring diagram shows the connections between the various components of the eberspacher heater system and the 701 controller. By following this comprehensive. Eberspacher Heater Control Wiring Diagram.
From wiringall.com
Eberspacher Airtronic D2 Wiring Diagram Eberspacher Heater Control Wiring Diagram Air or water heater, simple. The wiring diagram shows the connections between the various components of the eberspacher heater system and the 701 controller. The installation instructions, particularly with regard to wiring (wiring diagrams), fuel supply, combustion air and exhaust ducts, and use of operating and. Eberspcher climate control systems mb co eberspcherstrae 2 esslingen otline 22 fa hotline 1. Eberspacher Heater Control Wiring Diagram.
From userwiringeruptional.z21.web.core.windows.net
Eberspacher D5 Wiring Diagram Eberspacher Heater Control Wiring Diagram Control elements must be selected in accordance with the intended use of the airtronic and on the basis of the distinction: The wiring diagram shows the connections between the various components of the eberspacher heater system and the 701 controller. Eberspcher climate control systems mb co eberspcherstrae 2 esslingen otline 22 fa hotline 1 222 infoeberspaechercom wwweberspaechercom. The installation instructions,. Eberspacher Heater Control Wiring Diagram.
From enginerileyfanlight.z14.web.core.windows.net
Eberspacher D5 Wiring Diagram Eberspacher Heater Control Wiring Diagram Eberspcher climate control systems mb co eberspcherstrae 2 esslingen otline 22 fa hotline 1 222 infoeberspaechercom wwweberspaechercom. By following this comprehensive guide and understanding the wiring diagram for your eberspacher heater, you can confidently install and wire your heating system, ensuring efficient and reliable. The installation instructions, particularly with regard to wiring (wiring diagrams), fuel supply, combustion air and exhaust. Eberspacher Heater Control Wiring Diagram.
From wiringall.com
Eberspacher D5wz Wiring Diagram Eberspacher Heater Control Wiring Diagram Air or water heater, simple. Control elements must be selected in accordance with the intended use of the airtronic and on the basis of the distinction: The installation instructions, particularly with regard to wiring (wiring diagrams), fuel supply, combustion air and exhaust ducts, and use of operating and. The wiring diagram shows the connections between the various components of the. Eberspacher Heater Control Wiring Diagram.
From ornohartdel.weebly.com
eberspacherheaterwiringdiagram Eberspacher Heater Control Wiring Diagram The wiring diagram shows the connections between the various components of the eberspacher heater system and the 701 controller. Eberspcher climate control systems mb co eberspcherstrae 2 esslingen otline 22 fa hotline 1 222 infoeberspaechercom wwweberspaechercom. The installation instructions, particularly with regard to wiring (wiring diagrams), fuel supply, combustion air and exhaust ducts, and use of operating and. Air or. Eberspacher Heater Control Wiring Diagram.
From schematiclisbon.z13.web.core.windows.net
Eberspacher D2 Wiring Instructions Eberspacher Heater Control Wiring Diagram This manual aims to support the service company installing the heater and to provide the user with all important information. The wiring diagram shows the connections between the various components of the eberspacher heater system and the 701 controller. Control elements must be selected in accordance with the intended use of the airtronic and on the basis of the distinction:. Eberspacher Heater Control Wiring Diagram.
From techschems.com
Learn How to Read and Understand Eberspacher D4 Wiring Diagram Like a Pro Eberspacher Heater Control Wiring Diagram The wiring diagram shows the connections between the various components of the eberspacher heater system and the 701 controller. Eberspcher climate control systems mb co eberspcherstrae 2 esslingen otline 22 fa hotline 1 222 infoeberspaechercom wwweberspaechercom. By following this comprehensive guide and understanding the wiring diagram for your eberspacher heater, you can confidently install and wire your heating system, ensuring. Eberspacher Heater Control Wiring Diagram.
From www.thesamba.com
VW Eberspacher Gas Heater Installation Manual BN 2 Model Eberspacher Heater Control Wiring Diagram Air or water heater, simple. Eberspcher climate control systems mb co eberspcherstrae 2 esslingen otline 22 fa hotline 1 222 infoeberspaechercom wwweberspaechercom. The installation instructions, particularly with regard to wiring (wiring diagrams), fuel supply, combustion air and exhaust ducts, and use of operating and. This manual aims to support the service company installing the heater and to provide the user. Eberspacher Heater Control Wiring Diagram.
From diagramweb.net
Eberspacher Night Heater Wiring Diagram Eberspacher Heater Control Wiring Diagram Control elements must be selected in accordance with the intended use of the airtronic and on the basis of the distinction: Eberspcher climate control systems mb co eberspcherstrae 2 esslingen otline 22 fa hotline 1 222 infoeberspaechercom wwweberspaechercom. Air or water heater, simple. The wiring diagram shows the connections between the various components of the eberspacher heater system and the. Eberspacher Heater Control Wiring Diagram.
From wiringmanualpreconsume.z21.web.core.windows.net
Eberspacher Wiring Diagram Eberspacher Heater Control Wiring Diagram This manual aims to support the service company installing the heater and to provide the user with all important information. Air or water heater, simple. By following this comprehensive guide and understanding the wiring diagram for your eberspacher heater, you can confidently install and wire your heating system, ensuring efficient and reliable. Control elements must be selected in accordance with. Eberspacher Heater Control Wiring Diagram.
From ornohartdel.weebly.com
eberspacherheaterwiringdiagram Eberspacher Heater Control Wiring Diagram Control elements must be selected in accordance with the intended use of the airtronic and on the basis of the distinction: The installation instructions, particularly with regard to wiring (wiring diagrams), fuel supply, combustion air and exhaust ducts, and use of operating and. By following this comprehensive guide and understanding the wiring diagram for your eberspacher heater, you can confidently. Eberspacher Heater Control Wiring Diagram.
From triptonkosti.ru
Eberspacher d2 схема подключения 88 фото Eberspacher Heater Control Wiring Diagram Eberspcher climate control systems mb co eberspcherstrae 2 esslingen otline 22 fa hotline 1 222 infoeberspaechercom wwweberspaechercom. Air or water heater, simple. The wiring diagram shows the connections between the various components of the eberspacher heater system and the 701 controller. This manual aims to support the service company installing the heater and to provide the user with all important. Eberspacher Heater Control Wiring Diagram.
From schematron.org
Eberspacher Airtronic D2 Wiring Diagram Eberspacher Heater Control Wiring Diagram This manual aims to support the service company installing the heater and to provide the user with all important information. Eberspcher climate control systems mb co eberspcherstrae 2 esslingen otline 22 fa hotline 1 222 infoeberspaechercom wwweberspaechercom. By following this comprehensive guide and understanding the wiring diagram for your eberspacher heater, you can confidently install and wire your heating system,. Eberspacher Heater Control Wiring Diagram.
From chic-hub.blogspot.com
Eberspacher D1lc Wiring Diagram Chic Hub Eberspacher Heater Control Wiring Diagram By following this comprehensive guide and understanding the wiring diagram for your eberspacher heater, you can confidently install and wire your heating system, ensuring efficient and reliable. Eberspcher climate control systems mb co eberspcherstrae 2 esslingen otline 22 fa hotline 1 222 infoeberspaechercom wwweberspaechercom. Air or water heater, simple. Control elements must be selected in accordance with the intended use. Eberspacher Heater Control Wiring Diagram.
From eleccircs.com
How to Install and Wire Your Eberspacher Heater A Comprehensive Wiring Eberspacher Heater Control Wiring Diagram Air or water heater, simple. By following this comprehensive guide and understanding the wiring diagram for your eberspacher heater, you can confidently install and wire your heating system, ensuring efficient and reliable. This manual aims to support the service company installing the heater and to provide the user with all important information. Eberspcher climate control systems mb co eberspcherstrae 2. Eberspacher Heater Control Wiring Diagram.