Pajero Vacuum Hose Diagram . have you got the main vacuum hose coming from engine intake plugged in to that 4 way bit? am in the process of replacing the block on my 1992 4d56 2.5 shogun and i'm unsure of all the vacuum hose connections. It covers the general information,. i'm now back to the main solenoid valve system, i'm hoping with the vast network of fellow pajero owners, would anybody have. if you have the original vacuum hoses and vacuum solenoids, you match the blue striped hose with the. this web page provides the service and maintenance information for the 4m41 engine of the mitsubishi pajero. When connecting the vacuum hoses, they should be securely inserted onto the nipples.
from partsdiagram.netlify.app
i'm now back to the main solenoid valve system, i'm hoping with the vast network of fellow pajero owners, would anybody have. am in the process of replacing the block on my 1992 4d56 2.5 shogun and i'm unsure of all the vacuum hose connections. if you have the original vacuum hoses and vacuum solenoids, you match the blue striped hose with the. When connecting the vacuum hoses, they should be securely inserted onto the nipples. this web page provides the service and maintenance information for the 4m41 engine of the mitsubishi pajero. It covers the general information,. have you got the main vacuum hose coming from engine intake plugged in to that 4 way bit?
2002 chevy silverado vacuum hose diagram
Pajero Vacuum Hose Diagram if you have the original vacuum hoses and vacuum solenoids, you match the blue striped hose with the. if you have the original vacuum hoses and vacuum solenoids, you match the blue striped hose with the. When connecting the vacuum hoses, they should be securely inserted onto the nipples. It covers the general information,. i'm now back to the main solenoid valve system, i'm hoping with the vast network of fellow pajero owners, would anybody have. am in the process of replacing the block on my 1992 4d56 2.5 shogun and i'm unsure of all the vacuum hose connections. have you got the main vacuum hose coming from engine intake plugged in to that 4 way bit? this web page provides the service and maintenance information for the 4m41 engine of the mitsubishi pajero.
From manuallibsoaker.z13.web.core.windows.net
Cj7 Vacuum Hose Diagram Pajero Vacuum Hose Diagram When connecting the vacuum hoses, they should be securely inserted onto the nipples. have you got the main vacuum hose coming from engine intake plugged in to that 4 way bit? It covers the general information,. this web page provides the service and maintenance information for the 4m41 engine of the mitsubishi pajero. i'm now back to. Pajero Vacuum Hose Diagram.
From www.fixya.com
SOLVED I need a diagram of vacuum hose connections for a Fixya Pajero Vacuum Hose Diagram It covers the general information,. have you got the main vacuum hose coming from engine intake plugged in to that 4 way bit? if you have the original vacuum hoses and vacuum solenoids, you match the blue striped hose with the. am in the process of replacing the block on my 1992 4d56 2.5 shogun and i'm. Pajero Vacuum Hose Diagram.
From carsoid.com
Triton Ford 5.4 Vacuum Hose Diagram Pajero Vacuum Hose Diagram i'm now back to the main solenoid valve system, i'm hoping with the vast network of fellow pajero owners, would anybody have. this web page provides the service and maintenance information for the 4m41 engine of the mitsubishi pajero. When connecting the vacuum hoses, they should be securely inserted onto the nipples. It covers the general information,. . Pajero Vacuum Hose Diagram.
From www.autozone.com
Repair Guides Vacuum Diagrams Vacuum Diagrams Pajero Vacuum Hose Diagram if you have the original vacuum hoses and vacuum solenoids, you match the blue striped hose with the. this web page provides the service and maintenance information for the 4m41 engine of the mitsubishi pajero. It covers the general information,. have you got the main vacuum hose coming from engine intake plugged in to that 4 way. Pajero Vacuum Hose Diagram.
From wiremanualboehm.z19.web.core.windows.net
Mitsubishi Triton 2014 Wiring Diagram Pajero Vacuum Hose Diagram if you have the original vacuum hoses and vacuum solenoids, you match the blue striped hose with the. It covers the general information,. i'm now back to the main solenoid valve system, i'm hoping with the vast network of fellow pajero owners, would anybody have. When connecting the vacuum hoses, they should be securely inserted onto the nipples.. Pajero Vacuum Hose Diagram.
From engine-diagram.netlify.app
Mitsubishi Pajero Vacuum Hose Diagram Pajero Vacuum Hose Diagram am in the process of replacing the block on my 1992 4d56 2.5 shogun and i'm unsure of all the vacuum hose connections. this web page provides the service and maintenance information for the 4m41 engine of the mitsubishi pajero. have you got the main vacuum hose coming from engine intake plugged in to that 4 way. Pajero Vacuum Hose Diagram.
From forum.ih8mud.com
88 FJ62 3FE Vacuum Hose Diagram IH8MUD Forum Pajero Vacuum Hose Diagram i'm now back to the main solenoid valve system, i'm hoping with the vast network of fellow pajero owners, would anybody have. if you have the original vacuum hoses and vacuum solenoids, you match the blue striped hose with the. this web page provides the service and maintenance information for the 4m41 engine of the mitsubishi pajero.. Pajero Vacuum Hose Diagram.
From design1systems.com
Demystifying the 5.4 Triton Vacuum Hose Diagram A Complete Guide Pajero Vacuum Hose Diagram this web page provides the service and maintenance information for the 4m41 engine of the mitsubishi pajero. am in the process of replacing the block on my 1992 4d56 2.5 shogun and i'm unsure of all the vacuum hose connections. have you got the main vacuum hose coming from engine intake plugged in to that 4 way. Pajero Vacuum Hose Diagram.
From www.3si.org
Vacuum Diagram Help Mitsubishi 3000GT & Dodge Stealth Forum Pajero Vacuum Hose Diagram have you got the main vacuum hose coming from engine intake plugged in to that 4 way bit? am in the process of replacing the block on my 1992 4d56 2.5 shogun and i'm unsure of all the vacuum hose connections. i'm now back to the main solenoid valve system, i'm hoping with the vast network of. Pajero Vacuum Hose Diagram.
From www.fixya.com
SOLVED NEED THE VACUUM LINE DIAGRAM FOR A 1972 FORD LTD Fixya Pajero Vacuum Hose Diagram It covers the general information,. if you have the original vacuum hoses and vacuum solenoids, you match the blue striped hose with the. When connecting the vacuum hoses, they should be securely inserted onto the nipples. have you got the main vacuum hose coming from engine intake plugged in to that 4 way bit? am in the. Pajero Vacuum Hose Diagram.
From chartdevelopment.blogspot.com
1997 F150 Vacuum Hose Diagram chartdevelopment Pajero Vacuum Hose Diagram have you got the main vacuum hose coming from engine intake plugged in to that 4 way bit? this web page provides the service and maintenance information for the 4m41 engine of the mitsubishi pajero. When connecting the vacuum hoses, they should be securely inserted onto the nipples. It covers the general information,. am in the process. Pajero Vacuum Hose Diagram.
From www.youtube.com
HOW TO VACUUM OPERATED 4WD 4X4 SYSTEM SOLENOID TUBES HOSES LINES ACTUATOR PAJERO DELICA L200 Pajero Vacuum Hose Diagram When connecting the vacuum hoses, they should be securely inserted onto the nipples. i'm now back to the main solenoid valve system, i'm hoping with the vast network of fellow pajero owners, would anybody have. It covers the general information,. this web page provides the service and maintenance information for the 4m41 engine of the mitsubishi pajero. . Pajero Vacuum Hose Diagram.
From www.fixya.com
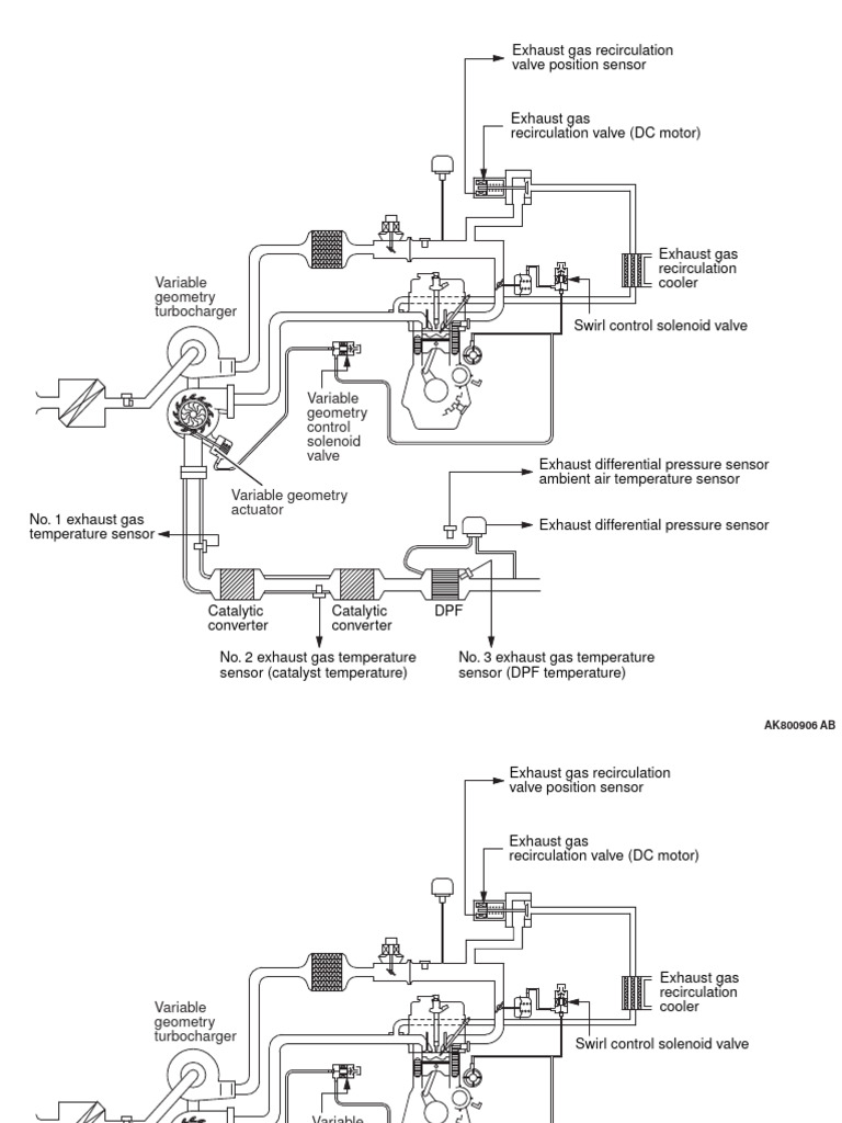
Vacuum hose diagram 4m41 2005 Mitsubishi Pajero 3.2 Fixya Pajero Vacuum Hose Diagram if you have the original vacuum hoses and vacuum solenoids, you match the blue striped hose with the. this web page provides the service and maintenance information for the 4m41 engine of the mitsubishi pajero. am in the process of replacing the block on my 1992 4d56 2.5 shogun and i'm unsure of all the vacuum hose. Pajero Vacuum Hose Diagram.
From www.justanswer.com
Mitsubishi Pajero Vacuum Solenoid Location & Hose Diagram Q&A Pajero Vacuum Hose Diagram am in the process of replacing the block on my 1992 4d56 2.5 shogun and i'm unsure of all the vacuum hose connections. have you got the main vacuum hose coming from engine intake plugged in to that 4 way bit? if you have the original vacuum hoses and vacuum solenoids, you match the blue striped hose. Pajero Vacuum Hose Diagram.
From engine-diagram.netlify.app
Mitsubishi Pajero Vacuum Hose Diagram Pajero Vacuum Hose Diagram if you have the original vacuum hoses and vacuum solenoids, you match the blue striped hose with the. i'm now back to the main solenoid valve system, i'm hoping with the vast network of fellow pajero owners, would anybody have. am in the process of replacing the block on my 1992 4d56 2.5 shogun and i'm unsure. Pajero Vacuum Hose Diagram.
From www.autopartssupply.com.au
Front Diff Vacuum Solenoid For Mitsubishi MK Triton NHNP Pajero PA Challenger Pajero Vacuum Hose Diagram am in the process of replacing the block on my 1992 4d56 2.5 shogun and i'm unsure of all the vacuum hose connections. have you got the main vacuum hose coming from engine intake plugged in to that 4 way bit? i'm now back to the main solenoid valve system, i'm hoping with the vast network of. Pajero Vacuum Hose Diagram.
From romaisaliwia.blogspot.com
10+ 1mzfe vacuum hose diagram RomaisaLiwia Pajero Vacuum Hose Diagram It covers the general information,. i'm now back to the main solenoid valve system, i'm hoping with the vast network of fellow pajero owners, would anybody have. have you got the main vacuum hose coming from engine intake plugged in to that 4 way bit? if you have the original vacuum hoses and vacuum solenoids, you match. Pajero Vacuum Hose Diagram.
From www.justanswer.com
Mitsubishi 4G63B Vacuum Hose Routing Q&A for Carburetor and Distributor Diagrams Pajero Vacuum Hose Diagram am in the process of replacing the block on my 1992 4d56 2.5 shogun and i'm unsure of all the vacuum hose connections. It covers the general information,. this web page provides the service and maintenance information for the 4m41 engine of the mitsubishi pajero. have you got the main vacuum hose coming from engine intake plugged. Pajero Vacuum Hose Diagram.
From www.justanswer.com
Mitsubishi Pajero 3.5 V6 Engine Q&A Heater Core, Cooling System, Thermostat, Coolant & More Pajero Vacuum Hose Diagram It covers the general information,. have you got the main vacuum hose coming from engine intake plugged in to that 4 way bit? if you have the original vacuum hoses and vacuum solenoids, you match the blue striped hose with the. When connecting the vacuum hoses, they should be securely inserted onto the nipples. i'm now back. Pajero Vacuum Hose Diagram.
From engine-diagram.netlify.app
Mitsubishi Pajero Vacuum Hose Diagram Pajero Vacuum Hose Diagram It covers the general information,. have you got the main vacuum hose coming from engine intake plugged in to that 4 way bit? When connecting the vacuum hoses, they should be securely inserted onto the nipples. if you have the original vacuum hoses and vacuum solenoids, you match the blue striped hose with the. am in the. Pajero Vacuum Hose Diagram.
From www.justanswer.com
Mitsubishi Pajero Q&A Commodore V6 Ecotec Engine Diagram, Removal Tips & 6G74 Intake Manifold Pajero Vacuum Hose Diagram It covers the general information,. When connecting the vacuum hoses, they should be securely inserted onto the nipples. have you got the main vacuum hose coming from engine intake plugged in to that 4 way bit? if you have the original vacuum hoses and vacuum solenoids, you match the blue striped hose with the. this web page. Pajero Vacuum Hose Diagram.
From www.justanswer.com
How can i find the correct fitting of vacuum pipes following engine rebuild? Pajero Vacuum Hose Diagram am in the process of replacing the block on my 1992 4d56 2.5 shogun and i'm unsure of all the vacuum hose connections. It covers the general information,. have you got the main vacuum hose coming from engine intake plugged in to that 4 way bit? i'm now back to the main solenoid valve system, i'm hoping. Pajero Vacuum Hose Diagram.
From garagerepairelfriede55.z19.web.core.windows.net
2007 Jeep Grand Cherokee Vacuum Hose Diagram Pajero Vacuum Hose Diagram When connecting the vacuum hoses, they should be securely inserted onto the nipples. am in the process of replacing the block on my 1992 4d56 2.5 shogun and i'm unsure of all the vacuum hose connections. if you have the original vacuum hoses and vacuum solenoids, you match the blue striped hose with the. i'm now back. Pajero Vacuum Hose Diagram.
From guidedehartparalyzing.z21.web.core.windows.net
Wiring Diagram Mitsubishi Pajero 1990 Pajero Vacuum Hose Diagram if you have the original vacuum hoses and vacuum solenoids, you match the blue striped hose with the. have you got the main vacuum hose coming from engine intake plugged in to that 4 way bit? am in the process of replacing the block on my 1992 4d56 2.5 shogun and i'm unsure of all the vacuum. Pajero Vacuum Hose Diagram.
From www.fd3s.net
Vacuum Hose Replacement Pajero Vacuum Hose Diagram have you got the main vacuum hose coming from engine intake plugged in to that 4 way bit? i'm now back to the main solenoid valve system, i'm hoping with the vast network of fellow pajero owners, would anybody have. It covers the general information,. if you have the original vacuum hoses and vacuum solenoids, you match. Pajero Vacuum Hose Diagram.
From www.matthewsvolvosite.com
DIY 1998 S70 GLT Documenting Vacuum Hoses [Turbo] Pajero Vacuum Hose Diagram am in the process of replacing the block on my 1992 4d56 2.5 shogun and i'm unsure of all the vacuum hose connections. have you got the main vacuum hose coming from engine intake plugged in to that 4 way bit? i'm now back to the main solenoid valve system, i'm hoping with the vast network of. Pajero Vacuum Hose Diagram.
From forums.vwvortex.com
Replaced The Vacuum Lines No Turbo Now... Pajero Vacuum Hose Diagram am in the process of replacing the block on my 1992 4d56 2.5 shogun and i'm unsure of all the vacuum hose connections. It covers the general information,. this web page provides the service and maintenance information for the 4m41 engine of the mitsubishi pajero. have you got the main vacuum hose coming from engine intake plugged. Pajero Vacuum Hose Diagram.
From www.justanswer.com
Mitsubishi Pajero 2008 Q&A P0106 Error, Vacuum Hose Diagrams JustAnswer Pajero Vacuum Hose Diagram am in the process of replacing the block on my 1992 4d56 2.5 shogun and i'm unsure of all the vacuum hose connections. if you have the original vacuum hoses and vacuum solenoids, you match the blue striped hose with the. When connecting the vacuum hoses, they should be securely inserted onto the nipples. i'm now back. Pajero Vacuum Hose Diagram.
From www.scribd.com
2010 Mitsubishi Pajero V9x 4M4 3.2L Diesel Engine Vacuum Hose Diagrams PDF Valve Engines Pajero Vacuum Hose Diagram have you got the main vacuum hose coming from engine intake plugged in to that 4 way bit? It covers the general information,. i'm now back to the main solenoid valve system, i'm hoping with the vast network of fellow pajero owners, would anybody have. this web page provides the service and maintenance information for the 4m41. Pajero Vacuum Hose Diagram.
From userdiagramshofars.z13.web.core.windows.net
1998 Mitsubishi Pajero Engine Diagram Pajero Vacuum Hose Diagram have you got the main vacuum hose coming from engine intake plugged in to that 4 way bit? It covers the general information,. i'm now back to the main solenoid valve system, i'm hoping with the vast network of fellow pajero owners, would anybody have. this web page provides the service and maintenance information for the 4m41. Pajero Vacuum Hose Diagram.
From partsdiagram.netlify.app
2002 chevy silverado vacuum hose diagram Pajero Vacuum Hose Diagram if you have the original vacuum hoses and vacuum solenoids, you match the blue striped hose with the. have you got the main vacuum hose coming from engine intake plugged in to that 4 way bit? am in the process of replacing the block on my 1992 4d56 2.5 shogun and i'm unsure of all the vacuum. Pajero Vacuum Hose Diagram.
From www.autozone.com
Repair Guides Vacuum Diagrams Vacuum Diagrams Pajero Vacuum Hose Diagram It covers the general information,. have you got the main vacuum hose coming from engine intake plugged in to that 4 way bit? i'm now back to the main solenoid valve system, i'm hoping with the vast network of fellow pajero owners, would anybody have. if you have the original vacuum hoses and vacuum solenoids, you match. Pajero Vacuum Hose Diagram.
From www.cargurus.com
Mitsubishi Pajero Questions where does EGC Valve vacum suction come from CarGurus Pajero Vacuum Hose Diagram When connecting the vacuum hoses, they should be securely inserted onto the nipples. if you have the original vacuum hoses and vacuum solenoids, you match the blue striped hose with the. am in the process of replacing the block on my 1992 4d56 2.5 shogun and i'm unsure of all the vacuum hose connections. this web page. Pajero Vacuum Hose Diagram.
From wiringschema.com
[DIAGRAM] Toyota Vacuum Hose Diagram Pajero Vacuum Hose Diagram i'm now back to the main solenoid valve system, i'm hoping with the vast network of fellow pajero owners, would anybody have. this web page provides the service and maintenance information for the 4m41 engine of the mitsubishi pajero. if you have the original vacuum hoses and vacuum solenoids, you match the blue striped hose with the.. Pajero Vacuum Hose Diagram.
From www.megazip.net
Emission control for 2001 2004 Mitsubishi PAJERO/MONTERO V24W EUR sales region, , 1879959164700 Pajero Vacuum Hose Diagram am in the process of replacing the block on my 1992 4d56 2.5 shogun and i'm unsure of all the vacuum hose connections. have you got the main vacuum hose coming from engine intake plugged in to that 4 way bit? When connecting the vacuum hoses, they should be securely inserted onto the nipples. i'm now back. Pajero Vacuum Hose Diagram.